ROHL A4911BO Volume Control Rough Valve

Installation Istruction
Volume control inside part

Volume control external part

Preliminary information
- The A4911BO and A4912 trim kit are separate units. You must order both to complete the package.
- The A4911BO has the adoptor C7594 in the box
- The A4911BO is port specific. Make sure the arrow points in the direction of the flow.
- 1h extension kit C4912 is available. Must order separately.
Preparation
Flush the system before and after installation.
Assembly of inside body
- Estimate the finished wall and install the rough ot the required depth.
- Make sure the arrow on the body point in the direction of the flow.
- DO NOT SOLDER THE CONNECTIONS: Heating the valve will damage the cartridge.
There is no warranty on cartridges damaged by heat. - Leave the plastic mudguard in place if further work is done in the area.
Assembly of external part
Please note: The trim kit is assembled out of the box. There are no parts assembled. through 6 are preassembled.
- Remove the mudguard.
- Confirm the installation of adaptor C7594
- Position the lever ot 12 o’clock and screw the body #3 on to the rough valve #1 with the adaptor extension. The extension kit is number C4912 and is not part of the trim assembly. It must Parts 2 C7594 in place Please note: Part#2 is a part of the assembly and not an be ordered separately.

CARE AND MAINTENANCE
Spare Parts

Care and use for finishes
- Country Bath Products are all authentic finishes that have not been coated with any product.
- After each use, pat the fixture down to remove any excess water. This will prevent any water spotting or mineral build-up. Use only soft liquid soap and water to clean the surface. Use a soft brush to clean any gaps.
- 409 or Fantastik. These products can damage the finish leaving black or white spots. Never use an abrasive product like Softscrub, Comet, Ajax or Bon Ami.
- Avoid any products that have ammonia or alcohol like Windex,
- For deep polishing we recommend Bruno’s Wax for all finishings.
- Tuscan Brass is a living finish and has no warranty. It will lighten with use. To extend the life of the finish, apply Bruno’s Wax by patting it on, letting it dry and potting it off. Never rub or buff this finish.
WARRANTY
- Country Bath Collection_has a limited lifetime warranty.
- Warranty Exclusion: This warranty is for normal domestic use only and excludes defect or injury caused by or resulting from misuse, abuse, neglect, accidental damage or improper installation.
- There is no warranty on the finish Tuscan Brass,
SUITABLE FOR PERRIN &ROWE, ROHL COUNTRY, AND MICHAEL BERMAN SHOWER INSTALLATIONS
WORKS WITH THESE TRIM SETS:

PART LIST


ROHL WARRANTY POLICY
- ROHL PRODUCTS ALL CARRY WARRANTIES AGAINST MANUFACTURING DEFECTS.
- THE R1040R VALVES CARRY A LIMITED LIFETIME WARRANTY.
- ROHL LLC WILL PROvIDE FREE OF CHARGE, AT ITS OPTIONS, REPLACEMENT PART(S) OR PRODUCT (OR A COMPARABLE ALTERNATIVE PRODUCT) TO REPLACE THOSE WHICH HAVE PROVEN DEFECTIVE IN MATERIALS OR WORKMANSHIP.
SPARE PARTS AND SERVICE
- ROHL
- 3 PARKER
- IRVINE, CA 92618
- P (714) 557-1933
- F (714) 557-8635
- www.ROHLHOME.COM
SPECIFICATIONS
- TEMPERATURE RANGE:
- MINIMUM 34°F
- MAXIMUM 185°F
- RECOMMENDED OPERATING PRESSURE:
- MINIMUM 15 PSI
- MAXIMUM 75 PSI
INSTALLATION NOTES
- MUST HAVE BOTH ROUGH AND TRIM TO COMPLETE THE INSTALLATION FLUSH THE PLUMBING SYSTEM BEFORE INSTALING THIS PRODUCT.
- MUST FOLLOW DIMENSIONS SUPPLIED FOR INSTALLATION AND MAKE SURE ALLOWANCE IS MADE FOR FINISHED WALL MATERIAL SUCH AS TILE, ETC.
- MUST INSURE THE HANDLE IS VERTICAL WHEN THE VALVE IS IN THE “OFF” POSITION.

NOTE: Lever should be in UP posifion for ‘off (Michael Berman trim shown).
IMPORTANT: WE RECOMMEND THE USE OF A LICENSED PLUMBER TO INSTALL THIS PRODUCT. PLEASE READ AND UNDERSTAND THE PROVIDED INSTALLATION INFORMATION BEFORE PROCEEDING.
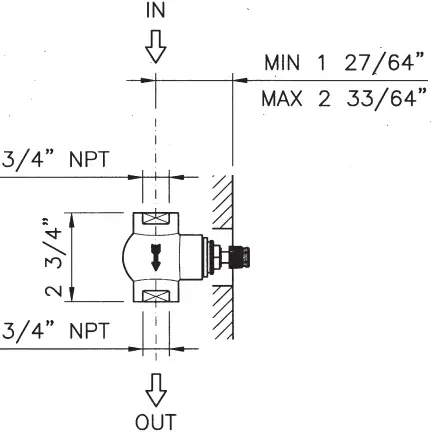
REQUIRED MEASUREMENTS
- A =1 1/8″ MIN.
- B -5/16″ (MUST LEAVE MIN. 5/16″ EXPOSED OR TRIM WILL NOT FIT)
- C-3/4″ (MUST LEAVE MIN. 3/4″ EXPOSED OR HANDLE WILL NOT ATTACH)
BEFORE USE
- CAREFULLY CHECK THE INSTALLATION FOR LEAKS.
- IF FURTHER WORK IS GOING TO BE DONE IN THE VICINITY OF THE VALVE AND TRIM, COVER THE INSTALLATION WITH A PLASTIC BAG TO HELP AVOID DAMAGE TO THE FINISH.
CARE AND MAINTENANCE
- RECOMMEND OCCASIONAL CLEANING WITH WARM SOAPY WATER FOLLOWED BY POLISHING WITH A SOFT CLOTH TO KEEP THE PLATED FINISH IN GOOD CONDITION.
- DO NOT USE ABRASIVE LIQUIDS, POWDERS, OR PADS TO CLEAN THE PRODUCT. YOU WILL DAMAGE THE FINISH AND VOID THE WARRANTY.
SPECIFICATIONS
- TEMPERATURE RANGE:
- MINIMUM 34°F
- MAXIMUM 185°F
- RECOMMENDED OPERATING PRESSURE:
- MINIMUM 15 PSI
- MAXIMUM 75 PSI
INSTALLATION NOTES:
- MUST HAVE BOTH ROUGH AND TRIM TO COMPLETE THE INSTALLATION.
- FLUSH THE PLUMBING SYSTEM BEFORE INSTALLING THIS PRODUCT.
- MUST FOLLOW DIMENSIONS SUPPLIED FOR INSTALLATION AND MAKE SURE ALLOWANCE IS MADE FOR FINISHED WALL MATERIAL SUCH AS TILE, ETC.
- MUST USE WITH VOLUME CONTROL WHEN USED WTH THERMOSTATIC VALVE
- 1X 1/2″M NPT INLET
- 3 X 1/2″M NPT OUTLETS
- FLOW IS DEDICATED
- MAY NOT BE SPLIT INTO TWO OUTLETS AT ONCE
- CALGREEN COMPLIANT
- 10 GPM
- OUTLETS MAY BE CAPPED IF NOT USED
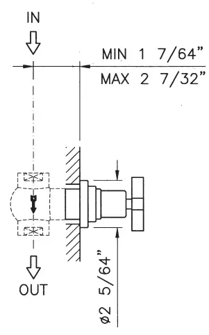
- MIN. DEPTH IS 2 3/16″ FROM MIDDLE OF THE VALVE OUTLET
- MAX. DEPTH IS 4 11/16″ FROM MIDDLE OF VALVE OUTLET (CHECK DIMENSIONS)
- EXTENSION SOLUTION INCLUDED IN THE ROUGH PACKAGE. CUT BARREL AND EXTENSION TO SIZE AS NEEDED.
- ADDITIONAL EXTENSION KITS AVAILABLE.


REQUIRED MEASUREMENTS
- A 2-3/16″ MIN.
- B -5/16″ (MUST LEAVE MIN. 5/16″ EXPOSED OR TRIM WILL NOT FIT)
- C 3/4″ (MUST LEAVE MIN. 3/4″ EXPOSED OR HANDLE WILL NOT ATTACH)
IMPORTANT:
WE RECOMMEND THE USE OF A LICENSED PLUMBER TO INSTALL THIS PRODUCT. PLEASE READ AND UNDERSTAND THE PROVIDED INSTALLATION INFORMATION BEFORE PROCEEDING.
BEFORE USE
- CAREFULLY CHECK THE INSTALLATION FOR LEAKS.
- IF FURTHER WORK IS GOING TO BE DONE IN THE VICINITY OF THE VALVE AND TRIM, COVER THE INSTALLATION WITH A PLASTIC BAG TO HELP AVOID DAMAGE TO THE FINISH.
CARE AND MAINTENANCE
- RECOMMEND OCCASIONAL CLEANING WITH WARM SOAPY WATER FOLLOWED BY POLISHING WITH A SOFT CLOTH TO KEEP THE PLATED FINISH IN GOOD CONDITION.
- DO NOT USE ABRASIVE LIQUIDS, POWDERS, OR PADS TO CLEAN THE PRODUCT. YOU WILL DAMAGE THE FINISH AND VOID THE WARRANTY.


















