ETNA KKV655 Fridge Tabletop Model

PACKAGE CONTENT
Inside the package you will find:
- The machine FAST PRO PLUS.
- 1 or 2 fog cylinders of 600 ml each.
- A label to indicate the device presence.
- Installation and use manual.
INTRODUCTION OF THE PRODUCT
Thank you for purchasing UR Fog product.
- The great patented technological innovations such as the liquid injection system, the disposable cylinders,
the fact that they don’t need to be refilled, the ecological and economic system for the complete emptying of the cylinders, together with the heating system, all of them make the PRO PLUS fog generators the best fog devices with the best performance in the security market. - Reliable: There are no high pressure pumps which lose fluid or tend to stop working. There are no high pressure pumps that must be tested periodically. Double cylinders technology is guaranteed to work in any condition.
- Competitive: Complete use of cylinders liquid avoiding any waste of liquid thanks to pressure control. Low power consumption. Fast and powerful.
- Simple: Machine easy to install and able to be integrated to any existing alarm system.
CONDITIONS OF USE AND WARNINGS
The fog generated by UR Fog does not create particular problems or injuries for a human being for a short stay in a fogged room if the system is used according to the manufacturer’s recommendations. Generated fog is certified as safe for people and animals from an authorized international certification company and is proved that it does not leave any residual. UR Fog systems are certified respecting European laws and regulations. Any certifications required in specific countries are a responsibility of the distributor of that specific country. The documents related to certifications can be requested by mail to [email protected]. It is not guaranteed by the manufacturer the use of UR Fog system in the presence of objects that may be damaged anyway by the contact with substances based on glycol, water and alcohol. Any employee or worker that may be exposed to fog must be warned in advance and must be checked for any allergy to the substances listed above.
At the date of printing of this manual it has never been pointed out any problem related to any allergy. UR Fog isin no way responsible for any damage or condition of use that has not been required and specifically approved by any specific written request prior to the installationof its products. For fog fluid please refer to UR Fog fluid safety data sheet published on the website and carefully read it at www.urfog.com. Contact a doctor if for any reason you swallow fog fluid or if after contact with eyes or skin you have any kind of reaction, and in any case wash it immediately with water and soap. Do never stay for a long time in a room filled with fog. Do not use charged cylinders that are not the ones suggested by UR Fog and never try to recharge them, they are made for single use. Follow your national rules for the disposal of empty cylinders. Keep UR Fog cylinders out of reach of babies and animals. The nozzle may be hot and touching it may cause burns. Do not look directly into the nozzle. Never use UR Fog products for any purpose that is not related to protection from thief or robbery (the choice of the conditions of use in case of robbery will be suggested by your security consultant). Never use different fog fluids or add any other substance into the cylinders. Do not use or keep charged UR Fog machines in vehicles and do never transport UR Fog before 24 hours since it has been shut off. During transport it must be not armed.
INSTALLATION TIPS FOR FOGGING SYSTEMS
Please observe the following instructions for installing UR Fog:
- The machine must be installed avoiding to obstruct escape routes.
- Verify the fog does not limit the visibility near: stairs, landings, moving objects that may cause: falls down, injuries or any damage to persons.
- Do not look directly into the nozzle. Do not add any other substance into the cylinders.
- The nozzle may reach high temperatures, touch it may cause burns.
- When UR Fog produces fog avoid staying closer than 1 meter from the machine.
- When UR Fog is armed avoid staying closer than 50 cm from the nozzle.
- Before testing UR Fog, remember to report it in advance to the firefighters in your area to avoid false alarms.
- Remember to put warning labels about the presence of UR Fog on the windows.
- Report its installation to the firefighters in your area and eventually to other institutions if needed.
- It is necessary to add an external switch to separate the fog generator from the alarm system and it should be activated before the maintenance to avoid that input tests, for example, can activate the fog generator.
- Never direct the fog jet towards an object or a wall less than 2 meters away and if possible increase the suggested minimum distance. Thanks to the power of the jet, UR Fog reaches and exceeds more than 10 meters away in the first 3 seconds from the point where the machine is installed.
- Setting the shooting time interval between the minimum and maximum shown in the time table, avoid “overshooting” even if the produced fog is dry and generally doesn’t leave residue. A shot that goes far beyond the recommended seconds can create a residue problems in the room.
- UR Fog continues to be effective for up to 2 hours without 230 V and 120 V main power thanks to the insulation system which maintains the temperature in the heating system.
- Install at an height of about 2,5 meters not to let it be reached, avoiding possible tampering.
- Install with a maximum inclination of 20°.
- Do not move the machine when it is still hot.
- The main body of UR Fog, which has the heating system enclosed inside a metal frame, should not be opened unless by specific and authorized service centers. Do not open and touch for any reason the insulation before 24 hours UR Fog has been shut off. The internal part may reach really high temperature.
- Do not activate the UR Fog machine before the installation is completed.
- Insert the cylinders as the last procedure and verify the anti-tampering function.
- When the installation is finished, always test the system.
- From the moment of UR Fog activation, at least one hour is necessary to reach the minimum temperature needed for the fog shooting.
- Install UR Fog avoiding any obstacles in front of it which can prevent the spreading of the fog.
- The external temperature of UR Fog can change from room temperature to 50 °C.
- The tip of a stranded conductor should not be soft-soldered where the conductor is subjected to contact pressure.
- The UR Fog machine should not be exposed to water spray or dripping.
- Request to UR Fog or its distributors to take part in courses for installers to ensure the optimal installation of the equipment.
TECHNICAL SPECIFICATIONS
| * Industrial standard as from other manufacturers
Weight without tanks and battery | FAST 03 PRO PLUS
11,8 Kg | FAST 02 PRO PLUS
15,0 Kg |
| Max fog emission in a single shot | 200 m3 | 400 m3 |
| Total fog emission capacity | 1200 m3 (1C) – 2400 m3 (2C) | 2400 m3 |
| Fog tanks capacity | 2 x 600 ml (1 x 600 ml in 1C version) | 2 x 600 ml |
| Working time without mains power | about 2 hours | about 2 hours |
| Max power on heating system | 300 W | 300 W |
| Average power consumption “during heating” | 270 W | 270 W |
| Heating time | about 50 minutes | about 90 minutes |
| Maximum consume at 12 V | 42 W | 45 W |
| Maximum power consumption at 12 V | 500 mA | 500 mA |
| Average batteries lifetime | Pb 2 Ah 12V | Pb 2 Ah 12V |
| Door tamper | Tamper screw | Tamper screw |
| Anti-tear off and anti-shift | Accelerometer | Accelerometer |
In 1C version, the “empty” signal doesn’t mean only that the cylinder is empty, but also warns you that the system is in reserve. For this reason is very important to make the “reset” only when you actually exchange the cylinder, or you will lose the seconds counting. (See paragraph 13)
WARNING:
- Loosened ferrule can cause dropping
- Do not disconnect the machine immediately after the shot
- Change battery every 2 years
- Change the cylinder as soon as the “empty” signal appears
HOW TO ACTIVATE THE SYSTEM
It is always recommended to fix the fog generator to a wall even when it is placed on a flat surface. The optional bracket, mainly recommended for ceiling installation, can also simplify standard installation, by allowing to use back holes for the passage of cables. Remember to use the fixing screw placed in the cylinders compartment. Always verify that the bracket or the support surface are suitable for the weight of the machine. It is suggested not to install the machine behind walls in a limited closed area without a specific ventilation, in order to prevent a possible overheating.
CAUTION: to avoid injuries please securely fix the fogging machine to the wall according to the installation instructions. In case of installation behind a wall, it is possible to request a nozzle extension of 7 cm. After removing the machine from the package, unscrew the two screws that stop the right side panel and remove it. Remove tamper screw and shell screws from inside. At this point it is possible to remove frontal shell and see electronic circuit, from here on called PCB. The cylinders supplied with the equipment are intended to be used only for a vertical (standard) installation. In case of horizontal installation, please refer to your authorized reseller/distributor to get the appropriate cylinders.I’s necessary to insert the cylinders with the black plastic plug. To open the additional compartment in the lower part, it is necessary to remove cylinders compartment’s door and take off the frontal shell, unscrew and remove the screws below. The screw in lower left part of cylinders compartment’s door is longer than the others and its removal activates the tamper output.
The screw in lower left part of cylinders compartment’s door is longer than the others and its removal activates the tamper output. After the screw has been positioned correctly, the machine emits 4 beeps and deactivate tamper output.
MAINS POWER AND POWER SUPPLY CONNECTIONS
The heating element is rated 300 W, at the very beginning power consumption is about 270 W and in some minutes it goes down reaching average consumption is about 37 W – 42 W. Do not use an inverter or UPS if you are not sure that they generate a true sine wave, not a rebuilt one. Ask please the UPS manufacturer for the correspondence of such features before proceeding with the connection. The max current to be considered for the system is 4 A
- The connection to the 230 V and 120 V electricity grid must be performed by a qualified technician.
- Connect the equipment to the electricity grid only after you have completed the installation.
- It is necessary to connect the ground terminal.
PLEASE NOTE THAT, AS ALL POWERED EQUIPMENT FROM THE ELECTRICITY GRID REQUIRING INSTALLATION, IT IS SUBJECT TO COMPLIANCE WITH RULES OF THE COUNTRY IN WHICH IT IS INSTALLED For section and types of wires, fuses, suitability of materials to installation sites etc.. IF YOU NEED TO REPLACE THE FUSE, USE ONLY FUSE WITH THE FOLLOWING SPECIFICATIONS:
- FOR 230 V MAINS VOLTAGE: CERAMIC BODY FILLED WITH QUARTZ, REF. STD. EN60127-2-3/DIN41660, 3.15 A, H 1500 A (EXAMPLE OMEGA GT520231)
- FOR 120 V MAINS VOLTAGE: CERAMIC BODY FILLED WITH QUARTZ, REF. STD. EN60127-2-3/DIN41660, 6.3 A, H 1500 A (EXAMPLE OMEGA GT520263)
- The battery is necessary to use the system in a safe way. The battery is recharged by power supply coming from J6 PIN + -.
- The placing of the lead-acid battery 2 Ah 12 V is in the case under the heat exchanger.
- In order to accede to the battery case is necessary to remove the frontal cover and the 2 locking screws.
- In case of a brackage of the battery fuse, use exclusively 1 A fuses.

- Power supply mains connections Mains power
- Ground connection
- Battery holder (battery not included)

While connecting the machine to the mains power, it is raccomended to never disconnect existing ground cable. The fact of disconnecting or modifing existing cables voids the warranty and can cause troubles or accidents related to the temperature control.
DESCRIPTION OF INPUT AND OUTPUT CONNECTIONS

- INPUTS
- + 12V power input
- – GND power input
- ARM Arming input
- SHOOT Shooting input
- – GND
- OUTPUTS
- EMPTY Empty cylinder output FAULT Fault output
- TAMPER Tamper output
- CONFIRM Shot confirmation output
- PIR SENSOR VALIDATION INPUT
- P+ +12V for PIR power supply
- P- GND for PIR power supply / COM. PIR PV N.C. PIR
INPUTS
+ 12V Power input The power supply is connected to those inputs.
INPUT SIGNALS
A By connecting this input to positive, FAST PRO PLUS is armed, blue frontal LED is switched on and when the machine reaches proper temperature it means that it is ready for shooting. S Putting this input to positive, if FAST PRO PLUS is hot and armed, starts fog emission for the set time In case of alarm, opening ARM input, the fog emission stops immediately, even if the time set wasn’t reached.
VALIDATION INPUT
In order to validate this input, it’s necessary to insert the jumper W4 with the unit switched OFF. This input automatically generates AND function with input S. If any input receives the shooting command, the generator doesn’t emit fog if within 1 minute doesn’t receive the command also from the second input. P+ Output positive to give power to a validation sensor or a remote control receiver, max 300 mA. P- Output negative to give power to a validation sensor or a remote control receiver, max 300 mA. PV Validation input. It’s possible to connect to this input a validation sensor with a contact normally closed conncted to the terminal P-. The PV input can be connected to external devices such as PIR or door sensors and behaves as an additional firing validation input. When the PV function is active, by closing the W4 jumper, the emission of fog will be possible ONLY if the SHOOT and PV commands have both been received, in any order, in a time interval not exceeding 60 seconds. After the shooting in these conditions both inputs will be inhibited for 2 minutes to avoid false activations.
OUTPUTS
This output (NPN Open Collector) closes towards negative direction when the cylinder is empty.This output (NPN open collector) closes towards negative when the fogging machine emitted fog for at least 100’’ or when the cylinder is empty. The signal is activated by a sensor that detects the absence of liquid just while shooting. The empty cylinder signal is deactivated only making the RESET (see paragraph 13). For this reasons, if the cylinder is not inserted, or there is an empty cylinder inside, FAST PRO PLUS will detect it just after a shot. F This output (NPN Open Collector) closes towards negative when there is a malfunction (such as batteries expired, fault of power supply or temperature control fault), which compromises the functioning of the device and which requires a technical action. Fault signal due to supply absence has a delay of 20 minutes. This output (NPN Open Collector) closes in a negative direction when you open the cylinder door or when the accelerometer detects a sudden movement (such as the detachment from the wall). This output (NPN open collector) closes towards negative only after that the system has emitted fog for the set time. If the emission of fog is interrupted (if there is an interruption of ARM command, if the glycol finishes, if there is not thermal autonomy anymore) this output will not change its status.Remember, it is necessary to connect all three outputs to an alarm central or an electronic panel that can see all those information in real time and take proper action. In order to avoid accidental activation with subsequent fog emission, the inputs are in “negative security”, for this reason the disconnection of a wire does not cause activation. So it is necessary to check carefully the reliability of connections and protect the cables to the control panel to avoid the risk of accidental damages.
- JUMPER W4: if closed, it activates external PIR.
- JUMPER W3: reserved for diagnostic, DO NOT USE!
- JUMPER W2: if closed, it activates antirobbery function (instant shot through antirobbery button).
- JUMPER W1: if closed, it activates the serial port to use additional boards, like LAN board (not relay board).
CONNECTION EXAMPLES
The diagrams and examples below are intended only for a “better understanding” of the operation of the inputs / outputs. None of the diagrams below represents the “single scheme to perform” as, in respect of the reference standard EN50131-8, there are precise indications and only using all inputs and outputs on the PCB it is possible to abide by the standard.
- Example of connection of FAST PRO PLUS inputs with outputs of a standard alarm system
- Example of connection of FAST PRO PLUS inputs to an alarm with relay outputs
- Example of connection of FAST PRO PLUS inputs with outputs of an alarm with open collector outputs D Example of connection of FAST PRO PLUS outputs to drive LEDS and / or relays
- Example of connection of FAST PRO PLUS outputs with inputs of an alarm normally opened
- Example of connection of FAST PRO PLUS outputs with balanced inputs of an antitheft
- Example of connection of FAST PRO PLUS outputs with antirobbery connection.
- Example of connection of FAST PRO PLUS outputs with relay board.
Example of connection of FAST PRO PLUS inputs with outputs of a standard alarm system

In the diagram above the control panel, as example, provides to UR Fog power supply between 11 and 14V DC 250 mA max. The ON/OFF output of this alarm is an Open Collector NPN opened when the system is off and it is stably closed to negative as long as the system turned on. The alarm output of the alarm is normally open and becomes positive during the alarm time.
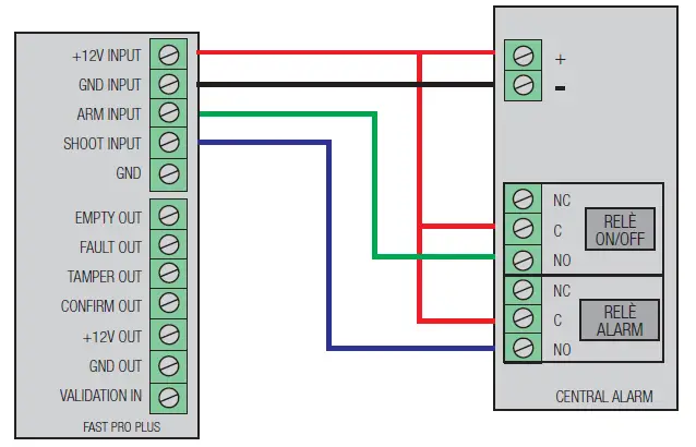
Esempio di collegamento degli ingressi di FAST PRO PLUS con una centrale di antifurto dotata di uscite a relè

ON/OFF output of this alarm central is an open relay when the system is off and it is stably closed to positive as long as the system is turn on.
Example of connection of FAST PRO PLUS inputs with outputs of an alarm with open collector outputs

Compared to B diagram, this alarm central has only open collector outputs. The simplest action to take is to use 2 relays to create a connection similar to the one shown in the previous diagram.
Example of connection of FAST PRO PLUS outputs to drive LEDS and / or relays

In case of an empty cylinder, the DL EMPTY LED will switch on. In case of a fault, the DL FAULT LED will switch on. By opening the cylinders door, besides the DL TAMPER turning on, the relay will switch as well. Max power applicable on the outputs is 100mA
Example of connection of FAST PRO PLUS outputs with inputs of an alarm normally opened

The outputs shown in the diagram are not always necessary, but only in cases where the voltage of pull-up resistance is lower than that of power supply. The UR Fog outputs are normally opened and connected with input zones of the alarm control panel normally opened.
Example of connection of FAST PRO PLUS outputs with balanced inputs of an antitheft
In this diagram, by putting a resistance with a value required by the alarm control panel used, in UR Fog terminal with not used outputs the central will see the correct resistance. After the activation of an output, a pull-down will occur causing the alarm in the corresponding zone
Example of connection of FAST PRO PLUS outputs with antirobbery connection.

Using the special connector and enabling the option antirobbery closing the Jumper W2, you will obtain the immediate emission of the fog for the seconds that you have set (paragraph13) even if the fogging system is not armed.
- N.B. Is recommend to use this function after a careful evaluation of the risks from a security consultant.
Example of connection of FAST PRO PLUS outputs with relay board.

With p2/p3/p4/p5 jumpers is possible to select if the contact should be normally opened or normally closed
- 1/2 empty contact
- 3/4 fault contact
- 1/2 tamper contact
- 3/4 shot confirmation contact
p6 jumper should remain in fast plus position
MEANING OF FRONT LEDS
.BLUE LED
When on it means the machine is armed and, if hot, it’s ready to shoot. When flashing means something is wrong. (See paragraph 16 “DEFECTS AND POSSIBLE SOLUTIONS“)
RED LED
When on when at least one cylinder is empty or it is in reserve (only 1C model) (See paragraph 13 INSTALLATION, EXCHANGE AND CYLINDERS RESET)
GREEN LED
When on (steady green light) means the machine is hot and ready for the fog emission. When flashing means the heating process is in progress.
In this step the machine is heating but is not ready to shoot.
IF THE BLUE LED IS FLASHING, TOGETHER WITH A CONTINUOUS SOUND FROM THE BUZZER, A SERIOUS PROBLEM IS DETECTED. SEE PARAGRAPH 15
- The symbol of empty cylinder, in 03 1C MODEL has the meaning of “RESERVE”
SHOOTING TIME SETTING AND FOG FLOW DIRECTION
To set the shooting time, after opening the cylinders compartment door, at the top of the PCB, facing the board you must move the jumper in left position P3 (closer to the buttons S1/S2). Then, holding down the button S1 “SET”, 6 leds on the front will flash and each flash is equivalent to one second. If you press the button again, the shooting time is not added to the one previously set, but will restart from zero. N.B. Before opening side door ensure that the control panel is set to “service”, so that the opening of “anti-sabotage or tamper” circuit does not cause any shooting.
RECOMMENDED SHOOTING SECONDS ACCORDING TO THE VOLUME SPACE TO PROTECT (m3)
Fogging systems FAST 03 PRO PLUS and FAST 02 PRO PLUS are able to produce fog for a maximum respectively 15 and 25 seconds per single shot. The maximum quantity of 9,7 ml/s (FAST03 PRO PLUS) and 12,8 ml/s (FAST 02 PRO PLUS) allows to fill an area of about 200 and 400 m3. There might be cases in which, due to specific characteristic of the location, nozzle type, levels of temperature and air pressure, degree of the fog density and light in the target area, the shooting time can be increased or decreased. For example, above 5 m of height the shooting time must be integrated and above 7 m , every additional meter should be considered as double.
(HxLxP) x D x V x R x I
- HxLxP——–Height x Width x Depth of the area to protect
- D————-Density of the produced fog
- V————-Temperature and air pressure
- R————-Acceptable residue in case of saturation of V parameter
- I————–Intensity of the surface light
The following tables indicate the suggested fog emission in relation to the number of seconds of shooting set in average condition of temperature, air pressure and humidity.
N.B. To correctly dimension the machines it is needed to verify that the saturation of the area occurs in faster time than the one supposed for the theft.
SHOOTING TABLE FAST 03 PRO PLUS (2C and 1C)
| m³ to protect 15-18 (64*) | Seconds of emission 1 | m³ to protect 87-105 (315*) | Seconds of emission 6 | m³ to protect 160-192 (576*) | Seconds of emission 11 |
| 29-35 (105*) | 2 | 102-122 (366*) | 7 | 175-210 (630*) | 12 |
| 44-52 (156*) | 3 | 116-140 (420*) | 8 | 189-227 (681*) | 13 |
| 58-70 (210*) | 4 | 131-157 (471*) | 9 | 204-244 (732*) | 14 |
| 73-87 (261*) | 5 | 146-175 (525*) | 10 | 218-262 (786*) | 15 |
SHOOTING TABLE FAST 02 PRO PLUS
| m³ to protect 19-23 (69*) | Seconds of emission 1 | m³ to protect 190-228 (684*) | Seconds of emission 10 | m³ to protect 325-390 (1170*) | Seconds of emission 19 |
| 38-46 (138*) | 2 | 205-246 (738*) | 11 | 340-408 (1224*) | 20 |
| 57-68 (204*) | 3 | 220-264 (792*) | 12 | 355-426 (1278*) | 21 |
| 77-92 (276*) | 4 | 235-282 (846*) | 13 | 370-444 (1332*) | 22 |
| 96-115 (345*) | 5 | 250-300 (900*) | 14 | 385-462 (1386*) | 23 |
| 115-138 (414*) | 6 | 265-318 (954*) | 15 | 400-480 (1440*) | 24 |
| 135-162 (486*) | 7 | 280-336 (1008*) | 16 | 415-498 (1494*) | 25 |
| 160-192 (576*) | 8 | 295-354 (1062*) | 17 | ||
| 175-210 (630*) | 9 | 310-372 (1116*) | 18 |
- Industrial standard as from other manufacturers The value in the first column indicates the volume of the room to be protected, with respective seconds of emission reported in the second column. The value in m³ varies depending on the density to be obtained. Within the second column, the first value allows to get the maximum density recommended to ensure the absence of any residual, while with the second value you get minimum recommended visibility of according to the standard CENELEC, whereas a higher visibility would make the fog superfluous. In places where a little residual causes no problems, it is possible to increase the shooting time. Please note that the higher the fog released, the more the time required to recover visibility. High levels of fog, over recommended limits, can leave residual. Any residue usually goes away by itself within 24/48 hours, otherwise, being soluble in water, it is enough to use a wet cloth for cleaning. If you desire to obtain an average of 1 meter visibility after 60 seconds, as specified by the standard, as used as reference by all manufacturers of Fog generators, the number of shooting seconds must be reduced by half.

FOG FLOW DIRECTION
To ensure the right direction of the fog flow, it is recommended to insert a screwdriver of the diameter of the hole and, without forcing, orient the nozzle in the correct fog emission direction. This allows you to clearly see the direction and keep it in place while tightening. To screw and unscrew the nozzle you should use a pair of pliers in good condition to avoid damaging the plating. Do not overscrew the nozzle, it is sufficient that the teflon nozzle does not move. Do not direct the fog jet towards objects and walls less than 2 meters away or to the floor if it is installed at a height lower than 2.50 meters (we advise against the installation on the floor).
WARNING! After the fog emission, and for a few minutes the nozzle is very hot RISK OF BURNS IF TOUCHED by bare hands.
NOZZLE TAMPER
The check of the obstruction of the nozzle is done with a little air flow, while a sensor check the pressure of the internal circuit. In case the sensor detect an increase of the internal pressure, means that there is an obstruction inside the nozzle. As consequence of the detection, if the generator is armed will occur a brief shot of 1 second in order to free the nozzle and to avoid another obstruction. In the meantime, the output of Tamper will be activated, the buzzer will emit a sound with a fast frequency with the flash of the red LEDs. This condition of the alarm will continue until the system is disarmed and armed again. As the little compressor that introduces the air flow emits some vibrations, its activation occurs only in the following cases:
- When you press the button RESET for more than 5 seconds, besides the activations of the drop of the motors, will start a cycle of monitoring of 15 minutes, in order to simulate the obstruction and check the correct working.
- When the system has armed the cycle of monitoring starts. This cycle is the most important, because as the system was disarmed probably was easier to go near the machine and obstruct the nozzle. After 15 minutes, the compressor will stop automatically. If the system is disarmed and armed again, the cycle will start again for 15 minutes.
- After the emission of the fog, as normally the zone where the machine is installed is the last where the visibility is reduced, the generator remains vulnerable, giving the possibility to who generated the alarm to attempt the sabotage. For this reason, after the emission of the fog the compressor will be activated for 15 minutes, and who tries to obstruct the nozzle will cause a shot. As the little compressor that introduces the air flow emits some vibrations, its activation occurs only in the following cases:
- When you press the button RESET for more than 5 seconds, besides the activations of the drop of the motors, will start a cycle of monitoring of 15 minutes, in order to simulate the obstruction and check the correct working.
- When the system has armed the cycle of monitoring starts. This cycle is the most important, because as the system was disarmed probably was easier to go near the achine and obstruct the nozzle. After 15 minutes, the compressor will stop automatically. If the system is disarmed and armed again, the cycle will start again for 15 minutes.
- After the emission of the fog, as normally the zone where the machine is installed is the last where the visibility is reduced, the generator remains vulnerable, giving the possibility to who generated the alarm to attempt the sabotage. For this reason, after the emission of the fog the compressor will be activated for 15 minutes, and who tries to obstruct the nozzle will cause a shot.
- Do not obstruct the nozzle when the generator is armed and cylinders are in,
the shot can cause hurts and burns. - If the nozzle is obstructed, even if the emission of the fog removes the obstruction, it is necessary to check that the pneumatic circuit is not damaged. See paragraph 16 In some cases is necessary to let the system be checked by the service center.
- Do not obstruct the nozzle when the generator is armed and cylinders are in,
INSTALLATION, EXCHANGE AND CYLINDERS RESET

The cylinders for FAST PRO PLUS are guaranteed to work until the expiry date that is printed on the top of them. After that date, cylinders should be changed even if they have not been used. It is recommend to return them to you dealer, who will take care of disposal. After removing the screws of the door, is sufficient to remove the cylinder and reset the LED of empty cylinder. After that, insert a new cylinder until you hear the “click” of the plastic support entering in its housing, then close the door. If the cylinder seems to be “stuck” in the upper part DO NOT pull with force, make a pressure with two fingers on top of the cylinder, as to lower it. Then, try to remove it again. If the cylinder does not enter, check if the cylinder plate of the motor remains lifted. In case of an empty cylinder to be replaced, it is recommended to replace it with the second cylinder still full present in the machine, and a new cylinder will replace this last one. This in order to ensure a proper rotation of the cylinders and to avoid that a cylinder can remain unused for a long time within the device.N.B. When you close the door, the buzzer will make a sound to confirm the tamper is closed. Attention: Before opening the side doors, make sure that the alarm control panel is in “service” mode, so that the opening of the “anti-sabotage or tamper” circuit does not cause any alarm.
MAINTENANCE
UR Fog generators do not require special care, however, it is recommended the support of qualified and authorized personnel for periodic annual monitoring, taking into account the following:
- Verify the good working condition of the power supply and battery
- It is advisable to replace the cylinders after 2 years from the installation
- Verify the lock of the nozzle ferrule
- Verify the entirety of the nozzle sphere
- Check the air tightness of the circuit and the switch functioning
- Intervention report redaction and release of conformity declaration according to 37/08 order in case of provision
Check the efficiency of the power supply and of the battery
Verify that the tension of the no-load voltage power supply (disconnected battery) is 13,8 V. If tension is different, regulate it using the trimmer placed on the power supply. Verify the efficiency of the battery (it should not be hot and bloated); it is suggested to change it every two years due to the heavy and prolonged charge during the shot without mains power.
Entirety of the nozzle sphere
Verify that the nozzle hole is cylindric. The average duration of the nozzle sphere depends on the number and duration of the shooting, around 8L of glycol.
Checking of the pneumatic circuit and the pressure control system
THE TEST CAN BE DONE JUST BY QUALIFIED PERSONNEL
- Before starting the test of the pressure control it’s necessary:
- to remove the cylinder
- to be sure that the nozzle is cold
- to be sure that the nozzle tamper pump is activated
The pneumatic seal test must be done within a few seconds when the machine for nozzle tamper control is turned on, as the nozzle temperature rises rapidly reaching temperatures that may cause serious burns. The air coming out of the nozzle exceeds 200° C.
IT’S ADVISABLE TO USE GLOWES
- Obstruct the nozzle with soft and insulating material (for example an eraser).
- Keep the nozzle obstructed, press the button P3 previously moved in RESET position (see paragraph 14) and keep it pressed until you hear that the pump is activated.
- Wait for the activation of the buzzer (Max 30’’)
- Remove the obstruction taking away your hand quickly to avoid to be in contact with the hot emission of air. The buzzer must stop.
- If after 30’’ you don’t hear the buzzer, may be a loss inside the circuit; please contact the service center.
- If after removing the obstruction the buzzer doesn’t stop, it means that there is an obstruction; please contact the service center.
RESET FROM FAULT CONDITION (BLUE and RED LEDS)
This process is useful to discriminate false interpretations of faults caused by electrical shocks or serious problems on power supply from thermal loop problems.
- Serious fault signal occurs with a first phase when the buzzer emits a continuous sound for 20 minutes and blue led flashes, the output FAULT immediately switch (if the generator is disconnected and connected again you can go directly at point 3).
- After 20 minutes, the buzzer stops, while blue led goes on flashing, the FAULT output remains closed. This phase remains permanently, until the machine is completely disarmed.
- When you connect again the machine, blue and red leds flash alternately and no sound is emitted. This phase lasts for 30 minutes, then, the output FAULT is reset and the generator start to work again. If during this process the generator is disconnected, when you connect it again the time start again from the beginning and for 30 minutes.
If at the end of this process, the generator start to work again regularly is not necessary any further operation. If occurs again the fault condition within the following 20 minutes, it’s necessary a check from the assistance center, or to send the machine back to the factory.
FAULTS AND POSSIBLE SOLUTIONS
| DEFECT FOUND | POSSIBLE CAUSE | POSSIBLE SOLUTION | |
| When you connect the machine you hear a relay clicking cyclically | not a fault | When the machine is cold or has just emitted fog, until the exchanger has reached the working temperature, a relay is activated with the triac to decrease the consumption. | |
|
When you connect the generator you don’t hear the clicking relay | |||
| As soon as the PCB is switched on, the microprocessor makes a diagnostic check | For the duration of the test, even GREEN LED are flashing, the exchanger is not activated. Wait for 2 minutes. | ||
| GREEN LED switched on and fix | The heating exchanger has reached the temperature, so the relay is not activated anymore, but just occasionally. | ||
| GREEN LED switched off | There is not 120/230 V power supply, check the mains on the input terminals of power supply and wait for 2 minutes. | ||
| When you arm the machine you hear an internal buzz, like a motor | The compressor is cheching that there are no obstructions in the circuit of fog emission | When the machine is armed, for 15 minutes the compressor will monitor the nozzle. After this time it will deactivate automatically: if the fogging system is disarmed, the compressor will go on with it reaches 15 minutes. If the machine is disarmed and then armed again, the count will start again from zero. | |
| When you arm the fogging system, a little fog flow goes out from the nozzle even if the machine has never shot before | During testing phase in the factory, we also test the quality of fog in all produced systems, a little quantity of the fog liquid remains in the ducts | This emission occurs just at first activation, it will decrease visibly with any activation, until disappearing completely. After an eventual disassembly and reinstallation or after the transport of the machine, with the first activations a little flow of fog can occur again. | |
| The 3 frontal LED are flashing and the buzzer emits 1 beep for minute | The tension on +12 V input is too low or too high | Check the external power supply or the alarm unit | |
| The buzzer emits 2 beep for minute | Low batteries but possible shot | Replace batteries – See paragraph 14 | |
| The buzzer emits 3 beep for minute | Low batteries but possible shot | Replace batteries – See paragraph 14 | |
|
The buzzer emits 10 continuous beep per minute | Batteries not present | Insert batteries | |
| False contact in the battery case | Move the batteries, turn them | ||
| Connector not inserted correctly | Remove and reinsert the connector | ||
| In any case it is useful to use a tester to verify the presence of voltage on the battery case | |||
|
The machine is armed (BLUE LED ON) but doesn’t shoot |
The front RED LED is on | Cylinders reset has not been made Reset as described in paragraph 13 | |
| Cylinders are empty – Change the cylinders as described in paragraph 13 | |||
| The front GREEN LED flashes | The heat exchanger has not yet reached the minimum temperature of shooting, wait for the led to stop flashing (standard heating time: 60 min.) | ||
| Wiring error | Verify that the alarm, once activated has tension on connectors of at least 12 V between GND(5) + SHOOTS(4) | |
|
BLUE LED is flashing
The buzzer emits a continuous sound
BLUE and RED LEDS are flashing alternately | Overvoltage power line (120/230 V) | Try to reset. See paragraph 13. In case of unsuccessful restore the PCB can be damaged, contact the assistance service. |
| Overtemperature of the PCB | Check there is a sufficient ventilation around the machine. See paragraph 15. To reset see paragraph 15 | |
|
Disturbance/ interference or potential differences between devices | In the case of strong interference (lightning) can occur a thermocouple reading error, make a reset. See paragraph 15. In case of unsuccessful restore can be occurred a potential difference or a fault. | |
| In large size plants or with more than on fogging system connected with the same central, in rare situations, it may occur that there are potential differences between the equipments and it could be necessary to uncouple. | ||
| Error in the thermal loop | Possible fault of: thermocouple, resistance or fuse cable. Don’t try to repair Contact the assistance service center. | |
| Impossible to arm the machine BLUE LED doesn’t switch on |
Wiring error | Test the terminal that there is a minimum voltage of between 11V – GND (5) + ARM (3), when the anti-theft system is activated |
| Cannot arm, BLUE LED doesn not become on |
Wiring error | Test the terminal that there is a minimum voltage of between 11V – GND (5) + ARM (3), when the anti-theft system is activated |
| When you press the reset cylinder’s button you don’t hear the sound of the buzzer, the frontal LED are flashing but the RED LED does not reset |
The Jumper P3 is in the “SET” position | Warning in this case shooting time is reset to zero Cylinder reset – Paragraph 13 Shooting time setting – Paragraph 11 |
| The cylinder does not enter | The plate is raised | Pressure down and then pull |
| The cylinder doesn’t go out | The cylinder is stuck in the valve | Pressure down and then pull |
| Setting the shooting time, the buzzer does not sound and the LEDs do not flash | The jumper P3 stands in the “RESET” position | See the setting mode of the shooting time at paragraph 11 |
MAINTENANCE
| DATE | BATTERY EXCHANGE | CYLINDER EXCHANGE | SIGNATURE | ||
| YES | NO | n. | NO | ||
| YES | NO | n. | NO | ||
| YES | NO | n. | NO | ||
| YES | NO | n. | NO | ||
| YES | NO | n. | NO | ||
| YES | NO | n. | NO | ||
| YES | NO | n. | NO | ||
| YES | NO | n. | NO | ||
| YES | NO | n. | NO | ||
| YES | NO | n. | NO | ||
| YES | NO | n. | NO | ||
| YES | NO | n. | NO | ||
| YES | NO | n. | NO | ||
| YES | NO | n. | NO | ||
| YES | NO | n. | NO | ||
| YES | NO | n. | NO | ||
| YES | NO | n. | NO | ||
WARRANTY
The warranty of UR Fog is two years and is handled directly from the dealer or authorized installer, so please contact your supplier to take advantage of warranty with the copy of the purchase document that contains the serial number of the machine. Not included in the warranty: moving parts and/or damages depending on the incorrect use unless it is found a manufacturing defect in origin. Liquid and cylinders are not covered by warranty. We recommend to throw away the batteries in the appropriate waste containers for recycling. Heavy metals contained in them are recyclable.
- BY BREAKING THE SECURITY LABELS AND THE OPENING OF THE MACHINE YOU WILL ACCEPT WHAT IS WRITTEN ON THIS MANUAL
AND ON THE WEB SITE: www.urfog.com
UR Fog srl: Via Toscana n. 38 – 10099 San Mauro Torinese – Italy Phone 011/01.33.037 – Fax 011/01.33.005 [email protected] Legal office: Via Giacinto Collegno 11 – 10143 – Torino – Italy RESELLER/INSTALLER STAMP (company to contact for the warranty)
- It is mandatory to fill out this table in accordance with the law

- N.B. Ask for the PDF module writing to: [email protected]






















