ELSEMA MCR91502R 2-Channel 915MHz Receiver with Frequency Hopping
2-Channel, 915MHz Receiver with Frequency Hopping
Features
- Frequency hopping between 915 to 928MHz
- Digital Coding, 12-way dipswitch or encrypted coding
- Crystal Controlled for high stability and accuracy
- Can operate several transmitters and receivers next to each with no interferences or jamming
- On-board Red LED to indicate reception of a signal
- Wide operating supply voltage and low current consumption.
- Momentary and Latching modes are user selectable.
Applications
- Industrial Automation, eg Crane Control, winches, wireless cement truck operation.
- Equipment and machinery control
- Security and Automotive Systems
- Advanced home automation i.e. Alarms, gates, doors, garden lights, swimming pool control etc.
Description
- The receivers use fast frequency hopping (FFH) to allow up to eight receivers to be used in the same area. No interference or jamming will occur. The FFH technology is usually used in very expensive equipment with military or medical applications.
- The receivers use a dual digital coding called Multicode Technology (MCR). This MCR digital coding can be either the 12-way dipswitch or the encrypted coding.
- The 12-way dip switch allows for simple programming and involves the user to simply matching the 12-way dip switch on both the transmitter and receiver. The encrypted coding is a randomly generated code that is programmed wirelessly to the transmitter and receiver. The encrypted code is usually used when more codes are required for high-security applications. See setup instructions for more details on the dipswitch and encrypted coding.
- The combination of FFH and MCR technology brings you a very sophisticated receiver yet easy to use.
Output Modes
Relay output on the receiver can function in either momentary or latching mode. By default, the mode is set to momentary. Modes are selectable from the 2-way dipswitch. Dipswitch 1 corresponds to relay channel 1 and dipswitch 2 corresponds to relay channel 2.
Factory Default = Momentary
- Momentary – Output is active for as long as the transmitter button is pressed.
This is a standard mode on most automatic gates or garage door openers. - Latching – Output remains active until the next press of the transmitter button.
Similar to switching “on” and “off” a light.
Customized Software
Custom output modes can be programmed to do special functions. Call Elsema for more details.
Products in the Range
Antenna
The receiver has a 50-ohms SMA connector to allow a proper 915MHz antenna to be connected. Elsa stocks the ANT915S-SMA suitable for connection to the receiver. See the picture below.
Technical Data
| Supply Voltage | 12 – 24 Volts AC or DC. Can use Elsema’s AC power pack (12PP-1000) | |
| Current Consumption | 30 mA stand by at 12VDC | 70mA with 2 relays “On” |
| Frequency Band | 915 to 928 MHz for Australia 915 to 927 MHz for New Zealand 921 to 928 for the United States of America and Canada | |
| Operating Temperature Range | -5 to 50°C | |
| Decoding System | On board 12-way code switch (4096 Codes) Encrypted coding (Over 16 million codes) | |
| Outputs | Two change over relay outputs, rated at 8 Amps 240VAC each | |
| Relay Contacts | Common (C), Normally Closed (NC) & Normally Open (NO) | |
| Antenna | ANT915S-SMA for long-range applications or piece of approximately 160mm wire for short-range applications | |
| Mounting hole size | 3.97 mm or 5/32″ | |
| Dimensions | 95 x 70 x 30 mm | |
| Useable Transmitters | All Elsema type MCT915xx series | |
| Operating range | Up to 400 metres | |
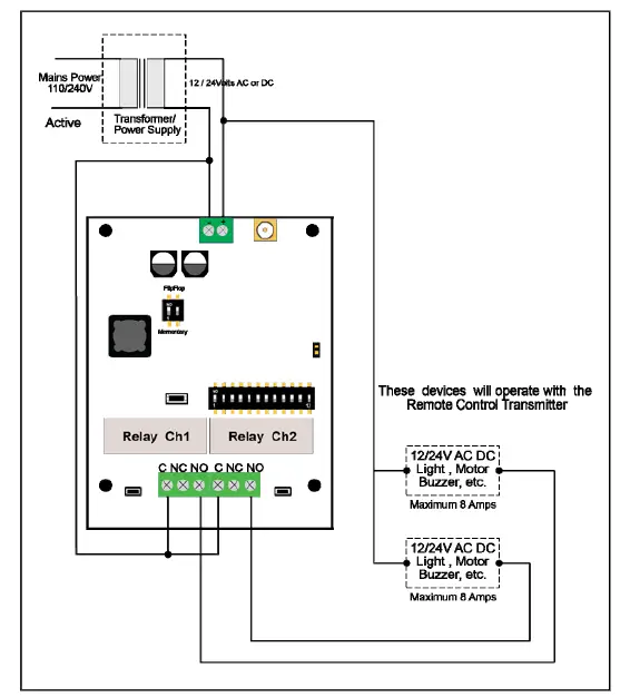
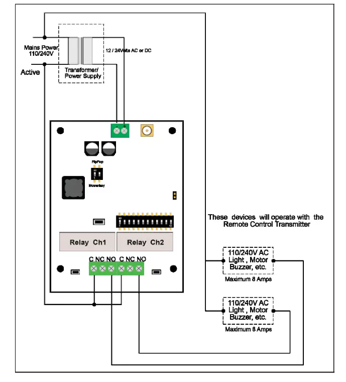
Block Diagram
MCR91502R, 12/24VDC Application
MCR91502R, 110/240VAC Application
12-Way Dipswitch Setup Instructions
- To program the transmitter to the receiver you simply match the transmitter and receiver dipswitches. Do not use all dipswitches in the off position. This sets the transmitter to encrypted coding. See encrypted coding instructions.
- To avoid interference or jamming from other MCT series transmitters make sure that the first 8 dip switches (Dipswitch 1 to 8) are different. The first 8 dipswitches select different frequencies.
Advanced Dipswitch Programming Features
- This feature allows the user to configure very sophisticated systems by mixing and matching different MCT transmitters to MCR receivers.
- Dipswitches 9, 10, 11 and 12 will determine the position of the first channel on the transmitter and receiver. Other channels are automatically sequentially placed.

1 Dip Switch in “On” position, 0- Dip Switch in “Ofr” position
Example:
- Using a 4-channel MCR91504 receiver with a 1-channel MCT91501 transmitter.
- If the MCR91504 has 0101 0100 1000 set to the 12-way dipswitch, this sets the receiver’s first relay (Ch.1) to position 9 i.e. 1000. The other channel addresses are sequentially placed.
This is shown in the table below:
- To program a 1-button MCT91501 transmitter to receiver relay channel 4 you need to set the transmitter’s dip switch to 0101 0100 1011.
- To program a 2-button MCT91502 transmitter to receiver relay channels 2 and 3 you need to set the transmitter dip switch to 0101 0100 1001. The second button on the transmitter automatically operates relay 3
- This example is shown graphically below:

Encrypted Coding Setup Instructions
- To change the transmitter and receiver to encrypted coding set all dipswitches on the 12-way dipswitch to the off position. The encrypted code is a randomly selected code out of 16 million different combinations.
- The user can change the code by shorting out the Add/Delete pin on the receiver. The orange LED comes on while the Add/ Delete pins are shorted, to confirm the change of code was successful. If this is done all transmitters and receivers need to be programmed again with the new code.
- Any programming combination is possible, for example, transmitter to transmitter, receiver to receiver, transmitter to the receiver or vice versa.
Programming Steps
- Make sure all dip switches are in an off position on all transmitters and receivers.
- Make sure power is connected to the receiver and transmitter.
- If programming from a receiver, short out the Add/Delete pin to select a random code. The receiver’s orange LED comes on to confirm the change of code was successful. Do not do this step if you are adding extra transmitters to the receiver since already programmed units will be deleted.
- Set one of the units, either receiver or transmitter, to broadcast its code. The broadcaster’s code will be programmed to the other units.
- To broadcast the receiver’s code, make sure all 12 dipswitches are off and then flick dip
switch 12 on and then off. This is confirmed by the green LED is on for 10 seconds. - To broadcast the transmitter code, hold down button 1 and flick dip
switch 12 on and then off. This is confirmed by the green LED being on for 10 seconds. You can release button 1.
- To broadcast the receiver’s code, make sure all 12 dipswitches are off and then flick dip
- While broadcasting the code press button 1 on a different transmitter or receiver for 1 second and then release the button. The orange LED will flash twice to confirm successful programming.
Broadcasting will be latched on for 10 seconds or stop if any dipswitch is turned on.
If orange LED did not flash twice try programming again but move closer to the broadcasting unit.
During programming, all channels are channelized and programmed. That is, button 1 to relay 1, button 2 to relay 2, button 3 to relay 3, etc.
This programming method allows a user to program unlimited number of transmitters to the receiver or vice versa. You can even program a transmitter to a new transmitter. You do not need to get access to the receiver.
Many of the Multicode technology features are industry firsts, so take your time to read the manuals and let the technology take you away. Watch your competitors follow you
Manufactured by
Elsema Pty Ltd
31 Tarlington Place, Smithfield NSW 2164, Australia.
Ph: 02 9609 4668
Website: http://www.elsema.com

























