PNI CT25PE Smart Thermostat
Introduction
PNI CT25PE is a programmable flush-mounted thermostat for electric underfloor heating, which turns the heating system on and off according to the set temperature. You can set different temperatures for different time periods and days. The thermostat can work and display the temperature in 3 ways:
- according to the floor sensor
- according to the built-in air sensor
- according to both sensors
How quickly the air in the room heats up does not depend on the settings of the thermostat but on the size and the design of the heating system. The thermostat has a direct 230V output for electric underfloor heating systems.
Special warnings
As the product must be connected to a 230V mains supply and to heating equipment, the installation must be performed only by qualified personnel, in order to avoid irreparable damage to the product or to the heating equipment to which it is connected, defects which are not subject to warranty. For the first configuration of the thermostat, we recommend that you call a specialist.
Main features
- Illuminated LCD screen
- 3 operating modes: Eco, Manual and Scheduled
- 4 programmable periods for each day of the week
- Display the set temperature and the room temperature
- Opened window detection function
- Key lock function
- Anti-freeze function
Technical specifications
- Power supply: 230V
- Maximum load: 16A
- Temperature range that can be set: 5°C ~ 35°C
- Displayed temperature range: 0 ~ +50°C
- Sensor: NTC 10K
- Temperature measurement accuracy: ± 0.1°C
- Temperature setting step: ± 0.5°C
- Water resistance: IP30
- Housing: ABS with fire standard UL94-5
Product description
Connecting the thermostat to the WiFi network and adding it to the Tuya Smart application
Note: Make sure you have your mobile phone connected to the 2.4GHz WiFi network and the GPS location enabled. For a quick setup, make sure the phone and thermostat are as close to each other as possible (1-3 m).
WARNING:
Make sure you have a 2.4 Ghz wireless network available and that you have connected your phone to it. The new generation routers and phones also come equipped with a 5 Ghz wireless network activated, and the devices connect automatically on this frequency. The thermostat cannot be connected to the 5 Ghz wireless network because it only works on the 2.4 Ghz frequency. To configure the router and the 2.4 Ghz wireless network, call a specialist.
- Connect your phone to the WiFi network.
- Download the app Tuya Smart.
- Open the application, create an account and log in.
- Add the thermostat to the application by pressing the + icon in the upper right corner of the screen or by pressing the Add device button (this button shows only when you do not have any devices added to the application).
- Select the option Small Home Appliances on the left side of the screen.
- From the list of devices displayed on the right side of the screen, select Thermostat (Wi-Fi).
- Select the WiFi network you want to connect to and add the password. Click Next.
- In the next interface, select the option EZ Mode from the upper right corner.
- Long press the key from the thermostat to enter the pairing mode. Then, press the key ˄. The icon will blink on the screen.
- Then check Confirm the indicator is blinking rapidly. Click Next.
- The application will start scanning nearby devices.
- After you identify your device, you will receive the Added Successfully confirmation.
- To finish, click the Done button.
From the application, you can turn the thermostat on and off, you can change the operation mode of the thermostat (Manual, Eco, Auto) or you can set the weekly program.
Setting the thermostat
Set the time and the day of the week
Long press the key for about 5 seconds. The minutes icon will flash on the screen. Press the keys ˄ and ˅ to reach the desired value. Short press the key to confirm. The hours indicator will flash on the screen. Press the keys ˄ and ˅ to reach the desired value. Short press the key to confirm. The day indicator will flash on the screen. Press the keys ˄ and ˅ to reach the desired value. Wait a few seconds, the screen will return to normal display mode.
Setting the working mode
Shortly press the key to switch between Eco (Holiday), Scheduled or Manual mode.
Scheduled mode
- After setting the time and day of the week, you will enter the programming mode of the 4 periods for each day of the week. It starts with setting the first day of the week and the first period.
- The start time* and temperature* will flash on the screen in turn. Each time you press the key the selected value will be confirmed and you will move to the next setting.
- After setting the time and temperature for the first period, it automatically switches to the second period, then to the third and fourth.
- This will continue with the setting of the 4 periods for each day of the week (1 – 7).
Note: The time can be changed from quarter to quarter of an hour, and the temperature from half to half a degree. For example, you can set the time to 07:15 or 07:30 or 07:45 and the temperature to 22.0°C or 22.5°C or 23.0°C.
Default settings
| Period | 1 | 2 | ||
| Hour | Temp. | Hour | Temp. | |
| 12345 (M-F) | 07:00 | 22°C | 08:30 | 19°C |
| 6 (S) | 08:00 | 22°C | 08:30 | 22°C |
| 7 (S) | 08:00 | 22°C | 08:30 | 22°C |
| Period | 3 | 4 | ||
| Hour | Temp. | Hour | Temp. | |
| 12345 (M-F) | 17:00 | 22°C | 17:00 | 19°C |
| 6 (S) | 17:00 | 22°C | 22:00 | 19°C |
| 7 (S) | 17:00 | 22°C | 22:00 | 19°C |
Manual mode
Shortly press the key to set the Manual operation mode. Only the time, day of the week and temperature will be displayed on the screen. Press the keys ˄ and ˅ to set the desired temperature. The heating system will turn on and off to keep this temperature for 24 hours.
Eco-mode (Holiday)
Shortly press the key to set the Eco operation mode. A suitcase icon will appear on the screen. Press the keys ˄ and ˅ to set the desired temperature.
Functions
Keylock function
If Child Protection has been activated in the advanced settings menu (see page 16), the thermostat keys will lock as soon as the screen backlight turns off. Long press the key ˄ and ˅ for about 5 seconds to unlock the keys.
Open window detection function (OWD)
If the function has been activated from the advanced settings menu (see page 165), the thermostat will switch off the heating if the room temperature drops suddenly (default setting 2°C in 15 minutes). This sudden drop of temperature occurs when a window or door is opened while the heating system is operating. The icon appears on the screen. The device will return to its original operating mode after 30 minutes. The icon disappears from the screen. By pressing any key, you will exit OWD mode.
Advanced settings
Switch off the thermostat by briefly pressing the key. Press the keys and ˄ simultaneously for about 6 seconds. Use the keys ˄ and ˅ to change the settings and the key to move to the next setting.
| Menu | Description | Range | Default |
| 01 | Internal sensor calibration | -8°C~8°C | 0°C |
| 02 | Setting the maximum temperature limit | 5°C ~35°C | 35°C |
| 03 | Setting the minimum temperature limit | 5°C ~35°C | 5°C |
| 04 | Sensor selection | 0: Air 1: Floor 2: Air&Floor |
| 05 | Antifreeze temperature | 5°C~15°C | 5°C |
| 06 | External sensor calibration | -8°C~8°C | 0°C |
| 07* | Display floor temperature | Read only | |
| 08* | Floor temperature overheating limit | 20°C~80°C | 32°C |
| 09 | Hysteresis | 0.2°C~6°C | 0.3°C |
| 11 | Child protection | 0: Keys unlocked 1: Keys locked | 0 |
| 12 | Open window detection (OWD) | 1: On 0: Off | 0 |
| 13 | The time interval in which the sudden drop in temperature is detected | 2~30 min. | 15 min. |
| 14 | Degrees lost in the time interval set at menu 13 | 2°C 3°C 4°C | 2°C |
| 15 | The time after which the device returns to its original mode of operation | 10~60 min | 30 min. |
| 17 | Reset | 0: No 1: Yes. Press for 5 s. Wait for the device to restart. | 0 |
| Software version |
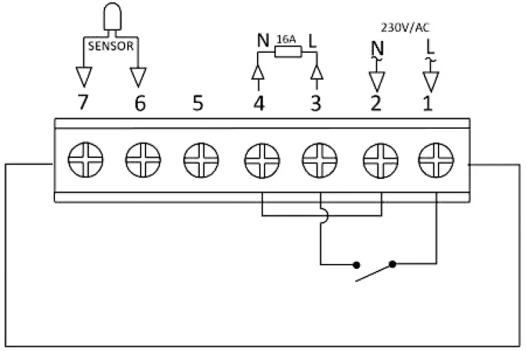
Connection diagrams
Installation instructions
Note:
Install the thermostat at eye level. Before installing the thermostat, carefully read the instructions in this manual. The thermostat was designed to be recessed and requires a dose (minimum depth 35mm) with side mounting screws. 
Simplified EU declaration of conformity
SC ONLINESHOP SRL declares that the PNI CT25PE flush-mounted smart thermostat is in accordance with the RED Directive 2014/53/EU. The full text of the EU Declaration of Conformity is available at the following internet address :
https://www.mypni.eu/products/8020/download/certifications





















