
Wireless smart thermostat PNI CT36
Internet controlled for central heating
User manual

Wireless smart thermostat PNI CT36 User Manual
WARNINGS
Because the product must be connected to a 230 VAC power supply and to a heating appliance, installation should only be carried out by qualified personnel to avoid irreparable damage to the product and / or the heaters that are connected , defects not covered by warranty.
We recommend that you have qualified personnel with experience in this field, for initial setup of the equipment in order to understand correctly the technical terms and procedures detailed in this manual.
After installation and connecting, the product is easy to use both mobile unit and smartphone controll with an intuitive and easy to configure interface.
To access / monitor / control the product remotely from your smartphone, it is necessary to have an internet source (a 2.4 GHz Wifi Internet router is required) close to where thermostat is installed.
GENERAL INFORMATION
The smart thermostat PNI CT36 has been developed to provide customers extra day-to-day comfort in their homes, in the office or other premises, offering the ability to monitor and turn on or off heating systems either automatically scheduled for every day of week, either remotely, anytime and anywhere via the Internet with dedicated app for Android or iOS Smartphone.
Mode of operation and communication:


Dedicated app name is TuyaSmart and can be downloaded either from the Googel Play / App Store, either by scanning with your smartphone the QR code below:
Package content:
– Main unit with illuminated screen
– Receiver / relay command unit
– Wall / table mount accessories
– User manual
TECHNICAL DETAILS / SPECIFICATIONS
– Main unit power supply: 2 AAA batteries
– REceiver power supply: 230VAC 50 / 60Hz
– Receiver unit command type: NO / NC relay (normally open /) dry contact (not energized)
– Relay operating parameters: maximum 250 V, maximum 10 Amps (resistive), AC / DC current
– Compatible with all Gas heaters with thermostat input compatible with NO relay (dry contact).
– Adjustable / settable temperature range: 5 – 35 ° C (0.5 ° C step)
– Measurable / displayable temperature: 0 – 50 ° C (0.1 ° C step)
– Unit of temperature measurement: only degrees ° Celsius
– Accepted humidity : maximum 85% no condensation in the air
– Screen light: Yes
– Temperature sensor: NTC 10K, 3950ohms at 25 ° C
– Sensor accuracy: ± 0.1 ° C (sensor calibration with 0.5 ° C pitch)
– Degree of protection: IP30
– Housing: ABS with fire standard UL94-5
– WiFi connectivity: 802.11 b / g / n (2.4 GHz); WPA2 password (TKIP and AES)
– RF connectivity between units: 868 MHz
– Smartphone application compatibility: minimum iOS 9 / minimum Android 4.2
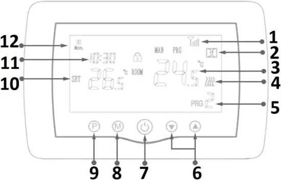
MAIN UNIT DESCRIPTION

- Wireless signal
- OWD Icon
- Room Temperature
- Heating Icon
- Programable Period
- Temperature and parameter settings
- On/Off Button
- Modes Select
- PRG. Button
- Set. Temperature
- Clock
- Weekday
RECEIVER DESCRIPTION

- Code pairing Button
- Heating On Indicator ( LED 1)
- Power Indicator ( LED 2)
- On/Off Button
FIRST USE WARNINGS AND INSTRUCTIONS
- The system comes with main unit and receiver paired from factory. Before use, you only need to pair the receiver unit with the nearby Wireless Router.
- At first start, the thermostat / receiver unit signals by LED 1 = ” slow blinks” that means it is necessary to connect unit to the wireless router with Internet access.
- Insert 2 AAA alkaline batteries (not included) into the main unit and turn it on by pressing the ON / OFF button. The settings appear as shown in above description.
- Connect the receiver unit to a 230 VAC power supply (only qualified personnel). Make sure it works properly by testing / checking the LED status and turning unit On/Off by dedicated button.
I. PAIRING THERMOSTAT WITH MOBILE APP AND WIRELESS INTERNET ROUTER
1. Connect your smartphone to the 2.4 Ghz wireless Internet router nearby. Activate GPS Location on your smartphone. For a quick setup make sure both phone, thermostat receiver and wireless router are as close as possible (1-3 m).
WARNING: Check and make sure that you have a 2.4 Ghz Wireless network available and that you have connected the phone to it. The new generation routers and phones are also equipped with the 5 Ghz wireless network activated and the devices connect automatically on this frequency. The thermostat cannot be connected to the 5 Ghz wireless network because it only works on the 2.4 Ghz wireless frequency. To configure the router and the 2.4 Ghz wireless network, call a specialist.
- Download “TuyaSmart” app from Google Play or App Store, andd install and register a new account: Press the “Sign Up” button and follow on-screen instructions.
- Add device by pressing the + button in the top right corner.
- Press “All Devices” and access the Small Home Appliances category.
- Find “Thermostat” or “Heater” from list and select. Follow the on-screen steps, check the name of the Wifi network and enter the password of the Wifi network with internet access to which the phone is also connected. If the wireless network does not appear automatically, check if you have GPS Location enabled, and if you have your phone connected to a 2.4 Ghz wireless network. Restart procedure.
- Long press the pairing button on the receiver to enter Wifi pairing mode until LED 1 blinks quickly. (before this, LED 1 blinks slow, sign that thermostat is not paired with wifi internet router)
- Tap the “Confirm indicator flash blink” on your phone.
- Wait a few moments until pairing is complete. The LED 1 on the receiver will stop blinking and turn off. At this point, connection to the Internet via Wirelessrouter is successful, and the Thermostat icon will appear in Smartphone app.
If the LED continues to blink slowly, the connection failed, try again from step 1.
FIRST USAGE OF THERMOSTAT
- With main unit screen ON, change the temperature higher or smaller then measured temperature on screen.
- In a maximum 90 seconds, the main unit sends a command to receiver unit, which confirms by turning on / off LED 1, and by a “click”, that is heard from inside relay.
- From TuyaSmart app (make sure the device appears online after configuring internetpairing ) tap on the device to access it. Using the “+” and “-” buttons, change the temperature bigger or smaller then measured temperature from screen.
- In 90 seconds maximum the app sends command through internet to thermostat receiver unit, which confirms by turning on / off LED 1, and with a “click” sound inside relay. The temperature will change on the main unit screen.
If there is no change after 90 – 180 seconds (2 minutes), check again if you have changed the temperature to bigger / smaller than current temperature displayed and check if the device is online.
II. PAIR MAIN UNIT WITH RECEIVER UNIT
Perform this procedure only if absolutely necessary and find that: if after 10 minutes of successful pairing with the wireless router, the device appears Offline in the application / the
signal icon is missing from the screen / LED 1 on the receiver is off and the units do not communicate with each other.
- Press and hold the pairing button on receiver until LED 1 flashes quickly.
- With main unit screen closed (press the On / Off button), long press the M button on the main unit until a 4-digit code and three more symbols appear on screen. Press the “up arrow” button immediately for pairing.
- LED 1 blinks slowly; wait for a few moments until LED 1 stops flashing and closes. The signal icon
flashes for a few moments after which it remains on the screen confirming that the pairing is completed. - Switch off and on the main unit, and test functions by changing temperature higher / lower than the actual temperature from thermostat screen.
III. DELETE CLEAR ALL PAIRING
On receiver unit press and hold both pairing and On/Off buttons for 5 seconds until LED1 and LED2 turn on. Release buttons.
Then LED 1 turns off, which means that all pairing have been cleared.
IV. SIGNAL LOST OR WEAK
In case of loss / disconnection of the RF signal (between the receiver and the central unit) the signal icon on the screen will disappear.
When the receiver unit is disconnected from the Wireless, LED 1 will flash slowly. Check and replace batteries if necessary.
Move units closer to each other and the WiFi router and check the status of the devices again. If within a few minutes the operation does not return to normal, delete all pairing and perform the pairing procedures of receiver with main unit and after that of receiver with wireless router (with the mobile application) again.
HOUR/DATE SETTING
With main unit screen On, press and hold the M button for 5-6 seconds until the hour on the screen blinks. You will see highlighted 00:00 on the screen. Set the minutes with the up and down buttons.
Continue pressing the M button.
Set the time with the up and down buttons.
Continue pressing the M button.
Select the day with the up and down buttons.
Continue pressing the M button.
Save the settings by pressing the ON / OFF button or wait about 15 seconds.
OPEN WINDOW DETECTION FUNCTION
When the “open window” detection mode is activated in advanced settings, the system will automatically switch off heating if a sudden decrease in temperature (2°C in 15 minutes by default) occurs. This function is useful when opening a door / window (eg ventilation) without stopping the heating.
The thermostat will return to previous working mode after 30 minutes, and the “OP” icon will disappear from the screen. Press any button and thermostat will exit OWD function, during the heating off period.
OTHER FEATURES AVAILABLE IN YOUR SMARTPHONE APPLICATION
In TuyaSmart app you have the following features available:
– Measured temperature and programmed / set temperature by user;
– Heating Status: The “Heating” text appears on screen when the heat is on;
– 3 working modes: manual, Eco (economical) and automatic (according to daily schedule)
– Child lock function-Thermostat keyboard lock to stop accidental push of buttons
– Daily schedule (7 days) with 4 hour zones every day;
– Scheduled temperature timing
SET UP DAILY PROGRAMS
This setup n can also be done from smartphone app, wich we recommend. With the on-screen display, press and hold the P button (6-7 seconds) to enter the PROGRAM settings. Days of the week are fixed from Monday to Sunday (1 ~ 7), each day has 4 time periods (1 ~ 4). Each press of the P button can be performed in the next setting.
1). Press P and hold for 3 seconds, the “hour” display flashes, change the value with the + and – buttons.
2) Press the P button, the temperature blinks, change the desired temperature with the + and – buttons.
3). Press the P button for the next time.
4). Repeat the settings for the other days and periods similarly.
| Period | 1 | 2 | 3 | 4 | ||||
| Hour | Temp | Hour | Temp | Hour | Temp | Hour | Temp | |
| 12345 (Mon-Fri) | 7:00 | 22° C | 8:30 | 19° C | 17:00 | 22° C | 22:00 | 19° C |
| 6 (Sat.) | 8:00 | 22° C | 8:30 | 22° C | 17:00 | 22° C | 22:00 | 19° C |
| 7 (Sun.) | 8:00 | 22° C | 8:30 | 22° C | 17:00 | 22° C | 22:00 | 19° C |
ADVANCED PARAMETER SETTINGS
Turn the thermostat screen Off by pressing the On / Off button. With screen Off, press and hold in the same time
and
buttond for parameters settings. Pres M to navigate and arrows to change value.
Press ON/OFF button to exit menu.
| MENU | Description | Range | Defalt value |
| 01 | Temp. calibration for internal sensor | -8° C ~ 8° C (0.5° C step) | 0° C |
| 02 | Set Point Max. | 5° C ~ 35° C | 35° C |
| 03 | Set Point Min. | 5° C ~ 35° C | 5° C |
| 05 | Frost Protection Temp. | 5° C ~ 15° C | 5° C |
| 09 | Histerezis ( Deadzone – 0.1° C step) | 0.2° C ~ 6° C | 0° C(Off) |
| 11 | Child lock function | 1: ON 0: Off | 0 |
| 12 | Open window detect function-OWD | On Off | 0 |
| 13 | OWD – Detect time | 2 ~ 30 minutes | 15 minutes |
| 14 | OWD – Drop temp. select ( within detect time) | 2,3,4 ° C | 2° C |
| 15 | OWD – Delay time select (Return to previous working status) | 10 ~ 60 minutes | 30 minutes |
| 17 | Factory reset | 0 : No | 0 |
| 1: Yes, and then press On/off button for 5s, wait until thermostat restart. | |||
| Software Version | 5055-02 |
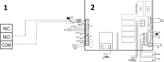
RECEIVER WIRING DIAGRAM
The operation of connecting the receiver unit with 230 V power supply and central heating system must be performed only by qualified personnel and only after consulting the thermostat and boiler documentation.
The receiver unit has a relay command (NO and NC / Normal Open and Normal Closed) without potential (non-energized/dry contact) which executes the closing of a control circuit with a maximum current of 10 A, and a maximum voltage of 250 V AC / DC. Find examples of connection with certain models of boilers at the end of the manual.

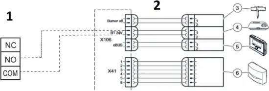
GAS BOILERS CONNECTION EXAMPLES – THERMOSTAT PNI CT36*
* The installation must be done only by the authorized installer and only after consulting installation manuals, and checking the connections and their compatibility.
1. Ariston CLAS EVO SYSTEM

- Ariston CLAS EVO SYSTEM
TA1 – Termostat ambient connection - Receiver Termostat PNI CT36
2. Ferroli DivaCondens 24/28

- Receiver Termostat PNI CT36
- Feroli DivaCondens F24/28 72 – Thermostat connection
3. Vaillant Ecotec Pure

- Receiver Termostat PNI CT36
- Vaillant Ecotec Pure 4 – Thermostat connection
4. Motan Max Optimus

- Receiver Termostat PN I CT36
- Motan Max Optimus TA – Thermostat connection
INSTALLATION AND DIMENSIONS
The main and receiver unit can be mounted in 2 ways:
1. Table or flat surface area with the white holder inside package:


2. On the wall with wall holder:






EU Simplified Declaration of Conformity
SC ONLINESHOP SRL declares that Smart thermostat PNI CT36 complies with the Directive EMC 2014/30/EU and RED 2014/53/UE and LVD 2014/35/EU. The full text of the EU declaration of conformity is available at the following Internet address:
https://www.mypni.eu/products/7068/download/certifications




















