
Operating instructions cooling table
model ES 901 S/S
Order No.: 465-1010
User Manual
INTRODUCTION
Before commissioning this device, read these operating instructions carefully and carefully and observe the information given therein. This manual contains information on the structure, installation, operation, maintenance, cleaning and possible disposal of this unit.
This instruction manual is an integral part of the unit and should be kept in the vicinity of the unit at all times, accessible to all persons involved in the installation, operation, cleaning or maintenance of this unit.
If the device is passed on to third parties, these operating instructions must be included. Illustrations in this manual may differ from the original article. We reserve the right to make technical changes to the device.
If these operating instructions are not observed, the safety of the device is no longer guaranteed. The manufacturer/dealer cannot be held responsible for damage caused by non-observance of these operating instructions.
SCOPE OF SUPPLY
- 1 cooling table
- 2 x height-adjustable shelves
- 2 x support rails sets
- 1 operating manual
- 1 operating manual for Dixell digital controller
STANDARDS AND DIRECTIVES
The device complies with the current standards and Directives of the EU.
If required, we can provide you with the appropriate declaration of conformity.
Attention!!! This cooling table was developed and built for commercial use. It is only intended for refrigeration and storage of food such as vegetables, salads, fruit etc…
TECHNICAL OVERVIEW
| MODEL | ES 901 S/S |
| Cooling table | |
| Order No. | 465-1010 |
| Housing material | Material: (housing) stainless steel, (interior) stainless steel |
| Dimensions outside (mm) | 903 x 700 x 876 |
| Weight net. (kg) | 81 |
| Connection (V /Hz./kW) | 230V / 50Hz – 0,175 |
| Energy efficiency class | C (A+++ bis E) C (A+++ to E) |
| Temperature range ( C° ) | +2 / +8 |
| coolant (type, quantity) | R600a / 65g |
| Foaming agent, thickness(mm) | Cyclopentane, 60 |
| Roste Shelves | 2 (323 x 560 mm) |
| Defrost | Automatic |
| Noice level (db) | 70 |
| Thermostat type | Digital (DIXELL) |
| energy consumption (kWh/24h) | 2,2 |
| EAN-Code | 4017337 050727 |
EXPLANATION OF SYMBOLS
WARNING!
This symbol indicates dangers which can lead to injuries.
It is imperative that you adhere strictly to the instructions on occupational safety and be particularly careful in such cases.
WARNING: DANGER FROM
ELECTRIC CURRENT!
This symbol draws attention to dangerous situations caused by electric current. Failure to observe the safety instructions may result in injury of death!
WARNING: HOT SURFACE RISK OF BURNING!
This symbol indicates the hot surface of the unit, during Operation and thereafter. Risk of burns if ignored!
WARNING: FLAMMABLE SUBSTANCES RISK OF BURNING!
This symbol indicates that there are dangers for life a health of persons due to flammable substances Risk of ‘burns if ignored!
GENERAL INFORMATION
- Before initial operation, read these operating instructions carefully and observe the information contained therein.
- Keep these operating instructions handy in the vicinity of the unit.
- The manufacturer/dealer cannot be held responsible for damage caused by non-observance of these operating instructions.
- The safety of the device is no longer guaranteed if these operating instructions are not observed.
- When passing on the device to third parties, these operating instructions must be provided.
- This device must not be operated by children or persons with limited physical, sensory or mental abilities, as they cannot recognize the dangers of using electrical and/or refrigeration equipment and accidents, fires, explosions, or damage to property can occur.
- Do not use the device outdoors in the rain or in damp rooms.
- After unpacking the device, make sure that everything is in perfect condition. If you discover any damage, do not connect the device, but contact your dealer.
- Check that all components specified in the scope of delivery are present. If this is not the case, contact your dealer.
- Keep the packaging of the device. The device can only be safely transported in its original packaging.
- Please note that all components of the packaging (plastic bags, cardboard, polystyrene parts, etc.) can endanger children and must therefore not be stored near them.
- If it is not possible to store the packaging, separate the various packaging materials and deliver them to the nearest collection point for proper disposal.
- Place the unit in a dry and sufficiently ventilated place.
- Do not place the unit near heat sources such as heating, stove, oven, or open fire or in direct sunlight, as the desired cooling capacity can then no longer be guaranteed.
- The ventilation slots must always be kept clear and must not be covered or blocked.
- Before connecting the device to the power supply and putting it into operation, clean it carefully.
- Do not drill or puncture any holes in the inside or outside of the unit. The cooling circuit could be damaged.
- For hygienic reasons, daily cleaning is recommended.
- The device is neither suitable nor intended for the storage of medicines or highly flammable, flammable or explosive substances.
SAFETY NOTICES
- Before initial operation, read these operating instructions carefully and observe the information contained therein.
- Incorrect operation and improper handling can lead to malfunctions of the device and injuries to the user.
- Observe the accident prevention regulations applicable to the area of application and the general safety regulations.
- Ensure that the unit stands securely on a dry, non-slip surface that matches the weight of the unit. If the surface is not stable enough, the unit may tip over and cause injury if shelves and products fall out.
- Make sure that the air inlet and exhaust openings on the unit base are always free of impurities. Check them regularly and remove any dust deposits with the help of a vacuum cleaner.
- Do not place the unit on a hot surface.
- Do not tilt the unit more than 45 degrees.
- Do not move the unit during use.
- Before moving the unit, unplug the power cord.
- Make sure that the unit does not tip over when moving. This could result in injury.
- When the unit is back in place, wait two hours before putting it back into operation.
- After longer transport, the device should only be put back into operation after 12 hours.
- Do not let the power cord hang over sharp edges and keep it away from hot objects and open flames.
- Make sure that it is not possible to pull or trip over the cable unintentionally.
- Do not damage, modify, pull, load, bend, crush, twist, or unwind the power cord.
- Protect the device from moisture.
- Do not clean the unit with an open water jet.
- The device must not be immersed in water or other liquids or wetted with liquids.
- Do not place heavy objects or objects filled with liquids on the device. They could fall down and cause injuries.
- Liquids could be spilled, get inside the device and transfer power!
- No operation of the device by children or persons with limited physical, sensory or mental abilities; or lack of experience and/or knowledge. These persons cannot recognize the dangers of using electrical devices and/or devices that generate heat and can cause accidents, fire or damage to property.
- Always remove the plug from the socket before cleaning or disconnect the device from the power supply; the same applies to prolonged periods of non-use.
- To disconnect the unit from the power supply, unplug the power cord or unplug or unplug the associated fuse.
- Always unplug the power cord from the power outlet only by the power plug.
- Never touch the device, the cable or the plug with wet hands.
- In the event of a fault or malfunction, turn off the unit and unplug it from the wall outlet. Notify your dealer. He will carry out the repair with original spare parts.
- Cooling maintenance may only be carried out by qualified personnel.
- If the device is not used and temporarily stored elsewhere, do not store the device in a place where children play. Make sure that the door cannot close. This minimizes the risk of a child getting trapped inside the device.
- Do not throw any objects on the shelves and never load them with more than 30 kg. The shelves could fall down and cause injuries.
- Make sure that the shelves are correctly and securely inserted. Dropping floors could cause injuries.
WARN INE:
DANGER OF INJURY!
Never try to place your fingers, rods, screwdrivers or other thin objects between the bars of the cold air blower. Behind the protective grille a fan rotates at high speed. There is a risk of injury, electric shock and damage to or malfunction of the device.
WARNING: DANGER FROM ELECTRIC CURRENT!!!
- Before connecting to the mains, check that the type of current and the mains voltage correspond to the information on the name plate of the device.
- Make sure that the power cable is free of damage, damaged cable must be replaced by qualified professional.
- Damaged equipment must not be used! In this case, disconnect the device from the power supply and contact your specialist dealer!
- Do not use adapters or extension cords.
- The unit is live as long as it is connected to the power supply.
- The unit does not have a power switch. Before the unit can be cleaned, the mains plug must first be removed!
- The device is intended for indoor operation. Outdoor use, in the rain, can lead to short-circuits, leakage current or electric shocks.
- If the unit gets wet, unplug it immediately and have it checked by a specialist before the next start-up. Risk of fatal injury from electric shock!
- Never attempt to open or repair the device yourself. Risk of fatal injury from electric shock!
WARNING: DANGER OF FIRE!
- The cooling circuit of this unit contains the refrigerant Isobutane (R600a). This natural gas. with a high level of environmental compatibility, is (flammable and can escape like cooling circuits damaged. Make sure that no parts of the cooling circuit are damaged If the coolant circuit is damaged: avoid open fire and ignition Sources and ensure good ventilation!
WARNING:
RISK OF INJURY!
- Packaging materials, such as foils, polystyrene small parts Of the transport safety device, can be dangerous for children! There is danger of injury or suffocation Keep the packaging material away from children!
UNPACK
- Make sure that the packaging is undamaged. The device as well as the accessories are protected and / or fixed for transport. After opening the packaging, remove the packaging material and any transport securing devices in the form of adhesive tapes or cable ties.
- Then check the completeness of the delivery and make sure that neither the device nor the accessories are damaged.
- Keep the packaging of the device. The device can only be safely transported in its original packaging. If it is not possible to store the packaging, separate the various packaging materials and deliver them to the nearest collection point for proper disposal.
- Although the devise was cleaned inside before it was shipped, it is advisable to clean it again before you fill it with goods.
COOLING TABLE INSTALLING
Place the unit in a dry and adequately ventilated room. Ensure a safe stand on a dry and non-slip surface.
Make sure that the intended installation site offers sufficient space for proper use and maintenance.
Place the back of the unit at least 20 cm from the walls from all sides to ensure sufficient air circulation at all times.
Performance and power consumption may be affected by ambient temperature or direct sunlight. Therefore, do not place the device to direct sunlight and do not place it in the immediate vicinity of a stove, radiator or other heat source.
Make sure that the mains plug is always freely accessible and can be easily disconnected from the mains.
WARAING: HOT SURFACE!
RISK OF AUANING!
The compressor of he refrigerator can become very hot during operation! There is a risk of burns when touching the compressor.
After delivery or transport of the device, connect it only after the device has been stationary for at least 12 hours.
This is absolutely necessary so that the coolant can collect in the compressor.
INITIAL CLEANING
Clean the refrigerator with a slightly moistened cloth on the outside and with a commercially available cleaning agent on the inside. Use very little water and under no circumstances aggressive agents or a scouring sponge. Do not spray the unit with a water jet, steam jet or high-pressure cleaner.
Rub the device dry with a soft cloth.
Avoid getting near sharp parts (condenser, evaporator, etc.) during cleaning with bare hands, If necessary, use safety gloves.
CONNECTION
Connect the device only to a grounded safety socket and a 230 Volt connection.
Before connecting the device, make sure that the voltage and frequency of the power supply correspond to the information on the name plate! Other voltages can lead to overheating of the device!
If you have connected the device, wait about one hour so that the interior can cool down sufficiently before loading it with goods.
After a power failure or if the device has been disconnected from the power supply, wait at least 5 minutes before reconnecting the device and putting it into operation!
If the unit is restarted immediately after it has been switched off, the fuse may trip and the current flow may be interrupted. In addition, the compressor may be overloaded and damaged.
FITTING THE SHELVES
- Place one set of shelf guides on each side of interior behind the door of the cabinet at the desired height.
- Slide the shelf into guides.
- Repeat for the remaining shelves.
TURN ON
- Close the door(s) of the appliance.
- Ensure the power switch is set to [O] and turn on at the socket.
- Switch on the power [l]. The current temperature within the appliance is displayed.
OPERATION
FILLING
In order to obtain the best possible performance of the device, it is necessary to observe the following rules:
- Fill the cooling unit only when it has reached the desired temperature (readable on the display)
- Do not place hot food or warm liquids or uncovered food in the refrigerator.
- Always seal or pack food well.
- Do not leave doors open for long periods of time and avoid unnecessary opening.
- Do not open the lid if this is not necessary.
- Do not place anything directly on the refrigerator floor, always use shelves.
DEFROST
The appliance will automatically run a defrost cycle every six hours.
Note: The cycle starts from the time the appliance is initially powered up.
To manually defrost the appliance:
- Press and hold the DEFROST button for 5 seconds.
- The defrost cycle will start immediately and the Defrost LED illuminates. The defrost will last up of 30 minutes.
Note: Starting a manual defrost also resets the automatic defrost timer. The next automatic defrost will start six hours after the manual defrost has finished. - Defrost water is collected in the defrost water tray.
CLEANING, CARE & MAINTENANCE
- Switch off and disconnect from the power supply before cleaning.
- Clean the interior of the appliance as often as possible.
- Do not use abrasive cleaning agents. These can leave harmful residues.
- Clean the door seal with water only.
- Always wipe dry after cleaning.
- Do not allow water used in cleaning to run through the drain hole into the evaporation pan.
- The drawers can be completely removed for cleaning (release a red lock on the drawer rail).
- Take care when cleaning the rear of the appliance. Sharp edges can cut.
- An agent or qualified technician must carry out repairs if required.
Cleaning the Condenser
Periodically cleaning the condenser can extend the life of the appliance. We recommend cleaning the condenser at least every 6 months.
- Switch off the unit and disconnect it from the mains.
- Loosen the screws on the left and right sides of the front lower cover plate.
- Carefully pull it towards you at the bottom end and then unhook it at the top and carefully lay it down on the floor (be careful with the cable).
- Remove the filter (see exploded view, part no. 35) and clean it with running lukewarm water (then let it dry well).
- Reinstall the filter on the condenser
- Hook the cover plate back on at the top first and then push it towards the unit.
- Refit the screws on the left and right.
PROLONGED SHUTDOWN OF THE UNIT
If the cooling unit is not used for a long time, the following measures must be taken:
- Disconnect the device from the mains, i.e. pull out the mains plug.
- Clean everything carefully and dry well.
- Leave the doors or lids open so that the air can circulate.
- Cover the unit with an air-permeable material.
SMALL DISTURBANCES
Often malfunctions can be eliminated quickly without having to contact customer service.
We therefore recommend checking the following before consulting a specialist:
THE DEVICE DOES NOT WORK.
- Check that the mains plug is correctly plugged into the socket.
- Check the cable. If it is damaged, it must be replaced by a specialist.
THE UNIT DOES NOT REACH THE DESIRED TEMPERATURE
Check the following:
- Whether the main switch is switched on.
- Whether the temperature is set correctly.
- Whether the device is in a defrosting phase or shortly afterwards.
- Whether the condenser is clogged with dust.
- Whether the device is located close to heat sources or whether the maximum ambient temperature has been exceeded.
- Whether the condenser unit is not sufficiently ventilated.
- Whether the door is not closed properly or the door seal is damaged.
- Whether the food was too hot or too numerous or poorly distributed.
- Whether the ventilation slots in the interior are covered, what hinders the air circulation.
THE UNIT LOSES WATER.
Check the following:
- Whether the drain is blocked.
- Whether the device is standing straight.
- Whether water tray is overloaded.
THE DEVICE IS LOUD.
Check the following:
- Whether all screws and nuts are tight.
- Whether the device is well leveled.
If, despite all these checks, the unit continues to malfunction, contact your dealer. Prepare the following in advance:
- Model description
- Serial number (see name plate)
- Alarm icons if they appear on the display.
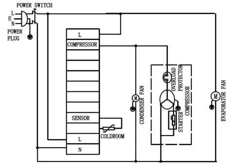
WIRING DIAGRAM

EXPLODED VIEW

SPARE PARTS LIST
| Sl. | Description | Qty | Sl. | Description | Qty |
| 1 | Cabinet | 1 | 26 | Water drain pan | 1 |
| 2 | Door (right ) | 1 | 27 | High pressure pipe | 1 |
| 3 | Door (left ) | 1 | 28 | Condenser Fan motor | 1 |
| 4 | Bottom hinge | 2 | 29 | Condenser Fan blade | 1 |
| 5 | Door gasket | 2 | 30 | Condenser fan cover | 1 |
| 6 | Door axis sleeve | 4 | 31 | Capillary tube | 1 |
| 7 | Hinge axis | 4 | 32 | Dryer filter | 1 |
| 8 | Upper hinge | 1 | 33 | Condenser | 1 |
| 9 | Counter top | 1 | 34 | Air baffle | 1 |
| 10 | Air guide cover | 1 | 35 | Net filter | 1 |
| 11 | Evaporator Fan | 1 | 36 | Bottom plate | 1 |
| 12 | Probe holder | 1 | 37 | Power cord | 1 |
| 13 | Probe | 1 | 38 | Plastic water-proof box | 1 |
| 14 | Fan holder | 1 | 39 | Plastic water-proof box cover | 1 |
| 15 | Mounting bracket | 2 | 40 | Cover schrew | 2 |
| 16 | beam hang strip(left) | 2 | 41 | Power switch | 1 |
| 17 | side rear hang strip(left) | 2 | 42 | Controller | 1 |
| 18 | shelf | 2 | 43 | Panel | 1 |
| 19 | rear hang strip (mid -1) | 1 | 44 | Feet | 4 |
| 20 | rear hang strip (mid -2) | 1 | 45 | drain-pipe nut | 1 |
| 21 | left shelf guide | 2 | 46 | drain-pipe | 1 |
| 22 | right shelf guide | 2 | 47 | water plug | 1 |
| 23 | Hang strip(right – 1) | 2 | 48 | middle beam connect | 3 |
| 24 | Hang strip(right – 2) | 1 | 49 | middle beam | 1 |
| 25 | Compressor | 1 | 50 | PVC drain-pipe | 1 |
DISPOSAL
Once the appliance has been used up, please dispose of it properly at a collection point for electrical appliances. Electrical appliances do not belong in household waste. Your responsible administration will inform you about the addresses and opening hours of collection points. This is the only way to ensure that old appliances are properly disposed of and recycled. Thank you very much!

Made in P.R.C for:
SARO Gastro-Products GmbH
Sandbahn 6, 46446 Emmerich am Rhein, Germany
Tel. +49(0)2822 9258-0
Fax +49(0)2822 18192
E-Mail [email protected] Web: www.saro.de



















