M-ELEC ML-VLPS-D150 VALO 24V Dimmable Power Supply

24VPOWERSUPPLIES
Installation Instructions
- DO NOT USE 12V LED STRIP WITH 24V PoWER SUPPLY *
- DO NOT USE 24V LED STRIP WITH 12V POWER SUPPLY
CONSTANT CURRENT INSTALLATION SPECIFICATIONS
ML-VLPS-C200/300/360
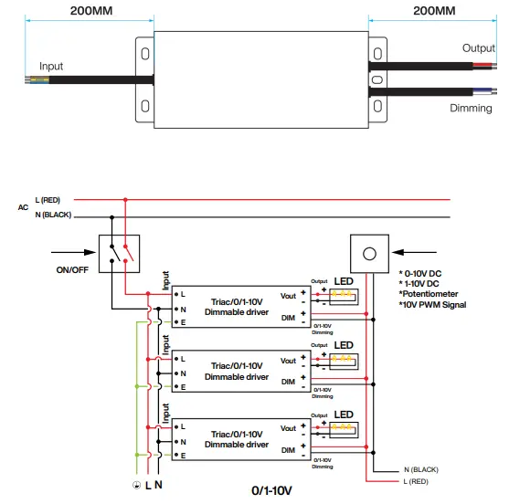
0/1-10V DIMMABLE WIRIING DIAGRAM
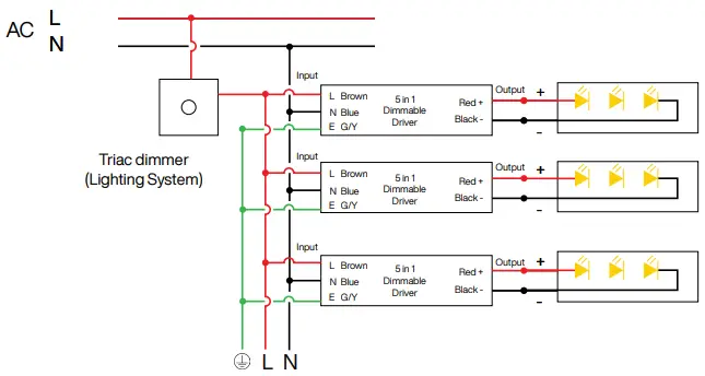
TRIAC DIMMABLE WIRING DIAGRAM

- The Pulse-Width Modulation (PWM) of output voltage can be adjusted through the input terminal of the AC phase line(L) by connection a phase /Triac dimmer to the lighting system.
- Works with leading edge and trailing edge TRIAC dimmers.
- Please try to use dimmers with a power rating of at least 1.5 times as the output power of the driver.
CLEARANCE SPECIFICATIONS
- These power supplies require a minimum clearance of 25mm from all combustible materials to pass Australian standards.
- M-Elec Pty Ltd requires a minimum of 100mm clearance from any heat insulation in order to prevent the fittings and drivers from overheating.
- If these regulations are not followed correctly, the warranty will be void and all resulting issues are wholly the responsibility of the electrician.

T. 1300 222 445 | www.melec.com.au
WARRANTY
For further information about our Warranties please go to: melec.com.au/legal/warranties

FREE ONSITE WARRANTY FOR 3 YEARS INCLUDES PARTS & LABOUR
in conjunction with your standard product warranty




















