30″ (76.2 CM) AND 36″ (91.4 CM)
RETRACTABLE (POP-UP) DOWNDRAFT
VENT SYSTEM
Installation Instructions and Use & Care Guide
IMPORTANT: READ AND SAVE THESE INSTRUCTIONS.
FOR RESIDENTIAL USE ONLY.
VENT SYSTEM SAFETY
Your safety and the safety of others are very important.
We have provided many important safety messages in this manual and on your appliance. Always read and obey all safety messages.
This is the safety alert symbol.
This symbol alerts you to potential hazards that can kill or hurt you and others.
All safety messages will follow the safety alert symbol and either the word “DANGER” or “WARNING.”
These words mean:
DANGER You can be killed or seriously injured if you don’t immediately follow instructions.
WARNING You can be killed or seriously injured if you don’t follow instructions.
All safety messages will tell you what the potential hazard is, tell you how to reduce the chance of injury, and tell you what can happen if the instructions are not followed.
State of California Proposition 65 Warnings:
WARNING: This product contains one or more chemicals known to the State of California to cause cancer.
WARNING: This product contains one or more chemicals known to the State of California to cause birth defects or other reproductive harm.
IMPORTANT SAFETY INSTRUCTIONS
WARNING: TO REDUCE THE RISK OF FIRE, ELECTRIC SHOCK, OR INJURY TO PERSONS, OBSERVE THE FOLLOWING:
- Use this unit only in the manner intended by the manufacturer. If you have questions, contact the manufacturer.
- Before servicing or cleaning the unit, switch power off at service panel and lock the service disconnecting means to prevent power from being switched on accidentally. When the service disconnecting means cannot be locked, securely fasten a prominent warning device, such as a tag, to the service panel.
- Installation work and electrical wiring must be done by qualified person(s) in accordance with all applicable codes and standards, including fire-rated construction.
- Do not operate any fan with a damaged cord or plug. Discard fan or return to an authorized service facility for examination and/or repair.
- Sufficient air is needed for proper combustion and exhausting of gases through the flue (chimney) of fuel burning equipment to prevent backdrafting. Follow the heating equipment manufacturer’s guideline and safety standards such as those published by the National Fire Protection Association (NFPA), the American Society for Heating, Refrigeration and Air Conditioning Engineers (ASHRAE), and the local code authorities.
- When cutting or drilling into wall or ceiling, do not damage electrical wiring and other hidden utilities.
- Ducted fans must always be vented outdoors. CAUTION: For general ventilating use only. Do not use to exhaust hazardous or explosive materials and vapors.
CAUTION: To reduce risk of fire and to properly exhaust air, be sure to duct air outside – do not vent exhaust air into spaces within walls or ceilings, attics or into crawl spaces, or garages.
WARNING: TO REDUCE THE RISK OF FIRE, USE ONLY METAL DUCTWORK.
WARNING: TO REDUCE THE RISK OF A RANGE TOP GREASE FIRE:
- Never leave surface units unattended at high settings. Boilovers cause smoking and greasy spillovers that may ignite. Heat oils slowly on low or medium settings.
- Always turn hood ON when cooking at high heat or when flambeing food (i.e. Crepes Suzette, Cherries Jubilee, Peppercorn Beef Flambé).
- Clean ventilating fans frequently. Grease should not be allowed to accumulate on fan or filter.
- Use proper pan size. Always use cookware appropriate for the size of the surface element.
WARNING: TO REDUCE THE RISK OF INJURY TO PERSONS IN THE EVENT OF A RANGE TOP GREASE FIRE, OBSERVE THE FOLLOWING:* - SMOTHER FLAMES with a close fitting lid, cookie sheet, or metal tray, then turn off the burner. BE CAREFUL TO PREVENT BURNS. If the flames do not go out immediately, EVACUATE AND CALL THE FIRE DEPARTMENT.
- NEVER PICK UP A FLAMING PAN – you may be burned. gw DO NOT USE WATER, including wet dishcloths or towels – a violent steam explosion will result.
- Use an extinguisher ONLY if:
— You know you have a class ABC extinguisher, and you already know how to operate it.
— The fire is small and contained in the area where it started.
— The fire department is being called.
— You can fight the fire with your back to an exit.
*Based on “Kitchen Fire Safety Tips” published by NFPA. - WARNING: To reduce the risk of fire or electrical shock, do not use this fan with any solid-state speed control device.
READ AND SAVE THESE INSTRUCTIONS
INSTALLATION REQUIREMENTS
Tools and Parts
Gather the required tools and parts before starting installation.
Read and follow the instructions provided with any tools listed here.
Tools Needed
- Jigsaw or keyhole saw
- Drill1
- /8″ (3 mm) drill bit for pilot holes
- Pencil
- Tape measure or ruler
- Flat-blade screwdriver
- Phillips screwdriver3
- /8″ (9.5 mm) nut driver
- Level
- Pliers
- Metal snips
- Wire stripper or utility knife
- Caulking gun and weatherproof caulking compound
Parts Supplied
- Top trim – stainless
- End caps (2)
- Lower support legs (2)
- Undercounter mounting brackets (2)
- 4 x 8 mm screws (16)
- 3.5 x 9.5 mm screws (3)
- 31/4″ x 10″ (8.3 cm x 25.4 cm) rectangular damper
- 43/4″ (12.0 cm) motor box
- ¼” (6.4 mm) deep cover
- Flat vent cover plate
- 6″ (15.2 cm) diameter vent transition with damper (interiormounted blower motor models only)
- 10″ (25.4 cm) diameter vent collar (exterior-mounted blower model only)
Parts Needed
- UL listed or CSA approved ½” (12.7 mm) conduit connector
- Wall or roof cap with damper to match vent system
- Vent system
- Home power supply cable
- UL listed wire connectors (3)
- Wiring cable for optional remote blower kit
- Vent clamps/duct tape as required
Location Requirements
NOTE: Downdraft vent is installed directly behind the cooktop.
Install the downdraft vent first, and then install the cooktop.
IMPORTANT: Observe all governing codes and ordinances.
- Have a qualified technician install the downdraft vent. It is the installer’s responsibility to comply with installation clearances specified on the model/serial/rating plate. The model/serial/rating plate is located on the front of the downdraft vent above the terminal box cover.
- Downdraft vent location should be away from strong draft areas, such as windows, doors, and strong heating vents or fans.
- Cabinet opening dimensions that are shown must be used. Given dimensions provide minimum clearance.
- Consult the cooktop manufacturer installation instructions before making any cutouts. Check that the downdraft vent and cooktop location will
clear the cabinet walls, backsplash, and rear wall studs inside the cabinet.
Check for the minimum distance between the front edge of the countertop and the front edge of the cooktop. The minimum horizontal distance between the overhead cabinets is the same as the width of the installed downdraft vent. - All openings in ceiling and wall where the downdraft vent will be installed must be sealed.
- Grounded electrical outlet is required. See the “Electrical Requirements” section.
- When installing the downdraft vent, the cabinet drawer will need to be removed and the drawer front installed permanently to the cabinet.
Cabinet Construction:
Downdraft vent is designed for use in a cabinet with a depth of 24″ (61 cm). Some installations require a countertop deeper than 25″ (63.5 cm). See the “Countertop Cutout Dimensions” section.
The maximum depth of the overhead cabinet is 13″ (33 cm).
Overhead cabinets installed at either side of the downdraft vent must be 18″ (45.7 cm) above the cooking surface.
For Mobile Home Installations
The installation of this downdraft vent must conform to the Manufactured Home Construction Safety Standards, Title 24 CFR, Part 328 (formerly the Federal Standard for Mobile Home Construction and Safety, title 24, HUD, Part 280) or when such standard is not applicable, the standard for Manufactured Home Installation 1982 (Manufactured Home Sites, Communities and Setups) ANSI A225.1/NFPA 501A, or latest edition, or with Zlocal codes.
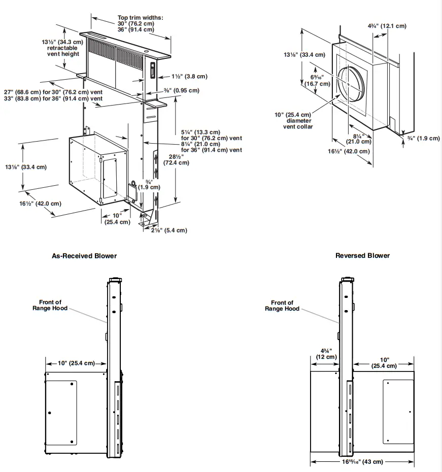
Product Dimensions
Models with interior-mounted blower motor
Models with exterior-mounted blower motor
Cabinet Dimension

NOTES:
- See cooktop manufacturer’s instructions for cooktop cutout depth and width.
- Use dimensions for vent system cutout location that applies to your installation.
- Interior-mounted blower systems connect with 3 1 /4″ x 10″ (8.3 cm x 25.4 cm) rectangular or 6″ (15.2 cm) round vent system. The cutout locations for this vent system will depend on your specific installation.
NOTES:
- See cooktop manufacturer’s instructions for cooktop cutout depth and width.
- Exterior-mounted blower systems connect with 10″ (25.4 cm) round vent. The cutout locations for this vent system will depend upon your specific installation.
Countertop Cutout Dimensions
IMPORTANT: Countertops with a bull-nosed front edge are not recommended for these installations.
Some models require a countertop deeper than 25″ (63.5 cm); see the following illustrations.
To avoid mistakes, it is recommended that the cooktop and vent cutouts be drawn on the countertop before making any cutouts.
See the Cooktop Installation Instructions for complete cutout dimensions, location dimensions, and installation details.
A. Downdraft vent
B. Cooktop
C. Measurement of cooktop rear overhang
D. D = Measurement of cooktop rear overhang (C) + 1 13 /16″ (46.2 mm) (E)
E. 1 13 /16″ (46.2 mm)
F. ½” (12.7 mm) minimum
G. ¼” (6.4 mm) minimum
H. Countertop and backsplash
I. ½” (12.7 mm) minimum
A. ½” (12.7 mm) minimum to backsplash or rear wall
B. 3/4″ (19.1 mm) maximum backsplash depth
C. 271 /2″ (69.9 cm) on 30″ (76.2 cm) models 33 1 /2″ (85.9 cm) on 36″ (91.4 cm) models
D. D = E + 113 /16″ (46.2 mm)
E. Cooktop rear overhang
Electrical Requirements
Observe all governing codes and ordinances.
Ensure that the electrical installation is adequate and in conformance with National Electrical Code, ANSI/NFPA 70 (latest edition) or CSA Standards C22.1-94, Canadian Electrical Code, Part 1 and C22.2 No. 0-M91 (latest edition) and all local codes and ordinances.
If codes permit and a separate ground wire is used, it is recommended that a qualified electrician determine that the ground path is adequate.
A copy of the above code standards can be obtained from:
National Fire Protection Association 1 Batterymarch Park
Quincy, MA 02169-7471
CSA International
8501 East Pleasant Valley Road Cleveland, OH 44131-5575
- A 120-volt, 60 Hz., AC-only, 15-amp, fused electrical circuit is required.
- If the house has aluminum wiring, follow the procedure below:
1. Connect a section of solid copper wire to the pigtail leads.
2. Connect the aluminum wiring to the added section of copper wire using special connectors and/or tools designed and UL listed for joining copper to aluminum.
Follow the electrical connector manufacturer’s recommended procedure. Aluminum/copper connection must conform with local codes and industry accepted wiring practices. - Wire sizes and connections must conform with the rating of the appliance as specified on the model/serial/rating plate.
The model/serial/rating plate is located on the front of the downdraft vent, above the wiring box cover. - Wire sizes must conform to the requirements of the National
Electrical Code, ANSI/NFPA 70 (latest edition) or CSA Standards C22. 1-94, Canadian Electrical Code, Part 1 and C22.2 No. 0-M91 (latest edition) and all local codes and ordinances.
Venting Requirements
IMPORTANT: Make sure there is proper clearance within the wall or floor before making exhaust vent cutouts.
- Use heavy (rigid) metal vent.
- Venting system must terminate to the outside.
- Do not terminate the vent system in an attic or other enclosed area.
- Do not use 4″ (10.2 cm) laundry-type wall caps.
- Do not install 2 elbows together.
- Do not use plastic or metal foil vent.
- The length of vent system and number of elbows should be kept to a minimum to provide efficient performance.
- Use no more than three 90° elbows.
- Make sure there is a minimum of 24″ (61 cm) of straight vent between the elbows if more than one elbow is used.
- Use clamps or duct tape to seal all joints in the vent system.
- Use caulking tape to seal the exterior wall or floor opening around cap.
- Do not cut joist or stud. If vent cutout falls over a joist or stud, a supporting frame must be constructed.
Flexible metal vent is not recommended. If it is used, calculate each foot of flexible vent as 2 ft (0.6 m) of rigid metal vent.
Flexible elbows count twice as much as standard elbows.
Recommended vent system length:
For either interior-mounted or exterior-mounted blower installations, the vent system length should not exceed the maximum lengths listed in the “Maximum Length of Vent System” chart. See “Calculating Vent System Length” in the “Venting Methods” section in the Installation Instructions for the interior- or exterior-mounted vent motor.
Recommended vent system length:
For either interior-mounted or exterior-mounted blower installations, the vent system length should not exceed the maximum lengths listed in the “Maximum Length of Vent System” chart. See “Calculating Vent System Length” in the “Venting Methods” section in the Installation Instructions for the interior- or exterior-mounted vent motor.
INSTALLATION INSTRUCTIONS INTERIOR-MOUNTED VENT MOTOR
Venting Methods
Determine which venting method is best for your application.
Vent system can terminate either through the wall or floor.
Island Location
Front-Mounted (Standard) Blower Motor
Rear-Mounted Blower Motor
NOTE: For island locations, a front- or rear-mounted blower motor can also be mounted for right or left venting if needed for your application. Most island applications would still require the venting to be directed down through the floor.
Built-In Cabinet Locations
A. Down vent
B. Left vent
C. Right vent
Island Location – Vent System Installed Under a Concrete Slab Using PVC Sewer Pipe
Front- (Standard) Mounted Blower Motor
Rear-Mounted Blower Motor
A. Wall cap
B. 6″ (15.2 cm) round metal vent
C. 16″ (40.6 cm) maximum
D. 6″ (15.2 cm) round PVC sewer pipe
E. 6″ (15.2 cm) round metal vent transition with damper (supplied)
F. 6″ (15.2 cm) round PVC coupling
G. Concrete slab
H. 6″ (15.2 cm) round PVC sewer pipe
I. 6″ (15.2 cm) round 90° PVC sewer pipe elbow
J. Tightly pack gravel or sand completely around pipe.
K. 6″ (15.2 cm) round 90° PVC sewer pipe elbow
L. 6″ (15.2 cm) round PVC coupling
M. 12″ (30.5 cm) minimum
Calculating Vent System Length
3¼” x 10″ (8.3 cm x 25.4 cm) rectangular vent is required from the blower motor box. It can be transitioned to 6″ (15.2 cm) round vent if needed.
Maximum Length of Vent System
| Vent | Length |
| 6″ (15.2 cm) round | 35 ft (8.9 m) |
| 31/4″ x 10″ (8.3 cm x 25.4 cm) | 35 ft (8.9 m) |
To calculate the length of the system you need, add the equivalent feet (meters) for each vent piece used in the system.
| Vent Piece | 31/4″ x 10″ (8.3 cm x 25.4 cm) Rectangular | |
| 31/4″ x 10″ (8.3 cm x 25.4 cm)90° elbow | 5.0 ft (1.5 m) | |
| 31/4″ x 10″ (8.3 cm x 25.4 cm) flat elbow | 12.0 ft (3.7 m) | |
| 31/4″ x 10″ (8.3 cm x 25.4 cm) wall cap | 0.0 ft (0.0 m) | |
| Vent Piece | 6″ (15.2 cm) Round | |
| 45° elbow | 2.5 ft (0.8 m) | |
| 90° elbow | 5.0 ft (1.5 m) | |
| 6″ (15.2 cm) wall cap | 0.0 ft (0.0 m) | |
| 31/4″ x 10″ (8.3 cm x 25.4 cm) to 6″ (15.2 cm) transition | 4.5 ft (1.4 m) | |
| 6″ (15.2 cm) to 3 1 /4″ x 10″ (8.3 cm x 25.4 cm) transition | 1 ft (0.3 m) | |
| 31/4″ x 10″ (8.3 cm x 25.4 cm) to 6″ (15.2 cm) 90° elbow transition | 5.0 ft (1.5 m) | |
| 6″ (15.2 cm) to 31 /4″ x 10″ (8.3 cm x 25.4 cm) 90° elbow transition | 5.0 ft (1.5 m) | |
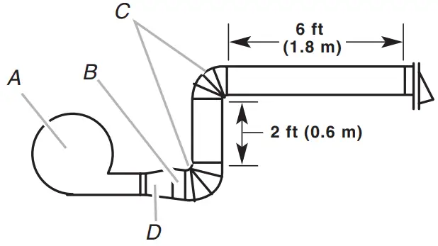
Example Vent System
A. Blower motor
B. Transition
C. 90° elbows
D. Back draft damper
The following example falls within the maximum vent length of 35 ft (8.9 m).
| 2 – 90° elbow | = 10.0 ft (3 m) |
| 1 – wall cap | = 0.0 ft (0.0 m) |
| 8 ft (2.4 m) straight | = 8.0 ft (2.4 m) |
| Transition | = 4.5 ft (1.4 m) |
Length of 6″ (15.2 cm) or 31/4″ x 10″= 22.5 ft (6.8 m) (8.3 cm x 25.4 cm) system
WARNING
Excessive Weight Hazard
Use two or more people to move and install downdraft vent.
Failure to do so can result in back or other injury.
- Place cardboard or similar material on top of a flat surface where you can easily assemble the downdraft vent system.
- Remove parts packages, downdraft vent, and blower box from the carton.
- Remove all shipping materials, tape, and film from the downdraft vent and blower box.
- Measure distance “X” from the cabinet floor to the top of the countertop. Subtract 28 1 /2″ (72.4 cm) from distance “X” to determine dimension “Y” (X – 28 1 /” = Y).

- Attach the support legs to the side of the vent box with 4 – 4 x 8 mm screws in each support leg. Adjust to dimension “Y” from the bottom of the vent box to the bottom of the support legs. Tighten screws.

A. Motor box
B. Support leg
C. 4 x 8 mm screws (4)
Determine Which Vent Direction Is Best for Your Installation
When installed in a cabinet, vent system can exhaust through the bottom, left, or right of the cabinet.
IMPORTANT: When using the 6″ (15.2 cm) vent transition (supplied) for 6″ round venting, only left or right venting is recommended.
Bottom Venting:
NOTE: If installing the vent damper in the down position, a wall or roof cap with a damper at the exit end of the vent system is required.
- Downdraft vent is shipped with blower in down-venting position, so no modification is required.
- If rear mounting of the blower motor is not required, go to the “Complete Installation (Interior-Mounted Motor)” section.
- To mount the blower motor to the rear side of the vent box, go to the “Rear Mounting – Blower Motor” section.
Left or Right Venting:
- Using 2 or more people, place the downdraft vent system on its back.
- Remove the 4 screws from the cover plate mounted to the face of the motor box and set them aside.
A. Cover plate
B. Cover plate screws (4)
C. Cover plate keyhole slot
D. Motor mounting screws (4)
E. Vent cover plate
F. Motor box
G. Vent cover screws (3) shoulder screws (4) - Slide the cover plate up and slip it over the keyhole slot shoulder screws. Set the cover aside.
- Remove 4 screws from the bottom of the motor box that hold the motor assembly to the motor box.
NOTE: Disconnect the electrical wiring connection from motor if needed. - Remove 3 screws and the vent cover plate from the left or right side of the motor box for the venting direction to be used.
- Rotate the blower motor assembly 90° to the left or right side to the chosen venting direction and secure to the blower box with motor mounting screws previously removed. Do not twist or bind the wires.
- Install the vent cover plate over the rectangular opening in the bottom of the motor box and secure with vent cover screws.
NOTE: Reinstall the electrical wiring connection to motor if removed. - Reinstall the cover plate to the face of the motor box and secure with 4 cover plate screws previously removed.
- For mounting the blower motor to the back of the vent box, go to the “Rear Mounting – Blower Motor” section. Otherwise, go to the “Complete Installation (Interior- Mounted Motor)” section.
Rear Mounting – Blower Motor
NOTE: Optional blower motor rear-mounting position (opposite side) for island cabinet locations. The blower motor box assembly can be moved to the opposite side (rear) of the vent box.
- Remove 7 screws from the mounting flanges of the blower motor box.
Front View
A. Screws (7)
B. Keyhole slot shoulder screws (2)
C. Blower motor box
- Lift blower motor box off the shoulder screws in the keyhole slots. Disconnect wire connection from blower motor and set blower motor box aside.
- Remove 6 screws from the mounting flange of the ¼” (6.4 mm) deep cover.
Rear View
A. Screws (6)
B. Keyhole slot shoulder screws (2)
C.1/4″ (6.4 mm) deep cover
- Lift the ¼” (6.4 mm) deep cover off the shoulder screws in the keyhole slots and set the cover aside.
- Remove the screws from the wire-mounting plate.
A. Screws
B. Wire-mounting plate
C. Blower motor box - Hold the wire-mounting plate and push the grommet out of the wire-mounting plate.

- Slide the wire assembly through the slot in the wire-mounting plate to remove it.
- Place the wire assembly through the opening to the opposite side of the vent box.
- Reassemble the wire assembly and grommet to the wiremounting plate.
- Install the wire mounting plate to the vent box using the 4 screws previously removed.
- Place the blower motor box assembly with the keyhole slots over the 2 shoulder screws on the rear of the vent box and reconnect the wire connection to the blower motor.
- Mount the blower motor box to the vent box and secure using the 6 screws previously removed.

- Mount the 4 3 /4″ (12.0 cm) cover box (supplied) to the front of the vent box. Place the keyhole slots over the 2 shoulder screws, align the mounting holes, and secure the cover box to vent box using the 6 screws previously removed from the ¼” (6.4 mm) deep cover.
- Remove the front cover from the deep cover, place the front cover over the previously mounted cover box, and secure using the 4 screws previously removed.
A. Deep cover
B. Front cover
C. Cover box (supplied) - Go to the “Complete Installation (Interior Mounted Motor)” section.
Complete Installation (Interior-Mounted Motor)
NOTE: The downdraft vent system is supplied with a 3 1 /4″ x 10″ (8.3 cm x 25.4 cm) back draft damper and a 6″ (15.2 cm) round vent transition with damper. Refer to “3 1 /4″ x 10″ (8.3 cm x 25.4 cm) Back Draft Damper” or “6″ (15.2 cm) Round Vent Transition with Damper,” depending upon the type of venting you are using.
31 /4″ x 10″ (8.3 cm x 25.4 cm) Back-Draft Damper
- Attach the 3¼” x 10″ (8.3 cm x 25.4 cm) back draft damper to the vent opening in the blower motor box, using three 3.5 x 9.5 mm screws.
A. 3.5 x 9.5 mm screws
B. 3¼” x 10″ (8.3 cm x 25.4 cm) back-draft damper
6″ (15.2 cm) Round Vent Transition with DamperG
- Attach the 6″ (15.2 cm) round vent transition to vent opening (left- or right- side venting only is recommended), using two 3.5 x 9.5 mm screws.
A. 3.5 x 9.5 mm screws
B. 6″ (15.2 cm) round vent transition with damper - Remove 4 screws attaching the terminal box cover.

- Determine which direction (front or rear) the home power supply cable will enter the terminal box. Remove the appropriate knockout from the front or rear panel and install a 1 /2″ (12.7 mm) UL listed or CSA approved conduit connector.
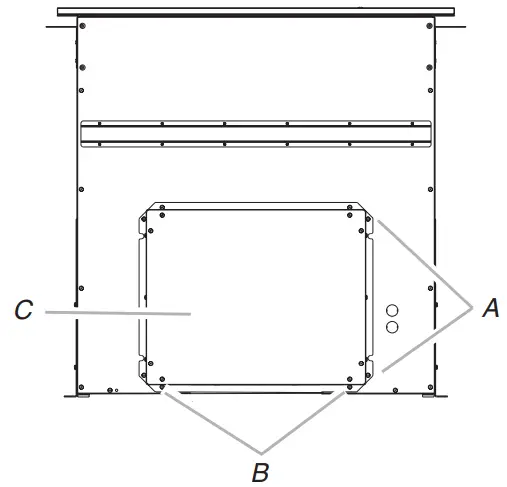
- Using 2 or more people, insert the downdraft vent into the countertop cutout. Position downdraft vent so it is centered in the cutout with the rear flange over the edge of the cutout and the rear of the vent box against the edge of the cutout.
A. Rear flange of downdraft vent
B. Edge of cutout in countertop
C. Rear of downdraft vent
D. Cabinet back
E. Lower support leg
F. Cabinet floor
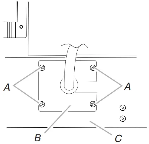
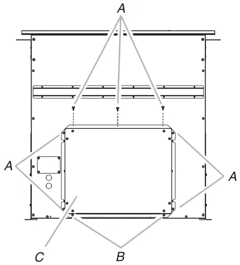
G. Countertop - Install the left and right undercounter mounting brackets to the vent box. Slide the keyhole slots over the guide tabs and push the brackets up to set them in place.
A. Vent box
B. Undercounter mounting bracket
C. Keyhole slots
D. Guide tabs - Drill 2 pilot holes through each of the undercounter mounting brackets into the underside of the countertop. Using 2 screws (not provided) of the appropriate length, mount the brackets to the countertop.
IMPORTANT: Select a screw length that will not allow the screws to go through the countertop when tightened.
A. Screws
B. Backsplash
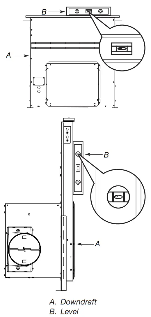
C. Countertop - Check that the downdraft vent is level as shown below. Loosen the lower support leg screws and position the legs against the cabinet floor.

- Fasten the lower support legs to the cabinet floor with screws (not provided).

- Tighten the lower support legs screws.
- Attach the left and right end caps to the vent box. Place the tab into the mounting slot at each end of the downdraft vent, as shown, and push down to lock into place.

Make Electrical Connections
WARNING![]()
Electrical Shock Hazard
Disconnect power before servicing.
Replace all parts and panels before operating.
Failure to do so can result in death or electrical shock.
- Disconnect power.
- Feed the power supply cable through the conduit connector and into the terminal box.
WARNING
Electrical Shock Hazard
Electrically ground blower.
Connect ground wire to green and yellow ground wire in terminal box.
Failure to do so can result in death or electrical shock. - Connect the green (or green/yellow) ground wire to the green or yellow/green ground wire using UL listed wire connectors.
Tighten the screw on the conduit connector. - Connect the 2 white wires together using UL listed wire connectors.
A. Green or green and yellow ground wire
B. White wires
C. UL listed wire connectors
D. Black wires
E. UL listed or CSA approved conduit connector
F. Downdraft vent wiring - Connect the 2 black wires together using UL listed wire connectors.
- Replace the terminal box cover and secure with screw.
- Reconnect power.
Check Operation
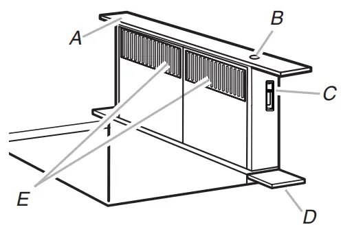
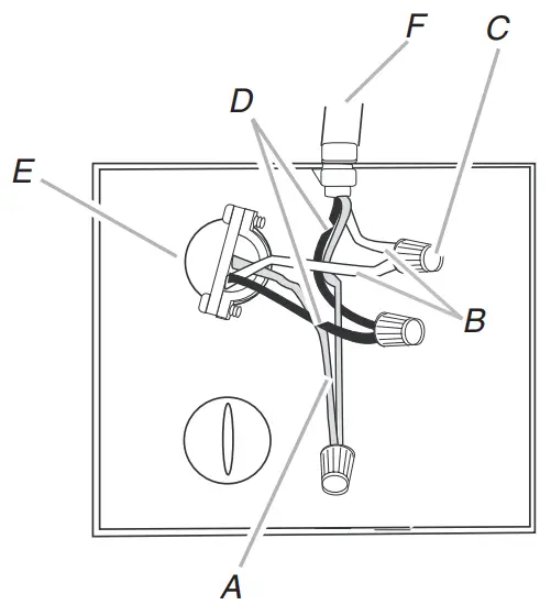
- Push and hold the button on the top of the downdraft vent for a few seconds. The retractable section of the downdraft vent will rise and the blower will be able to start using the control slider. Remove any protective film and use a stainless steel cleaner to clean any remaining grease. Position the top trim over the retractable section and snap trim into place.
Trim kits for matching your cooktop color are available from your dealer.
For information on ordering, see the “Assistance or Service” section.A. Top trim
B. On/Off button
C. Blower control slider
D. End cap
E. Filters - Slide the control slider on the side of vent to check the operation and speed of the blower.
- If the blower does not operate:
Check that filter or filters are pressed in as far as they will go.
Check that the circuit breaker has not tripped or a household fuse blown. - Connect vent system to blower. Vent system must end with a wall or roof cap. Use clamps or duct tape to seal all joints.
- Install cooktop according to manufacturer’s instructions. Check that rear of cooktop overlaps edge of retractable downdraft vent by 3/8″ (9.5 mm). See “Countertop Cutout Dimensions” in the “Location Requirements” section.
NOTE: To get the most-efficient use from your new retractable downdraft vent, read the “Vent System Use” section.
INSTALLATION INSTRUCTIONS
EXTERIOR-MOUNTED VENT MOTOR
CAUTION: To reduce the risk of fire and electrical shock, install the downdraft only with remote blower systems that are sold by Whirlpool Corporation. Model numbers UXI0600DYS (600 cfm) and UXI01200DYS (1200 cfm).
NOTE: Exterior-mounted vent motor installations require an approved in-line blower motor system. Model numbers UXI0600DYS (600 cfm) and UXI1200DYS (1200 cfm) are available from your dealer or authorized parts supplier. See “Blower motor system” in the “Accessories” section.
Venting Methods
Determine which venting method is best for your application.
Vent system can terminate through the wall or roof. A wall cap or roof cap is required.
NOTES:
- Venting through a concrete slab is not recommended.
- The in-line blower motor system must be placed in an enclosed area and can be located in a utility room, basement, crawl space, or attic. Observe all governing codes and ordinances.
- 10″ (25.4 cm) round vent duct is required for connections to the retractable downdraft vent system outlet cover and the in-line blower motor inlet and outlet covers. 10″ (25.4 cm) round vent duct is recommended for the retractable downdraft vent system with in-line blower motor system.Transitioning to different size ducting will reduce the efficiency of the retractable downdraft vent system.


Calculating Vent System Length
It is recommended that you use round vent instead of rectangular vent, especially if elbows are required. If rectangular vent is required, it should be transitioned to 10″ (25.4 cm) round vent as soon as possible.
Maximum Length of Vent System
| Vent | Length |
| 10″ (25.4 cm) round | 60 ft (18.3 m) |
To calculate the length of the system you need, add the equivalent feet (meters) for each vent piece used in the system.
| Vent Piece | 6″ (15.2 cm) Round | |
| 45° elbow | 2.5 ft (0.8 m) | |
| Vent Piece | 5.0 ft (1.5 m) | |
The maximum equivalent vent lengths of 10″ (25.4 cm) round vents – 60 ft (18.3 m).
| 2 – 90° elbow | = 10.0 ft (3 m) |
| 10 ft (3 m) elbows | = 10.0 ft (3 m) |
| Length of 10″ (25.4 cm) system | = 20 ft (6 m) |
NOTE: The exterior-mounted vent motor requires a separate wiring cable that should be installed at the same time the vent work is installed.
Install Vent System
WARNING
Excessive Weight Hazard
Use two or more people to move and install downdraft vent.
Failure to do so can result in back or other injury.
- Place cardboard or similar material on top of a flat surface where you can easily assemble the downdraft vent system.
- Remove parts packages, downdraft vent, and blower box from the carton.
- Remove all shipping materials, tape, and film from the downdraft vent and blower box.
- Measure distance “X” from the cabinet floor to the top of the countertop. Subtract 281 /2″ (72.4 cm) from distance “X” to determine dimension “Y” (X – 28 1 /2 = Y).

- Attach the support legs to the side of the vent box with 4 – 4 x 8 mm screws in each support leg. Adjust to dimension “Y” from the bottom of the vent box to the bottom of the support legs. Tighten screws.
A. Motor box
B. Support leg
C. 4 x 8 mm screws (4)
Determine Which Vent Direction Is Best for Your Installation
When installed in a cabinet, vent system can exhaust through the bottom, left, or right of the cabinet. The downdraft vent is shipped with a 10″ diameter vent collar plate.
Front or Rear Venting:
- Using 2 or more people, place the downdraft vent system on the opposite side for venting.
- Remove the 4 screws from the cover plate mounted to the face of the motor box and set them aside.
- Slide the cover plate up and slip it over the keyhole slot shoulder screws. Set the cover aside.
- Install the 10″ diameter vent collar plate to the vent box where the cover plate was removed in the previous step.
Secure using the 4 screws from the cover plate. - Go to the “Complete Installation (Exterior-Mounted Motor)” section.
Complete Installation (Exterior-Mounted Motor)
- Remove 4 screws attaching the terminal box cover.

- Determine which direction (front or rear) the home power supply cable and the wiring conduit from the in-line blower system will enter the terminal box. Remove the appropriate knockout from the front or rear panel and install two 1 /2″ (12.7 mm) UL listed or CSA approved conduit connectors.
- Using 2 or more people, insert the downdraft vent into the countertop cutout. Position downdraft vent so it is centered in the cutout with the rear flange over the edge of the cutout and the rear of the vent box against the edge of the cutout.
A. Rear flange of downdraft vent
B. Edge of cutout in countertop
C. Rear of downdraft vent
D. Cabinet back
E. Lower support leg
F. Cabinet floor
G. Countertop - Install the left and right undercounter mounting brackets to the vent box. Slide the keyhole slots over the guide tabs and push the brackets up to set them in place.
A. Vent box
B. Undercounter mounting bracket
C. Keyhole slots
D. Guide tabs - Drill 2 pilot holes through each of the undercounter mounting brackets into the underside of the countertop. Using 2 screws (not provided) of the appropriate length, mount the brackets to the countertop.
IMPORTANT: Select a screw length that will not allow the screws to go through the countertop when tightened.
A. Screws
B. Backsplash
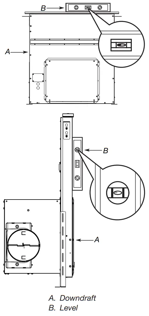
C. Countertop - Check that the downdraft vent is level as shown below.
Loosen the lower support legs screws and position the legs against the cabinet floor.
- Fasten the lower support legs to the cabinet floor with screws (not provided).

- Tighten the lower support legs screws.
- Attach the left and right end caps to the vent box. Place the tab into the mounting slot at each end of the downdraft vent, as shown, and push down to lock into place.

Install Downdraft Vent In-Line (External Type) Blower Motor
NOTE: Your downdraft vent requires you to purchase an in-line (external type) blower motor system. See “Blower Motor System” in the “Accessories” section.
Prepare for Mounting the In-Line Blower System
The in-line blower system must be fastened to a secure structure of the roof, ceiling, wall, floor, or new or existing frame construction. The 4 holes on either the inlet (bottom) side or the outlet (top) side of the blower must be used to mount the in-line blower system to the structure.
NOTE: The mounting hole locations must span the studs.
Additional stud framing may be required. Plywood may be used to span open areas between ceiling or floor joists or roof rafters to aid installation. This structure must be strong enough to support the weight of the in-line blower system (50 lb [22.6 kg] min).
Prepare the In-line Blower System
WARNING
Excessive Weight Hazard
Use two or more people to move and install downdraft vent.
Failure to do so can result in back or other injury.
- Using 2 or more people, move the in-line blower motor system to the mounting location.
- Remove the 10 screws from the front cover of the in-line blower motor housing and set them aside.
- Remove the front cover of the in-line blower motor housing and set it aside.
NOTE: To make the blower motor housing easier to mount, the blower motor assembly can be removed. If you do not want to remove the blower motor assembly, proceed to “Install In-line Blower System” in this section. - Disconnect the motor electrical plug from the blower motor assembly.
- Remove the screws that secure the blower motor assembly to the in-line blower housing and set them aside.
- Pull the spring clip to release the blower motor assembly.
Remove the blower motor assembly from the housing and place it on a covered surface.
A. Front cover
B. Blower mounting screws
C. Spring clip
D. Motor electrical plug
Install In-line Blower System
NOTE: The blower motor housing can be mounted using 4 holes from either the inlet side or the outlet side of the blower.
Outlet Side
Inlet Side
- Position the in-line blower motor housing in its mounting location and mark the 4 mounting hole locations.
- Drill 4 mounting pilot holes using a 3/16″ (4.8 mm) drill bit.
- Attach the in-line blower motor housing to the mounting location with four 6 x 80 mm mounting screws and washers.
- If it is removed, reinstall the blower motor assembly and secure it with the screws previously removed.
- If it is removed, reattach the motor electrical plug to the connector on the blower motor assembly.
Complete Preparation
- Determine and make all necessary cuts for the vent system.
IMPORTANT: When cutting or drilling into the floor, ceiling or wall, do not damage electrical wiring or other hidden utilities. - Determine the location where the1/2″ (1.3 cm) wiring conduit will be routed through the floor, ceiling or wall between the inline blower and the downdraft vent.
- Drill a 11/4″ (3.2 cm) hole at this location.
- Locate the electrical terminal boxes in the in-line blower housing and downdraft vent. Remove the terminal box covers and set the covers and screws aside.

- Remove the electrical knockout from the in-line blower housing and downdraft vent to prepare for the installation of the UL listed or CSA approved 1 /2″ (1.3 cm) wiring conduit and conduit connector.
- With the downdraft vent mounted, run the 1 /2″ (1.3 cm) wiring conduit between the in-line blower motor housing and the downdraft vent. Pull enough 1 /2″ (1.3 cm) wiring conduit to allow for easy connection to the terminal boxes in the in-line blower housing and downdraft vent.
- Run the six 18 AWG wires through the 1 /2″ (1.3 cm) wiring conduit and conduit connectors and into the terminal boxes on the in-line blower housing and downdraft vent. Leave enough wire length in each terminal box to make the wiring connections.
- Install the conduit connectors and conduit to the in-line blower housing and downdraft vent electrical terminal boxes.
- Connect the vent system to the downdraft vent and in-line blower system and seal all joints with clamps.
Make Electrical Connections for In-Line Blower Motor System
| Electrical Shock Hazard Disconnect power before servicing. Replace all parts and panels before operating. Failure to do so can result in death or electrical shock. |
Electrical Connection Inside In-line Blower System
- Disconnect power.
- Connect the wires from the wiring conduit to the wires from the motor electrical plug cable inside the in-line blower housing terminal box.
A. UL listed or CSA approved1/2″ (1.3 cm) wiring conduit
B. UL listed wire connectors
C. Black wires
D. White wires
E. Red wires
F. Blue wires
G. Gray wires
H. Green (or yellow/green) and green/yellow wires
I. Motor electrical plug cable - Use UL listed wire connectors and connect the black wires (C) together.
- Use UL listed wire connectors and connect the white wires (D) together.
- Use UL listed wire connectors and connect the red wires (E) together.
- Use UL listed wire connectors and connect the blue wires (F) together.
- Use UL listed wire connectors and connect the gray wires (G) together.
WARNING
Electrical Shock Hazard
Electrically ground blower.
Connect ground wire to green and yellow ground wire in terminal box.
Failure to do so can result in death or electrical shock. - Connect the green (or yellow/green) ground wire to the green/yellow ground wire (H) in the terminal box using UL listed wire connectors.
- Reinstall the in-line blower terminal box cover and screw.
- Reinstall the front cover of the in-line blower housing and secure it with 10 mounting screws.
Electrical Connection Inside Downdraft Vent Between In-Line Blower System and Downdraft Vent
NOTE: Discard the 6-wire connector assembly supplied with the in-line blower motor system.
- With the downdraft vent mounted, locate the bottom wiring cable (5 wires) inside the downdraft vent terminal box.
- Connect the wires from the bottom wiring cable (5 wires) inside the downdraft vent terminal box to the wires from the in-line blower wiring conduit inside the downdraft vent terminal box.
- Connect the same color wires to each other (black to black, white to white, etc.) using UL listed wire connectors.
NOTE: Connect the green (or green/yellow) ground wire from the wiring conduit to the green (or bare) ground wire from the home power supply using UL listed wire connectors. (See the “Make Electrical Power Supply Connections to Downdraft Vent” section.)
A. UL listed or CSA approved 1/2″ (1.3 cm) wiring conduit
B. UL listed wire connectors
C. Black wires
D. White wires
E. Red wires
F. Blue wires
G. Gray wires
H. Green (or green/yellow) wire
I. Bottom wiring cable (5 wires) - Go to “Make Electrical Power Supply Connection to Downdraft Vent” section.
Make Electrical Power Supply Connection to Downdraft Vent
| Electrical Shock Hazard Disconnect power before servicing. Replace all parts and panels before operating. Failure to do so can result in death or electrical shock. |
- Disconnect power.
- Locate the downdraft vent terminal box.

A. Green or green and yellow ground wires
B. White wires
C. UL listed wire connectors
D. Black wires
E. UL listed or CSA approved conduit connector
F. Downdraft vent wiring - Use UL listed wire connectors and connect black wires (D) together.
- Use UL listed wire connectors and connect white wires (B) together.
WARNING
Electrical Shock Hazard
Electrically ground blower.
Connect ground wire to green and yellow ground wire in terminal box.
Failure to do so can result in death or electrical shock.NOTE: The green (or green/yellow) ground wire in the conduit from the in-line blower motor system is to be connected with the green (or bare) wire of the home power supply cable and with the green/yellow wire (A) in the terminal box.
- Connect green (or bare) ground wire from home power supply to the green/yellow ground wires (A) in terminal box using UL listed wire connectors.
- Install terminal box cover.
- Reconnect power.
Check Operation
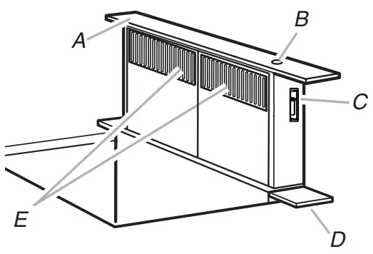
- Push and hold the button on the top of the downdraft vent for a few seconds. The retractable section of the downdraft vent will rise and the blower will be able to start using the control slider. Remove any protective film and use a stainless steel cleaner to clean any remaining grease. Position the top trim over the retractable section and snap trim into place.
Trim kits for matching your cooktop color are available from your dealer.
For information on ordering, see the “Assistance or Service” section.
A. Top trim
B. On/Off button
C. Blower control slider
D. End cap
E. Filters - Slide the control slider on the side of vent to check the operation and speed of the blower.
- If the blower does not operate:
Check that filter or filters are pressed in as far as they will go.
Check that the circuit breaker has not tripped or a household fuse blown. - Connect vent system to blower. Vent system must end with a wall or roof cap. Use clamps or duct tape to seal all joints.
NOTE: To get the most-efficient use from your new retractable downdraft vent, read the “Vent System Use” section.
VENT SYSTEM USE
The retractable downdraft vent system is designed to remove smoke, cooking vapors, and odors from the cooktop area.
- For best results, the vent should be operating before cooking is started.
- If you use large or tall utensils, place them on the large rear element or burner surface.
- A higher heat setting than normally used may be needed when the downdraft vent is operating.
- For gas cooktops, the downdraft vent system may affect the flame stability and cooking performance. To improve the burner performance, either decrease the downdraft vent blower speed or increase the cooktop burner flame setting.
- For gas cooktops with flame-sensing ignitions, the downdraft vent system may disperse the flame away from the spark igniter and may cause it to continually spark while trying to reignite a burner that is already lit. To resolve the issue of the cooktop igniter continuously sparking, either decrease the downdraft vent blower speed or increase the cooktop flame setting for that burner.
Operating Downdraft Vent
To Use:
- Push and hold the button on top of downdraft vent for a few seconds. (This slight delay helps avoid unintentional raising of the vent during cleaning of the cooktop area.) Retractable section of downdraft vent will rise. Blower will begin to vent immediately if blower control knob slider is set to an On position.
- Slide the control slider on the right-hand side of the downdraft vent to adjust the blower motor speed.
When Cooking Is Complete:
- Push the button on top of the retractable downdraft vent.
The blower will turn off and the retractable section of the vent will return to the closed position.
NOTE: If a spill occurs on the cooktop that allows liquids to seep inside the downdraft vent, you must turn the downdraft vent off immediately. It is possible to cause damage to the downdraft vent if water is allowed inside the downdraft vent while it is operating. - Immediately turn off the downdraft vent at the speed control located on the right-hand side of the downdraft vent.
- Turn off the power supply to the downdraft vent at the circuit breaker box or fuse box.
- Allow plenty of time for the downdraft vent to dry naturally.
Do not open the downdraft vent to remove the water.
VENT SYSTEM CARE
Surface of Downdraft Vent
To avoid damaging the finish, clean downdraft vent with soap and water. Do not use scouring powder or abrasive solutions.
Exterior Surfaces:
To avoid damage to the exterior surface, do not use steel wool or soap-filled scouring pads.
Always wipe dry to avoid watermarks.
Cleaning Method:
- Liquid detergent soap and water or all-purpose cleanser.
- Wipe with damp soft cloth or nonabrasive sponge, and then rinse with clean water and wipe dry.
NOTE: To avoid damage, do not soak cloth or sponge.
Filters
Frequently remove and clean the filter(s) in the retractable section of the downdraft vent. This will improve the operating efficiency of the downdraft vent system.
To Replace:
- Remove each filter by pulling the spring release handle and then pulling down the filter.
- Wash metal filters as needed in dishwasher or hot detergent solution.
- Reinstall the filter by making sure the spring release handles are toward the front. Insert metal grease filter into upper track.
- Pull the spring release handle down.
- Push up on metal filter and release handle to latch into place.
- Repeat steps 1 through 5 for the other filter.
To Clean:
- Remove the filter(s) and clean them in a dishwasher or in a hot detergent solution. The downdraft vent will not operate when the filters are not in place.
- Dry the clean filter(s) and reinstall, making sure that they lock into place.
If Retractable Downdraft Vent Does Not Operate After Clean Filters Have Been Installed:
Push the filter in as far as it will go. When the filter is removed, the microswitch behind the filter is inactivated. This feature will not allow the vent system to operate until the filter is properly installed.
A. Spring-release handles
B. Left metal filter
C. Right metal filter
TROUBLESHOOTING
First try the solutions suggested here. If you need further assistance or more recommendations that may help you avoid a service call, refer to the warranty page in this manual and scan the code there with your mobile device or visit http://kitchenaid.custhelp.com
In Canada, visit http://www.kitchenaid.ca.
Contact us by mail with any questions or concerns at the address below:
| In the U.S.A.: KitchenAid Brand Home Appliances Customer eXperience Center 553 Benson Road Benton Harbor, MI 49022-2692 | In Canada: Customer eXperience Centre KitchenAid Canada 200 – 6750 Century Ave. Mississauga, Ontario L5N 0B7 |
Please include a daytime phone number in your correspondence.
| PROBLEM | POSSIBLE CAUSES AND/OR SOLUTIONS |
| Nothing will operate | Has a household fuse been blown or has a circuit breaker tripped? Replace the fuse or reset the circuit breaker. If the problem continues, call an electrician. Are the filters not seating in the plenum? Make sure the filters are fully depressing the filter switches. Has the Start button been pressed for at least 3 seconds? Push and hold the button on the top of the downdraft vent for at least 3 seconds to complete the cycle needed to start retracting. |
| Vent does not retract | Are the filters in place on downdraft vent? When the filters are removed, the microswitch behind the filter is inactivated. This feature will not allow the vent system to operate until the filter is properly installed. Are the filters installed correctly? Push the filter in as far as it will go to activate the microswitch behind the filter. Has the Start button been pressed for at least 3 seconds? Push and hold the button on the top of the downdraft vent for at least 3 seconds to complete the cycle needed to start retracting. Is the downdraft correctly secured? Make sure that the vent hood is level and upright. Check it is securely fastened to the floor and the counter top. |
| Vent partially raises | Has an obstruction been interfering with the vent movement? Ensure the cooktop is not interfering with the downdraft vent movement. Is the vent level? Level the vent. See the “Install Vent System” section. |
| Blower does not operate | Is the vent fully raised? Check that the vent is totally in the up position. Are the filters installed correctly? Push the filter in as far as it will go to activate the switch behind the filter. Has the control slider been moved from the Off position? Slide the control slider on the right-hand side of the downdraft vent to adjust the blower motor speed. Is the blower installed correctly? See the “Rear Mounting – Blower Motor” section. |
| Downdraft not level on countertop | Is the vent level? Level the vent. See the “Install Vent System” section. Is the vent raising more in one side? Make sure both of the support legs have the same height from the bottom of the vent box to the bottom of the support legs. See the “Install Vent System” section. |
| Vent making noises | Was the vent recently installed and making grinding noises? Use stainless steel cleaner to remove any residue left by the white protective film. Ensure nothing is blocking path of vent. Is there noise due to moving air? Ensure the installation of the product is fully into the cutout and no gap in the middle of it. |
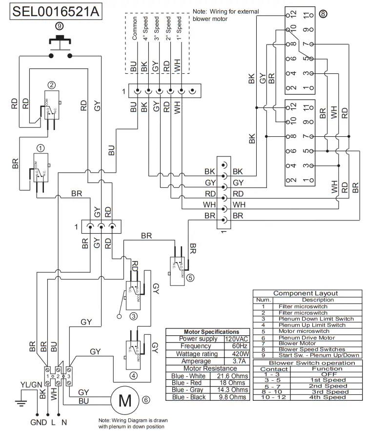
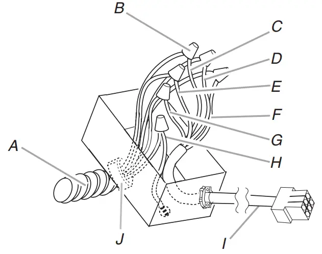
WIRING DIAGRAMS
Interior-Mounted Blower Motor


ASSISTANCE OR SERVICE
If you need service
Please refer to the warranty page in this manual.
If you need replacement parts
If you need to order replacement parts, we recommend that you use only factory specified parts. Factory specified parts will fit right and work right because they are made with the same precision used to build every new appliance.
To locate factory specified replacement parts in your area, call the following customer assistance telephone number or your nearest designated service center.
In the U.S.A.
Call Whirlpool Customer eXperience Center toll-free: 1-800-422-1230 or visit our website at www.kitchenaid.com.
Our consultants provide assistance with:
- Scheduling of service. Whirlpool designated service technicians are trained to fulfill the product warranty and provide after-warranty service anywhere in the United States.
- Features and specifications on our full line of appliances.
- Referrals to local dealers.
- Installation information.
- Use and maintenance procedures.
- Accessory and repair parts sales.
- Specialized customer assistance (Spanish speaking, hearing impaired, limited vision, etc.).
For further assistance
If you need further assistance, you can write to Whirlpool
Corporation with any questions or concerns at:
KitchenAid Brand Home Appliances
Customer eXperience Center
553 Benson Road
Benton Harbor, MI 49022-2692
Please include a daytime phone number in your correspondence.
In Canada
Call the Whirlpool Canada LP Customer eXperience Centre toll-free at 1-800-6777 or visit our website at www.whirlpool.ca.
Our consultants provide assistance with:
- Scheduling of service. Whirlpool designated service technicians are trained to fulfill the product warranty and provide after-warranty service anywhere in Canada.
- Features and specifications on our full line of appliances.
- Referrals to local dealers.
- Use and maintenance procedures.
- Accessory and repair parts sales.
For further assistance
If you need further assistance, you can write to Whirlpool
Canada LP with any questions or concerns at:
Customer eXperience Centre
KitchenAid Canada
200 – 6750 Century Ave.
Mississauga, Ontario L5N 0B7
Please include a daytime phone number in your correspondence.
Accessories
NOTE: Instructions are included with each kit.
For Model Series KXD4630
30″ (76.2 cm) One-Piece Top Trim
Order Part Number W10387672 (black)
Order Part Number W10388169 (white)
For Model Series KXD4636 and KXD4736
36″ (91.4 cm) One-Piece Top Trim
Order Part Number W10387675 (black)
Order Part Number W10388170 (white)
For Model Series KXD4736Y
Blower Motor System (1 system is required)
600 CFM In-Line Blower Motor System
Order model number UXI0600DYS
1200 CFM In-Line Blower Motor System
Order model number UXI1200DYS
KITCHENAID® MAJOR APPLIANCE LIMITED WARRANTY
ATTACH YOUR RECEIPT HERE. PROOF OF PURCHASE IS REQUIRED TO OBTAIN WARRANTY SERVICE.
Please have the following information available when you call the Customer eXperience Center:
- Name, address and telephone number
- Model number and serial number
- A clear, detailed description of the problem
- Proof of purchase including dealer or retailer name and address
IF YOU NEED SERVICE:
- Before contacting us to arrange service, please determine whether your product requires repair. Some questions can be addressed without service. Please take a few minutes to review the Troubleshooting or Problem Solver section of the Use and Care Guide, scan the QR code on the right to access additional resources, or visit http://kitchenaid.custhelp.com
- All warranty service is provided exclusively by our authorized KitchenAid Service Providers. In the U.S. and Canada, direct all requests for warranty service to:
http://kitchenaid.custhelp.com
KitchenAid Customer eXperience Center
In the U.S.A., call 1-800-422-1230. In Canada, call 1-800-807-6777.
If outside the 50 United States or Canada, contact your authorized KitchenAid dealer to determine whether another warranty applies.
ONE YEAR LIMITED WARRANTY
WHAT IS COVERED
For one year from the date of purchase, when this major appliance is installed, operated and maintained according to instructions attached to or furnished with the product, KitchenAid brand of Whirlpool Corporation or Whirlpool Canada LP (hereafter “KitchenAid”) will pay for Factory Specified Replacement Parts and repair labor to correct defects in materials or workmanship that existed when this major appliance was purchased, or at its sole discretion replace the product. In the event of product replacement, your appliance will be warranted for the remaining term of the original unit’s warranty period.
YOUR SOLE AND EXCLUSIVE REMEDY UNDER THIS LIMITED WARRANTY SHALL BE PRODUCT REPAIR AS PROVIDED HEREIN. Service must be
provided by a KitchenAid designated service company. This limited warranty is valid only in the United States or Canada and applies only when the major appliance is used in the country in which it was purchased. This limited warranty is effective from the date of original consumer purchase. Proof of original purchase date is required to obtain service under this limited warranty.
WHAT IS NOT COVERED
- Commercial, non-residential, multiple-family use, or use inconsistent with published user, operator or installation instructions.
- In-home instruction on how to use your product.
- Service to correct improper product maintenance or installation, installation not in accordance with electrical or plumbing codes or correction of household electrical or plumbing (i.e. house wiring, fuses or water inlet hoses).
- Consumable parts (i.e. light bulbs, batteries, air or water filters, preservation solutions, etc.).
- Defects or damage caused by the use of non-genuine KitchenAid parts or accessories.
- Conversion of products from natural gas or L.P. gas.
- Damage from accident, misuse, abuse, fire, floods, acts of God or use with products not approved by KitchenAid.
- Repairs to parts or systems to correct product damage or defects caused by unauthorized service, alteration or modification of the appliance.
- Cosmetic damage including scratches, dents, chips, and other damage to the appliance finishes unless such damage results from defects in materials and workmanship and is reported to KitchenAid within 30 days.
- Discoloration, rust or oxidation of surfaces resulting from caustic or corrosive environments including but not limited to high salt concentrations, high moisture or humidity or exposure to chemicals.
- Food or medicine loss due to product failure.
- Pick-up or delivery. This product is intended for in-home repair.
- Travel or transportation expenses for service in remote locations where an authorized KitchenAid servicer is not available.
- Removal or reinstallation of inaccessible appliances or built-in fixtures (i.e. trim, decorative panels, flooring, cabinetry, islands, countertops, drywall, etc.) that interfere with servicing, removal or replacement of the product.
- Service or parts for appliances with original model/serial numbers removed, altered or not easily determined.
The cost of repair or replacement under these excluded circumstances shall be borne by the customer.
DISCLAIMER OF IMPLIED WARRANTIES
IMPLIED WARRANTIES, INCLUDING ANY IMPLIED WARRANTY OF MERCHANTABILITY OR IMPLIED WARRANTY OF FITNESS FOR A PARTICULAR PURPOSE, ARE LIMITED TO ONE YEAR OR THE SHORTEST PERIOD ALLOWED BY LAW. Some states and provinces do not allow limitations on the duration of implied warranties of merchantability or fitness, so this limitation may not apply to you. This warranty gives you specific legal rights, and you also may have other rights that vary from state to state or province to province.
DISCLAIMER OF REPRESENTATIONS OUTSIDE OF WARRANTY
KitchenAid makes no representations about the quality, durability, or need for service or repair of this major appliance other than the representations contained in this warranty. If you want a longer or more comprehensive warranty than the limited warranty that comes with this major appliance, you should ask KitchenAid or your retailer about buying an extended warranty.
LIMITATION OF REMEDIES; EXCLUSION OF INCIDENTAL AND CONSEQUENTIAL DAMAGES
YOUR SOLE AND EXCLUSIVE REMEDY UNDER THIS LIMITED WARRANTY SHALL BE PRODUCT REPAIR AS PROVIDED HEREIN. KITCHENAID SHALL NOT BE LIABLE FOR INCIDENTAL OR CONSEQUENTIAL DAMAGES. Some states and provinces do not allow the exclusion or limitation of incidental or consequential damages, so these limitations and exclusions may not apply to you. This warranty gives you specific legal rights, and you also may have other rights that vary from state to state or province to province.
For questions about features, operation/performance, parts, accessories, or service in the U.S.A., call: 1-800-422-1230 or visit our website at www.kitchenaid.com.
In Canada, call: 1-800-807-6777, or visit our website at www.kitchenaid.ca.
®/™ ©2016 KitchenAid. Used under license in Canada. All rights reserved.
W10342489G

A. Cover plate
A. Screws (7)
A. Screws (6)
A. Screws

A. Deep cover
A. 3.5 x 9.5 mm screws
A. 3.5 x 9.5 mm screws
A. Rear flange of downdraft vent
A. Vent box
A. Screws


A. Green or green and yellow ground wire
B. On/Off button


A. Motor box
A. Rear flange of downdraft vent
A. Vent box
A. Screws


A. Front cover
A. UL listed or CSA approved1/2″ (1.3 cm) wiring conduit
A. UL listed or CSA approved 1/2″ (1.3 cm) wiring conduit



















