Product function
manual
Smart home HJH158 Bleb
HJH158 Bleb Smart Home Remote Control
Remote control button map

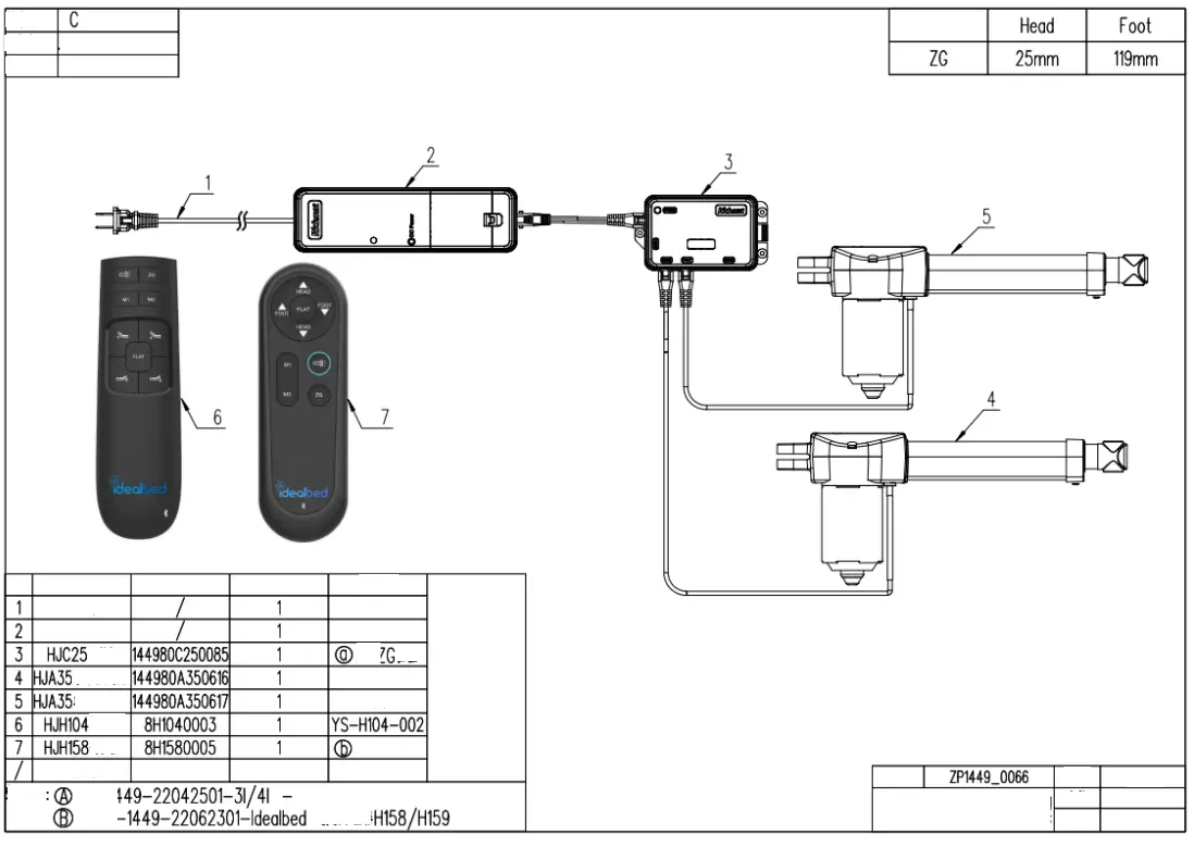
System configuration diagram

Remote control function description
| Button label | Function |
| Flashlight: Press the flashlight to turn on, release the flashlight to turn off | |
| 2 | ZG: Click to run to the zero gravity position, (FLAT+ZG) memorize the current position zero gravity position (there is an initial position, it will return to the initial position after power failure), after the memory is successful, the remote control backlight flashes, and the buzzer sounds three times Voice. |
| 3 | MLX: ClicktoruntotheMI position, (Flatly) to memorize the current position as the M1 position (no initial position, he user-defined position after power failure), after successful memory, the remote control backlight flashes, and the buzzer sounds three times. |
| 4 | M2: Click to run to the M2 position, (FLAT+M2) to memorize the current position as the M2 position (no initial position, keep the custom position after power failure), after the memory is successful, the remote control backlight flashes, and the buzzer sounds three times. |
| 5 | Back up: Back up, release to stop |
| Back drop: back drop, release stop | |
| 7 | FLAT: One key to run to the horizontal position, with power-on reset function |
| 8 | Feet rise: feet rise, release to stop |
| 9 | Foot drop: foot drop, release to stop |
| Pairing method: [Remote head lift + foot lift (5,8) + control box pairing key] The buzzer sounds, indicating that the pairing is successful (The code key of the control box has a reset function). | |
| Control box wired synchronization function: When two control boxes are connected with a synchronization line, control one of the control boxes, and the other control box is connected to the control box run synchronously. | |
Caution:
This device complies with Part 15 of the FCC Rules. Operation is subject to the following two conditions: (1) this device may not cause harmful interference, and (2) this device must accept any interference received, including interference that may cause undesired operation.
Changes or modifications not expressly approved by the party responsible for compliance could void the user’s authority to operate the equipment.
This equipment has been tested and found to comply with the limits for a Class B digital device, pursuant to part 15 of the FCC Rules. These limits are designed to provide reasonable protection against harmful interference in a residential installation. This equipment generates uses and can radiate radio frequency energy and, if not installed and used in accordance with the instructions, may cause harmful interference to radio communications. However, there is no guarantee that interference will not occur in a particular installation. If this equipment does cause harmful interference to radio or television reception, which can be determined by turning the equipment off and on, the user is encouraged to try to correct the interference by one or more of the following measures:
- Reorient or relocate the receiving antenna.
- Increase the separation between the equipment and receiver.
- Connect the equipment into an outlet on a circuit different from that to which the receiver is connected.
- Consult the dealer or an experienced radio/TV technician for help.
















