Rheem CRTGH-S-SR Tankless Water Heaters

CRTGH-S/SR Models (Non-recirculation S Models COMING SOON!)
Indoor Models
11,000-199,900 BTU/h Natural Gas/LP Convertible
Easy Installation
- PVC Vent runs up to 70′ (2″), 150′ (3″)
- Easy set up with full text digital display and no dip-switches
- Field gas convertible from natural gas to LP
- conversion kit included
Ready for Retrofits
- Allows flex venting through existing B-vent up to 50′
- 1/2″ Gas line compatibility (subject to local code)
Key Features
- Stainless steel Primary and Secondary heat exchangers provide increased efficiency and durability
- Hot-start programming™ ensures the unit is in a ready state between back-to-back usage, avoiding any cold water bursts –Rheem® Exclusive!
- Built-in Recirculation pump for instant hot water at the tap (SR models)
- Built-in EcoNet® wifi capability for direct control from your device (optional for S models)
Specifications
COMING SOON!
| Rheem Model Number | CRTGH-S84i CRTGH-SR84i | CRTGH-S10i CRTGH-SR10i | CRTGH-S11i CRTGH-SR11i | |
| Gas Input Rate | MAX | 157,000 BTU/h | 180,000 BTU/h | 199,900 BTU/h |
| MIN | 11,000 BTU/h | 11,000 BTU/h | 11,000 BTU/h | |
| Uniform Energy Factor (UEF) | 0.96 | |||
| Gallons Per Minute (GPM) | MAX (35°F) | 8.4 | 10.1 | 11.2 |
| 45°F Rise | 6.9 | 7.9 | 8.8 | |
| 67°F Rise | 4.6 | 5.3 | 5.9 | |
| Number of Bathrooms1 | ||||
| Temp. Range | 85°F – 140°F | |||
| Temp. Setting from Factory | 120°F | |||
| Installation Type | Indoor | |||
| Fuel Type | Compatible with Natural Gas and LP (ships NG with LP conversion kit included) | |||
| Heat Exchanger Material | Primary: Stainless Steel – Secondary: Stainless Steel | |||
| Minimum Activation Flow | 0.4 GPM | |||
| Minimum Continuous Flow | 0.26 GPM | |||
| Maximum Altitude | 10,200 ft. | |||
| Ultra Low NOx | Yes (SCAQMD compliant) | |||
| Warranty | 15 Year Heat Exchanger – (w/ registration) 12 Year Heat Exchanger – (w/o registration) 5-Year Parts | 1-Year Labor | |||
| Model Number | CRTGH-S CRTGH-SR | |
| Height | 28-9/16″ | |
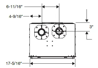
| Width | 17-5/16″ | |
| Depth | 13-11/16″ | |
| Weight | 77.6lbs | 86lbs |
| Venting Diam. Allowed | 2″ / 3″ | |
| Max. Single Vent Run (straight pipe) | 70 ft (2″)/ 150 ft (3″) | |
| Venting Materials | ULC-S636 PVC, CPVC, PP | |
| Common Venting (max. units) | 2 units3 | |
| Flex Venting | Allowed: 2″ up to 50′ | |
| Manifold Controls (max. units) | Up to 20 units without external control required4 | |
| Controls | Built-in digital display with full-text menus | |
| Power Supply | 120V 60Hz | |
| Max. Power Consumption | 85W (Normal use), 0.7Amps 132W (Anti freeze only), 1.1Amps 3.5W (Standby), 0.03Amps5 | 100W (Normal use), 0.83Amps 200W (Anti freeze), 1.67Amps 3.5W (Standby), 0.03Amps5 |
| Gas Connection | 3/4″ NPT | |
| Hot Water Connection | 3/4″ NPT | |
| Cold Water Connection | 3/4″ NPT | |
| Condensate Connection | 1/2″ NPT | |
| Vent Connections Diameter | 2″ Band Connections (Adapter required to vent with 3″ PVC from unit) | |
| Clearances | |
| Top / Bottom | 12″ |
| Front | 1/2″6 |
| Sides | 1/2″ |
| Back / From Vent Pipe | 0″ |
| Recirculation Length (SRi Models) | |
| Pipe Diameter | Max. Recirculation Loop |
| 3/4″ | 400 ft. |
| 1/2″ | 100 ft. |

1 Based on simultaneous showers using 2.5 GPM flow rate pre-mixed with cold water line. Flow rates vary depending on temperature of incoming cold water and water heater set temperature. Refer to flow rate curves for accurate sizing. 2 For indoor application, this is the temperature of outdoor intake air. 3 External check valve required for installation. 4 Manifolds with standard RJ25 communication cables. 5 If anti freeze is on and combustion is on, total W will be 217W (85+132). 6 Recommended 24″ clearance for service.
Water Heater Flow Rate Curves

| Model Number | 35° 45° | 50° | 60° | 67° | 70° | 80° | 90° 100° | |
| CRTGH-S84i/SR84i Water Flow (GPM) | 8.4 6.9 | 6.2 | 5.2 | 4.6 | 4.4 | 3.9 | 3.4 | 3.1 |
| CRTGH-S10i/SR10i Water Flow (GPM) | 10.1 7.9 | 7.1 | 5.9 | 5.3 | 5.1 | 4.4 | 3.9 | 3.5 |
| CRTGH-S11i/SR11i Water Flow (GPM) | 11.2 8.8 | 7.9 | 6.6 | 5.9 | 5.6 | 4.9 | 4.4 | 3.9 |
Venting
| SINGLE UNIT: MAX. EQUIVALENT VENT LENGTHS – STRAIGHT PIPE | ||
| Number of 90 Elbows | Max Length 2″ straight pipe | Max. length 3″ straight pipe |
| 0 | 70 ft. (21.3 m) | 150 ft. (45.7 m) |
| 1 | 64 ft. (19.5 m) | 145 ft. (44.2 m) |
| 2 | 58 ft. (17.7 m) | 140 ft. (42.7 m) |
| 3 | 52 ft. (15.8 m) | 135 ft. (41.1 m) |
| 4 | 46 ft. (14.0 m) | 130 ft. (39.6 m) |
| 5 | 40 ft. (12.2 m) | 125 ft. (38.1 m) |
| 6 | 34 ft. (10.4 m) | 120 ft. (36.6 m) |
| Equivalent Ft. of Elbows | ||
| 2″ Pipe | 3″ Pipe | |
| 90° Elbow | 6 ft (1.83 m) | 5 ft (1.52 m) |
| 45° Elbow | 3 ft. (0.9 m) | 2.5 ft. (0.75 m) |
| Min. Vent Length Straight Pipe | |
| Number of 90° Elbows | Min. Length 2″ 3″ pipe |
| 1 | 1.0 ft (0.3 m) |
| COMMON VENTING | |
| # of Water Heaters | 3″ Common Vent |
| 2 | 60 ft. |
| SINGLE UNIT: Max. Flex Venting |
| Max Length 2″ flex vent |
| 50 ft. |
Dimensions

TOP VIEW

BOTTOM VIEW

Hanging bracket, bird screens, LP gas conversion kit are included with water heater.
Parts and Accessories
For more information on Tankless parts and accessories, see the Parts and Accessories Catalog or call 866-720-2076.















