
Installation Manual
Signature Series
MMBV*E Modular Blower
Please read this manual carefully before installation and keep it for future reference.
Due to updates and constantly improving performance, the information and instructions within this manual are subject to change without notice. Please visit www.mrcool.com/documentation to ensure you have the latest version of this manual.
Version Date: 04-21-21
This manual must be left with the homeowner for future reference.
This is a safety alert symbol and should never be ignored. When you see this symbol on labels or in manuals, be alert to the potential for personal injury or death.
WARNING
Improper installation, adjustment, service, or maintenance can cause injury or property damage. Refer to this manual. For assistance or additional
agency.
WARNING
The information contained in this manual is intended safety procedures and equipped with the proper tools and test instruments. Failure to carefully read and follow all instructions in this manual can result in equipment malfunction, property damage, personal injury, and/or death.
WARNING
Disconnect all power supplies to both the indoor blower section and outdoor section before making any electrical connections or servicing the system. More than one disconnect switch may be required to de-energize the equipment. Hazardous voltage can cause severe personal injury or death.
Manufactured By:
MRCOOL®, LLC
48 Remington Way
Hickory, KY 42051
Inspection of Shipment
Upon receipt of equipment, carefully inspect it for possible shipping damage. If damage is found, it should be noted on the carrier’s freight bill. Take special care to examine the unit inside the carton if the carton is damaged. Any concealed damage discovered should be reported to the last carrier immediately, preferably in writing, and should include a request for inspection by the carrier’s agent.
If any damages are discovered and reported to the carrier DO NOT INSTALL THE UNIT, as claim may be denied. Check the unit rating plate to confirm specification are as ordered.
Save these instructions for future reference
Installation
This modular blower is designed for ease of installation featuring horizontal, upflow, and downflow (counterflow) applications. The units are shipped from the factory completely assembled. Accessories may also be ordered as field-installed items. All models are designed for indoor installations only.
Read the entire instruction manual before starting the installation. Several of the installation steps can be done prior to setting the unit in place and doing this can save time and simplify installation. Do not remove the cabinet knockouts until it has been determined which knockouts will need to be removed for the installation. Determining which knockouts to remove will depend on the application and in some cases preference.
These instructions are intended to be a general guideline and do not supersede any local or national codes. Installation must conform with the local building codes and with the latest editions of the National Electric Code or Canadian Electric Code. Improper installations not following these instructions can result in unsatisfactory operation and/or dangerous conditions and may void the unit warranty.
General Information
The modular blower furnace may be used with optional matching furnace coil cabinets in upflow, counterflow, or horizontal applications (see Figure 3 for acceptable system configurations). Tie-plates and the necessary hardware are packaged with the blower sections to connect the furnace and coil section cabinets together.
To avoid drain pan overflow of coil cabinets, the web must be removed from inside any threaded drain pan hole to which a drain line is to be connected. Use care when removing the web so as to not damage the coil.
To avoid property damage caused by condensate drain blockage, install a field fabricated auxiliary drain pan with a separate drain line to the outside under any indoor electric furnace where condensate overflow could occur. If local building codes apply, install per those codes.
Select the best position which suits the installation site conditions. Take into consideration required clearances, space, routing requirements for refrigerant line, condensate disposal, filters, ductwork, wiring, and accessibility for service. Refer to the unit specifications sheet and the unit rating plate for specific information. These electric furnaces are completely factory assembled and all components are performance tested. Each unit consists of a blower assembly, optional refrigerant coil, and controls, in an insulated galvanized factory finished enclosure, and may also include electric heat as specified. Knockouts are provided for electrical power wiring entrance.
When used on cooling applications, excessive sweating may occur when unit is installed in a very humid space. If installed in an unconditioned space, sealant should be applied around the power wires, control wires, refrigerant tubing, and condensate lines where they enter the cabinet. Power wires should be sealed on the inside where they exit the conduit opening. Sealant is required to prevent air leakage into and condensate from forming inside the unit, control box, and on electrical controls.
The unit must be installed in such a way as to allow free access to the coil compartment and blower/control compartment. The unit must be installed in a level position to ensure proper condensate drainage. Make sure unit is level in both directions within 1/8”. Units with circuit breakers installed in the vertical position must have breaker switch position “ON” in the up position and switch position “OFF” in the down position. This is necessary to meet agency certification and National Electric Codes requirements.
Conversion to Vertical Downflow
The modular blower may be converted for vertical downflow applications. The circuit breaker(s) must be rotated 180°. To comply with certification and the National Electric Code, units with circuit breakers installed in the vertical position must have circuit breakers installed so that the breaker switch “ON” position and marking is up, and “OFF” position and marking is down. All electric furnaces installed with a mating coil section must follow the instructions listed below for proper condensate drainage. It is recommended that the auxiliary drain be connected to a drain line for all units. If the auxiliary drain is not connected, it must be plugged with provided cap. For counterflow units, the auxiliary drain must be connected and routed to a drain.
Horizontal Installations
Horizontal installations can be left or right hand. Adequate support must be provided to insure cabinet integrity. Ensure that there is adequate room to remove service and access panels if installing in the horizontal position. Refer to the airflow configurations in Figure 3 for correct horizontal coil installations.
Maintain all required clearances to combustible surfaces as stated on the unit rating plate. Supply and return ductwork must be adequately sized to meet the system’s air requirements and static pressure capabilities. Ductwork should be insulated with a minimum of 1” thick insulation with a vapor barrier in conditioned areas or 2” minimum in unconditioned areas. Connect supply air duct to the flange on top of the unit. If an isolation connector is used, it must be non-flammable.
Sheet metal ductwork run in unconditioned spaces must be insulated and covered with a vapor barrier. Fibrous ductwork may be used if constructed and installed in accordance with SMACNA Construction Standard on Fibrous Glass Ducts. Check local codes for requirements on ductwork and insulation.
Duct system must be designed within the range of external static pressure the unit is designed to operate against. It is important that the system airflow be adequate. Make sure supply and return ductwork, girls, special filters, accessories, etc. are accounted for in total resistance.
Supply plenum is attached to the duct flanges supplied on the unit around the blower outlet.
Supply plenum should be the same size as the flanged opening provided around the blower outlet and should be installed as recommended in ASHRAE or ACCA Manual D.
The plenum forms an extension of the blower housing and minimizes air expansion losses from the blower.
If an elbow is included in the plenum close to the unit, it must not be smaller than the dimensions of the supply duct
Non-Ducted Return Closet Installation
The cabinet can be installed in a closet with a false bottom to form a return air plenum or be installed with a return air plenum under the unit. Louvers or return air grilles are field supplied. Local codes may limit application of systems without a ducted return to single story buildings.
- Install louvers in a closet. Use the free area of louver or grille to determine the size opening required to provide the free area for metal louvers or grilles.
- If the free area is not known, assume a 25% free area for wood or a 75% free area for metal louvers or grilles.
- If the return air plenum is used, the return air grille should be immediately in front of the opening in the plenum to allow for the free flow of return air.
When not installed in front of the opening, there must be adequate clearance around the unit to allow for the free flow of return air.
| Nominal Tons Air Conditioning & Nominal Air Flow | Square Inch Surface Area & Nominal Size | Minimum Return Air Free Area | |
| Disposable Filters | Washable Filters | ||
| Up through 2 ton 800 – 900 CFM | 432 sq. in. 20 in x 25 in | 260 sq. in. 15 in x 20 in | 260 sq. in. |
| 2-1/2 ton 900 – 1000 CFM | 480 sq. in. 20 in x 30 in | 288 sq. in. | 14 in x 25 in 288 sq. in. |
| 3 tons 1300 – 1500 CFM | 576 sq. in. 14 in x 25 in (2) | 346 sq. in. 16 in x 25 in | 346 sq. in. |
| 3-1/2 tons 1300 – 1500 CFM | 672 sq. in. 16 in x 25 in (2) | 404 sq. in. 20 in x 25 in | 404 sq. in. |
| 4 tons 1500 – 1700 CFM | 768 sq. in. 20 in x 25 in (2) | 461 sq. in. 20 in x 25 in | 461 sq. in. |
| 5 tons 1900 – 2100 CFM | 960 sq. in. 20 in x 30 in (2) | 576 sq. in. 24 in x 25 in | 576 sq. in. |
Table 1. Recommended Remote Filter Sizes
Condensate Drain Connection
Do not operate unit without a drain trap. The condensate drain is on the negative pressure side of the blower; therefore, air being pulled through the condensate line will prevent positive drainage without a proper trap.
To avoid drain pan overflow, the web must be removed from inside any threaded drain pan hole to which a drain line is to be connected. Use care when removing the web so as to not damage the coil.
On horizontal units, the primary drain connection is flush with the bottom of the inside of pan. Auxiliary connection is raised above the bottom of the inside of the pan. Plastic web covering 3/4″ auxiliary connection must be broken out if used. Do not get primary and auxiliary connections interchanged.
When making drain fitting connections to the drain pan, hand tighten only. Overtightening the fittings can split connections on the drain pan.
The unit is provided with 3/4″ FPT condensate drain connections.
- Connect the drain lines to the appropriate drain pan fittings
- Secondary drain connections should be connected to a separate drainage system.
- Install a trap in the drain line below the bottom of the drain pan and pitch the drain lines down from the coil at least 1/4″ per foot of run. Horizontal runs over 15′ long must also have an anti-siphon air vent (stand pipe), installed ahead of the horizontal run. An extremely long horizontal run may require an oversized drain line to eliminate air trapping.
- Route to the outside or to an appropriate drain. Check local codes before connecting drain line to an existing drainage system.
- Insulate drain lines where sweating could cause water damage.
- The removal of cabinet knockouts required for drain connections can be made much easier with the indoor coil assembly removed from the cabinet.
- Install drain lines so they do not block service access to front of unit. A 24″ clearance is required for filter, coil, or blower removal and service access.
- Make sure unit is level or pitched slightly toward primary drain connection so that drain pan will empty completely without water standing in pan.
- Install a 2″ trap in the primary drain line as close to the unit as practical. Make sure that the top of the trap is below connection to the drain pan to allow complete drainage of pan.
- Auxiliary drain (if used) should be run to a place where it would be noticeable if it becomes operational. Occupant should be warned that a problem exists if water should begin running from the auxiliary drain line.
- Test condensate drain pan and drain line after installation is complete. Pour several quarts of water into drain pan, enough to fill drain trap and line. Check to make sure drain pan is draining completely, no leaks are found in drain line fittings, and water is draining from the termination of the primary drain line.
Figure 1. Typical Condensate Drain Connection
CAUTION
A field fabricated auxiliary drain pan, with a drain pipe to the outside of the building, is required in all installations over a finished living space or in any area that may be damaged by overflow from the main drain pan. In some locations, local codes may require an auxiliary drain pan for any horizontal installation.
Electrical Wiring
WARNING
Turn off electric power at the fuse box or service panel before making any electrical connections and ensure a proper ground connection is made before connecting line voltage. Failure to do so can result in property damage, personal injury, or death.
All field wiring must be done in accordance with National Electrical Code recommendations, local codes, and applicable requirements of UL; or in accordance with the Canadian Electrical Code, local codes, and CSA Standards. Power wiring, disconnecting means, and overcurrent protection are to be supplied by the installer. See he unit rating plate for unit maximum over-current protection, minimum circuit ampacity, and operating voltage. The power supply must be sized and protected according to the specifications supplied. Use of multiple supply circuits require grounding of each circuit to lug(s) provided in unit.
NOTE
Use copper conductors only.
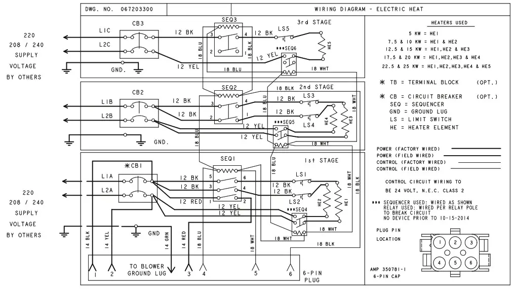
The unit must be grounded with separate ground connector(s). See the electrical connection diagrams beginning on Page 12 for typical field wiring connection. High voltage pigtail wiring connections are included in the unit. For systems requiring additional electric heat, this plug-in harness will be discarded and the high voltage connection will be made on field wire points on the heater kit. Low voltage control wiring are pigtail leads located outside the cabinet and are color coded to match the connection called out on the wiring schematic.
These units are designed for operation with a 208-240 volt single phase, 60 cycle, AC power supply. The units are internally factory wired for 240 volt installation. If 208 volt installation is desired, it will be necessary to change the black transformer lead in the blower cabinet control box to the 208V terminal on the transformer.
IMPORTANT
The variable speed motor in the modular blower contains DC filter capacitors that will cause a surge or influx of current when power is applied. Power is to remain applied to the motor except during servicing. Remove AC power before plugging or unplugging the input power to the motor. Do not install blower relays that interrupt line voltage to the motor.
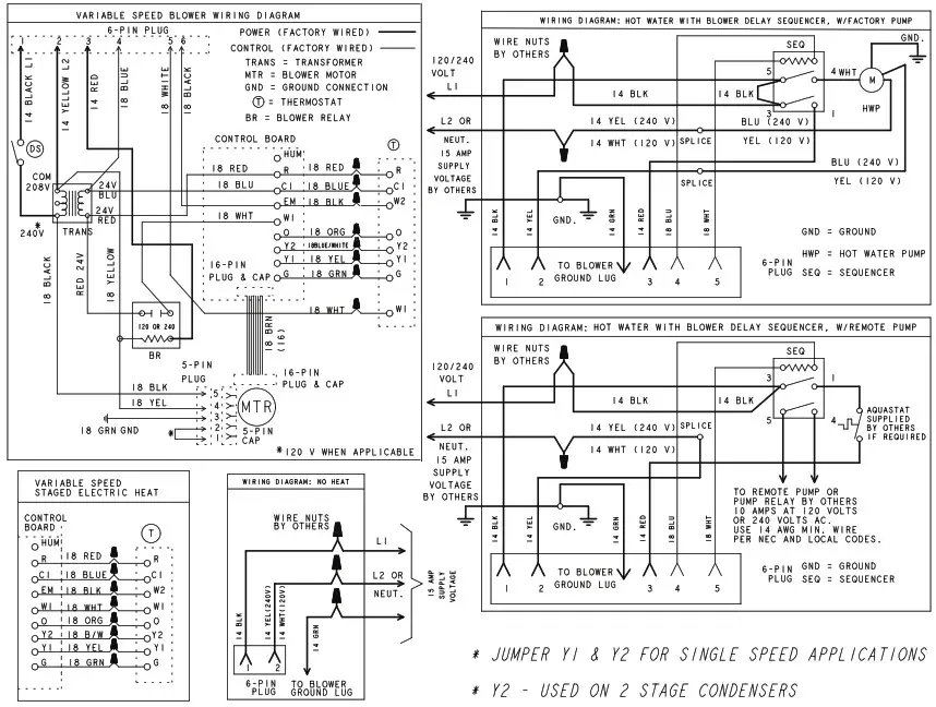
Variable Speed Features
The modular blower is equipped with a variable speed motor and will deliver a constant airflow within a wide range of external static pressures. The variable speed blower offers the following comfort features:
Soft Start
When called into operation, the variable speed motor will slowly ramp up to normal operating speed. This eliminates the noise and discomfort that results caused by the initial blast of air encountered with standard electric furnaces. It can take up to 7.5 minutes to reach normal operating speed.
Continuous Blower Operation
The comfort level of the living space can be enhanced when using this feature by allowing continuous circulation of air in between calls for cooling or heating. The circulation of air occurs at 50% of the normal airflow rate (350 CFM minimum).
Reduced Airflow Operation
For situations where humidity control is a problem, the variable speed motor can be enabled to operate at a 10% reduction in the normal airflow rate. This can be achieved by connecting to a standard humidity control that is normally closed and opens on humidity rise.
Setup
For proper system operation, the airflow through the indoor coil should be between 350 450 CFM per ton of cooling capacity. Each electric furnace is shipped configured to provide the correct airflow for the maximum tonnage outdoor unit. If the electric furnace is to be used with smaller tonnage outdoor equipment, the variable speed motor must be configured for that application by field changing the motor control board (refer to Table 2. Variable Speed Motor Application).
IMPORTANT
The cooling blower speed must be set to provide a minimum of 350 CFM airflow per ton (12.000 Btuh) of outdoor cooling capacity.
Variable Speed Motor
Locate the motor control board in the blower control box. Set the HEAT and COOL CFM taps by moving the board jumpers to the A, B, C, or D positions (see Figure 2) based on the information found in Table 2. Variable Speed Motor Application. The ADJUST tap on the control board can be used to raise or lower the table CFMs. The (+) tap will raise the table CFM by 10%, and the () tap will lower the table CFM by 12%.
IMPORTANT: When changing the control taps, the high voltage must be off in order for the new settings to take effect.
Figure 2. Motor Board Taps and Dehumidify Resistor
This model is designed for use with heat pumps as well as air conditioning systems. The motor control board needs to sense a signal on the “O” thermostat wire in order to use cooling delay timing. For a straight air conditioning system, connect the “O” wire to the 24 volt “R” wire.
The motor control board that provides airflow selection also features LED indicators that display operating mode, humidity control, and airflow CFM, In addition, thermostat signals for emergency heat (EM), aux. heat (W1), reversing valve (O), compressor stage 1 (Y1), compressor stage 2 (Y2), and blower (G) are all indicated by lit LED’s on this board. If a humidistat is used, the dehumidify LED will light when the humidistat opens and the motor runs at reduced airflow. The control board also has a CFM LED that displays the operation CFM. This red LED flashes once for each 100 CFM. For example: if the operating CFM is 1200, the CFM LED will flash 12 times, then pause before repeatin the 12-flash pattern.
Special note for units equipped with a humidistat: If using a humidistat, the dehumidify resistor located on the bottom right of the control board must be removed (see Figure 2).
The HUM terminal on the board must be connected to the Normally Closed contact of the humidistat so that the board senses an open circuit on high humidity.
Application Table
The versatility of the variable speed motor enables the performance of the modular blower to be tailored to the different modes of operation encountered in heating and cooling. All modular blowers are capable of operation at more than one nominal airflow rate. The operation of a modular bolwer at different airflow rates is determined by the control board taps and the thermostat (see Table 2. Variable Speed Motor Application). Before beginning the setup, become familiar with the information found in this table.
The data in the application table is categorized by unit size and mode of operation. Use the information provided to determine the CFM taps needed for cooling and heating.
| Control Board Taps | |||||||||||||||
| Model | Mode | Thermostat | Cool | Heat | |||||||||||
| HUM | EM | W1 | O | Y2 / Y1 | G | A | B | C | D | A | B | C | D | ||
| CFM | CFM | ||||||||||||||
| MMBV08BE | Cont. Blower | X | 500 | 400 | 350 | 350 | |||||||||
| Cooling | ** | X | X | 1000 | 800 | 700 | 600 | ||||||||
| Heating | X | 1000 | 800 | 700 | 600 | ||||||||||
| Aux. Heat | X | X | *** | *** | *** | *** | 1000 | 800 | 700 | 600 | |||||
| Emer. Heat | X | X | *** | *** | *** | *** | 1000 | 800 | 700 | 600 | |||||
| MMBV12BE | Cont. Blower | X | 600 | 500 | 400 | 350 | |||||||||
| Cooling | ** | X | X | 1200 | 1000 | 800 | 600 | ||||||||
| Heating | X | 1200 | 1000 | 800 | 600 | ||||||||||
| Aux. Heat | X | X | *** | *** | *** | *** | 1200 | 1100* | 1100* | 1100* | |||||
| Emer. Heat | X | X | *** | *** | *** | *** | 1200 | 1100* | 1100* | 1100* | |||||
| MMBV16CE | Cont. Blower | X | 800 | 700 | 600 | 500 | |||||||||
| Cooling | ** | X | X | 1600 | 1400 | 1200 | 1000 | ||||||||
| Heating | X | 1600 | 1400 | 1200 | 1000 | ||||||||||
| Aux. Heat | X | X | *** | *** | *** | *** | 1600 | 1400 | 1200* | 1100* | |||||
| Emer. Heat | X | X | *** | *** | *** | *** | 1600 | 1400 | 1200* | 1100* | |||||
| MMBV2ODE | Cont. Blower | X | 900 | 800 | 700 | 600 | |||||||||
| Cooling | ** | X | 1800 | 1600 | 1400 | 1200 | |||||||||
| Heating | X | 1800 | 1600 | 1400 | 1200 | ||||||||||
| Aux. Heat | X | X | *** | *** | *** | *** | 1800 | 1600 | 1400 | 1200* | |||||
| Emer. Heat | X | X | *** | *** | *** | *** | 1800 | 1600 | 1400 | 1200* | |||||
- Table 2. Variable Speed Motor Application
- This CFM is not approved for use with highest KW heater size.
- Humidistat will reduce cooling airflow by 10% in high humidity.
- Air flow is greater of COOL and HEAT when both electric heat and heat pump are operating.
ADJUST tap (+) will increase airflow by 10%, while tap (-) will decrease airflow by 12%.
ADJUST tap TEST will cause the motor to run at 70% of full airflow. Use this for troubleshooting only.
At the start of a call for cooling there is a short run at 82% of airflow for 7.5 minutes.
At the end of a call for cooling there is a blower delay of 1 minute.
Sequence of Operation
Cooling (cooling only or heat pump)
Single Stage Cooling
For single stage cooling, Y1 and Y2 need to be jumpered.
When the thermostat calls for cooling, the circuit between R and G is completed, and the blower relay is energized. The Normally Open contacts close, causing the indoor blower motor to operate. The circuit between R and Y is also completed; this circuit closes the contactor in the outdoor unit starting the compressor and outdoor fan motor. Circuit R and O energize the reversing valve switching it to the cooling position. (The reversing valve remains energized as long as selector switch is in the COOL position.)
Two Stage Cooling
On a call for 1st stage cooling, the thermostat closes R to Y. In 1st stage cooling, the blower runs at 70% of the selected cooling airflow. On a call for 2nd stage cooling, the thermostat closes R to Y2. In 2nd stage cooling, the
Heating (electric heat only)
When the thermostat calls for heat, the circuit between R and W is completed, and the heater sequencer is energized. A time delay follows before the heating elements and the indoor blower motor come on. Units with a second heat sequencer can be connected with the first sequencer to W on the thermostat sub-base or connected to a second stage on the sub-base.
Heating (heat pump)
When the thermostat calls for heat, the circuits between R and Y and R and G are completed. Circuit R-Y energizes the contactor starting the outdoor fan motor and the compressor. Circuit R and G energizes the blower relay starting the indoor blower motor.
If the room temperature should continue to fall, the circuit between R and W1 is completed by the second stage heat room thermostat. Circuit R-W1 energizes a heat sequencer. The completed circuit will energize supplemental electric heat. Units with a second heater sequencer can be connected with the first sequencer to W1 on the thermostat or connected to a second heating stage W2 on the thermostat sub-base.
Emergency Heat (heating heat pump)
If selector switch on thermostat is set to the emergency heat position, the heat pump will be locked out of the heating circuit, and all heating will be electric heat. A jumper should be placed between W2 and E on the thermostat sub-base so that the electric heat control will transfer to the first stage heat on the thermostat. This will allow the indoor blower to cycle on and off with the electric heat when the fan switch is in the AUTO position.
System Check
Pre-start Check
- Is unit properly located, level, secure, and serviceable?
- Has an auxiliary pan been provided under the unit with separate drain for units installed above a finished ceiling?
- Have all webs been carefully removed from the drain connections that are being used?
- Has the condensate line been properly sized, run, trapped, pitched, and tested?
- Is the ductwork correctly sized, run, taped, and insulated?
- Have all cabinet openings and wiring been sealed?
- Is the indoor coil meterin orifice size correct
- Is the filter clean, in place, and of adequate size?
- Has the indoor/outdoor unit application been reviewed for proper motor dip switch settings?
- Is the wiring tight, correct, and to the wiring diagram?
- Is the unit properly grounded and protected (fused)?
- Is the thermostat correctly wired, level, and in a good location?
- Is the unit circuit breaker(s) rotated properly ON up/OFF down?
- Are all access panels in place and secure?
Refer to outdoor unit installation instructions for system start-up instructions and refrigerant charging instructions.
Airflow
For proper system operation, the airflow through the indoor coil should be between 350 — 450 CFM per ton of cooling capacity. Each electric furnace is shipped configured to provide the correct airflow for the maximum tonnage outdoor unit. If the electric furnace is to be used with smaller tonnage outdoor equipment, the variable speed motor must be configured for that application by field changing the motor control board (refer to Table 2. Variable Speed Motor Application).
Electric Heater
To check the electric heater operation:
- Set thermostat to call for auxiliary heat (approximately 5° F above ambient temperature). The indoor blower and auxiliary heat should come on together. Allow a minimum of 3 minutes for all sequencers to cycle on.
- Set the thermostat so it does not call for heat. Allow up to 5 minutes for all sequencers to cycle off.
Replacement Parts
Use only original equipment service parts when repairing these products. These parts include but are not limited to: circuit breakers, heater controls, heater limit controls, heater elements, motor, blower relay, control transformer, blower wheel, indoor coil, and sheet metal parts.
When ordering replacement parts, it is necessary to order by part number and include with the order the complete model number and serial number (see unit data plate). Refer to the parts list for unit component part numbers.
Maintenance
Air Filters
IMPORTANT
Do not operate system without a filter. A filter is required to protect the coil, blower, and internal parts from excessive dirt and dust.
See unit position figures for location of filter in unit cabinet and service panel giving access to unit filter.
Inspect air filters at least once a month and replace or clean as required. Dirty filters are the most common cause of inadequate heating or cooling performance. Replace disposable filters. Washable filters can be cleaned by soaking in mild detergent and rinsing with cold water.
Install new/clean filters with the arrows on the side pointing in the direction of airflow.
Never replace a washable (high velocity) filter with a disposable (low velocity) filter unless return air system is properly sized for it.
Owner Record
Furnace Model # _______________________ Serial # _______________________ Installation Date: _______________________
Installed By:
Dealer: ____________________________________________________________________________________________
Address: ___________________________________________________________________________________________
Telephone # _____________________________________ License # __________________________________________
Contact Person: _____________________________________________________________________________________
Other Equipment Installed:
Equipment Type: ____________________________________________________________________________________
Model # _______________________ Serial # __________________________ Installation Date: ____________________
Equipment Type: ____________________________________________________________________________________
Model # _______________________ Serial # __________________________ Installation Date: ____________________
Equipment Type: ____________________________________________________________________________________
Model # _______________________ Serial # __________________________ Installation Date: ____________________
Airflow Configurations

Figure 3. Airflow Configuurations


Figure 4. Wiring Diagram for Variable Speed Blower

Air Conditioning with or without Electric Heat

Hear Only

* Connect common wired to thermostat only if required. See thermostat instructions.
Figure 5. Field Connections mrcool.com
Please read this manual carefully before installation and keep it for future reference.
Signature Series
The design and specifications of this product and/or namual are subject to change without prior notice.
Consult with the sales agency or manufacturer for details.

















