RPWL4045A2000 Wireless
Doorbell Adapter
Instruction Manual
Preparation
In the box you will find

To install you will need
Phillips Screwdriver
Standard Screwdriver
Drill and 1/4 in. (6 mm) drill bit
Safety
Turn Power OFF. To protect yourself and your equipment, turn off the power at the breaker box that controls your doorbell.
Before proceeding with the installation, please note the following safety warnings:
- Always follow the manufacturer’s advice when using power tools and wear suitable protective equipment (e.g. safety goggles) when drilling holes, etc.
- Before drilling holes in walls, check for hidden electricity cables and water pipes. The use of a cable/pipe locator is advisable if in doubt.
For help please visit honeywellhome.com or call 1-800-468-1502.
Choose a Location
Choose a location that is not near a heat source or on somthing that moves (like a door).

Install Adapter
- Pull the adapter apart from the wall plate.
- Open the battery cover in the wireless adapter and install the CR2032 battery.

- Remove the existing doorbell chime from the wall.
- Screw the wall plate to the wall using the included screws and anchors (if not using the existing anchors).
Drill 1/4 inch holes for the anchors.
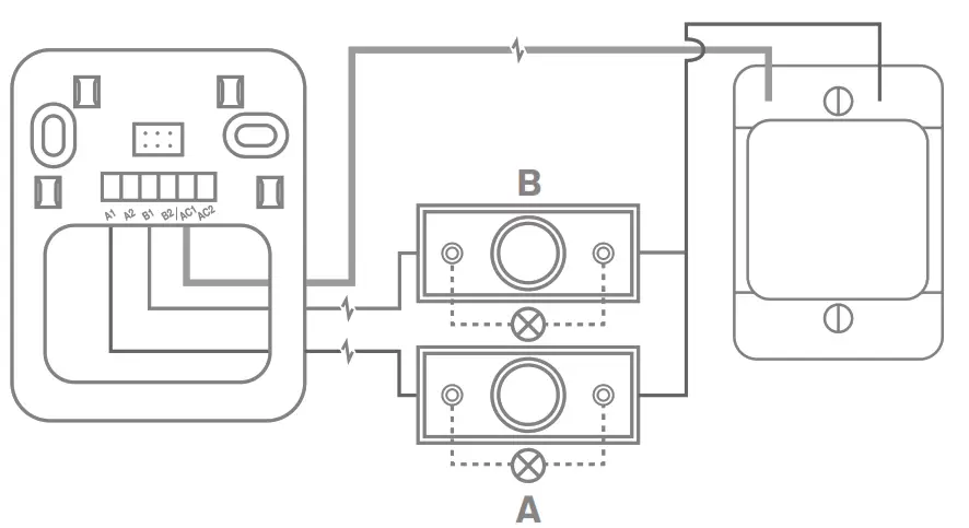
Wiring
- Make sure at least 1/3-inch of each wire is exposed for easy insertion into the wire terminals.
- Insert the wires into the appropriate terminals. Refer to the wiring diagrams below.
- Connect the wires to the adapter terminals.
You can connect one or two doorbell pushes and transformers.
A1/A2 Connect to one push button B1/B2 Connect to a second push button (if used) AC1 Connect to one line voltage transformer (if used) AC2 Not used - When the wiring is complete, turn the power back on.
Wiring 1 (A only) or 2 (A and B) Pushes

Wiring 1 (A o/nly) or 2 (A and B) Pushes with 1 Transformer

Pairing the Adapter and the Doorbell

- Press and hold the Setting button on the doorbell for three seconds.
- Press the button on the back of the adapter.
- Within 12 seconds of pressing the button on the adapter, press the Music button to select the ring for the doorbell.
- Within 12 seconds of pressing the button on the adapter, press the Sunlight button to select a halo light color (if available ) for that doorbell.
- When the wiring is complete, snap the wireless adapter onto the wall plate.
Maintenance
Your adapter requires no maintenance except to periodically change the battery. If using the correct battery, its life should be approximately:
- Up to 2 years; replace with CR2032 lithium battery
Low Battery Notification
When the adapter battery is low an LED on the front of the adapter gives 3 short flashes until batteries are replaced.
Specifications
| Doorbell Adapter | |
| Operating Temperature | 32°F to 122°F (0ºC to 50ºC) |
| RF Frequency US/Canada | 916.8 MHz |
| Range (open field) | Up to 350 ft. (106 m) |
| Sound Level (typical) | – |
| RF Power | <1mW |
| Battery Type | CR2032 (3V) |
| Battery Life (5 activations/day) | Up to 2 years |
FCC Regulations
This device complies with part 15 of the FCC Rules. Operation is subject to the following two conditions:
- This device may not cause harmful interference, and
- this device must accept any interference received, including interference that may cause undesired operation.
The grantee is not responsible for any changes or modifications not expressly approved by the party responsible for compliance. Such modifications could void the user’s authority to operate the equipment.
This equipment has been tested and found to comply with the limits for a Class B digital device, pursuant to part 15 of the FCC Rules. These limits are designed to provide reasonable protection against harmful interference in a residential installation. This equipment generates, uses and can radiate radio frequency energy and, if not installed and used in accordance with the instructions, may cause harmful interference to radio communications. However, there is no guarantee that interference will not occur in a particular installation. If this equipment does cause harmful interference to radio or television reception, which can be determined by turning the equipment off and on, the user is encouraged to try to correct the interference by one or more of the following measures:
- Reorient or relocate the receiving antenna.
- Increase the separation between the equipment and receiver.
- Connect the equipment into an outlet on a circuit different from that to which the receiver is connected.
- Consult the dealer or an experienced radio/TV technician for help.
This transmitter must not be co-located or operating in conjunction with any other antenna or transmitter. This equipment should be installed and operated with a minimum distance of 20 millimeters between the radiator and your body.
FCC ID: HS9-RPWL4045A-2
IC Regulations
CAN ICES-3(B)/ NMB-3(B)
This device contains licence-exempt transmitter(s)/receiver(s) that comply with Innovation, Science and Economic Development Canada’s licence-exempt RSS(s). Operation is subject to the following two conditions: 1. This device may not cause interference. 2. This device must accept any interference, including interference that may cause undesired operation of the device.
The device meets the exemption from the routine evaluation limits in section 2.5 of RSS 102 and compliance with RSS-102 RF exposure, users can obtain Canadian information on RF exposure and compliance.
This transmitter must not be co-located or operating in conjunction with any other antenna or transmitter. This equipment should be installed and operated with a minimum distance of 20 millimeters between the radiator and your body.
IC: 573R-RPWL4045A2
Warranty
1-year limited warranty
Resideo warrants this product, excluding battery, to be free from defects in workmanship or materials, under normal use and service, for a period of one (1) year from the date of first purchase by the original purchaser. If at any time during the warranty period the product is determined to be defective due to workmanship or materials, Resideo shall repair or replace it (at Resideo’s option).
If the product is defective,
(i) return it, with a bill of sale or other dated proof of purchase, to the place from which you purchased it; or (ii) call Resideo Customer Care at 1-800-468-1502. Customer Care will make the determination whether the product should be returned to the following address: Resideo Return Goods, 1985 Douglas Dr. N., Golden Valley, MN 55422, or whether a replacement product can be sent to you.
This warranty does not cover removal or reinstallation costs. This warranty shall not apply if it is shown by Resideo that the defect was caused by damage which occurred while the product was in the possession of a consumer.
Resideo’s sole responsibility shall be to repair or replace the product within the terms stated above. RESIDEO SHALL NOT BE LIABLE FOR ANY LOSS OR DAMAGE OF ANY KIND, INCLUDING ANY INCIDENTAL OR CONSEQUENTIAL DAMAGES RESULTING, DIRECTLY OR INDIRECTLY, FROM ANY BREACH OF ANY WARRANTY, EXPRESS OR IMPLIED, OR ANY OTHER FAILURE OF THIS PRODUCT.
Some states do not allow the exclusion or limitation of incidental or consequential damages, so this limitation may not apply to you.
THIS WARRANTY IS THE ONLY EXPRESS WARRANTY RESIDEO MAKES ON THIS PRODUCT. THE DURATION OF ANY IMPLIED WARRANTIES, INCLUDING THE WARRANTIES OF MERCHANTABILITY AND FITNESS FOR A PARTICULAR PURPOSE, IS HEREBY LIMITED TO THE ONE YEAR DURATION OF THIS WARRANTY. Some states do not allow limitations on how long an implied warranty lasts, so the above limitation may not apply to you.
This warranty gives you specific legal rights, and you may have other rights which vary from state to state. If you have any questions concerning this warranty, please write Resideo Customer Care, 1985 Douglas Dr, Golden Valley, MN 55422 or call 1-800-468-1502.
www.resideo.com
Resideo Inc., 1985 Douglas Drive North Golden Valley, MN 55422
33-00195EFS—08 M.S. Rev. 04-22 | Printed in China
© 2022 Resideo Technologies, Inc. All rights reserved. The Honeywell Home trademark is used under license from Honeywell International, Inc. This product is manufactured by Resideo Technologies, Inc. and its affiliates.




















