
DW311XX
DW313XX
Contents

Getting started





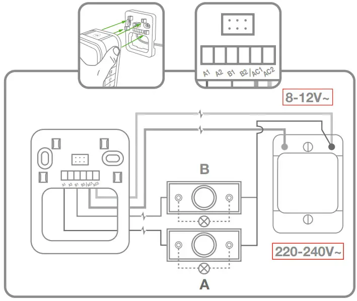
Always ensure the main supply is disconnected before installation, follow Transformer Instructions.

Optional features

Download full guide
Troubleshooting

32310682-001 Rev_D
© 2020 Resideo Technologies, Inc. All rights reserved.
The Honeywell Home trademark is used under the license from Honeywell International Inc.
This product is manufactured by Resideo Technologies, Inc. and its affiliates.

















