Honeywell Home DW915XX Wired and Wireless Doorbell

DW915XX
Contents

Getting started



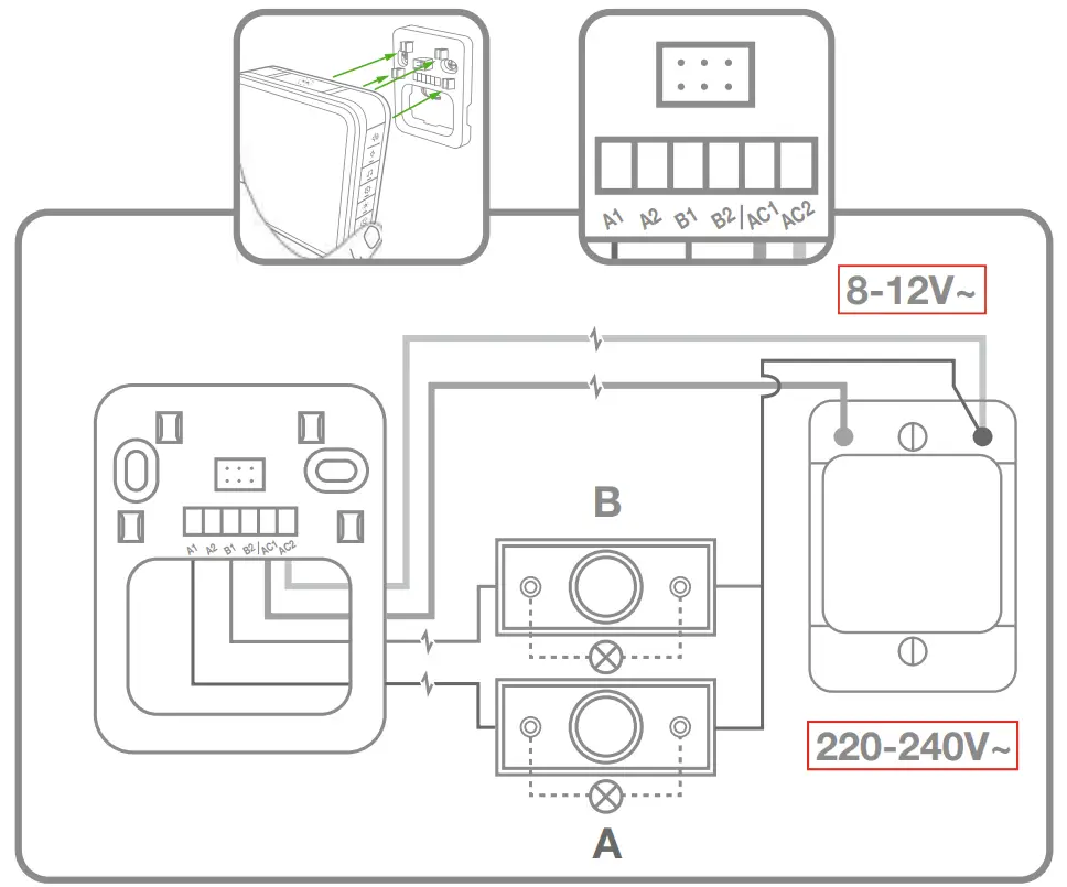
Always ensure the main supply is disconnected before installation, follow Transformer Instructions.

Optional features

Download full guide
Trouble shooting
© 2020 Resideo Technologies, Inc. All rights reserved.
The Honeywell Home trademark is used under the license from Honeywell International Inc.
This product is manufactured by Resideo Technologies, Inc. and its affiliates.



















