Instructions for installation and operation
Compressed air refrigeration dryer
K MB CJQ8 BK/34LD
Refrigerated Compressed Air Dryer
MODELS: DM156NF
Preface
We’d like to give our thanks hereof for your choosing our Refrigerated Compressed Air Dryer as well as your trust and support.
We sincerely hope it will make a great contribution to your production.
Please read this instruction manual before operation.
In this way to ensure that you are able to control the machine, which will run steadily and safety.
This manual is to introduce installation, operating,
running, maintenance, wiring chart and troubleshooting etc. Please pay attention to the technical data and comprehend the parts’ function of the flow as well as their operation condition to the whole system before operating.
This purpose is to let the user master the general knowledge during the dryer’s running and maintenance to ensure its running smoothly.
Please feel free to contact us if there’s any question.
Safety warning signs
Supply voltage
Danger!
Supply voltage!
Contact with non-insulated parts carrying supply voltage involves the risk of an electric shock resulting in injuries and death.
Only qualified and skilled personnel are authorized to run electrically-operated devices.
Prior to undertaking maintenance measures at the device, the following requirements must be met:
Make sure that the power supply is switched off and that the device is off and marked for maintenance measures. Please also ensure that the power supply cannot be re-established during the works.
Hot surfaces
Caution!
Hot surfaces!
During operation, several components can reach surface temperatures of more than 140°F. There is the risk of burns.
All components concerned are installed inside of the closed housing.
The housing must only be opened by certified skilled personnel 3 .
Beware of mechanical injury
Caution!
Avoid mechanical injury accidents!
Extrusion, collision, impact, shearing, entanglement, twisting, throwing, cutting, cutting, puncturing, etc. Caused by mechanical equipment movement (stationary), parts, tools, and processed parts directly contacting the human body.
Warning
- It’s prohibit to invert, shake, quiver and heavy break during transportation, sling and installation.
- Please operate the dryer strictly according to the ambient temperature and working conditions stipulated in this manual.
- Please maintain it timely. It will short the dryer’s life due to the exceeding of working conditions for a long time.
- Check and make maintenance timely will extend it’s using life, please appoint professional people to manage it.
Notice of installation
- Install on the balanced, fastness floor. It’s prohibited to place on the floor with heavy shock, slant, bumpiness and badness of drainage.

- Install in the breezy place, and the ambient temperature can’t extend 45 C.
- It’s also prohibited to place in the open air, humid, dust and erode gas existence.
- The radiators can’t be opposite when there’re many dryers placed together.
Please use the linker to connect AIR INLET and AIR OUTLET.- Please make sure you’ve configured by-pass pipeline in order to maintain.
- The weight of pipeline shouldn’t be too much, and caution that you can’t overexert when install the pipeline.
- Please whiff and clean the inner pipe thoroughly before installing it so as to avoid dust.
- Please also be noticed that the shaking of compressor can’t be passed to the dryer.
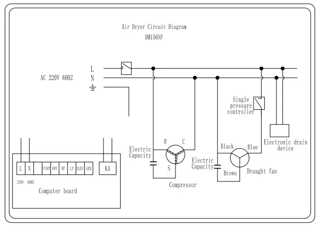
An introduction to the controller

POWER SUPPLY
—- The power indicator, RED , it’s lighting during electrifying
OPERATION
—-The operation indicator, GREEN , it’s lighting if the dryer run smoothly.
HIGH FAULT
—-The high pressure fault indicator, ORANGE , it’s lighting when high pressure exceeds, the dryer will stop automatically when it lights, and the light will extinguish when it comes to balance with the low pressure.
LOW FAULT
—- The low pressure fault indicator, ORANGE , it’s lighting when low pressure exceeds, the dryer will stop automatically when it lights, and the light will extinguish when it comes to balance with the high pressure.
ELEC FAULT
—- The electrical fault indicator, ORANGE , it’s lighting when the electric system has a fault, the dryer will stop automatically when it lights.
ON
—- Start button, GREEN , the start interval should at least last for 3 minutes.
OFF
—- Stop button, .RED
Parts name

Methods of operation
- Check and make sure the dryer is installed correctly, you can go on preliminary operation, pressure the “ON” button to start.
- The “OPERATION” indicator will light and according to the ambient temperature, the fan and motor inside will run and stop reduplicative. If the evaporating pressure gauge exceeds 7kg under the continuous running of the fan, it may be overload.
- Press the “OFF” button to stop.
- The auto-drain/electric drain will drain out after a period of time.
- When the orange button lights, there’re some faults of the dryer, it will stop automatically. Please restart after the clearance faults.
About pressure gauge
- Evaporating pressure gauge, evaporating temperature shows the pressure of low-pressure refrigerant. The index should between 4~6kg of normal load. And it’ll be a bit lower if non-loaded.
- Air pressure gauge, shows the compressed air pressure of the surrounding air outlet.

About power supply
- Please use 220V or 380V special interface.
- Please be sure you’ve installed the leakage protector.
- You’re required to make the earth wire before connecting the power supply.

Maintenance to the dryer
- Unload the auto-drain to clean monthly, but it’s not necessary if it’s electric drain. Open the by-pass valve; close the inlet & outlet valve before unloading the drain to lessen the pressure inside auto-drain to zero.
Unscrew the lower shell with pipe pliers; infuse some neutral abluent to clean it. It absolutely prohibited by using menstruum.
After that, please re-install to the home position, locking with the O-ring. Close the by-pass valve than open the inlet valve. - Clean the radiator-grid weekly with aspirator, brush or air gun etc.
- You can use the air gun only to clean the electric switch box and circuit board.
Main technical data of the dryer
- Air-cooling refrigerated air dryer
Inlet temperature:
Normal temp.:91136F High temp.:91766F
Cooling method: Air cooling
Ambient temperature: 9100eF
Dew point: 35.6-50
Refrigerant: R22
Inlet pressure: 0.6-1.0Mpa
Pressure drop: 90.02Mpa - Water-cooling refrigerated air dryer Inlet temperature:
Normal temp.:91136F
High temp.:91766F
Cooling method: water cooling
Dew point: 35.6-50
Refrigerant: R22
Inlet pressure: 0.6-1.0Mpa
Pressure drop: 90.02Mpa
Cooling water inlet temperature: 989.6eF
Cooling water inlet pressure: 0.2-1.4Mpa
DM156NF series refrigerated air dryer
| Product Information | Technical Details |
| Brand: | Demargo |
| Model: | DM156NF |
| Max air volume: | 92CFM |
| Pressure dew point: | 35.6-50℉ |
| Working pressure: | 87Psi |
| The largest Working pressure: | 145Psi |
| Inlet temperature: | < 113℉ |
| Ambient temperature: | ≤100℉ |
| Working hours: | Continuously working |
| way to control: | Microcomputer control |
| Pressure loss: | ≤2.9Psi |
| Drain valve: | Electronic drain valve |
| Cooling method: | Air-cooled |
| Refrigerant model: | R407c |
| Power supply: | 220V 1ph 60HZ |
| Air pipe connection: | 0.75KW / 1 HP |
| Compressor power: | 0.12HP |
| Fan Power: | NPT Threaded connection |
| Air inlet and outlet pipe size: | 1 (internal thread)DN25” |
| Dimensions (L × W × H) : | 32.6”-17.7”-29.1” |
| Installation method: | Simple and convenient |

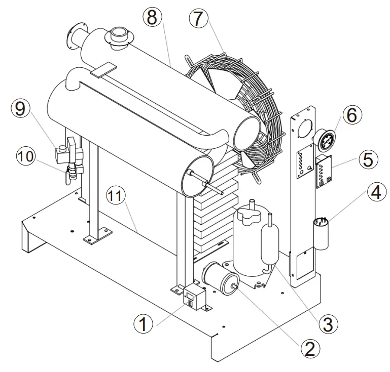
| 1 Pressure controller 2 Compressor 3 Dry filter 4 Capacitance | 5 Controller 6 Cold coal low pressure meter 7 Fan 8 President of Heat Exchanger | 9 Electronic drain 10 Ball valve 11 Condenser |
Notice
- Note:
If the evaporating pressure gauge exceeds 7KG during working, it may be over-loaded, please check the over-loaded conditions as bellows. - Loading conditions:
It will go to over loaded under the following conditions and run constrainedly. Then it will stop running when the protector “orange” indicators light.
1). Compressed air temperature is excessive.
2). Compressed air capacity is exceeded.
3). Ambient temperature is higher than 113
4). Voltage under 198V (220V rated) or under 340V (380V rated).
5). Badness of thermolysis. - Attention:
The auto-drain may not act as there’s some impurity contained in the compressed air, please check if there’s condensate water coming out from the draining hole everyday. According to the characteristic and structure of drain, it may drain out from the draining hole provide the pressure is under 1.5kg/cm . Therefore, the pressure may not be raised if gas production of air compressor is too small. Please pay attention to it.
Troubleshooting
Familiar faults caused by the refrigerated air dryer itself and external factors conditions as well as its trouble-shooting as follows:
Pressure drop is excessive
| phenomena | Causation | Troubleshooting |
| The differential pressure is too large of the whole air compression station | The piping valves don ‘t be fully opened. | Open the valve fully. |
| The pipe(s) is too slim. | Enlarge the pipe(s). | |
| Pipeline is too long, lots of elbow and tie-in. | Re-configurate the piping system. | |
| Much leakage of the piping connections. | Check the elbows and connections. | |
| Block of the piping filters. | Clean the filters or change new one(s). | |
| Shortage of the air using | Actual using capacity exceeds the compressor rated capacity. | Change larger compressor, or increase pressure. |
| Fall physically | Decrease air flowrate. | |
| Ice over of the evaporator | Fault of temperature switch . | Renew temperature switch. |
| Invalidation of expansion valve. | Renew expansion valve. |
Badness of draining
| phenomena | Causation | Troubleshooting |
| Liquid water content | The air by-pass valve doesn’t be fully closed. | Close the by-pass valve. |
| Compressed air doesn’t go through the dryer. | Open the inlet and outlet valves of dryer. | |
| The flowrate is too much. | Re-design the compressor system. | |
| Badness of the drain. | Clean or change. | |
| The drainpipe is higher than the auto drain. | Re-setting the drainpipe. | |
| Compressor is too large, while the dryer is too small. | Re-setup the compressor and dryer. | |
| Abnormity of the evaporating gauge. | Evaporating temperature is too high. | Check the air load of compressor. |
| The ambient air pollution or badness of ventilation. | Improve the ventilation and ambient conditions. | |
| Block of the expansion valve . | Change the expansion valve. | |
| Leakage of refrigerant. | Check the leakage, and infuse some refrigerant. | |
| Spoiling of the gauge. | Change the gauge. |
Out of operation
| phenomena | Causation | Troubleshooting |
| Out of power supply. | The fuse blew out or trip of the fuse disconnecting switch. | Check if the power lack of phase or short circuit. |
| Check the fuse. | ||
| Power supply is in normal, but it can’t start. | Power-off. | Check and maintain. |
| Abnormity of voltage or too slim of the power cord. (voltage drop) | Please choose voltage according to the rated on the name plate. | |
| Badness of switch. | Change. | |
| badness of contactor | Change. | |
| Badness of overload relay. | Change. | |
| Badness of electric capacity. | Change capacitor. | |
| Badness of start relay. | Change. | |
| Badness of pressure switches. | Change. | |
| Badness of temperature switches. | Change. | |
| Badness of refrigerated compressor. | Change. | |
| All switches in normal, but it can’t start. | Trips of high-low pressure and doesn’t go to restoration. | Check the reason of trips, press ‘RESET’. |
| Electromagnetic switch doesn’t go to restoration. | Check and pressure ‘RESET’. | |
| High pressure switch doesn’t go to restoration. | Check and pressure RESET’. | |
| Setting error of the temperature switches. | Reset or change. | |
| Badness of refrigerated compressor. | Change. | |
| Evaporating temperature indicator too lower. | Evaporating temperature (badness of low pressure gauge). | Change. |
| Block of the expansion valve. | Change. | |
| Setting lower of the temperature and pressure switches. | Please adjust the setting. | |
| Leakage of refrigerant. | Check the leakage points, and infuse some refrigerant. | |
| Evaporating temperature indicator too higher. | Ambient temperature is too high. | Improve the ambient temperature or change place for ventilation. |
| Invalidity of the thermal by-pass valve. | Adjust or change. | |
| Block of the condenser. | Clean. | |
| The capacity is too much. | Reposition of the matching. | |
| Abrasion of the valve flap of refrigerant compressor. | Change. |
Badness of drainage system
| phenomena | Causation | Troubleshooting |
| Badness of drainage. | The using pressure is underl.5kglcm 2. | Normal pressure should be 2-10 kg/cm2. |
| Spoiling of ball valve. | Change. | |
| Slant or disrepair of the valve. | Improve, fasten or change. | |
| Pressure is too high. | Please use according to the rated pressure. | |
| Block of the filtering of drain. | Clean. | |
| Block of the waterspout. | Clean. |
Badness after starting
| phenomena | Causation | Troubleshooting |
| Abnormity of voltage. | After starting, it’s short circuit. | Reposition of the control circuit circuitry and switches. |
| Thought the high pressure trip is restoration, it’s can’t start. | Badness of pressure switch. | Change. |
| Badness of fan. | Change. | |
| Trip of the overload protector. | Check the reasons. | |
| Begrime of the condenser. | Clean it thoroughly. | |
| Excessive of refrigerant. | Less some refrigerant. | |
| The ambient temperature is too high. | Improve the ambient temperature and ventilation. | |
| Block or closed of expansion valve. | Change. | |
| Trip of the carrying relay. | Block of refrigerant filter. | Change. |
| Badness of start relay. | Change. | |
| Badness of capacitor. | Change capacitor. | |
| Badness of pressure switch. | Change. | |
| Refrigerated compressor is overload ed. | Decrease air capacity. | |
| The ambient temperature is too high. | Improve the ambient temperature and ventilation. | |
| The relay rated electric current is too low. | Adjust the rate. | |
| Badness of relay connection. | Clean or renew. | |
| Lack phase of power supply. | Check the reasons. | |
| Badness of connector. | Clean or renew. |
Appendix:
Guarantee card
Thank you for choosing Demario refrigerated compressed air dryer.
The dryer is manufactured by holding abundant experience and mature technology, it’s the advanced product. We ensure one year guarantee from your buying date.
We will answer your questions timely and carefully.
File card (in duplicate)
Customer name: ——————-
Contact person: ——————-
Telephone No.: ——————-
Fax No.: ——————-
Address: ——————-
Buying date: ——————-
Model No.: ——————-
Serial No.: ——————-
Installation place: ——————-
Customer name:——————-
Contact person:——————-
Telephone No.:——————-
Fax No.:——————-
Address:——————-
Buying date:——————-
Model No.:——————-
Serial No.:——————-
Installation place:——————-

Please use the linker to connect AIR INLET and AIR OUTLET.












