Parker 200 Refrigeration Air Dryer

Safety
Importance of the manual
- Keep it for the entire life of the machine.
- Read it before any operation.
- It is subject to changes: for updated information see the version on the unit.
Warning signals
Safety instructions
- Every unit is equipped with an electric disconnecting switch for operating in safe conditions. Always use this device in order to eliminate risks in maintenance.
- The manual is intended for the end-user, only for operations per-formable with closed panels: operations requiring opening with tools must be carried out by skilled and qualified personnel.
- Do not exceed the design limits given on the data plate.
- It is the user’s responsibility to avoid loads different from the internal static pressure. The unit must be appropriately protected whenever risks of seismic phenomena exist.
The safety devices on the compressed air circuit must be provided for by the user The dimensioning of the safety devices of the air compressed circuit must be according to the specifications of the system and legislation in force locally. Only use the unit for professional work and for its intended purpose. The user is responsible for analyzing the application aspects for product installation, and following all the applicable industrial and safety standards and regulations contained in the product instruction manual or other documentation supplied with the unit.
Tampering or replacement of any parts by unauthorized personnel and/or improper machine use exonerate the manufacturer from all responsibility and invalidate the warranty. The manufacturer declines and present or future liability for damage to persons, things and the machine, due to negligence of the operators, non-compliance with all the instructions given in this manual, and non-application of current regulations regarding safety of the system. The manufacturer declines any liability for damage due to alterations and/or changes to the packing. It is the responsibility of the user to ensure that the specifications provided for the selection of the unit or components and/or options are fully comprehensive for the correct or foreseeable use of the machine itself or its components.
- IMPORTANT: The manufacturer reserves the right to modify this manual at any time. The most comprehensive and updated informa-tion, the user is advised to consult the manual supplied with the unit.
- CAUTION: Moving parts, hot parts and risk of electric shock: disconnect power before opening the cover.
Residual risks
The installation, start-up, stopping and maintenance of the machine must be performed in accordance with the information and instructions given in the technical documentation supplied and always in such a way to avoid the creation of a hazardous situation. The risks that it has not been possible to eliminate in the design stage are listed in the following table:
| Part af- fected | Residual risk | Manner of exposure | Precautions |
| heat exchanger coil | small cuts | contact | avoid contact, wear pro- tective gloves |
| fan grille and fan | lesions | insertion of pointed objects through the grille while the fan is in operation | do not poke objects of any type through the fan grille or place any objects on the grille |
| inside the unit: compressor and discharge pipe | burns | contact | avoid contact, wear pro- tective gloves |
| inside the unit: metal parts and electrical wires | intoxication, electrical shock, seri- ous burns | defects in the insula- tion of the power supply lines upstream of the electrical panel; live metal parts | adequate electrical protec- tion of the power supply line; ensure metal parts are properly connected to earth |
| outside the unit: area sur- rounding the unit | intoxica- tion, serious burns | fire due to short circuit or overheating of the supply line upstream of the unit’s electrical panel | ensure conductor cross- sectional areas and the supply line protection sys- tem conform to applicable regulations |
Introduction
This manual refers to refrigeration dryers designed to guarantee high quality in compressed air treatment.
Transport
The packed unit must:
- remain upright;
- be protected against atmospheric agents;
- be protected against impacts.
Handling
Use a fork-lift truck suitable for the weight to be lifted, avoiding any type of impact.
Inspection
- All the units are assembled, wired, charged with refrigerant and oil and tested under standard operating conditions in the factory;
- on receiving the machine check its condition: immediately notify the transport company in case of any damage;
- unpack the unit as close as possible to the place of installation.
Storage
If several units have to stacked, follow the notes given on the packing. Keep the unit packed in a clean place protected from damp and bad weather.
Installation
For the correct application of the warranty terms, follow the instructions given in the start-up report, fill it in and send it back to the Seller. In places with fi re hazards, provide for a suitable fire-extinguishing system.
Procedures
Install the dryer inside, in a clean area protected from direct atmospheric agents (including sunlight).
Comply with the instructions given in par. 8.2 and 8.3.
- All dryers must be fi tted with adequate pre-filtration near the dryer air inlet. Seller has excluded any obligation of compensation or refund for any direct or indirect damage caused by its absence
- Pre-fi lter element (for 3-micron filtration or better) must be replaced at least once a year, or sooner as per manufacturer recommendations.
- Correctly connect the dryer to the compressed air inlet/outlet connections.
Operating space
- Leave a space of 1 m (60 inches) around the unit.
- Leave a space of 2 m (80 inches) above dryer models with vertical condensation air expulsion.
Versions
Air-cooled version (Ac)
Do not create cooling air recirculation situations. Do not obstruct the ventilation grilles.
Tips
To prevent damage to the internal parts of the dryer and air compressor, avoid installations where the surrounding air contains solid and/or gaseous pollutants (e.g. sulphur, ammonia, chlorine and installations in marine environments). The ducting of extracted air is not recommended for versions with axial fans.
Electrical connection
Use approved cable in conformity with the local laws and regulations (for minimum cable section, see par. 8.3). Install a differential thermal magnetic circuit breaker with a contact opening distance 3 mm ahead of the system (RCCB – IDn = 0.3A) (see the relevant current local regulations). The nominal current In of the magnetic circuit breaker must be equal to the FLA with an intervention curve type D.
Condensate drain connection
Y Make the connection to the draining system, avoiding connection in a closed circuit shared by other pressurized discharge lines. Check the correct flow of condensate discharges. Dispose of all the condensates in conformity with current local environmental regulations.
Commissioning
Preliminary checks
Before commissioning the dryer, make sure:
- installation was carried out according to that given in section 3;
- the air inlet valves are closed and there is no airflow through the dryer;
- the power supply is correct;
Starting
- Start the dryer before the air compressor;
- switch the power on by turning the MAIN SWITCH to “I ON”: the POWER LED (see par. 5.1 for the meaning of the LEDS).
- Wait 5 minutes, then slowly open the air inlet valve;
- slowly open the air outlet valve: the dryer is now drying.
Operation
- Leave the dryer on during the entire period the air compressor is working;
- The dryer operates in automatic mode, therefore fi eld settings are not required;
- Condensate draining is factory-set in TIMED mode, with max. permissible opening equal to 10 seconds; the set time can be decreased (see par. 5.2 for details).
- In the event of unforeseen excess air flows, bypass to avoid over-loading the dryer.
- Avoid air inlet temperature fluctuations.
Stop
- Stop the dryer 2 minutes after the air compressor stops or in any case after interruption of the air fl ow;
- make sure compressed air does not enter the dryer when the dryer is disconnected or if an alarm occurs.
- Turn the MAIN SWITCH to “O OFF” to switch the power off.
Control
Control panel

Operation
Scheduled maintenance
When comes on, contact authorized assistance personnel for carrying out scheduled maintenance Press + so that switches off for 24 hours.
Condensate drain
There are two operating modes:
- TIMED – with draining at fi xed intervals (2 minutes) and settable time (1-10 seconds);
- EXTERNAL: – if there is an external drain.
To change the operating mode, switch the unit off, keep pressing +, and switch the machine on at the same time.
In EXTERNAL mode is always on.
Set mode b) only in absence of the solenoid valve: otherwise, the relative coil could become damaged.
In TIMED mode, during draining flashes for a number of seconds equal to the set time. For the manual opening of the drain, press.+ To change the draining time, keep pressed + until comes on. Release + and press again only once within 2 seconds. will fl ash once every second for 10 seconds, during fl ashing, press + once to stop and store the count of seconds equal to the required draining time. A relay “KA1” supplies a signal as shown in 8.8 of a high dew point alarm. Remote alarm (option) A relay “KA1” supplies a signal as shown in 8.8 of a high dew point alarm.
Maintenance
- The machine is designed and built to guarantee continuous operation; however, the life of its components depends on the maintenance performed;
- when requesting assistance or spare parts, identify the machine (model and serial number) by reading the data plate located on the unit.
- An example of this record sheet can be downloaded from the site: www.polewr.com.
General instructions
Before any maintenance, make sure:
- the pneumatic circuit is no longer pressurized;
- the dryer is disconnected from the main power supply
- Always use the Manufacturer’s original spare parts: otherwise, the Manufacturer is relieved of all liability regarding machine malfunctioning
- In case of refrigerant leakage, contact qualified and authorized personnel.
- The Schrader valve must only be used in case of machine malfunc-tion: otherwise, any damage caused by incorrect refrigerant charging will not be covered by the warranty.
Refrigerant
- Charging: any damage caused by incorrect refrigerant replacement carried out by unauthorized personnel will not be covered by the warranty.
- At normal temperature and pressure, the R407c refrigerant is a colorless gas classified in SAFETY GROUP A1 – EN378 (group 2 fluid according to Directive PED 2014/68/EU) GWP (Global Warming Potential) = 1652,5.
In case of refrigerant leakage, ventilate the room.
Preventive Maintenance Programme
To guarantee lasting maximum dryer efficiency and reliability
The following are available (see par. 8.4):
- service kit
- compressor kits;
- fan kits;
- hot gas valve kits;
- individual spare parts.
Dismantling
The refrigerant and the lubricating oil contained in the circuit must be recovered in conformity with current local environmental regulations.
![]() | Recycling Disposal |
| structural work | steel/epoxy-polyester resins |
| exchanger | aluminium |
| pipes | copper/aluminium/carbon steel |
| drain | polyamide |
| exchanger insulation | EPS (sintered polystyrene) |
| pipe insulation | synthetic rubber |
| compressor | steel/copper/aluminium/oil |
| condenser | steel/copper/aluminium |
| refrigerant | R407c |
| valves | brass |
| electrical cables | copper/PVC |
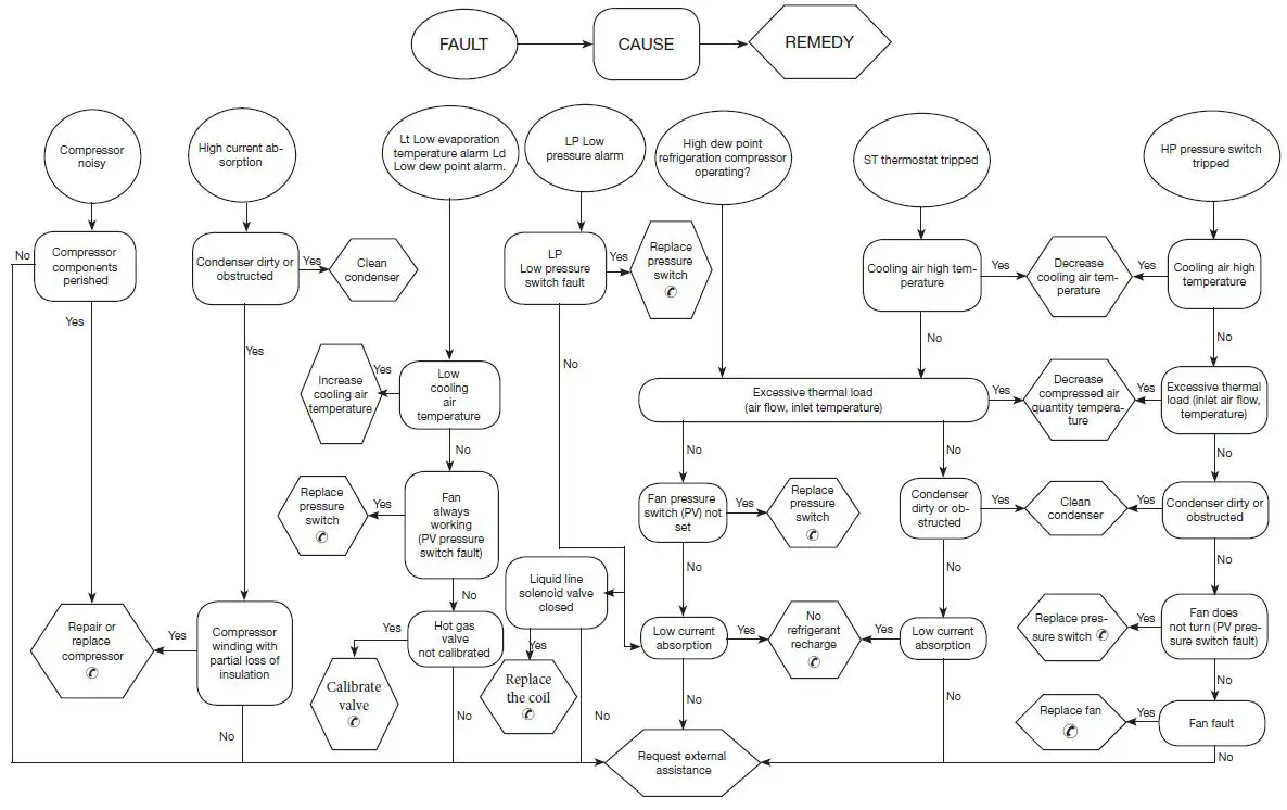
Troubleshooting

Appendix
legend


Installation diagram
| 1 | 2 | 3 | 4 |
| Air compressor | Dryer | By-pass unit | Filter (3 micron filtration or better) near dryer air inlet |

| 5 | 6 | 7 | 8 |
| Tank in position A or in B | Outlet filter | Oil-Water separator | Condensate drain |
- Safety valves for not exceeding dryer design pres-sure
- Hoses for air connections if the system undergoes vibrations
- Suitable dampers if the system undergoes pulsations

Spare parts list
| Component | Paragraph (8.5/8.8) | 200 |
| Maintenance kits | 6 / 12 / 15 B1 B3 C2 C3 | 398H473000 |
| 1.compressor kits | 1 / 8 | 398H473275 |
| 2. fan kits | 3 C2 | 398H473277 |
| 3. hot gas valve kits | 8 / 9 | 398H473137 |
| 4. Electrical Kit | – | 398H785246 |
| Refrigerant condenser | 2 | 398H114736 |
| Evaporator/Separator/Air-air-heat-exchanger | 4 | 398H473065 |
| Refrigerant filter | 8 | 398H206219 |
| Fan pressure switch kit | 12 | 398H473683 |
| High temperature thermostat | 16 | 398H354242 |
| High pressure switch | 15 | 398H354053 |
| Main disconnector switch | QS | 398H255197 |
| Fan capacitor | C2 | 398H254282 |
| Electronic controller | A1 | 398H275763 |
| Trasnformer | TC1 | 398H256374 |
| Compressor relay | KM1 | 398H255944 |
| Cover | A | 398H137742 |
| Condensate Drain solenoid valve | – | ETV |
| – |

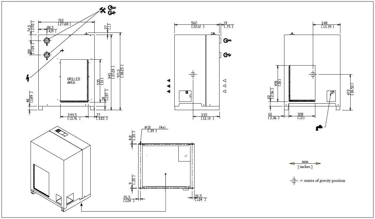
Dimensional drawing

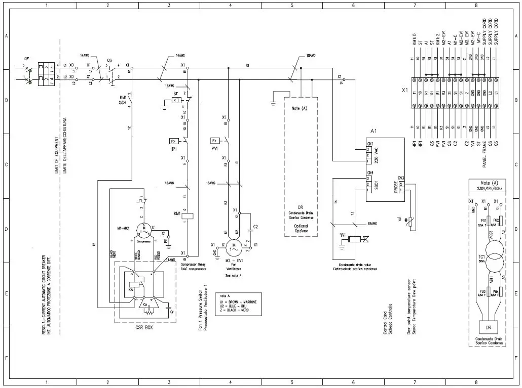
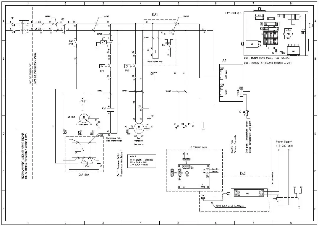
Wiring diagram


Parker Hannifin Corp.
- Gas Separation and Filtration Division 4087 Walden Avenue Lancaster, NY 14086.
- Tel. 716 686 6400, Fax 877 857 3800.

















