Art.Nr.
5911248903
Rev.Nr.
24/11/2020

MP132-42
Petrol Lawn Mower
Translation of the original instruction manual
CAUTION! Read the manual carefully before operating this machine!












Explanation of the symbols on the equipment
![]() | Observe all safety instructions before use |
![]() | Caution – Read the operating instructions to reduce the risk of inquiry! |
![]() | On a slope, do not mow uphill or downhill. |
![]() | Before operating the lawn mower, remove lawn debris which may be ejected by the blade. |
![]() | There is a risk of debris being ejected when the engine is running. Make sure you keep a safe distance. |
![]() | Make sure other people also keep a safe distance. |
![]() | Remove the ignition cable before all maintenance work, and read the instructions for use. |
![]() | Warning! Risk of injury! Do not let your hands or feet come in contact with the blades when the motor is running. |
![]() | Important. Exhaust gas is poisonous, do not operate in an unventilated area. |
![]() | Danger – Hot surface! |
![]() | Wear ear-muffs and safety goggles! |
![]() | Attention! Operating materials are flammable and explosive. Do not fill with fuel while the motor is hot or running. |
![]() | Fuel tank capacity |
| Engine oil | |
![]() | Length knives. Max. Cutting width |
![]() | Guaranteed sound power |
![]() | The product complies with the applicable European directives and an evaluation method of conformity for this directives was done. |
![]() | Primer-Button |
![]() | Check oil level |
![]() | STOP – Engine brake lever |
1. Introduction
Manufacturer:
scheppach
Fabrikation von Holzbearbeitungsmaschinen GmbH
Günzburger Straße 69
D-89335 Ichenhausen
Dear customer,
We hope your new tool brings you much enjoyment and success.
Note:
According to the applicable product liability laws, the manufacturer of the device does not assume liability for damages to the product or damages caused by the product that occurs due to:
- Improper handling,
- Non-compliance of the operating instructions,
- Repairs by third parties, not by authorized service technicians,
- Installation and replacement of non-original spare parts,
- Application other than specified,
We recommend:
Read through the complete text in the operating instructions before installing and commissioning the device.
The operating instructions are intended to help the user to become familiar with the machine and take advantage of its application possibilities in accordance with the recommendations.
The operating instructions contain important information on how to operate the machine safely, professionally and economically, how to avoid danger, costly repairs, reduce downtimes and how to increase reliability and service life of the machine.
In addition to the safety regulations in the operating instructions, you have to meet the applicable regulations that apply for the operation of the machine in your country.
Keep the operating instructions package with the machine at all times and store it in a plastic cover to protect it from dirt and moisture. Read the instruction manual each time before operating the machine and carefully follow its information. The machine can only be operated by persons who were instructed concerning the operation of the machine and who are informed about the associated dangers. The minimum age requirement must be complied with.
In addition to the safety requirements in these operating instructions and your country’s applicable regulations, you should observe the generally recognized technical rules concerning the operation of identical constructed machines.
We accept no liability for damage or accidents which arise due to non-observance of these instructions and the safety information.
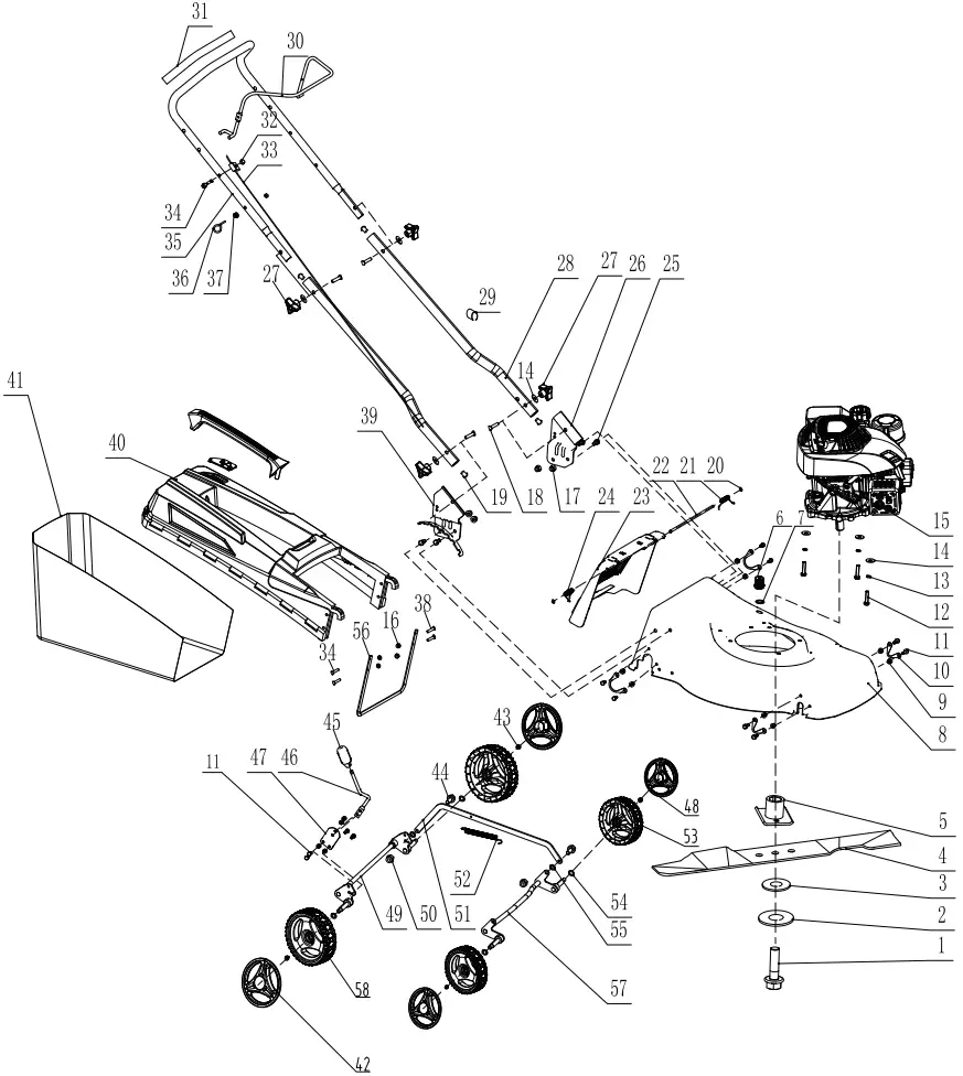
2. Layout
- Handle
- —
- Engine brake lever
- Upper push bar
- Quick-release lever
- Petrol tank
- Air filter
- Primer button
- Wheel
- Spark plug
- Exhaust
- Dip stick
- Drive wheel
- Wheel height adjustment
- Discharge flap
- Grass box
- Pull starter
- cable clips
a 4 x round head screw
b 4 x washer
c 1 x manual
3. Scope of delivery
Fig.1 (1 – 18 / a – c)
- Open the packaging and remove the device carefully.
- Remove the packaging material as well as the packaging and transport bracing (if available)
- Check that the delivery is complete.
- Check the device and its spare parts for possible damage caused by transportation. In the event of complaints, you must contact the distributor without delay. Claims at a later stage will not be accepted.
- If possible, store the packaging until the warranty period has expired
- Before handling the device, make yourself familiar with it by reading the operating instructions.
- For accessories, consumables and spare parts, only use original parts. Spare parts are available from your stockist.
- Include our item number, the device model and year of manufacture in your order.
Attention!
The device and packaging materials are not toys! Children must not be allowed to play with plastic bags, film and small parts!
Danger
There is a risk of swallowing and suffocation!
4. Proper use
The machine meets the currently valid EU machine directive.
Before starting any work, all protective and safety devices must be in place.
- The machine has been designed to be operated by one person.
- The operator is responsible for third parties in the area of operations.
- All safety and hazard notices on the machine must be observed.
- All safety and hazard notices on the machine must be kept in a completely legible condition.
- Use the machine in a technically flawless condition only, as well as for its intended purpose, in a safe manner and being aware of dangers, in compliance with the operating instructions!
- Disruptions which can affect safety in particular must be eliminated straight away!
- The manufacturer’s safety, operation and maintenance instructions as well as the technical data given in the calibrations and dimensions must be adhered to.
- Relevant accident prevention regulations and other generally recognized safety and technical rules must also be adhered to.
- The machine may only be used, maintained or repaired by trained persons who are familiar with the machine and have been informed about the dangers. Unauthorized modifications of the machine exclude a liability of the manufacturer for damages resulting from the modifications.
- The machine is intended for use only with original spare parts and original tools from the producer.
- Any other use is considered to be not intended. The manufacturer excludes any liability for resulting damages, the risk is exclusively borne by the user.
- The device must not be used for commercial, technical or industrial applications.
- If you are not sure whether working conditions are safe or unsafe, do not work with the machine.
- The petrol lawn mower is intended for private use i.e. for use in home and gardening environments. Private use of the lawn mower refers an annual operating time generally not exceeding that of 50 hours, during which time the machine is primarily used to maintain small-scale, residential lawns and home/hobby gardens. Public facilities, sporting halls, and agricultural/forestry applications are excluded.
Important! Due to the high risk of bodily injury to the user, the lawn mower may not be used to trim bushes, hedges or shrubs, to cut scaling vegetation, planted roofs, or balcony-grown grass, to clean (suck up) dirt and debris off walkways, or to chop up tree or hedge clippings. Moreover, the lawn mower may not be used as a power cultivator to level out high areas such as molehills.
- For safety reasons, the lawn mower may not be used as a drive unit for other work tools or tool kits of any kind.
WARNING
For your own safety, please thoroughly read this manual and the general safety instructions before turning the device on. If you give the device to third parties, always include these instructions.
5. Safety instructions
These operating instructions provide places concerning your safety which are marked with this indication: ![]()
Furthermore this manual contains other important sections which are marked with the word ,,Attention!”.
DANGER
Failure to follow these instructions may cause serious danger to life of danger or fatal injuries.
WARNING
Failure to follow these instructions may cause danger to life or danger of serious injuries.
CAUTION
Failure to follow these instructions may cause light to medium risk of injury.
NOTE
Failure to follow these instructions may cause danger of damage of the engine or other property values.
CAUTION
When using the equipment, a few safety precautions must be observed to avoid injuries and damage. Please read the complete operating instructions and safety regulations with due care. Keep this manual in a safe place, so that the information is available at all times. If you give the equipment to any other person, hand over these operating instructions and safety regulations as well. We cannot accept any liability for damage or accidents which arise due to a failure to follow these instructions and the safety instructions.
The following must not use the machine:
Children and other people who do are not familiar with the operating manual (local stipulations may specify a minimum age for users).
People under the influence of alcohol, drugs and medication, as well as those who are tired or ill.
1. Safety instructions for handoperated lawn mowers
Note
- Read the directions with due care. Familiarize yourself with the settings and proper operation of the machine. Never allow children or other persons who are not familiar with the operating instructions to use the mower. Contact your local governmental agency for information regarding minimum age requirements for operating the mower.
- Never mow in the direct vicinity of persons – especially children – or animals. Always keep in mind that the operator is responsible for accidents involving other persons and/or their property.
- If you give the equipment to any other person, give them these operating instructions as well.
- Always wear sturdy, non-slip footwear and long trousers when mowing. Never mow barefoot or in sandals.
- Check the grounds on which the machine will be used and remove all objects such us stones, wires, toys, wood and so on.
WARNING
Petrol is highly flammable! Therefore:
- Only store petrol in containers designed to hold petroleum-based liquids.
- Only refuel out in the open and do not smoke during the refueling process.
- Always refuel the lawn mower before starting the engine. Always ensure that the fuel tank cap is closed when the engine is running and when the mower is hot; also do not refuel.
- If petrol has overflowed, do not under any circumstances attempt to start the engine. Instead, remove the machine from the affected area. Avoid starting the engine until the petrol fumes have completely evaporated.
- For safety reasons, the petrol tank and other tank closures must be replaced if they are damaged.
- Replace defective mufflers.
- Before using the mower, visually inspect it to ensure that the blade, mounting bolts and the entire cutting apparatus are in good working order (i.e. not worn out or damaged). To prevent any imbalance, replace worn out or damaged blades and mounting bolts as a set only (if applicable).
- Please note that where a mower has more than one blade, the rotation of one of the blades can cause the others to rotate as well.
Handling
- Do not let the combustion engine run in enclosed areas, as dangerous carbon monoxide gas can build up.
- Only mow in broad daylight or in well-lit conditions. Avoid using the machine on wet grass as far as possible.
- Do not use the lawn mower in a thunderstorm – risk of lightning strike!
- Always maintain good footing on inclines.
- Only operate the machine at a walking pace.
- For machines with wheels: Always mow across hills i.e. never straight up or straight down.
- Be particularly careful when you change direction on a slope.
- Do not mow on overly steep inclines.
- Always be extra careful when turning the mower around and when pulling it towards you.
- Switch off the lawn mower and ensure that the blade has stopped rotating whenever the mower has to be tilted for transporting over areas other than lawns and whenever it has to be moved from or to the area you want to mow.
- Never use the lawn mower if the blade or safety grilles are damaged, or without the attached guards, e.g. deflectors and/or grass catching devices.
- Do not adjust or overclock the engine speed settings.
- Release the engine brake before you start the engine.
- Start the engine with care, in accordance with the manufacturers instructions. Make sure that your feet are far enough away from the mower blade!
- Do not tilt the lawn mower when you start the engine unless the mower must raised off of the ground a little in order to start it. In the latter case, tilt the mower as little as absolutely necessary and only raise the side opposite to that of the user.
- Never start the engine while standing in front of the chute.
- Never move your hands or feet toward or under any rotating parts. Keep clear of the chute opening at all times.
- Never lift or carry a lawn mower with the engine running.
- Switch off the engine and pull the spark plug boot. Make sure that all rotating parts are stopped:
- before you dislodge any blockages or clogs in the chute.
- before carrying out any checks, cleaning, maintenance or other work on the lawn mower
- if the lawn mower strikes a foreign body, examine it for signs of damage and carry out any necessary repairs before restarting and continuing to work with the mower. If the lawn mower begins to experience exceptionally strong vibrations, immediately switch it off and check it. - Switch off the engine:
- when you leave the lawn mower.
- before you refuel. - Operation of the machine at higher than normal speed can lead to an increased risk of accidents.
- Take care when carrying out installation work on the machine, and avoid trapping fingers between the moving cutting tool and the fixed parts of the machine.
- Please be particularly careful when mowing on ground that may subside, on nearby landfills, trenches and embankments.
- Observe improper maintenance, the use of non-compliant spare parts, or removal or modification of the safety devices may result in damage to the device and serious injury to the person working with it.
- Use only manufacturer recommended cutting tools and accessories. The use of other tools and other accessories may cause injury to the user. Always keep the lawnmower in good working condition.
- Check the device regularly and make sure before each use that all start locks and push buttons function properly.
- Please note that the safety systems or features of the lawnmower must not be tampered with or deactivated.
- Note that the user should not modify or manipulate any sealed engine speed control settings.
- The user must be adequately trained in use, adjustment and operation (including prohibited operations).
- It is necessary to take sufficient breaks to reduce the noise and vibration load.
Residual risks and accident prevention standards
Neglect of ergonomic principles
Negligent handling of personal protective equipment (PPE)
Negligent handling or ommission of the personal protective equipment may cause serious injuries.
- Wear prescribed personal protection equipment.
Human behaviour, misbehaviour
- For any work be fully concentrated.
Residual risks – Cannot be entirely excluded.
Danger from noise
hearing damage
Prelonged unprotected work with the device may cause hearing damage.
- Always wear ear-muffs.
In case of emergency
In case of a possibly occuring accident take the necessary first aid steps as appropriate and obtain qualified medical aid as quickly as possible.
During longer work, because of vibrations, there is a risk of circulation problems in the user`s hands (white- finger-syndrome). White-finger-syndrome is a vascular disease where the small blood vessels in fingers and toes contract seizure-like. The affected areas are no longer supplied with blood and therefore look very pale. Frequent use of vibrating machines can cause nerve damage in people whose circulation is compromised (e.g. smokers, people with diabetes).
If you notice unusual impairment, immediately stop the work and consult a doctor. Observe the following notices in order to reduce risks:
- Keep your body, and particularly your hands, warm in cold weather.
- Take regular breaks during which you should move your hands to promote circulation.
- Ensure the lowest possible vibration of the machine by regularly maintaining it and keeping components tight.
6. Technical data
| Type engine | four stroke engine/air cooled |
| Cubic capacity | 132 cm3 |
| Rotation speed | 2800 U/min |
| Fuel | Regular grade petrol/lead free max. 5% bioethanoll |
| Capacity tank/ gasoline | 0,8 l |
| Motor oil | SAE 30/10W30 |
| Capacity tank/oil | 0,4 l |
| Cutting height adjustment | 25 – 75 mm / 7-level |
| Collection bag capacity | 45 l |
| Cutting width | 42 cm |
| Weight | 22,4 kg |
| Power | 2,5 kW |
Subject to technical changes!
Information concerning noise emission measured according to relevant standards:
Sound pressure LpA = 79,8 dB(A)
Uncertainty KPA = 3 dB(A)
Sound power LWA = 91,3 dB(A)
Uncertainty KPA = 1,93 dB(A)
Wear ear-muffs.
The impact of noise can cause damage to hearing.
Vibration Ahv (left/right) = 8,125 m/s²
Uncertainty KPA = 1,5 m/s²
7. Before first use
Before starting the equipment
Assembling the components
Some parts of the mower come disassembled. For quick and easy assembly, read and follow the instructions below.
Important! You will need the following additional tools (not supplied) for assembly, and also for maintenance work:
- A 1 liter measuring jug (oil/petrol resistant)
- A petrol can (5 liters is sufficient for approx. 6 operating hours)
- A funnel (suitable for the tanks petrol filler neck)
- Household wipes (to wipe up oil/petrol residue; dispose of these at a filling station)
- A petrol suction pump (plastic, available from DIY stores)
- An oil can with hand pump (available from DIY stores)
- Spark plug wrench
- 0,4 liter of engine oil (SAE 30/ 10W30)
Assembly
- Take the mower and attachment parts out of the packaging and check that all parts are present.
- Attach the lower push bar (4a) to both sides of the mower with one screw (a), one washer (b) and one star grip nut (5) each. Make sure that the cables, which will be attached later, are not in the way (Fig. 2-3).
- Attach the upper push bar (4) on the lower push bar (4a) with one screw (a), one washer (b) and one star grip nut (5) each on both sides (Fig. 4-5).
- Insert the pull start handle (17) in the designated hook as shown in Fig. 6.
- Fix the cables to the push bar with the cable clips (18) provided (Fig. 7).
- Grass box (16) – open it up and click the plastic clips into position on the frame (Fig. 8).
- Mowing with grass box:
Lift the discharge flap (15) with one hand and hang the grass box (16) as shown in Fig. 9.
Setting the cutting height
CAUTION!
Adjust the cutting height only when the engine is switched off and the plug boot has been pulled.
- Before you begin to mow, check to ensure that the blade is not blunt and that none of the fasteners are damaged.
- To prevent any imbalance, replace blunt and/or damaged blades as a set only (if applicable). To carry out this check, first switch off the engine and pull the spark plug boot.
- The cutting height is centrally adjusted with the cutting height adjustor lever (Fig.13/ Item 14). 7 different cutting heights can be selected.
- Pull the adjustor lever out and select the desired cutting height. The lever snaps into the desired position. (Fig. 13)
8. Operation
CAUTION!
The engine does not come with oil in it. Therefore, ensure that you add 0,4 liters of oil before starting it up. Use normal, multigrade oil (SAE30). The oil level in the engine must be checked each time before mowing.
You will also need to fill in petrol, as this is also not supplied upon delivery.
- In order to avoid any unintentional start-ups of the lawn mower, it comes equipped with an engine brake (Fig. 1/ Item 3) which must be pulled back before the engine can be started. When the engine control lever is released it must return to its initial position, at which point the engine automatically switches off.
- Press the engine brake lever (3) together and give the starter cord (17) a vigorous pull. (Fig. 14) Attention: When you pull the starting rope the cutting blade rotates even when dissolved motor brake lever. Make sure that there are no body parts in danger zone of cutting blade.
- Before you start mowing, you should run through this operation several times in order to ensure that the machine is working properly.
WARNING
Whenever you need to perform any kind of adjustment and/or repair work on your lawn mower, wait until the blade has come to a complete stop. Always switch off the engine before carrying out any adjustments, maintenance or repairs.
Note!
Using the drive:
- Engine brake (3): Use the lever to stop the engine. When you release the lever the engine and the blade stop automatically.
- Before you start to mow, check the start/stop lever several times to be sure that it is working properly. Ensure that the tension cable can be smoothly operated (i.e. is not catching or kinking in any way).
Caution: The blade begins to rotate as soon as the engine is started.
Important: Before you start the engine, move the motor brake several times to be sure that the stop cable is properly working.
Note: The engine is factory set to a speed that is optimal for cutting and blowing grass into the basket and is designed to provide many years of use.
- Check the oil level.
Open the fuel tank cap and fill the petrol tank (6) up to the lower point of the tank inlet with about 0,8 litres of petrol. Use a funnel and a measuring container for filling. Do not overfill the tank. Use fresh, clean unleaded fuel.
Never mix oil with petrol. Buy fuel in amounts which can be used within 30 days in order to guarantee its freshness.
Note: Use only unleaded gasoline.
WARNING
Only use a safety petrol can. Do not smoke when refuelling. Remove any oil or petrol residues. Switch off the engine before refuelling and allow the engine to cool down for a few minutes.
Start engine (Fig. 14)
- Ensure that the ignition cable is connected to the spark plug.
- Stand behind the mower. One hand squeezes the engine brake lever (3) to the handle, the other pulls the pull start.
- Start the engine using the reversing starter (17). To do this pull the handle approx. 10 - 15 cm (until you feel a resistance) and then start the engine with a sharp pull. If the engine does not start, pull the handle again.
- Due to protective coating on the engine, a small amount of smoke may be present during the initial use of the product and should be considered normal.
Note: Easier starting in colder temperatures by pressing the primer (Fig. 15/ Pos. 8). Use only by a cold engine!
CAUTION!
- Never allow the starter cord to snap back.
- Note: In cold weather, it may be necessary to repeat the starting process several times.
Stop engine:
- To turn off the engine, then the engine brake lever (3) and wait for the blades to stop.
- Pull the spark plug boot from the spark plug (10) boot in order to prevent the engine from restarting.
- Before you start the engine again, check the cord for the engine brake. Check that the cord is correctly fitted. If the cord is kinked or damaged, it should be replaced.
Before mowing
Important information
- Make sure that you are properly dressed when mowing. Wear sturdy, non-slip footwear; do not wear sandals or tennis shoes.
- Inspect the blade. A blade that is bent or damaged in any other way must be immediately exchanged for a genuine replacement blade.
- Do not fill the fuel tank indoors, but rather out in the open. Use a filling funnel and a measuring jug. Wipe off any spilled petrol.
- Read and follow in the instructions in the operating manual as well as the information regarding the engine and accessory equipment. Store the manual in a place where it can be readily accessed by other users of the machine.
- Exhaust gas is dangerous. Only start the engine out in the open.
- Make sure that all the guards are fitted and that they are in good working order.
- The machine should only be operated by persons who are well informed with the way it works, and who are in reasonably good physical condition.
- It can be dangerous to mow the grass when it is wet. Try to ensure that you only mow the grass when it is dry.
- Advise children and others to keep well away from the lawn mower.
- Never mow the grass in poor visibility.
- Remove all loose objects from the lawn before you start mowing the grass.
Tips for proper mowing
CAUTION! Never open the chute flap when the catch bag has been detached (to be emptied) and the engine is still running. The rotating blade can cause serious injuries!
Always carefully fasten the chute flap and grass basket. Switch off the engine before emptying the grass basket. Always ensure that a safe distance (provided by the length of the long handles) is maintained between the user and the mower housing. Be especially careful when mowing and changing direction on slopes and inclines. Maintain a solid footing and wear sturdy, non-slip footwear and long trousers. Always mow along the incline (not up and down).
For safety reasons, the lawn mower may not be used to mow inclines whose gradient exceeds 15 degrees. Use special caution when backing up and pulling the lawn mower. Tripping hazard!
Mowing
Only use a sharp blade that is in good condition. This will prevent the grass blades from fraying and the lawn from turning yellow. Try to mow in straight lines for a nice, clean look. Insodoing, the mowing swaths should always overlap each other by a few centimeters in order to avoid bare strips.
Keep the underside of the mower housing clean and remove grass build-up. Deposits not only make it more difficult to start the mower; they decrease the quality of the cut and make it harder for the machine to bag the grass. Always mow along inclines (not up and down). Slightly turning the front wheels up the hill while mowing will prevent the mower from sliding out of the straight line. Select the cutting height according to the length of the grass. If the lawn has grown quite a bit, mow over it several times so that no more than 4 cm of grass are cut at one time. Switch off the engine before doing any checks on the blade. Keep in mind that the blade continues to rotate for a few seconds after the engine has been switched off. Never attempt to manually stop the blade.
Regularly check to see if the blade is securely attached, is in good condition and is sharp. If the contrary is the case, sharpen the blade or replace it. In the event that the blade strikes an object,immediately switch off the lawn mower and wait for the blade to come to a complete stop. Then inspect the condition of the blade and the blade mount. Replace any parts that are damaged.
Tips for proper mowing:
- Pay attention to ensure that you do not run into or over anything that could damage the mower. The lawn mower could be damaged and/or the machine could inflict bodily injury.
- A hot engine, exhaust or drive unit can burn the skin if touched. Thus, do not touch these parts unless the mower has been switched off for a while and you know that they have cooled down!
- Use extra caution when mowing on inclines and steep grades.
- Insufficient daylight or even a sufficient level of artificial light is one reason not to mow.
- Check the mower, the blade and other parts if they have struck a foreign object or if the machine vibrates more than usual.
- Do not make any adjustments or repairs until the engine has been switched off. Pull the plug boot.
- Pay special attention if you are mowing directly next to a street or are close by one (traffic). Always keep the grass chute pointed away from the street.
- Avoid mowing in places where the wheels have trouble gripping or mowing is unsafe in any other way. Before you back up, ensure that nobody is standing behind you (especially little children, who are more difficult to see).
- When mowing over thick, high grass, select the highest cutting level and mow at a slower speed. Before you remove any grass or blockages of any kind, switch off the engine and pull the plug boot.
- Never remove any safety-related parts.
- Never fill the engine with petrol when it is hot or is running.
Emptying the grass basket
The debris bag (16) is equipped with a filling level indicator (Fig. 16). This will be opened by the air current produced by the mower. If the flap falls during mowing, the debris bag (16) is full and should be emptied. To ensure that the filling level indicator works properly, the holes under the flap must be kept clean and permeable.
As soon as grass clippings start to trail the lawn mower, it is time to empty the grass basket.
WARNING
Before taking off the grass basket, switch off the engine and wait until the blade has come to a stop.
To take off the grass basket (16), use one hand to lift up the chute flap (15) and the other to grab onto the basket handle (Fig.16). Remove the basket. For safety reasons, the chute flap (15) automatically falls down after removing the grass basket and closes off the rear chute opening.
If any grass remains in the opening, it will be easier to restart the engine if you pull the mower back approx. 1 meter. Do not use your hands or feet to remove clippings in or on the mower housing, but instead use suitable tools such as a brush or a hand broom.
In order to ensure that the majority of grass clippings are picked up, the inside of both the grass basket (16) and especially the air grill must be cleaned after each use. Reattach the grass basket (16) only when the engine is switched off and the blade is stopped. Using one hand, lift up the chute flap (15), while grabbing onto the basket handle with the other. Hang in the basket from the top. Fig. 9
After mowing
- Allow the engine to cool before you put the lawn mower in an enclosed area.
Remove grass, foliage, grease and oil before storing the mower. Do not place any objects on top of the mower. - Check all the screws and nuts once more before you start to use the lawn mower again. Tighten any loose screws.
- Also be sure to empty the grass basket (16).
- Pull the spark plug boot to prevent unauthorized use.
- Ensure that you do not park the mower next to any source of danger. Petrol fumes can lead to explosions.
- Only original parts or parts approved by the manufacturer may be used for repairs (see address on the warranty certificate).
- If the lawn mower is not going to be used for an extended period, empty the petrol tank using a petrol suction pump.
- Oil and maintain the machine.
9. Maintenance and cleaning
- Regular, careful maintenance is required to guarantee the safety level and performance of the machine.
- Make sure that all nuts, bolts and screws are tightened securely and that the machine is in safe working condition.
- Routinely check the grass basket for signs of wear and impaired functionality. Regularly clean the grass box with water and let it dry thoroughly.
- For your own safety, replace worn or damaged parts without delay.
- If the fuel tank should require emptying this should only be done in the open air using a petrol suction pump (available from DIY shops).
WARNING
Never work on or touch conducting parts on the ignition unit with the engine running. Always pull the spark plug boot from the spark plug before starting any work of care or maintenance. Never perform any work on the machine while it is running. Any work not described in these Operating Instructions must be performed by an authorized service workshop only. Pay attention to moving knife assemblies.
Cleaning
The lawn mower should be thoroughly cleaned after every use, especially the underneath and the blade mount. To remove the gras, tip the lawn mower onto its left side (the opposite side to the oil filling socket) or clean the mower with water as descript below:
- Remove gras box.
- Fit the hose connection to the mower and turn the tap on. (Fig. 23)
- Start the mower and switch off again after about 30 seconds. The rotating blade bar throws the water onto the bottom of the mower and thus cleans it.
- Turn off the tap and remove the hose connection.
- Clean the top with a cloth (do not use any sharp objects).
Note! Before you tip the lawn mower onto its side, completely empty the fuel tank using a petrol suction pump. The lawn mower must never be tilted by more than 90 degrees. Dirt and grass is easiest to remove immediately after you have finished mowing the grass. Dried on grass and dirt can result in poorer mowing performance. Check that the grass chute is free of any residual grass. Remove any such residue. Never clean the lawn mower with a water jet or high-pressure cleaner. The engine must remain dry. Do not use aggressive cleaning agents such as cold cleaner or petroleum ether.
Wheel axles and wheel hubs
- These should be lightly greased once a season.
Blade
For safety reasons you should only ever have your blade sharpened, balanced and mounted by an authorized service workshop. For optimum results it is recommended that the blade should be inspected once a year.
Replacement number: 7911200620
Changing the blade (Fig.17)
Only ever use original spare parts when having the blade replaced.
Wear gloves when replacing the blade in order to prevent injury.
Never have any other blade fitted.
- Empty the fuel tank before removing the blade
- To replace the blade, undo the screw.
- Reinstall as illustrated in Fig. 17. Tighten the screw properly. Tightening torque 45 Nm. When replacing the blade, the blade screw should also be replaced.
Damaged blades
Should the blade, in spite of all precautions, come into contact with an obstruction, shut down the engine immediately and pull the spark plug boot. Tip the lawn mower onto its side and check the blade for damage. Damaged or bent blades must be replaced. Never attempt to bend a bent blade back to straight again. Never mow the lawn with a bent or heavily worn blade as this will cause vibrations and can lead to further damage to the lawn mower.
CAUTION! There is a risk of injury if you work with a damaged blade.
Resharpening the blade
The blades can be resharpened with a metal file. In order to avoid imbalance, the blade should be resharpened by an authorized service workshop
Checking the oil level
CAUTION! Never run the engine with no or too little oil. This could cause severe damage to the engine. Use only SAE30 engine oil.
Checking the oil level (Fig. 18):
- Stand the lawn mower on a flat level surface.
- Unscrew the oil dip stick (12) by turning anticlock-wise, pull out and wipe. Insert the dip stick back in the filling mount as far as the stop, but do not screw back in.
- Pull out the dip stick (12) again and read off the oil level while holding horizontally. The oil level must be between the maximum and the minimum
Changing the oil
- Change the engine oil every year before the start of the season when the engine is warm.
- Use only engine oil (SAE30/ 10W30).
- Empty the fuel tank (with a petrol suction pump)
- Place a flat oil drip tray in front of the mower (min. volume 1 Liter).
- Remove the dipstick and tip over the mower untill the whole oil is run out into the oil drip tray.
- Fill up with engine oil as far as the top mark on the dipstick (approx. 0.4 l).
- Important! Do not screw in the oil dipstick to check the oil level - only insert it as far as the thread.
Dispose of the used oil in accordance with applicable regulations.
Maintenance of the air filter (Fig. 20)
A soiled air filter will reduce the performance of the engine because
it will prevent enough air getting to the carburetor. It is therefore imperative that regular checks are made. The air filter should be checked every 25 hours and cleaned if required. If the air is very dusty the air filter should be checked more regularly.
Unclip the air filter cover and remove the sponge filter element. To avoid objects falling into the air intake, replace the air filter cover. (Fig. 20).
Important: Never clean the air filter with petrol or inflammable cleaning agents. Clean the air filter with compressed air or simply by knocking out any soiling.
Maintenance of the spark plug (Fig. 21)
Check the spark plug for dirt and grime after 10 hours of operation and if necessary clean it with a copper wire brush. Thereafter service the spark plug after every 50 hours of operation.
Pull off the spark plug boot with a twist. Remove the spark plug (10) with a spark plug wrench.
Using a feeler gauge, set the gap to 0.75 mm( 0.030″). Refit the spark plug taking care not to overtighten.
Repairs
After any repair or maintenance work, check that all safety-related parts are in place and in proper working order. All parts which may cause injury must be kept where they are inaccessible to children or others.
Important: In accordance with product liability legislation we are not liable for any damages caused by improper repairs or the use of spare parts that are not original spare parts or parts approved by us.
In addition, we are also not liable for any damages arising from improper repairs. Such work should be performed by a customer services workshop or authorized specialist. The same applies to accessory parts.
Times of use
Please comply with statutory regulations, which may vary from location to location.
Service information
Please note that the following parts of this product are subject to normal or natural wear and that the following parts are therefore also required for use as consumables.
Wear parts*: spark plug (Art.-Nr: 3904601090), belt, filter (Art.-Nr: 5911249045), knife (Art.-Nr: 7911200620)
* Not necessarily included in the scope of delivery!
Important hint in case of sending the equipment to a service station:
Due to security reasons please see to it that the equipment is sent back free of oil and gas!
Ordering replacement parts
Please quote the following data when ordering replacement parts:
- Type of machine
- Article number of the machine
10. Storage
- Never store the mower (with petrol in the tank) inside a building in which petrol fumes could come into contact with open flames or sparks.
- Allow the motor to cool before you put the lawn mower in an enclosed area.
- In order to avoid fire hazards, keep the engine, exhaust and the area around the fuel tank free from grass, leaves and leaking grease (oil).
Preparing the mower for long-term storage
Caution: Do not empty the petrol tank in enclosed areas, near fire or when smoking. Petrol fumes can cause explosions and fire.
- Clean and maintain the machine before storage
- Empty the petrol tank with a petrol suction pump.
- Start the engine and let it run until any remaining petrol has been used up.
- Change the oil at the end of every season. To do so, remove the used engine oil from a warm engine and refill with fresh oil.
- Remove the spark plug from the cylinder head. Fill the cylinder with approx. 20 ml of oil from an oil can. Slowly pull back the starter handle, which will bathe the cylinder wall with oil. Screw the spark plug back in.
- Clean the cooling fins of the cylinder and the housing.
- Be sure to clean the entire machine to protect the paint.
- Store the machine in a well-ventilated place.
Preparing the mower for transportation (Fig. 22)
- Empty the petrol tank.
- Always let the engine run until it has used up the remainder of petrol in the tank.
- Empty the engine oil from the warm engine.
- Remove the spark plug boot from the spark plug.
- Clean the cooling fins of the cylinder and the housing.
- Remove the start tension cable (17) from the hook. Loosen the quick-release lever (5) and fold the upper push bar down. Make sure the cables are not bent during this process.
- Wedge a few layers of corrugated cardboard between the upper and lower push bars and the engine in order to prevent any chafing.
11. Disposal and recycling
The equipment is supplied in packaging to prevent it from being damaged in transit. The raw materials in this packaging can be reused or recycled. The equipment and its accessories are made of various types of material, such as metal and plastic. Defective components must be disposed of as special waste. Ask your dealer or your local council.
12. Troubleshooting
Troubleshooting
The table shows potential failures, their possible cause and removal options. However, if you are unable to remove the problem, contact a professional to assist you.
CAUTION!
Always switch off the engine and pull the ignition cable before starting any inspection or adjustment work.
CAUTION!
If, after making an adjustment or repair to the engine, you let it run for a few minutes, remember that the exhaust and other parts will get hot. Thus, do not touch parts that emanate heat, as these may burn you.
| Fault | Possible cause | Remedy |
| Loud while running, machine vibrates heavily | • Screws are loose • Blade fasteners are loose • Blade is unbalanced | • Check screws • Check blade fasteners • Replace blade |
| Engine does not start | • Brake lever not pressed • Speed lever in wrong position • Spark plug is defective • Fuel tank is empty • Contaminated fuel • Cold environment • Engine faulty | • Press brake lever • Check setting • Replace spark plug • Refill with fuel • Empty fuel tank and fill with clean fuel • Push the primer button • Contact authorised customer service |
| Engine runs unsteadily | • Air filter is soiled • Spark plug is soiled | • Clean the air filter • Clean the spark plug |
| Uneven mowing results | • Blade is blunt • Cutting height is too low | • Sharpen the blade • Set correct height |
| Unsatisfactory bagging of the grass | • Cutting height is too low • Blade is worn • Basket is clogged | • Set correct height • Replace the blade • Empty the basket |
A

B

CE – Declaration of Conformity
scheppach Fabrikation von Holzbearbeitungsmaschinen GmbH • Günzburger Str. 69 • 89335 Ichenhausen / Germany
hereby declares the following conformity under the EU Directive and standards for the following article
Brand: SCHEPPACH
Article name: PETROL LAWN MOWER – MP132-42
Art. no.: 5911248903
| 2014/29/EU | 2004/22/EC | 89/686/EC_96/58/EC | |||
| 2014/35/EU | 2014/68/EU | 90/396/EC | |||
| X | 2014/30/EU | 2011/65/EU* |
| X | 2006/42/EC |
| Annex IV Notified Body: Notified Body No.: Certificate No.: |
| X | 2000/14/EC_2005/88/EC |
| Noise: measured LWA = 91,3 dB(A); guaranteed LWA = 96 dB(A) P = xx KW; L/Ø = cm | |
| Annex V | |
| X | Annex VI Notified Body: TÜV SÜD Product Service GmbHNotified Body No.: 0036 |
| X | 2016/1628/EC |
| Emission. No: e24*2016/1628*2017/656SRA1/P*0059*00 |
Standard references:
EN 5395-1:2013; EN 5395-2:2013/A2:2017; EN 14982:2009
This declaration of conformity is issued under the sole responsibility of the manufacturer.
Ichenhausen, den 21.08.2020

Head of Project Management
First CE: 2019 Documents registar: Stefan Hartinger
Subject to change without notice Günzburger Str. 69, D-89335 Ichenhausen
Apparent defects must be notified within 8 days from the receipt of the goods. Otherwise, the buyerís rights of claim due to such defects are invalidated. We guarantee for our machines in case of proper treatment for the time of the statutory warranty period from delivery in such a way that we replace any machine part free of charge which provably becomes unusable due to faulty material or defects of fabrication within such period of time. With respect to parts not manufactured by us we only warrant insofar as we are entitled to warranty claims against the upstream suppliers. The costs for the installation of the new parts shall be borne by the buyer. The cancellation of sale or the reduction of purchase price as well as any other claims for damages shall be excluded.
www.scheppach.com /
[email protected] /
+(49)-08223-4002-99 /
+(49)-08223-4002-58





































