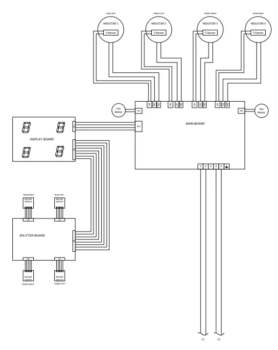
PRIR34452SS 30 Inch Stainless Steel Pro-Style Induction Range Stainless Steel

SCHEMATIC DIAGRAM
WARNING
POWER MUST BE DISCONNECTED BEFORE SERVICING THE APPLIANCE

WARNING
Caution: Label all wires prior to disconnection when servicing controls. Wiring errors can cause improper and dangerous operation. Verify proper operation after servicing.

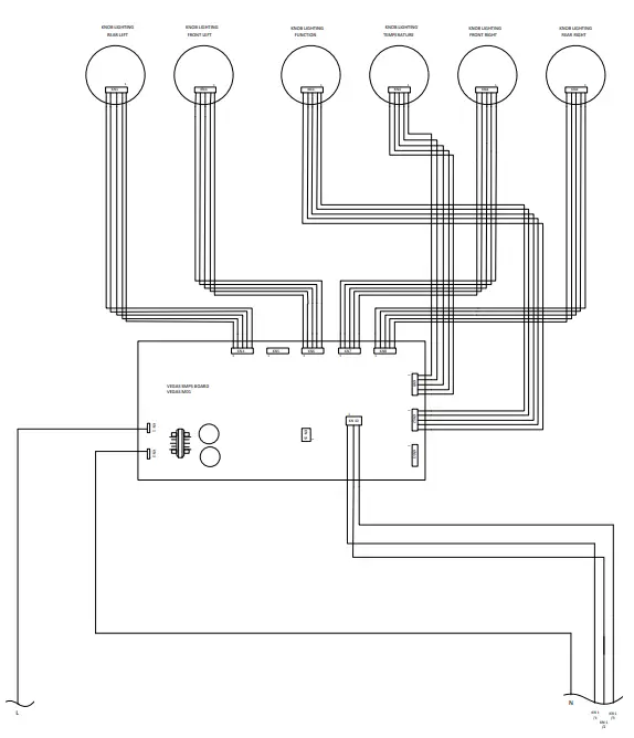
LED INDICATOR LIGHTING




















