beko PRDF34552SS 30″ Stainless Steel Pro-Style Dual Fuel Range

WARNING
Caution
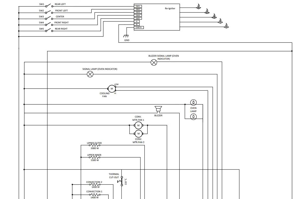
Label all wires prior to disconnection when servicing controls. Wiring errors can cause improper and dangerous operation. Verify proper operation after servicing
SCHEMATIC DIAGRAM
ELECTRONIC CONTROL BOARD


WARNING POWER MUST BE DISCONNECTED BEFORE SERVICING THE APPLIANCE





















