ecler eSAM402 Installation Analogue Mixer

The lightning flash with arrowhead symbol, within an equilateral triangle, is intended to alert the user to the presence of uninsulated “dangerous voltage” within the product’s enclosure that may be of sufficient magnitude to constitute a risk of electric shock to persons.
The exclamation point within an equilateral triangle is intended to alert the user to the presence of important operating and maintenance (servicing) instructions in the literature accompanying the appliance.
WARNING (If applicable): The terminals marked with symbol of “ ” may be of sufficient magnitude to constitute a risk of electric shock. The external wiring connected to the terminals requires installation by an instructed person or the use of ready-made leads or cords.
WARNING: To prevent fire or shock hazard, do not expose this equipment to rain or moisture.
WARNING: An apparatus with Class I construction shall be connected to a mains socket-outlet with a protective earthing connection.
IMPORTANT SAFETY INSTRUCTIONS
- Read these instructions.
- Keep these instructions.
- Heed all warnings.
- Follow all instructions.
- Do not use this apparatus near water.
- Clean only with dry cloth.
- Do not block any ventilation openings. Install in accordance with the manufacturer’s instructions.
- Do not install near any heat sources such as radiators, heat registers, stoves, or other apparatus (including amplifiers) that produce heat.
- Do not defeat the safety purpose of the polarized or grounding type plug. A polarized plug has two blades with one wider than the other. A grounding type plug has two blades and a third grounding prong. The wide blade or the third prong are provided for your safety. If the provided plug does not fit into your outlet, consult an electrician for replacement of the obsolete outlet.
- Protect the power cord from being walked on or pinched particularly at the plugs, convenience receptacles, and at the point where they exit from the apparatus.
- Only use attachments/accessories specified by the manufacturer.
- Unplug the apparatus during lightening sorts or when unused for long periods of time.
- Refer all servicing to qualified personnel. Servicing is required when the apparatus has been damaged in any way, such as power supply cord or plug is damaged, liquid has been spilled or objects have fallen into the apparatus, the apparatus has been exposed to rain or moisture, does not operate normally, or has been dropped.
- Disconnecting from mains: When switching off the POWER switch, all the functions and light indicators of the unit will be stopped, but fully disconnecting the device from mains is done by unplugging the power cable from the mains input socket. For this reason, it always shall remain easily accessible.
- Equipment is connected to a socket-outlet with earthing connection by means of a power cord.
- The marking information is located at the bottom of the unit.
- The apparatus shall not be exposed to dripping or splashing and that no objects filled with liquids, such as vases, shall be placed on apparatus.
NOTE: This equipment has been tested and found to comply with the limits for a Class A digital device, pursuant to part 15 of the FCC Rules. These limits are designed to provide reasonable protection against harmful interference when the equipment is operated in a commercial environment. This equipment generates, uses, and can radiate radio frequency energy and, if not installed and used in accordance with the instruction manual, may cause harmful interference to radio communications. Operation of this equipment in a residential area is likely to cause harmful interference in which case the user will be required to correct the interference at his own expense.
WARNING: This product must not be discarded, under any circumstance, as unsorted urban waste. Take to the nearest electrical and electronic waste treatment centre.
NEEC AUDIO BARCELONA, S.L. accepts no liability for any damage that may be caused to people, animal or objects due to failure to comply with the warnings above.
IMPORTANT NOTE
Thank you for choosing our Ecler eSAM402 Installation Analogue Mixer!
It is VERY IMPORTANT to carefully read this manual and to fully understand its contents before any connection in order to maximize your use and get the best performance from this equipment.
To ensure optimal operation of this device, we strongly recommend that its maintenance be carried out by our authorised Technical Services.
Ecler eSAM402 comes with a 3-year warranty.
INTRODUCTION
The eSAM402 is an easy-to-use professional mixer designed for PA applications. Its main features are:
- 3 MIC/LINE STEREO input channels.
- 1 fourth STEREO LINE input channel
- Balanced main stereo output
- Adjustable microphone sensitivity on the back panel.
- +18 V DC Phantom power supply available for all “MIC” inputs.
- Includes assignable Talkover on inputs 1, 2 and 3 (the Talkover function may be simultaneously enabled on one, two or all entries).
- Global 3-band tone controls, adjustable with a screwdriver.
- 3 LED level indicators per channel for the stereo mix signal.
- Main output level control.
- Record output.
- The “MUTE” remote control input allows connection of external dry contact closures (fire detection systems and other safety devices that have to mute the mixer signal by activating the “NO” (normally open) control signal).
- Mono/stereo selector for the main mix output.
INSTALLATION
The eSAM402 mixer has been specially designed to be installed in a standard 19″ rack, taking up 1U. It has been designed to be operated by non-technical users. This is the reason why its tone controls are adjustable only with a screwdriver. On the opposite, input and output level controls use classic and easily accessible rotary knobs.
Due to its low power consumption and heat sink, the eSAM402 doesn’t need any fan cooling. However, avoid installing it in dusty environments and/or in a location with extreme temperature and moisture.
The mixer should be kept apart from noise and interference sources (dimmers, motors, etc…) as well as from power cables.
The eSAM402 is powered by alternating current through its external power supply: 100-240 VAC and 50-60 Hz. This external PSU has interchangeable connectors: American, European, British and Chinese.
In order to protect the mixer from eventual overloads, the eSAM402 is protected by a timered power fuse of 0.5A. If it gets blown up, you must replace it with an identical one. If it gets blown up, you must replace it with an identical one. NEVER REPLACE THE FUSE WITH ANOTHER ONE WITH A HIGHER VALUE.
CAUTION: Fuse substitutions have to be performed by a qualified technician.
INPUTS
The eSAM402 supports two types of audio signals for each of its first three inputs (mono MIC or stereo LINE), selectable by a MIC/LINE switch on the rear panel:
Microphone signal: 3 mixing channels offer a Euroblock connector for a nominal input level from –50dBV (3.16mV) to –20dBV (0.1mV), with a GAIN control on the rear panel to adjust the gain.
Here is the wiring diagram for microphones:
Microphones must be low impedance (200 to 600) and monophonic.
The eSAM402 supplies phantom power for condenser microphones; it is enabled by an internal jumper (see diagram).
Note: By default, phantom power is disabled (factory setting).
The Talkover (priority) function operates when a signal is detected at the inputs 1 to 3 this function is assigned to; it attenuates the other inputs of the unit that don’t have priority. Turn it on/off for each input channel with the “TK” switch on the front panel.
To manage the important level differences existing between conventional CD and LINE sources and other devices capable of producing audio signals, the LINE inputs 1-3 of the eSAM402 are standard line inputs (0dBV) and the sensitivity of the LINE input #4 can be selected (0/-6dBV) by internal jumper (the default position is 0dBV). A sensitivity of -6dBV is ideal for low-level sound sources such as media players, portable MP3 players, tablets, computers, mobile phones, etc.
WARNING: Turntables CAN NOT be directly connected to this unit, because eSAM402
has no RIAA preamp equipped input.
OUTPUTS
The eSAM402 has a main stereo output (OUT L / OUT R), with electronically balanced Euroblock connectors.
Connection is made according to the following diagram:
The mixer’s main output level (OUTPUT VOL) must be set in order to avoid your system power amp clipping indicators (CLIP) to be permanently lit. Only the most powerful lower frequencies must light them.
Other connections on the back panel:
- AUX/REC output with a nominal output of 0dBV (10k load) and an extra gain setting of +6dB, enabled by internal jumper (0dBV is the default position).
- L+R switch: convert output signals in a mono signal.
- MUTE remote control input: enabled by external dry contact closure. It allows connection of fire detection systems and other safety devices that have to mute the mixer by using this control signal. The mode of operation is “NO” (normally open).
STARTING UP
This is directly done via the POWER mains switch. Even is the power-up noise of eSAM402 is minimal, we highly recommend to power up all equipment in the following order: sound sources, mixing units, equalizer, processors and finally power amplifiers. The power down sequence is the inverse of the power up one.
EQUALIZATION
The tone controls of the main output provide a ± 15dB gain/attenuation for each of the bands, and their central operating frequencies are 100Hz, 2kHz and 10kHz. Given the philosophy of this unit, the tone controls are designed to be adjusted with a screwdriver, thereby preventing accidental manipulation during normal use.
VU-METER
The eSAM402 has a VU-meter to show the main mixing signal.
GROUND LOOPS, BACKGROUND NOISE
You should always make sure that the signal sources coming to the unit, as well as all devices connected to its outputs, do not have their grounds interconnected, that is; ground must never come from two different devices. Should this ever happen, noises could occur and seriously interfere the sound quality.
Cable shields, when connected to the chassis, must never be linked together. This will avoid ground loops.
The eSAM402 mixer was designed to produce the lowest background noise. Independently from the electronic design, the resulting background noise directly relies on the correct use and installation of the mixing unit.
Adjust, where appropriate, the gain of each input for an adequate operating level and then adjust the VOL controls on the front panel to obtain the desired input mix.
Finally, adjust the VOL control of the main mix output to get the relevant output volume for your installation, and also enable the TK switches for priority inputs (a signal detection on these priority inputs will attenuate the signal of non-priority inputs).
Important note on mix level adjustment: setting for example a channel VOL control to “2” and the output VOL control to “10” is not the same as the opposite. In the first case,
the signal entering the mixing amplifier is weak, but even so it contains a background noise, so the signal/noise ratio is low (low signal). When the output amplifier equally amplifies both parts as a whole, the output has a very high background noise. In the second case, as the channel VOL control is set to the maximum, the signal received by the mixing amplifier has a high level and therefore also a high (good) signal/noise ratio, so when this signal reaches the output VOL control and is amplified, the signal/noise ratio remains better than in the previous case.
CLEANING
The front panel should not be cleaned with dissolvent or abrasive substances because silk-printing could be damaged. To clean it, use a soft cloth slightly wet with water and neutral liquid soap; dry it with a clean cloth. Be careful that water never gets into the unit through the holes of the front panel.
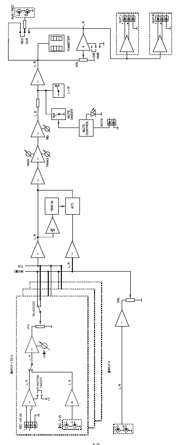
DIAGRAM and FUNCTION LIST 
- Channel volume control, VOL
- Talkover switch, TK
- Bass control, BASS
- Midrange control, MID
- Treble control, TREBLE
- Output main volume control, OUTPUT VOL
- LED indicator, MUTE
- LED indicator, POWER ON
- Led Vu-meter, LEVEL
- Micro input, MIC
- Micro line selector
- Line input, LINE
- Input sensitivity adjust, ADJ
- Recording output, AUX/REC
- Mono-stereo switch, L+R
- Main output, left channel, OUTPUT L
- Main output, right channel, OUTPUT R
- Screwable terminal for remote mute, MUTE
- Mains socket
- Fuse holder
- Mains switch, POWER
CONFIGURATION DIAGRAM
BLOCK DIAGRAM
TECHNICAL CHARACTERISTICS
All product characteristics are subject to variation due to production tolerances.
NEEC AUDIO BARCELONA S.L. reserves the right to make changes or improvements in the design or manufacturing that may affect these product specifications.
For technical queries contact your supplier, distributor or complete the contact form on our website, in Support / Technical requests requests.
Motors, 166‐168 08038 Barcelona ‐ Spain ‐ (+34) 932238403
| [email protected] | www.ecler.com























