eSAM603 Analogue Mixer
User Manual

IMPORTANT REMARK
CAUTION![]()
RISK OF ELECTRIC SHOCK DO NOT OPEN
WARNING: SHOCK HAZARD – DO NOT OPEN
AVIS: RISQUE DE CHOC ELECTRIQUE – NE PAS OUVRIR
The lightning flash with arrowhead symbol, within an equilateral triangle, is intended to alert the user to the presence of uninsulated “dangerous voltage” within the product’s nclosure that may be of sufficient magnitude to constitute a risk of electric shock to persons.
The exclamation point within an equilateral triangle is intended to alert the user o the presence of important operating and maintenance (servicing) instructions in the literature accompanying the appliance.
WARNING (If applicable): The terminals marked with symbol of “
” may be of sufficient magnitude to constitute a risk of electric shock. The external wiring connected to the terminals requires installation by an instructed person or the use of ready-made leads or cords.
WARNING: To prevent fire or shock hazard, do not expose this equipment to rain or moisture.
WARNING: An apparatus with Class I construction shall be connected to a mains socket-outlet with a protective earthing connection.
IMPORTANT SAFETY INSTRUCTIONS
- Read these instructions.
- Keep these instructions.
- Heed all warnings.
- Follow all instructions.
- Do not use this apparatus near water.
- Clean only with dry cloth.
- Do not block any ventilation openings. Install in accordance with the manufacturer’s instructions.
- Do not install near any heat sources such as radiators, heat registers, stoves, or other apparatus (including amplifiers) that produce heat.
- Do not defeat the safety purpose of the polarized or grounding type plug. A polarized plug has two blades with one wider than the other. A grounding type plug has two blades and a third grounding prong. The wide blade or the third prong are provided for your safety. If the provided plug does not fit into your outlet, consult an electrician for replacement of the obsolete outlet.
- Protect the power cord from being walked on or pinched particularly at the plugs, convenience receptacles, and at the point where they exit from the apparatus.
- Only use attachments/accessories specified by the manufacturer.
- Unplug the apparatus during lightening sorts or when unused for long periods of time.
- Refer all servicing to qualified personnel. Servicing is required when the apparatus has been damaged in any way, such as power supply cord or plug is damaged, liquid has been spilled or objects have fallen into the apparatus, the apparatus has been exposed to rain or moisture, does not operate normally, or has been dropped.
- Disconnecting from mains: When switching off the POWER switch, all the functions and light indicators of the unit will be stopped, but fully disconnecting the device from mains is done by unplugging the power cable from the mains input socket. For this reason, it always shall remain easily accessible.
- Equipment is connected to a socket-outlet with earthing connection by means of a power cord.
- The marking information is located at the bottom of the unit.
- The apparatus shall not be exposed to dripping or splashing and that no objects filled with liquids, such as vases, shall be placed on apparatus.
NOTE: This equipment has been tested and found to comply with the limits for a Class A digital device, pursuant to part 15 of the FCC Rules. These limits are designed to provide reasonable protection against harmful interference when the equipment is operated in a commercial environment. This equipment generates, uses, and can radiate radio frequency energy and, if not installed and used in accordance with the instruction manual, may cause harmful interference to radio communications. Operation of this equipment in a residential area is likely to cause harmful interference in which case the user will be required to correct the interference at his own expense.
WARNING: This product must not be discarded, under any circumstance, as unsorted urban waste. Take to the nearest electrical and electronic waste treatment centre.
NEEC AUDIO BARCELONA, S.L. accepts no liability for any damage that may be caused to people, animal or objects due to failure to comply with the warnings above.
IMPORTANT NOTE
Thank you for choosing our Ecler eSAM603 Installation Analogue Mixer!
It is VERY IMPORTANT to carefully read this manual and to fully understand its contents before any connection in order to maximize your use and get the best performance from this equipment.
To ensure optimal operation of this device, we strongly recommend that its maintenance be carried out by our authorised Technical Services.
Ecler eSAM603 comes with a 3-year warranty.
INTRODUCTION
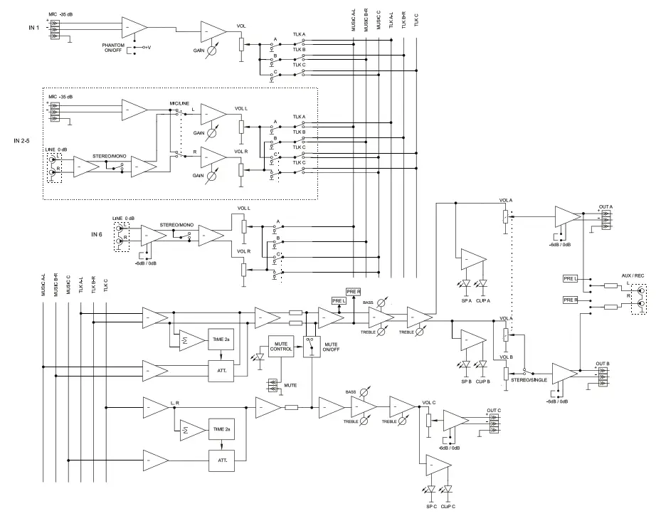
eSAM603 is a professional audio mixer designed for easy handling in sound reinforcement applications. Its main features are:
- 1 MIC input channel, IN1
- 4 MIC/STEREO LINE input channels, IN2 to IN5
- 1 STEREO LINE input channel, IN6
- MONO/STEREO switch available on all STEREO LINE or MIC/STEREO LINE inputs
- 3 balanced outputs (A, B and C) can operate in stereo mode (AB) + mono (C) or as 3 mono outputs (A, B and C in mono mode)
- STEREO/SINGLE switch for A/B outputs: stereo or individual (MONO) operating modes
- Sensitivity level control on the rear panel
- + 18V DC Phantom power available on all MIC and MIC/LINE inputs
- A, B and C output keys are available on all inputs to independently select the output destination of each input
- Includes assignable Talkover (priority) on inputs 1 to 5 (the Talkover function may be simultaneously enabled on several inputs)
- Independent 3-band tone controls for A and B outputs, and for C output
- Signal presence/clipping LED indicator (SP/CLIP) per output
- A, B and C output level control
- Record/auxiliary output
- The “MUTE” remote control input allows connection of external dry contact closures (fire detection systems and other safety devices that have to mute the three mixer outputs by activating the “NO” (normally open) control signal)
INSTALLATION
The eSAM603 mixer has been specially designed to be installed in a standard 19″ rack, taking up 1U.
Due to its low power consumption and heat sink, the eSAM603 doesn’t need any fan cooling. However, avoid installing it in dusty environments and/or in a location with extreme temperature and moisture.
The mixer should be kept apart from noise and interference sources (dimmers, motors, etc…) as well as from power cables.
The eSAM603 is powered by alternating current through its external power supply: 100240 VAC and 50-60 Hz.
This external PSU has interchangeable connectors: American, European, British and Chinese.
In order to protect the mixer from eventual overloads, the eSAM603 is protected by a timered power fuse of 0.5A. If it gets blown up, you must replace it with an identical one. If it gets blown up, you must replace it with an identical one. NEVER REPLACE THE FUSE WITH ANOTHER ONE WITH A HIGHER VALUE.
CAUTION: Fuse substitutions have to be performed by a qualified technician.
INPUTS
The eSAM603 inputs accept two types of audio signals (mono microphone and/or stereo line). For inputs accepting both types of signals, the selection is done using a MIC/LINE switch located on the rear panel:
Microphone signal: Euroblock connector and a nominal input level from -50dBV (3.16mV) to -20dBV (0.1V), with a GAIN control on the rear panel to adjust the gain.
Here is the wiring diagram for microphones:

Microphones must be low impedance (200 to 600Ω) and monophonic.
The eSAM603 supplies phantom power for condenser microphones; it is enabled by an internal jumper (see diagram).
Note: By default, phantom power is disabled (factory setting).
The Talkover (priority) function operates when a signal is detected at the inputs 1 to 5 this function is assigned to; it attenuates the other inputs of the unit that don’t have priority. Turn it on/off for each input channel with the “TK” switch on the front panel.
Line level signals: to manage the important level differences existing between conventional CD and LINE sources and other devices capable of producing audio signals, the LINE inputs 2-5 of the eSAM603 are standard line inputs (0dBV) and the sensitivity of the LINE input #6 can be selected (0/-6dBV) by internal jumper (the default position is 0dBV). A sensitivity of -6dBV is ideal for low-level sound sources such as media players, portable MP3 players, tablets, computers, mobile phones, etc.
WARNING: Turntables CAN NOT be directly connected to this unit, because eSAM603 has no RIAA preamp equipped input.
OUTPUTS
The eSAM603 has three electronically balanced outputs with Euroblock connectors.
Connection is made according to the following diagram:

The master level of each mixer output (OUT A, B or C) must be adjusted so that the overload indicators (CLIP) are not permanently lit on the system amplifiers, but at most
on the lowest frequencies marking the rhythm.
Other connections on the back panel:
- AUX/REC output with a nominal output of 0dBV (10kΩ load) and an extra gain setting of +6dB, enabled by internal jumper (0dBV is the default position).
- MUTE remote control input: enabled by external dry contact closure. It allows connection of fire detection systems and other safety devices that have to mute the three mixer outputs by using this control signal. The mode of operation is “NO” (normally open).
STARTING UP
This is directly done via the POWER mains switch. Even is the power-up noise of eSAM603 is minimal, we highly recommend to power up all equipment in the following order: sound sources, mixing units, equalizer, processors and finally power amplifiers.
The power down sequence is the inverse of the power up one.
MONO/STEREO modes and INPUTS-OUTPUTS assignment
On the front panel, each input channel has a master level control (VOL) and 3 buttons (A, B and C) to assign its signal to one or more outputs of the unit. When one of these
buttons is engaged, the signal is sent to the corresponding output.
Microphone inputs are always mono, so you can send the mono signal at the A, B and/or C destination output by pressing the corresponding button. Example for input 1:
| Input (type) | Output A content (A button pressed) | Output B content (B button pressed) | Output C content (C button pressed) |
| IN1 (microphone, mono) | IN1 | IN1 | IN1 |
For line level signals, the output assignment depends whether these signals are in MONO or STEREO mode (MONO/STEREO switch on the rear panel for each MIC/LINE or LINE input). Example:
| Input (type) | Output A content (A button pressed) | Output B content (B button pressed) | Output C content (C button pressed) |
| IN2 (LINE, switch in the STEREO position) | IN2 L (left channel) | IN2 R (right channel) | IN2 L+R (mono sum) |
| IN3 (LINE, switch in the MONO position) | IN3 L+R (mono sum) | IN3 L+R (mono sum) | IN3 L+R (mono sum) |
Note: The C output is always mono and therefore always receives a mono sum of L + R line inputs that have been assigned to this output, regardless of their MONO/STEREO setting.
Additionally, the STEREO/SINGLE front panel switch allows you to choose between two ways to control the A and B output volume:
- simultaneously and only with OUT A control, OUT B control being disabled (switch in the STEREO position). This mode is suitable for the sound reinforcement of a stereo zone (A, left channel / B, right channel) and a mono zone (C)
- independently, using the A and B controls (switch in the SINGLE position). This mode is suitable for the sound reinforcement of three zones, A, B and C
EQUALIZATION
The tone controls of the A/B and C outputs provide a ± 15dB gain/attenuation for each of the three available bands, and their central operating frequencies are 100Hz, 2kHz and 10kHz.
GROUND LOOPS, BACKGROUND NOISE
You should always make sure that the signal sources coming to the unit, as well as all devices connected to its outputs, do not have their grounds interconnected, that is; ground must never come from two different devices. Should this ever happen, noises could occur and seriously interfere the sound quality.
Cable shields, when connected to the chassis, must never be linked together. This will avoid ground loops.
The eSAM603 mixer was designed to produce the lowest background noise.
Independently from the electronic design, the resulting background noise directly relies on the correct use and installation of the mixing unit.
Adjust, where appropriate, the gain of each input for an adequate operating level and then adjust the VOL controls on the front panel to obtain the desired input mix. Finally,
adjust the VOL control of the main mix output to get the relevant output volume for your installation, and also enable the TK switches for priority inputs (a signal detection on these priority inputs will attenuate the signal of non-priority inputs).
Important note on mix level adjustment: setting for example a channel VOL control to “2” and the output VOL control to “10” is not the same as the opposite. In the first case, the signal entering the mixing amplifier is weak, but even so it contains a background noise, so the signal/noise ratio is low (low signal). When the output amplifier equally amplifies both parts as a whole, the output has a very high background noise. In the second case, as the channel VOL control is set to the maximum, the signal received by the mixing amplifier has a high level and therefore also a high (good) signal/noise ratio, so when this signal reaches the output VOL control and is amplified, the signal/noise ratio remains better than in the previous case.
CLEANING
The front panel should not be cleaned with dissolvent or abrasive substances because silk-printing could be damaged. To clean it, use a soft cloth slightly wet with water and neutral liquid soap; dry it with a clean cloth. Be careful that water never gets into the unit through the holes of the front panel.
DIAGRAMS and FUNCTION LIST

| 1. Channel volume control, VOL 2. Talkover switch, TK 3. Output destination switches, A, B, C 4. Output main volume control, OUT A / B / C 5. Bass control, BASS 6. Midrange control, MID 7. Treble control, TREBLE 8. LED indicator, SP/CLIP 9. STEREO (VOL A)/SINGLE 10. (VOL A/VOL B) switch 11. LED indicator, MUTE 12. LED indicator, ON 13. Micro input, MIC | 14. Input sensitivity adjust, ADJ 15. Micro line selector 16. Mono-stereo switch, L+R 17. Line input, LINE 18. Recording output, AUX/REC 19. Main output, OUT A 20. Main output, OUT B 21. Main output, OUT C 22. Screwable terminal for remote mute, MUTE 23. Mains socket 24. Fuse holder 25. Mains switch, POWER |
CONFIGURATION DIAGRAM
JUMPERS FACTORY ADJUST
| Phantom: | OFF |
| L6 Input Sensitivity: | 0dB |
| Aux Output: | AUX PRE |
| Output Sensitivity: | 0dB |

BLOCK DIAGRAM

TECHNICAL CHARACTERISTICS
eSAM603
| Inputs Sensitivity / Impedance | |
| IN 1-5 (LINE) IN 6 (LINE) IN 1-5 (MIC/BAL) | 0dBV / 50kΩ 0(-6)dBV* / 50kΩ -35dBV/>1kΩ |
| Input sensitivity adjust | |
| IN 1-5 (MIC/BAL) | ±15dB |
| Outputs Level / Minimum load | |
| OUT AUX/REC | 0(+6)dBV */ 600Ω 0dBV/10kΩ |
| Frequency response | |
| LINE MIC BAL | 10Hz-50kHz – 1dB 10Hz-30kHz – 1dB |
| Harmonic distortion | |
| LINE MIC BAL | <0.005%dB <0.04%dB |
| CMRR | |
| MIC | >60dB@1kHz |
| Signal / Noise ratio (gain+15dB) | |
| LINE MIC BAL | >100dB >85dB |
| Tone control | |
| BASS MID TREBLE | 100Hz ±15dB 2kHz ±15dB 10kHz ±15dB |
| Talkover | |
| TIME EFFECT | 2 sec. -30dB |
| Phantom voltage | +18VDC |
| DC supply | ±17,5 VDC |
| Mains | 100-240VAC + External PSU 17,5VDC |
| Power consumption | 18VA |
| Dimensions | |
| PanelDepth | 482.6x44mm 120mm |
| Weight | 2.1kg |
*internally selectable
All product characteristics are subject to variation due to production tolerances.
NEEC AUDIO BARCELONA S.L. reserves the right to make changes or improvements in the design or manufacturing that may affect these product specifications.
For technical queries contact your supplier, distributor or complete the contact form on our website, in Support / Technical requests.


















