Planet CNC OptoCtrl 3-4 Adapter

OptoCtrl 3/4 Adapter
The OptoCtrl 3/4 adapter is a device designed to opto-isolate Mk3/4 controller inputs from external devices such as rotary incremental encoders. Its primary function is to protect the input circuitry of Mk3/4 controller from any damage that may occur due to improper wiring or power surges at the side of an externally connected device. Additionally, this adapter reduces electrical noise influence at controller inputs and makes it easy to connect rotary incremental encoders.
Introduction
Overview
OptoCtrl 3/4 adapter is a device that opto-isolates Mk3/4 controller inputs from external devices such as rotary incremental encoders. Its main function is to protect the input circuitry of Mk3/4 controller from any damage that may occur due to improper wiring or power surges at the side of externally connected device. Also, using this adapter reduces electrical noise influence at controller inputs and makes up for easy connection of rotary incremental encoders.
Features and Specifications
- Board that needs opto-isolated inputs.
- Adapter is available in two versions: NPN and PNP. Version used, depends on the type of external hardware.
- Single adapter offers 3 high speed opto-isolated input channels for encoder and one opto isolated channel for estop button.
- Each input corresponds to its dedicated open collector output
- Voltage range of optoisolated input signal is 5-24VDC
- It can be used as a simple voltage level translator where you need to connect devices that function at different voltage levels (e.g. 5V, 12V, 24V)
- Adapter was designed specifically for Mk3/4 controller but it can be used with any otherboard that needs opto-isolated inputs.
As an example or reference, we used an Omron E6B2 rotary encoder.
This encoder comes in multiple versions which differ on from another based on its output circuit.
Diagrams below will serve as an example on how to connect rotary encoder, depending on what type of output circuit encoder uses.
Common types of output circuits of rotary encoder are as such:
- NPN Open-collector output
- Voltage output
- Line driver output
- PNP Open-collector output
- Complementary output (aka Push Pull)
Usage Instructions
The following are instructions for connecting rotary incremental encoders to the OptoCtrl 3/4 adapter:
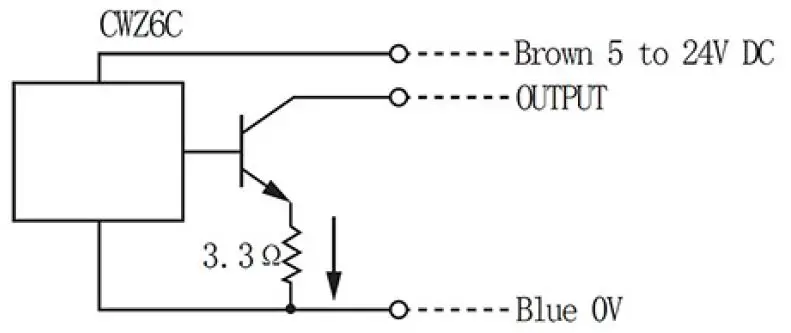
Rotary encoder with NPN Open-collector output:

Use NPN OptoCtrl 3/4 adapter:
- Black wire is encoder’s OUTPUT A, connect to ENA input
- White wire is encoder’s OUTPUT B, connect to ENB input
- Orange wire is encoder’s OUTPUT Z, connect to IDX input
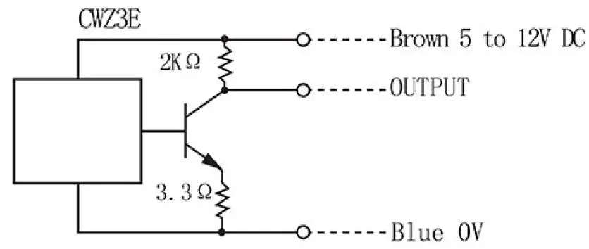
Rotary encoder with Voltage output:

Use NPN OptoCtrl 3/4 adapter:
- Black wire is encoder’s OUTPUT A, connect to ENA input
- White wire is encoder’s OUTPUT B, connect to ENB input
- Orange wire is encoder’s OUTPUT Z, connect to IDX input
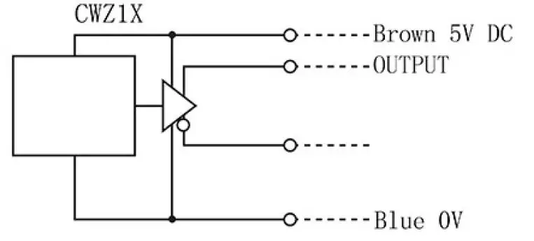
Rotary encoder with Line driver output:

Use PNP OptoCtrl 3/4 adapter:
- Black wire is encoder’s OUTPUT A, connect to ENA input
- White wire is encoder’s OUTPUT B, connect to ENB input
- Orange wire is encoder’s OUTPUT Z, connect to IDX input
- Black/Red wire is encoder’s OUTPUT /A, connect to GND
- White/Red wire is encoder’s OUTPUT /B, connect to GND
- Orange/Red wire is encoder’s OUTPUT /Z, connect to GND
Rotary encoder with PNP Open-collector output:

Use PNP OptoCtrl 3/4 adapter:
- Black wire is encoder’s OUTPUT A, connect to ENA input
- White wire is encoder’s OUTPUT B, connect to ENB input
- Orange wire is encoder’s OUTPUT Z, connect to IDX input
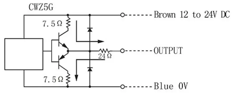
Rotary encoder with Complementary output (aka Push Pull):

Use NPN OptoCtrl 3/4 adapter:
- Black wire is encoder’s OUTPUT A, connect to ENA input
- White wire is encoder’s OUTPUT B, connect to ENB input
- Orange wire is encoder’s OUTPUT Z, connect to IDX input
Use PNP OptoCtrl 3/4 adapter:
- Black wire is encoder’s OUTPUT A, connect to ENA input
- White wire is encoder’s OUTPUT B, connect to ENB input
- Orange wire is encoder’s OUTPUT Z, connect to IDX input
Note: The OptoCtrl 3/4 adapter is provided “as is” without any warranty. The entire risk as to the quality and performance of the device is with the user. In no event shall the author be liable for damages, including any general, special, incidental or consequential damages arising out of the use or inability to use the OptoCtrl 3/4 adapter.
Connection diagrams
Warning!
Both, NPN and PNP OptoCtrl 3/4 versions of adapter need to be supplied with +5V from Mk3/4 controller. 5V from Output the output terminal should be used.
Both terminals of the +5V connector, located on the OptoCtrl 3/4 adapter are connected to 5V.
Do not connect GND signal wire to this connector!

Do not connect GND to this connector.
This connector uses same 5V potential for both screw terminals.
NPN OptoCtrl Mk3/4 adapter and encoder with NPN Open collector output

NPN OptoCtrl Mk3/4 adapter and encoder with Voltage output

NPN OptoCtrl Mk3/4 adapter and encoder with Complementary output

NPN OptoCtrl Mk3/4 adapter and NPN proximity sensor

NPN OptoCtrl Mk3/4 adapter and Estop button

PNP OptoCtrl Mk3/4 adapter and encoder with Line driver output

PNP OptoCtrl Mk3/4 adapter and encoder with Complementary output

PNP OptoCtrl Mk3/4 adapter and encoder with PNP Open-collector output

PNP OptoCtrl Mk3/4 adapter and PNP proximity sensor

PNP OptoCtrl Mk3/4 adapter and Estop button

Disclaimer
OPTOCTRL 3/4 ADAPTER IS PROVIDED TO YOU “AS IS,” WITHOUT WARRANTY. THERE IS NO WARRANTY FOR THE ADAPTER, EITHER EXPRESSED OR IMPLIED, INCLUDING, BUTNOT LIMITED TO, THE IMPLIED WARRANTIES OF MERCHANTABILITY AND FITNESS FOR A PARTICULAR PURPOSE AND NONINFRINGEMENT OF THIRD PARTY RIGHTS. THE ENTIRE RISK AS TO THE QUALITY AND PERFORMANCE OF THE DEVICES IS WITH YOU. SHOULD THE HEIGHT SENSOR OR HEIGHT CONTROLLER PROVE DEFECTIVE, YOU ASSUME THE COST OF ALL NECESSARY SERVICING, REPAIR OR CORRECTION.
IN NO EVENT SHALL THE AUTHOR BE LIABLE TO YOU FOR DAMAGES, INCLUDING ANY GENERAL, SPECIAL, INCIDENTAL OR CONSEQUENTIAL DAMAGES ARISING OUT OF THE USE OR INABILITY TO USE OPTOCTRL 3/4 ADAPTER.















