GEN – X
GEN-X1E300.10
CLASS D MONOBLOCK AMPLIFIER
OWNI-71-R’S MANUAL
C31- N- X1E300.10
INSTRUCTIONS FOR FUNCTIONS AND CONTROLS

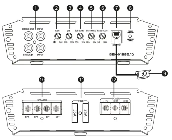
- Low Level Output – A daisy chain output for connection to another amplifier with a low-level input using only a single RCA output from the source (the head unit). Low Level Input – For connection to any source (the head unit) with a low-level output this is your RCA output from the source (the head unit).
- GAIN – Knob for volume adjustment.
- LPF – Low pass frequency adjusting knob, the frequency range from 40Hz To 180Hz.
- SUBSONIC – Subsonic frequency adjusting knob, the frequency ranges from 17Hz to 50Hz.
- BASS FREQ – The Boost range from30Hz to 80Hz..
- BASS BOOST-The Boost range from 0dB to 12dB.
- REMOTE CONTROLLER OUTLET – To be connected with the remote controller, which helps to boost the gain. Please turn the knob volume to be maximum before using the remote.
- INDICATOR LED – When the amplifier is operating correctly the LED of G-power will show as green. When the amplifier is in protection mode the LED of R-protect will show as red.
- REMOTE CONTROLLER – Volume level knob, the Gain ranges from 0.2V
- SPEAKER – Speaker connecting terminal.
- FUSE – Standard automatic fuse, you must use the same power fuse if you need to change it.
- +12V – Anode of power connection terminals. Connect to the anode of the car battery.
REM – Terminal to be connected with Remote cable, which comes from the source and which controls the amplifier switching on. The applied voltage must be between 10 and 15VDC.
GND – Ground terminal. Connect to the car chassis. Keep the length of the ground cable to a minimum.

Gen – X1800.1D
SYSTEM WIRING – DUAL SPEAKER CONFIGURATION

SYSTEM WINING – SINGLE SPEAKER CONFIGURATION

GEN-X1E300.10
SPECIFICATIONS
Power
Total Watts (Peak) 1800W
RMS Power @ 4 ohm 1x250W
RMS Power @ 2 ohm 1x450W
RMS Power @ 1 ohm 1x600W
Min. Speaker Impedance 1 Ohm
Audio
Frequency Response 10Hz – 500Hz
Signal to Noise Ratio 98 dB
Total Harmonic Distortion (THD) 0.08%
Low Level Input Range 0.2 – 6V
Selectable X-Over LPF Fixed
X-Over Filter Range 40Hz-180Hz
Bass Boost Range 0 -12dB Bass Boost Frequency 40Hz
Infrasonic Filter 17 – 50Hz
Input Impedance 10k
Channel separation 50 db
Remote Gain Control 0.2 – 6V
Features
Amplifier Class Digital
Amplifier Type Monoblock Subwoofer
LED Indicator Power / Protection
Power Input Terminal Size 8Ga
Fuse Rating 2x35A
Remote Level Control Yes, Dash Mount
Cooling Fan Yes
Thermal Protection Yes
Over-Load Protection Yes
Short Circuit Output Protection Yes
Voltage Input Protection Yes
Measurement
Overall Length 12.99″ / 330 mm
Overall Wide 7.48″ / 190 mm
Overall Height 2.16″ / 55 mm
TROUBLESHOOTING
Before removing your amplifier, refer to the list below and follow the suggested procedures. Always test the speakers and their wires first.
THE AMPLIFIER WILL NOT POWER UP.
Check for good ground connection. Check that the remote DC terminal has at least 10V DC. Check that there is battery power on the+ terminal. Check all FUSES. Check that Protection LED is not lit. If it is lit, shut off the amplifier briefly and then re-power it.
HIGH HISS OR ENGINE NOISE (ALTERNATOR WHINE) IN SPEAKERS.
Disconnect all RCA inputs to the amplifier, if hiss/noise disappears, then plug in the component driving the amplifier and unplug its inputs. If hiss/noise disappears, go on until the faulty/noisy component is found. It is best to set the amplifier input level as insensitive as possible. The best subjective S/N ratio is obtainable this way. Try to drive as high a signal level from the head unit as possible.
PROTECTION LED COMES ON WHEN THE AMPLIFIER IS POWERED UP.
Check for shorts on speaker leads. Check that volume control on the head unit is turned down low. Remove speaker leads, and reset the amplifier. If the Protection LED still comes on, then the amplifier is faulty. The amplifier will shut down automatically when the units• temperature goes up to 85°C This will protect the units from damage.
AMPLIFIER GETS VERY HOT.
Check that the minimum speaker impedance for that model is correct. Check for speaker shorts. Check that there is good airflow around the amplifier. In some applications, an external cooling fan may be required.
DISTORTED SOUND.
Check that the Level controls is set to match the signal level of the head unit. Check that all crossover frequencies have been properly set. Check for shorts on the speaker leads.
HIGH SQUEAL NOISE FROM SPEAKERS.
This is always caused by a poorly grounded RCA patch cord.
WARNING
- Over high volume will damage your speakers.
- Be cautious when you use the amplifier near the gasoline tank and electric wires.
- Protect the connecting wires and parts to avoid any damage or short circuit.
- The power must be lee from the anode of the battery via FUSE.
- The sound system must be in a turning-off situation when you check the amplifier.
- Be sure that you use the same type of FUSE when you need to replace it.
* We reserve the right to make needed changes or improvements to the product, without informing customers about this in advance.
GEN – X
WE LIKE IT LOUD
![]()




















