


Frymaster Fryer Controllers
User’s Manual
CM III.5 Freyr Battery Electric High Efficiency.

NOTICE
U.S.
This device complies with Part 15 of the FCC rules. Operation is subject to the following two conditions: 1) This device may not cause harmful interference, and 2) This device must accept any interference received, including interference that may cause undesired operation. While this device is a verified Class A device, it has been shown to meet the Class B limits.
CHAPTER 1
CM III.5 OPERATING AND PROGRAMMING INSTRUCTIONS
| ITEM | DESCRIPTION |
| 1 | Left LED Display. |
| 2 | Right LED Display. |
| 3 | Temperature Check and Program Lock Switch. |
| 4 | Left ON/OFF Switch. (In full-pot fryers, either switch will turn the controller on and off.) |
| 5 | Right ON/OFF Switch. (In full-pot fryers, either switch will turn the controller on and off.) |
| 6 | Left Product Buttons. |
| 7 | Right Product Buttons. |
| 8 | Program Mode Switch. |
INTRODUCTION
The Computer Magic III (CM III.5) ensures consistent product quality by allowing the operator to enter specific cooking parameters for up to 12 products. These parameters remain stored in the computer’s memory. Pressing a single button initiates a cooking cycle using the stored parameters so that every batch is fried the same way. For fryers equipped with basket lifts, the computer also controls lowering and raising the basket. Other features include a melt-cycle for solid shortening, a boil-out mode for cleaning the frypot, and automatic recovery-time checks. The computer can be programmed to display temperatures in Fahrenheit or Celsius, and to display the time remaining in a cooking cycle or to constantly display the frypot temperature.
NOTE: This computer is configured for the fryer on which it is installed (i.e., gas or electric and full- or split-pot). Although identical in appearance, computers configured for use on one type of fryer are not directly interchangeable with those configured for use on another type.
DEFINITIONS
Product Button:
One of the numbered buttons on the control panel. A setpoint and up to 12 sets of cooking parameters (one set for each product) can be programmed into the computer. The buttons are also used to enter the values for the setpoint and cooking parameters.
Frypot Setpoint: An operator-determined frying temperature. When the computer is turned on, it automatically brings the cooking oil or shortening to the setpoint and
maintains it at that temperature until the computer is turned off.
Cooking Parameters: The set of cooking variables associated with a product. They are sensitivity, cook time, shake time, and hold time.
Sensitivity: A built-in feature, which adjusts cooking time to compensate for the drop in frypot temperature when product enters the oil. Different products vary in density, batch size, and temperature. Food products will also vary in cook time. A proper sensitivity setting will assure a high-quality product. Setting 0 is the least sensitive and setting 9 is the most sensitive (see the chart on page 1-5).
Cooking Time: The operator-determined time for cooking a product.
Shake Time: The operator-determined time during the frying cycle when the product should be shaken.
Hold Time: The operator-determined time product can be held before being served.
COMPUTER OPERATING INSTRUCTIONS
Turn the computer on by pressing either of the ON/OFF Switches. NOTE: A decimal between digits 1 and 2 in either LED Display indicates that the unit is heating.
- One of the following will be displayed:
a.
, indicating that the fryer is operating in the melt-cycle mode. The fryer will remain in the melt-cycle mode until the temperature of the cooking oil or shortening reaches 180°F (82°C) or the melt-cycle is canceled by the operator.
b. HI ,indicating that the frypot temperature is 21ºF (12ºC) higher than the setpoint. Do nothing; the controller will allow the oil to cool to the setpoint before firing the burners or energizing the elements.
c.Lo, indicating that the frypot temperature is 21ºF (12ºC) lower than the setpoint. Do noth- ing; the controller will raise the oil temperature to the setpoint.
d. —— , indicating that the frypot temperature is within the cooking range. NOTE: For best results, cooking should not be attempted unless the display indicates —-.
e.
, indicating a heating problem. Turn the fryer off and call the Frymaster hotline.
f.HOT, indicating the frypot temperature is in excess of 410ºF (210ºC). If this appears in the display, turn the fryer off immediately! NOTE: In computers used in the European Union(those with the CE mark), the temperature is 395°F (202°C).
g.Prob, indicating that the computer has detected a problem in the temperature measuring and control circuits. Turn the fryer off and contact an authorized servicer. - When—– appears in the displays, press a product switch to initiate a cook cycle.
a. The display will indicate the programmed cook time and begin to count down. On fryers equipped with basket lifts, the product basket will be lowered into the frypot.
b. If a shake time is programmed, an alarm will sound at the specified time and the display willread SH#, where “#” will be the button number. The alarm will sound for 3 seconds then selfcancel. If no shaketime has beenprogrammed,sh# will not appear during the cook cycle.
c.At the end of the cooking cycle, an audible alarm will sound, cooc will be displayed, and theassociated product button indicator will flash. To cancel the cook alarm, press the flashingbutton. On fryers equipped with basket lifts, the product basket will be raised from thefrypot.
d. At this time, the hold time will be displayed (if programmed greater than zero), and thecountdown will begin. When the countdown reaches zero, hD# will be displayed (where # isthe button number) and an alarm will sound. The hold alarm is canceled by pressing theProgramming Switch
.
NOTE: If the display is in use, the hold time countdown will not be displayed. - To check the frypot temperature at any time, press the Temperature Check Switch once. Tocheck the setpoint, press the switch twice. If you suspect the temperature is incorrect, check thetemperature of the frypot with a thermometer or pyrometer to verify that the computer readout isreasonably close to the measured reading. If it is not, contact a factory authorized service centerfor assistance.
- On full-pot fryers, during idle periods,——- should appear in both displays. On split-pot fryers,—— should appear only on the side that is turned on. If not, check the actual temperature and setpoint.
CAUTION
The electronic circuitry in your computer can be affected adversely by current fluctuations and electrical storms. Should it fail to function or program properly for no apparent reason, the computer should be reset by unplugging the computer and plugging it back in. This could prevent a service call.
COMPUTER PROGRAMMING INSTRUCTIONS
- Enter the programming mode by pressing the Program Mode Switch
. will appear in the left display. If you enter the programming mode by mistake, press the switch again to exit the programming mode. NOTE: If you try to enter the programming mode while the computer is cooking, the display will flash
. - Press product buttons 1, 6, 5 and 0 in that order. Unless this code is entered, programming willnot be accepted. This is to prevent unauthorized persons from changing your current instructions.
- sp-r (Setpoint) will appear in the left display. Any previously programmed setpoint willappear in the right display. To change the setpoint, enter the desired setpoint temperature usingthe number keys. The highest programmable setpoint is 375ºF (191ºC). Press the Program Mode Switch
to lock in the new setpoint (or the old setpoint, if it was not changed).
NOTE: On split-pot fryers, sp-R indicates the setpoint for the right frypot. After the right frypot setpoint has been programmed press to lock it in, sp-L (left frypot setpoint) willappear in the left display. Enter the setpoint for the left frypot in the same manner as for theright frypot. Press
to lock it in - selp (Select Product) will appear in the left display. Press
the product button to beprogrammed (or press to return to the normal operating mode). In full-pot fryers, any product button, including L and R may be used. In split-pot fryers, product buttons L and 1-5are used for the left frypot and buttons R and 6-0 are used for the right frypot. - sens (Sensitivity) appears in the left display. Any previously programmed sensitivity settingappears in the right display. To change the sensitivity setting, enter the new setting and press to lock it in. If the setting was not changed, pressing
accepts the previous setting. A charthas been provided on page 1-5 to assist in choosing a sensitivity setting. It is meant as a guideonly and the settings may be changed to suit different needs. - cooc (Cook Time) appears in the left display. Any previously programmed cooking time willappear in the right display. Pressing will accept the current cooking time. To change thecooking time, enter the new time using the Number keys. Press
to lock in the new time. - sh_ (Shake Time) appears in the left display. If your product requires shaking during the cooking process, set thenumber of seconds to cook before shaking using thenumber keys. Forexample, entering “30”means the productneeds to be shaken after it has been cooking for30 seconds. At the end of 30 seconds, analarm will sound and the product switch will flash for3 seconds. If the product does not require shaking,enter “0”. Thenumber entered will appear inthe right display. Press
to lock in the programmed time. - hd_ (Hold Time) appears in the left display. Set the time the product may be held before disposal, anything from 13 seconds to 60 minutes. If you do not wish to use the hold time feature, enter 0. Press
to lock in the time. - selp (Select Product) again appears in the left display. If more products are to be programmed, return to Step 5 and follow all instructions to this point, repeating for each product.
- When you complete your programming, lock in the whole program by pressing the Temperature Check/Program Lock Switch
.
Sensitivity Settings for Various Products
| Product | 350° F/76° C | Sensitivity Setting |
| Chicken | ||
| chicken fillet, 1 ¼ oz. | 3:25 | 5 |
| chicken fillet (frozen), 4 oz. | 4:20 | 5 |
| chicken patty (frozen), 5 oz. | 6:15 | 5 |
| frozen chicken | 5 | |
| fresh chicken, 9 pieces | 5 | |
| Potatoes | ||
| steak fries | 3:43 | 5 |
| regular fries, ½-inch | 3:16 | 5 |
| shoestrings, ¼-inch | 1:50 | 5 |
| shoestrings, 3/8-inch | 2:40 | 5 |
| tater tots | 2:05 | 5 |
| hash browns | 2:05 | 5 |
| farm fries | 1:14 | 5 |
| Seafood | ||
| crab cakes | 4:00 | 3 |
| clam cakes | 4:00 | 3 |
| large scallops | 3:25 | 3 |
| small scallops | 1:10 | 3 |
| shrimp (35 to a lb.) | 2:15 | 3 |
| shrimp (40 to 75 to a lb.) | 1:45 | 3 |
| shrimp (75 to 100 to a lb.) | 1:10 | 3 |
| cod, 2 ½ oz. | 3:25 | 7 |
| flounder fillet, 7 oz. | 4:35 | 3 |
| flounder, whole, 10-12 oz. | 6:25 | 3 |
| cod fillet, 3 ½ oz. | 4:35 | 7 |
| perch, 5 oz. | 4:30 | 3 |
| haddock, 7 oz. | 6:25 | 7 |
| clams | 2:00 | 3 |
| oysters | 1:10 | 4 |
| strip clams (fresh) | 0:35 | 4 |
| strip clams (frozen) | 0:45 | 4 |
| Vegetables | ||
| okra | 4:30 | 4 |
| eggplant | 4:00 | 4 |
| zucchini | 3:00 | 4 |
| mushrooms | 3:45 | 4 |
| onion rings (frozen) | 3:00 | 4 |
| cauliflower | 1:45 | 4 |
| Other | ||
| corn dogs | 4 | |
| chicken fried steak patty | 5:00 | 5 |
CANCELING THE MELT-CYCLE
DANGER
Do not cancel the melt-cycle mode if using solid shortening!
The melt-cycle is designed to prevent scorching shortening and overheating the frypot or elements while gradually melting blocks of shortening. The computer automatically starts the fryer in the melt-cycle mode and displays
during the melt-cycle operation. The computer remains in the melt-cycle mode until the temperature in the frypot reaches 180°F (82°C) or the melt-cycle is canceled by the operator. If you are not using solid shortening, you may cancel the melt-cycle feature.
To cancel the melt cycle on a full pot, press the “R” button. To cancel on a split pot, press the “L” button for the left side pot and the “R” button for the right side.
will be replaced by . The decimal point between digits 1 and 2 will illuminate indicating the unit is heating.
USING THE BOIL-OUT FEATURE
CAUTION
Before using this feature, ensure the frypot is filled with a mixture of cold water and detergent.
- To program the fryer for boil-out, press the Program Mode
Switch.
will appear in the left display.
NOTE: For split-pot fryers, use the left ON/OFF switch for the left frypot and the right
ON/OFF switch for the right frypot. Both frypots cannot be boiled out simultaneously. - Press product buttons 1, 6, 5 and 3 in that order.
will appear in the right display. The temperature is automatically set for 195ºF (91ºC). The fryer will attain this temperature and remain there until the ON/OFF
Switch is pressed, which cancels the boil-out mode. If boilover occurs, turn off the fryer immediately, allow it to cool, then re-enter the boil-out mode to continue the process.
FRYER RECOVERY TIME CHECK FEATURE
The recovery check is a measurement of the elapsed time required for the fryer to raise the temperature of the cooking oil from 250°F to 300°F (121°C to 149°C). The computer automatically checks the recovery time each time the frypot temperature drops below the low-end benchmark of250°F (121ºC).
To check the recovery time, press the Program Mode Switch
.
will appear in the left display. Press product buttons 1, 6, 5 and 2 in that order. The recovery time will appear in both displays for 5 seconds. Although many factors, including the size of the frypot and amount and temperature of the product placed in the frypot, affect the recovery time, the recovery time should be something less than 2 minutes 30 seconds for gas fryers or 1 minute and 40 seconds for electric fryers.
SELECTING FAHRENHEIT OR CELSIUS DISPLAY MODE
- The computer can display temperatures in either Fahrenheit or Celsius. To change from one to he other, press the Program Mode Switch
.
will appear in the left display. - Enter the code number
on the number keypad. The computer will toggle the temperature display from Celsius to Fahrenheit or from Fahrenheit to Celsius. - Press the Temperature Check/Program Lock Switch
to display the temperature in the newly selected mode.
SELECTING FRYPOT TEMPERATURE DISPLAY MODE
- To display the frypot temperature at all times, press the Program Mode Switch
.
will appear in the left display. - Press product buttons 1, 6, 5 and L in that order. The computer will display the frypot temperature constantly.
NOTE: During the cooking process, the cooking time will not be displayed, but timing is taking place. - To return to the countdown timer display, repeat Steps 1 and 2.
COMPUTER DISPLAYS “CALL TECH”
If the display reads CALL TECH, the memory chip or its support circuit has failed. The computer cannot be repaired in the field and must be returned to the factory.
CHAPTER 2 BASKET LIFT (DIGITAL) TIMER OPERATING INSTRUCTIONS
| ITEM | DESCRIPTION |
| 1 | LED Display — On Full-Pot Fryers: Displays the left basket cooking time. On Split-Pot Fryers: Displays the left basket cooking time or the left frypot setpoint. |
| 2 | LED Display — On Full-Pot Fryers: Displays the right basket cooking time or the frypot setpoint. On Split-Pot Fryers: Displays the right basket cooking time or the right frypot setpoint. |
| 3 | Left Frypot Temperature Check Switch — On Full-Pot Fryers: Press to toggle between the right-side cook time and the fryer setpoint (shows in right display). On Split-Pot Fryers: Press to toggle between the left side setpoint and cook time display. |
| 4 | Right Frypot Temperature Check Switch — On Full-Pot Fryers: Press to toggle between the right-side cook time and the fryer setpoint. On Split-Pot Fryers: Press to toggle between the right side setpoint and cook time display. |
| 5 | Left On/Off Switch — On Full-Pot Fryers: Turns the controller on or off. On Split-Pot Fryers: Turns the left half of the controller on or off for controlling the left frypot only. |
| 6 | Right On/OFF Switch — On Full-Pot Fryers: Turns the controller on or off. On Split-Pot Fryers: Turns the right half of the controller on or off for controlling the right frypot only. |
| Left Number Keypad — On Full-Pot Fryers: Used to enter the left frypot cooking time. On Split-Pot Fryers: Used to enter the left frypot setpoint and cooking time. | |
| 8 | Right Number Keypad — On Full-Pot Fryers: Used to enter the frypot setpoint and right frypot cooking time. On Split-Pot Fryers: Used to enter the right frypot setpoint and cooking time. |
| 9 | Boil-Out Switch — This switch activates the boil-out mode. |
| 10 | Left Basket Switch — This switch initiates a cooking cycle for the left basket. |
| 11 | Right Basket Switch — This switch initiates a cooking cycle for the right basket. |
INTRODUCTION
The basket lift or digital timer allows the operator to specify a frypot setpoint, assign different cooking times for each of the left and right baskets, and independently control the operation of the left and right baskets. The operator can also choose constant cooking time display or constant setpoint display. The timer will not display the actual frypot setpoint.
The timer automatically selects Fahrenheit or Celsius temperature values. When entering the frypot setpoint, values less than 191 are considered to be Celsius temperatures. Any value greater than 190 is considered to be a Fahrenheit temperature.
The operator can toggle between cook time display or setpoint display by pressing
.
The timer stores the current time and temperature settings when the unit is turned off with the ON/OFF switches. In the event of a power failure, or if the circuit breaker is switched off, the time and temperature settings should be rechecked for accuracy.
NOTE: The ON/OFF switches DO NOT control the AC power supply to the fryer, they only turn the controller on or off.
The timer has three error display messages:
HELP, indicating a heating problem. Turn the fryer off and call the Frymaster hotline.
HOT, indicating that the frypot temperature is above 385°F (196°C). If this display is seen, turn the fryer off immediately.
prob, indicating a problem in the temperature measuring and control circuits. Turn the fryer off and contact an authorized servicer.
NOTE: This controller is configured for the fryer on which it is installed (i.e., gas or electric and full- or split-pot). Although identical in appearance, computers configured for use on one type of fryer are not interchangeable with those configured for use on another type.
DEFINITIONS
Number Keypad: One of the groups of numbered buttons on the control panel. The buttons are used to enter the frypot setpoint and to specify a cooking time for each basket lift.
Frypot Setpoint: An operator-determined frying temperature. When the controller is turned on, it automatically brings the cooking oil or shortening to the setpoint and
maintains it at that temperature until the computer is turned off.
Cooking Time: The operator-determined time for cooking a product.
Basket Button: Pressing one of these buttons initiates a cooking cycle and lowers its associated basket into the frypot, if fitted with basket lifts. At the end of the specified cooking time, the basket is raised out of the frypot, if fitted with basket lifts.
TIMER OPERATING INSTRUCTIONS
- Turn the timer on.
On Full-Pot Units: Press either ON/OFF
switch. The left basket cooking time will appear in the left LED display and the right basket cooking time or the setpoint will appear in the right LED display. To toggle between the setpoint and cooking time in the right display, press either Temperature Check Switch
.
On Split-Pot Units: Press the left ON/OFF
switch for the left frypot and the right switch for the right frypot. The left basket cooking time or the left frypot setpoint will appear in the left LED display. The right basket cooking time or right frypot setpoint will appear in the right LED display. To toggle either display between the setpoint and cooking time, press the corresponding Temperature Check Switch
. - Adjust the setpoint. (NOTE: When entering Celsius temperatures, the value displayed may decrease by one degree shortly after it is entered. This is normal and is due to the internal Fahrenheit to Celsius conversion process.)
On Full-Pot Units: If the cooking time is displayed, press either Temperature Check Switch
to toggle to the setpoint display. The last entered setpoint will be displayed in the right LED display. To change the setpoint, enter a new temperature with the right Number Keypad. Press either Temperature Check Switch
to return to the cooking time display. If you do not need to change the setpoint, return to the cooking time display by pressing either Temperature Check Switch
. On Split-Pot Units: If the cooking times are displayed, toggle to the setpoint display by pressing the corresponding Temperature Check Switch
. The last entered setpoints will be displayed in the LED windows. To change a setpoint, enter a new temperature with the corresponding Number Keypad. Press the corresponding Temperature Check Switch
to return to the cooking time display. If you do not need to change the setpoint, return to cooking time display by pressing the corresponding Temperature Check Switch
. - Enter the cook times.
The Basket Lift or Digital Timer will time the cooking cycle for the time displayed in the left andright LED displays. To change the time on the left timer – enter a new time with the left NumberKeypad. To change the time on the right timer – enter a new time with the right Number Keypad. - Initiate a cook cycle.
Press the left basket switch
, or the right basket switch
to initiate a timed cook cycle. The corresponding displayed time will begin to count down. At time-out, the basket lift raises the basket from the cooking oil/shortening, if fitted with basket lifts. An audible alarm alerts theoperator that cooking is completed, and the display shows COOC. Press the corresponding basket switch to cancel the alarm and reset the timer.
NOTE: If a basket switch is pressed during a cooking cycle, the cycle is cancelled, and the basket is raised from the frypot, if fitted with basket lifts.
CANCELING THE MELT-CYCLE
DANGER
Do not cancel the melt-cycle mode if using solid shortening! The melt-cycle is designed to prevent scorching shortening and overheating the frypot or elements while gradually melting blocks of shortening. The timer automatically starts the fryer in the meltcycle mode and remains in this mode until the temperature in the frypot reaches 180°F (82°C) or the melt-cycle is canceled by the operator. If you are NOT using solid shortening, you may cancel the melt cycle feature.
To cancel the melt-cycle on a full-pot unit, press the right basket switch
. On a split-pot unit, press the left basket switch
to cancel the left frypot, or the right basket
switch to cancel the right frypot.
USING THE BOIL-OUT FEATURE
Press the Boil-Mode switch to reset the timer to 195°F (91°C).
On Full-Pot Units, the controller will maintain the frypot temperature at 195°F (91°C) until either
ON/OFF
switch is pressed to turn the controller off.
On Split-Pot Units, the controller will maintain both frypot temperatures at 195°F (91°C) until the frypots are turned off. To turn off the left frypot, press the left ON/OFF
switch. To turn off the right frypot, press the right ON/OFF
switch.
ELECTRONIC BASKET LIFT (DIGITAL) TIMER 
| ITEM | DESCRIPTION |
| 1 | Cooking Time Display – Displays the cooking time as it counts down. |
| 2 | Timer Arrow Buttons – Allow the operator to assign a cooking time for the basket lift. The basket will remain in the oil until the indicated time has elapsed. |
| 3 | Timer Button – Lowers the basket lift, if fitted with basket lifts and starts the timer. The basket rises when the cook time elapses, if fitted with basket lifts. |
The electronic basket lift (digital) timer allows the operator to assign a cooking time to control basket lift or timer operation. The basket rises automatically when the assigned cooking time is complete. It does not control the fryer, though it may be purchased in a combined panel with a thermostat included.
SETTING THE TIMER
- Set the cooking time using the arrows beneath the display, as illustrated at right.
NOTE: Ten seconds is the minimum time that can be set. Anything less will convert to 10 seconds. This is the amount of time required for the basket to fully lower into the oil.
- Press the timer button to lower the basket, if fitted with basket lifts, into the oil and begin cooking.
The basket lift automatically raises the basket when the timer has counted down, if fitted with basket lifts. The display changes to the original total cooking time. Press the timer button to begin a new cooking cycle using the same time as the previous cycle; or, press the arrows to change the cooking time for the next cycle.
CANCELLING A COOKING CYCLE
To cancel the cook cycle, press the timer button. The basket rises, if fitted with basket lifts and the display shows the original total cooking time.
NOTE: If the timer button is pressed while the basket is in motion (up or down), the button must be pressed again to allow the basket to continue. Allow 10 seconds for the basket lift to stop moving. This basket lift (digital) timer is available in many variations. While the front of the fryer may include a thermostat or other controlling features, this basket lift (digital) timer will function as described above.
CHAPTER 3 DIGITAL CONTROLLER OPERATING INSTRUCTIONS

| ITEM | DESCRIPTION |
| 1 | Lighted Display – LED display for a full-pot fryer or the right side of a split-pot fryer. |
| 2 | Lighted Display – LED display for the left side of split-pot fryer. |
| 3 | On/Off Switch – Either switch controls a full-pot; on split-pot fryers, each switch controls the frypot on its respective side. |
| 4 | C/F Switch – Toggles the display between Fahrenheit and Celsius on a full-pot fryer, or the right side of a split-pot fryer. |
| 5 | Temperature/Setpoint Display Switch –Toggles the display between frypot temperature and setpoint temperature on a full-pot fryer, or the right side of a split-pot fryer. |
| 6 | Up Arrow – Raises setpoint temperature on a full-pot fryer, or the right side of a split-pot fryer. |
| 7 | Down Arrow – Lowers the setpoint temperature on a full-pot fryer, or the right side of a split-pot fryer. |
| 8 | Melt-Cycle Cancel Switch – Cancels the melt-cycle mode of a full-pot fryer, or the right side of a split-pot fryer. |
INTRODUCTION
The Digital Controller allows the operator to program the frypot setpoint and to toggle the display between the frypot temperature and the programmed setpoint. The setpoint is an operator- determined frying temperature. When the controller is turned on, it automatically brings the cooking oil/shortening to the setpoint and maintains it at that temperature until the controller is turned off. Units manufactured for export to CE countries display the frypot temperature by default. Units manufactured for other than CE countries display the setpoint by default. This controller also features a programmable melt-cycle cancel switch and a switch for toggling the temperature display
between Fahrenheit and Celsius.
NOTE: On full-pot controllers, only the right set of controls is functional, except that either ON/OFF switch will turn the controller on or off.
The controller has three error display messages: ,
indicating a heating problem. Turn the fryer off and call the Frymaster hotline. and actual frypot temperature, indicating that the shortening temperature is above 395F (202C) [or 410°F (210°C) for CE fryers]. If this display is seen, turn the fryer off immediately and contact an authorized servicer. , indicating that the controller has detected a problem in the temperature measuring circuits and control circuits. Turn the fryer off and contact an authorized servicer.
NOTE: This controller is configured for the fryer on which it installed (i.e., gas or electric and full- or split-pot). Although identical in appearance, controllers configured for use on one type of fryer are not interchangeable without reprogramming. See reprogramming instructions (page 3-3).
CONTROLLER OPERATING INSTRUCTIONS
- Turn the controller on. On full-pot units, press either ON/OFF switch
. On split-pot units, press the left ON/OFF switch
for the left frypot and the right switch for the right frypot.
The controller software version number will display for four seconds then, in non-CE units, thesetpoint temperature will appear in the display. In CE units, the frypot temperature will appearin the display – to view the setpoint temperature, press the temperature switch
for the frypotin question (in full-pot units, use the right switch).
A decimal point will appear between the first two numbers of the display, indicating that the unitis heating. When the frypot has reached the setpoint temperature, the heat indicator decimalpoint will go out, indicating that the fryer is ready for cooking. - Adjust the setpoint if necessary. To raise the setpoint temperature, press an up arrow
. Onsplit-pot units, use the left set of controls for the left frypot and the right set of controls for theright frypot; on full-pot units, use the right set of controls. Press a down arrow to lower the setpoint temperature.
The display will change at the rate of approximately one-degree per second initially. If the arrow is pressed and held, after a change of about 12, the rate of change will increase, allowing large changes in setpoint temperature to be made quickly.
SELECTING FAHRENHEIT OR CELSIUS DISPLAY MODE
To toggle the temperature display between Fahrenheit and Celsius, press the right C/F switch
. The display(s) will change from xxxF to xxxC, where “xxx” is the frypot or setpoint temperature.
MELT-CYLE
DANGER
Do not cancel the melt-cycle mode if using solid shortening!
The melt-cycle is designed to prevent scorching shortening and overheating the frypot or elements while gradually melting shortening. The controller automatically starts the fryer in the melt-cycle mode and remains in this mode until the frypot temperature reaches 180F (82C).
Depending on its factory configuration, the digital controller may allow the melt cycle to be turned off:
On a full pot, press the right melt-cycle cancel switch .
On a split-pot unit, press the left switch for the left frypot or the right switch for the right frypot.
REPROGRAMMING TO SWITCH FRYER FUEL SOURCE
- Start with power on to fryer and the controller off.
- Ground pin 8 on the white Molex plug on the interface board.
- Press the left C/F key. (See illustration on page 3-1.). The display shows CODE.
- Press the controller keys in this order: left up ↑, left down ↓, right up ↑, right down ↓.
- A fuel source is displayed. Use the left ↑ ↓ keys to toggle between 1 (Gas) and 0 (electric).
- With the desired fuel source shown, press the left CF key.

- Split is displayed. Use the left ↑ ↓ arrows to toggle between 1 (Dual Vat) and 0 (Full Vat).
- With the desired configuration shown, press the left CF key.
- Cntr is displayed. Use the left ↑ ↓ arrows to toggle between 1 (Controlling) and 0 (Non- Controlling).
- With the desired function shown, press the left CF key.
- AcL is displayed. Use the left ↑ ↓ arrows to toggle between 1 (Melt cycle bypass allowed) and 0 (melt cycle bypass not allowed).
- With the desired function shown, press the left CF key.
- Disp is displayed. Use the left ↑ ↓ arrows to toggle between 1 (Vat temperature shown) and 0 (setpoint shown).
- With the desired function shown, press the left CF key.
- C On is displayed. Use ↑ ↓ to set the melt cycle on time.
- With the desired time shown, press the left CF key.
- C Off is displayed. Use ↑ ↓ to set the melt cycle off time.
- With the desired time shown, press the left CF key.
- The controller goes blank.
- Setup is complete.
- Turn off power, unground pin 8.
- Wait 10 seconds and restore power.
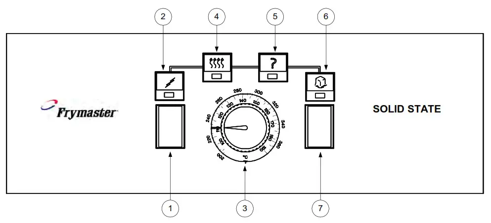
CHAPTER 4 SOLID STATE (ANALOG) CONTROLLER

| ITEM | DESCRIPTION |
| 1 | Power Supply Rocker (ON/OFF) Switch – Turns the controller ON or OFF. |
| 2 | Power On Light – Indicates the controller is ON. |
| 3 | Temperature Control Knob – Used to set the desired frying temperature. |
| 4 | Heating Mode Light – Indicates the fryer is heating. |
| 5 | Trouble Indicator Light – Indicates a malfunction of a fryer control circuit or an overheat condition. Reset by turning the ON/OFF switch OFF for 30 seconds, then back to ON. |
| 6 | Melt Cycle Light – Indicates the unit is operating in the melt-cycle mode. The fryer will automatically exit the melt-cycle when the frypot temperature reaches 180°F (82°C). |
| 7 | Melt-Cycle Switch – Turns the melt-cycle ON or OFF. |
INTRODUCTION
The Solid State Controller (often referred to as an “Analog Controller”) allows the operator to adjust the frypot temperature by means of a knob and graduated scale on the face of the controller. The controller also includes a melt-cycle switch and a trouble indicator light.
OPERATING INSTRUCTIONS
- Press the power supply rocker switch to the ON position. The Power On light and the Heating Mode light will both illuminate.
- Rotate the temperature control knob to the desired frying temperature.
- If using solid shortening, press the melt-cycle switch to the ON position. The melt-cycle is designed to prevent scorching shortening and overheating the frypot or elements while gradually melting blocks of shortening. When in the melt-cycle mode, the fryer will cycle on and off until the frypot temperature reaches 180°F (82°C) or the melt-cycle mode is cancelled by the operator.
DANGER
Do not cancel the melt-cycle mode if using solid shortening!
During the melt-cycle, the Heating Mode light will alternately illuminate and go out as the fryer cycles on and off. - Once the frypot temperature reaches 180°F (82°C), or the melt-cycle mode is cancelled, the fryer will automatically go into the heating mode to bring the frypot temperature to that set on the temperature control knob and will maintain it at that temperature. When the fryer is heating, th Heating Mode light will be illuminated. When the frypot has reached the temperature set on the control knob, the Heating mode light will go out, indicating the unit is ready for frying.
TROUBLE INDICATOR LIGHT
On gas fryers equipped with electronic ignition, the Trouble Indicator light will illuminate if there is an ignition failure. To reset the controller after an ignition failure, place the power supply rocker switch in the OFF position for at least 30 seconds, and then place it back in the ON position.
For all fryers, the Trouble Indicator light will also illuminate whenever the controller senses a problem with the probe or high-limit thermostat circuit.
CALIBRATING THE CONTROL KNOB
- Bring the frypot to frying temperature in accordance with the procedures above.
- Insert a thermometer or pyrometer probe into the frypot near the fryer temperature-sensing probe.
- Let the heating mode light cycle automatically three times to ensure the cooking oil/shortening temperature is uniform. Stir, if necessary, to get all cooking oil/shortening in bottom of frypot melted.
- Whenthe heating mode light illuminates for the fourth time, the pyrometer reading should be within 5°F (2°C) of the temperature control knob setting. If it is not, calibrate the knob as follows:
a. Loosen the setscrew in the temperature control knob until the outer shell of the knob will rotate on the insert inside the knob.
b. Rotate the outer shell of the knob until the index line on the knob aligns with the mark that corresponds to thermometer or pyrometer reading.
c. Hold the knob and tighten the setscrew.
d. Recheck the thermometer or pyrometer reading and the temperature control knob setting the next time heating mode light illuminates.
e. Repeat Steps 4-a through 4-d until the thermometer or pyrometer reading and knob setting agree within 5°F (2°C).
f. If calibration cannot be attained, call a Factory Authorized Service Center. - Remove the thermometer or pyrometer probe.
CHAPTER 5 THERMOSTAT CONTROLLER OPERATING INSTRUCTIONS

| ITEM | DESCRIPTION |
| 1 | Temperature Control Knob – Use to set thermostat control to desired temperature. |
| 2 | ON/OFF Switch- enables/disables power to fryer components. Switch illuminates when activated. |
| 3 | Heating Mode Light – Indicates the fryer is heating. |
| 4 | Melt Cycle Light – Indicates the unit is operating in the melt-cycle mode. The fryer will remain in the melt-cycle until this switch is turned off. |
| 5 | Optional Basket Lift Timers – Lowers respective basket lift when pressed. When timer times-out, the basket lift is raised. |
INTRODUCTION
The Thermostat Controller utilizes a thermostat that is directly connected to a temperature knob mounted on the control panel. Rotating the knob to the desired cooking temperature physically adjusts the thermostat control to that temperature. Placing the ON/OFF Switch in the ON position supplies power to the fryer’s components and causes the switch to illuminate. Placing the Melt Cycle Switch in the ON position causes the fryer to cycle on for a few seconds and off for a longer period. The purpose is to prevent scorching shortening, and to prevent overheating the frypot or elements while gradually melting blocks of shortening. This switch is also illuminated when in the ON position. The Heat Mode Indicator
illuminates when the frypot is below setpoint.
DANGER
Do not cancel the melt-cycle mode if using solid shortening!
CAUTION
The fryer will remain in the Melt Cycle mode until turned off by placing the Melt Cycle Switch in the “OFF” position.
The Thermostat Controller requires no programming – the operator has only to set the thermostat knob to the desired cooking temperature. However, the controller does require calibration by a factory-authorized servicer from time to time, normally every six months.
On fryers equipped with basket lift timers, pressing the button in the center of a timer causes the associated basket lift to lower the basket into the frypot. At the end of the prescribed cooking time, the timer will raise the basket from the frypot. The cooking time is set by rotating the timer knob clockwise until the index mark indicates the desired cooking time. Although mounted on the same control panel, the basket lift timers are totally independent of the controller.
Welbilt offers fully-integrated kitchen systems and our products are backed by KitchenCare aftermarket parts and service. Welbilt’s portfolio of award-winning brands includes Cleveland ® , Kolpak ™ , Convotherm ® , Crem ® , Delfield ® , Frymaster ® , Garland ® ® , Lincoln ® , Merco ® , Merrychef ® and Multiplex ® . Bringing innovation to the table · welbilt.com
©2022 Welbilt Inc. except where explicitly stated otherwise. All rights reserved. Continuing product improvement may necessitate change of specifications
without notice.
Part Number FRY_IOM_8195916 11/2022
![]()
Frymaster, a member of the Commercial Food Equipment Service Association, recommends using CFESA Certified Technicians.
24-Hour Service Hotline1-800-551-8633c![]()
FRYMASTER
8700 LINE AVENUE, SHREVEPORT, LA 71106-6800
800-551-8633
318-865-1711
WWW.FRYMASTER.COM
EMAIL: [email protected]




















