
MC451
Dual Mono
Power Amplifier
Owner’s Manual
MC451 Dual Mono Power Amplifier
Thank You from All of Us at McIntosh
You have invested in a precision instrument that will provide you with many years of enjoyment. Please take a few moments to familiarize yourself with the features and instructions to get the maximum performance from your MC451. If you need further technical assistance, please contact your dealer who may be more familiar with your particular setup including other brands. You can also contact McIntosh with additional questions or in the unlikely event of needing service.
McIntosh Laboratory, Inc.
2 Chambers Street
Binghamton, New York 13903
Technical Assistance (607) 723-3512
Fax (607) 724-0549
Customer Service (607) 723-3515
Fax (607) 723-1917
Email [email protected]
Website www.mcintoshlabs.com
Please Take A Moment
For future reference, you can write down your serial number and purchase information here. We can identify your purchase from this information if the occasion should arise:
Serial Number: ___________________
Purchase Date: ___________________
Dealer Name: ____________________
Safety First
Please read the safety instructions included in a separate document called Important Additional Operation Information Guide.
Introduction
The MC451 Dual Mono Amplifier is an all-in-one solution for bi-amping loudspeakers. Utilizing our Hybrid Drive™ technology, it captures the harmonic beauty of vacuum tubes for a loudspeaker’s mid and high ranges while still having an abundance of power dedicated to the low end. The MC451 does the work of two separate amplifiers with its optimized combination of a vacuum tube and a solid state amplifier in a single optimized instrument. Actual size = .625”
The MC451 has 150 watts of vacuum tube power to drive your loudspeaker’s mid ranges and tweeters. With the MC451, the tubes will not be challenged or overloaded by low-end reproduction because the solid state section has 300 watts dedicated to driving the woofers.
Fine tuning your system is made simple with the built-in crossover. This allows you to match the crossover point to your loudspeakers and maximize the power available to each section. Alternatively, you can connect a direct feed to each amplifier section and bypass the crossover. This is perfect if you have crossovers external to the MC451. The solid state amplifier features Power Guard® for clipping protection, Sentry Monitor™ for over current protection, and ThermalTrak1 output transistors for stable bias and temperature control.
The output Autoformer™ provides the full 300W of power regardless of loudspeaker impedance and provides DC protection to the outputs. The vacuum tube amplifier features Power Guard SGS® for output tube protection and Sentry Monitor™ for over current protection. The Unity Coupled Output Transformer™ provides the full 150W of power regardless of loudspeaker impedance and provides DC protection to the outputs.
1 ThermalTrak™ is a trademark of Semiconductor Components Industries, LLC
Where to Put It
The MC451 is very heavy. When moving the unit, have enough help to lift the MC451. This will ensure the safety of both you and the MC451.
The MC451 should be installed upright on the floor or on an amplifier stand. Adequate ventilation is important and will aid in a long trouble-free life of the MC451. You must ensure proper airflow by allowing at least 19 inches (48.3cm) above the unit and 6 inches (15.2cm) for the front, rear and sides. Do not remove the feet to ensure adequate airflow beneath the MC451. There must be openings for cool air to enter (below) and warm air to escape (above) the MC451.
Dimensions
The following dimensions can assist in determining the best location for your MC451.
Removal of Foam Insert Over Vacuum Tubes
To prevent damage to the tubes during shipping, there is a foam insert surrounding the tubes of the vacuum tube amplifier.
The foam insert must be removed from the MC451 before connecting AC Power. Failure to do so is a fire hazard, and can result in damage to the MC451 and the surrounding environment.
To remove the foam insert, it is necessary to temporarily remove the tube cover. To remove the tube cover:
- Use a #2 phillips head screw driver to remove the four screws (two on each side) that hold the tube cover.

- Pull the tube cover upward from the center of the MC451.

- Lift the foam insert straight up off the vacuum tubes.

- Replace the tube cover.

- Replace the four screws to secure the cover.

- Save the protective foam for possible future use.
Connector Information
XLR Connectors 
RCA Connectors

Power Control Connectors

Output Terminals

Connecting a Loudspeaker
Loudspeaker Connections
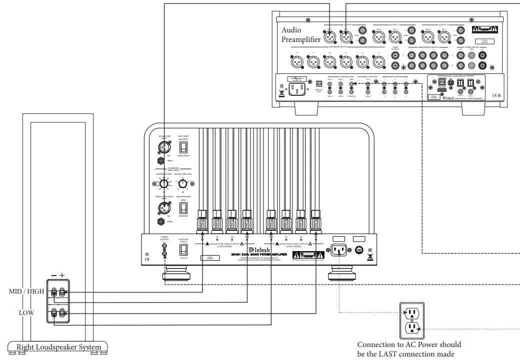
The MC451 is designed for two separate connections to a single loudspeaker. The solid state amplifier output terminals should be connected to the low frequency terminals of your loudspeaker.
The vacuum tube amplifier should be connected to the mid/high terminals of your loudspeaker. Any jumpers between the low and mid/high terminals on the loudspeaker must be removed. Refer to the Connection Diagram on pages 10-11 for additional information.
Loudspeaker Impedance
Each amplifier has a 2 ohm, 4 ohm, 8 ohm and COM output terminal. Based on the specifications of your loudspeaker, determine the best impedance to use for each connection. It is a safe bet to use the lower impedance output terminals for a speaker whose impedance falls between two choices.
Loudspeaker Cables
When connecting loudspeakers to the MC451 it is very important to use cables of adequate size. The size is specified in AWG (American Wire Gauge). The smaller the gauge number, the larger the wire size.
Loudspeaker Cable Wire Gauge Guide | |||
| Loudspeaker Impedance | Cable Distance | ||
| 25 feet (7.62 meters) or less | 50 feet (15.24 meters) or less | 100 feet (30.48 meters) or less | |
| 2 ohms | 12AWG | 1 OAWG | 8AWG |
| 4 ohms | 14AWG | 12AWG | 10AWG |
| 8 ohms | 1 6AWG | 14AWG | 12AWG |
When connecting loudspeaker cables to the MC451 output terminals follow the steps below:
- Make sure AC power is disconnected.
- Rotate the top of the output terminal counterclockwise until an opening appears.

- Insert the loudspeaker cable into the output terminal. Proper polarity must be maintained for all connections. (+/-)
- Rotate the top of the output terminal clockwise until it is finger tight.

- Place the McIntosh wrench over the top of the output terminal and rotate it one quarter of a turn (90°). Do not over tighten.

Front Panel Displays and Knobs
- METER Control Knob
• LIGHTS OFF- the meter and tube lights will be off but the dual meter will still respond to output.
• WATTS – the meter responds to all output.
• HOLD – the dual meter needles will hold the highest peak until a higher peak is reached. If no higher peak is reached, the needles will lower their levels at a rate of approximately 6dB per minute.
Note: When in the WATTS or HOLD position, the meter and tube lights will be powered On or Off by a preamplifier or A/V control center connected by a power control cable if that unit has power control capabilities. - Dual Power Output Meter
Shows both the vacuum tube and solid state amplifiers’ power output. The vacuum tube scale is displayed on the top and indicated by the longer needle. The solid state scale is on the bottom and indicated by the shorter needle. - Standby LED
Indicates that the MC451 is connected to AC power and ready to be turned on via the front panel knob or rear panel power control. In the unlikely event of a fault in the MC451’s main power supply, the MC451 will power off and the standby LED will flash. To reset the MC451 should this occur, turn the POWER control knob to OFF, wait one minute, then turn the POWER control knob to ON. If a fault continues to occur, the MC451should be serviced. - POWER GUARD SGS® (Screen Grid Sensor) LED
Indicates when Power Guard SGS is engaged for the vacuum tube amplifier. Also indicates vacuum tube warm up.
Power Guard SGS monitors the screen grid current in the KT88 output vacuum tubes. If the current becomes too high, a circuit in Power Guard SGS is activated which then dynamically attenuates the input signal in real time to keep the vacuum tubes operating at safe levels. - POWER GUARD®LED
Indicates when Power Guard is engaged for the solid state amplifier. Also indicates heatsink over temperature. Power Guard monitors and adjusts the input signal in the solid state amplifier section in real time, then makes unobtrusive adjustments to prevent distortion and potential speaker damage. - POWER Control Knob
• OFF- the MC451 will be powered off regardless of any power control connection.
• REMOTE- the MC451 can be powered on and off by a preamplifier or A/V control center connected by a power control cable.
• ON- the MC451 will be powered on regardless of any power control connection. - Vacuum Tube Input Stage
V1, V2 – 12AT7 McIntosh Part No.165078
V3 – 12AX7A McIntosh Part No.165080
Sentry Monitor™ provides protection by monitoring current in the output transformer. In the event of a large impedance mismatch, a short circuit at the output terminals or tube failure, Sentry Monitor will activate to prevent potentially destructive levels of current from flowing. When Sentry Monitor is activated, the MC451
will power off, and the three input stage tubes will flash red.
To reset the Sentry Monitor protection circuitry, turn the POWER control knob to OFF. Wait one minute and then turn the POWER control knob to ON. If Sentry Monitor continues to engage, the problem must be fixed before continuing. - Vacuum Tube Output Stage
V4, V5, V6, V7 – KT88 McIntosh Part No.165073
Note: Because of the high voltage involved with all vacuum tubes, they should only be replaced by an authorized McIntosh dealer or service agency.
Front Panel Displays and Knobs

Rear Panel Connections and Switches
- Input Mode
To select the BALANCED or UNBALANCEDconnection, use the INPUT MODE switch to toggle between these two options. Each input section can accept a male balanced XLR cable or a male unbalanced RCA cable. All inputs must use the same type of connection (BALANCED or UNBALANCED). Refer to page 5, Connector Information. - Amplifier Mode
MONO is the common choice for most applications of the MC451. The signal from a single preamplifier will be sent to both the solid state and vacuum tube amplifiers with the frequency range tailored by the crossover to match the attached loudspeaker. SEPA RATE can be useful for situations where an external crossover is used. SEPARATE can also be used for feeding full-range signals to two separate loudspeakers from a single MC451
Note: If you need to switch the INPUT or AMPLIFIER MODE, it is best to do so when the MC451 is powered off to avoid any unpleasant noise from the loudspeakers. - Vacuum Tube Input
With the AMPLIFIER MODE switch set to MONO, the input is disabled. With the AMPLIFIER MODE switch set to SEPA RATE, this input sends a full range input signal to the vacuum tube amplifier. - Mono / Solid State Input
With the AMPLIFIER MODE switch set to MONO, the input signal is sent to the internal crossover. The crossover then sends signals to each amplifier section based on the crossover settings.
With the AMPLIFIER MODE switch set to SEPA RATE, this input sends a full range input signal to the solid state amplifier. - Crossover
Refer to page 12, Setting Up the Crossover for additional information. - Power Control
Power control allows the MC451 to send and receive control signals when connected to other McIntosh products. In this way, powering on or powering off a single component can do the same for multiple units. POWER CONTROL IN accepts an On/Off signal from +5 to +12 volts. Meter and tube lights can be controlled as well.
POWER CONTROL OUT will provide a +12 volt signal with a total current up to 25 mA. Connections are made using an 1/8 inch stereo mini phone plug. Refer to page 5, Connector Information. - Auto Off Function
The MC451 incorporates power saving circuitry to automatically activate the power saving standby mode. The MC451 will turn off after approximately 30 minutes of no audio signal in both amplifiers when the AUTO OFF switch is set to ENABLED.
If the AUTO OFF switch is set to DISABLED, the MC451 will remain on regardless of the presence of any audio signal. When there is a power control connection between the MC451 and a preamplifier or source component, the AUTO OFF function is disabled regardless of switch position. - Vacuum Tube Outputs
Refer to page 5, Connecting a Loudspeaker for additional information. - Solid State Outputs
Refer to page 5, Connecting a Loudspeaker for additional information. - AC Input
Connect the MC451 power cord to a live AC outlet. Refer to the rear panel for voltage and current requirements. - Fuse
Under normal operating conditions the fuse should not need to be replaced. If required, refer to the rear panel for proper fuse type.
Rear Panel Connections and Switches

Connection Diagram

Connection Diagram

Setting Up the Crossover
The MC451’s crossover tailors the output frequency range of each amplifier section to the attached loudspeaker. Set the CROSSOVER POINT knob to the loudspeaker’s published crossover point. Frequencies below the crossover point will be sent to the solid state amplifier and frequencies above will be sent to the vacuum tube amplifier.
CROSSOVER
(MONO MODE)

The VACUUM TUBE LEVEL knob allows gain adjustments to be made to the vacuum tube ampli- fier. The goal is to achieve a proper balance between the low end of the loudspeaker and the mid/high range.
The VACUUM TUBE LEVEL knob allows for gain adjustments from -6dB to +3dB. The knob has a center detent to mark the point of 0dB gain, but adjustments are continuous from -6dB to 0dB and 0dB to +3dB.
Setting Up the Crossover
This graph demonstrates the combined frequency response for a 1kHz crossover point and 0dB level difference. Other crossover points will have similar curves.

Solid State Specifications
Power Output
300 watts into 2 ohm load
300 watts into 4 ohm load
300 watts into 8 ohm load
Rated Power Band
20Hz to 20,000Hz
Dynamic Headroom
2.5dB
Wide Band Damping Factor
Greater than 40
Frequency Response
+0, -0.25dB from 20Hz to 20,000Hz
+0, -3.0dB from 10Hz to 100,000Hz
Total Harmonic Distortion
0.005% maximum harmonic distortion at any power level from 250 milliwatts to rated power, 20Hz to 20,000Hz
Intermodulation Distortion
0.005% maximum, if the instantaneous peak power output does not exceed twice the rated power output for any combination of frequencies from 20Hz to 20,000Hz
Signal To Noise Ratio (A Weighted)
118dB below rated output
Input Sensitivity (for rated output)
3.4 Volts Balanced
1.7 Volts Unbalanced
Voltage Gain
29dB, 8 ohms
26dB, 4 ohms
23dB, 2 ohms
Input Impedance
22,000 ohms Balanced
22,000 ohms Unbalanced
Vacuum Tube Specifications
Power Output
150 watts into 2 ohm load
150 watts into 4 ohm load
150 watts into 8 ohm load
Rated Power Band
20Hz to 20,000Hz
Dynamic Headroom
1.2dB
Wide Band Damping Factor
Greater than 18
Frequency Response
+0, -0.5dB from 20Hz to 20,000Hz
+0, -3.0dB from 10Hz to 70,000Hz
Total Harmonic Distortion
0.5% maximum harmonic distortion at any power level from 250 milliwatts to rated power, 20Hz to 20,000Hz
Intermodulation Distortion
0.5% maximum, if the instantaneous peak power output does not exceed twice the rated power output for any combination of frequencies from 20Hz to 20,000Hz
Signal To Noise Ratio (A Weighted)
112dB below rated output
Input Sensitivity (for rated output)
2.4 Volts Balanced
1.2 Volts Unbalanced
Voltage Gain
29dB, 8 ohms
26dB, 4 ohms
23dB, 2 ohms
Input Impedance
22,000 ohms Balanced
22,000 ohms Unbalanced
General Specifications
Power Control Input
5-12VDC
Power Control Output
12VDC, 25mA
Power Requirements
100 Volts ~ 50/60Hz at 7.2 Amps
110 Volts ~ 50/60Hz at 6.0 Amps
120 Volts ~ 50/60Hz at 6.0 Amps
127 Volts ~ 50/60Hz at 6.0 Amps
220 Volts ~ 50/60Hz at 3.3 Amps
230 Volts ~ 50/60Hz at 3.3 Amps
240 Volts ~ 50/60Hz at 3.3 Amps
Standby, less than 0.5 watt
Refer to the rear panel of the MC451 for the correct voltage.
Overall Dimensions
Height is 11 13/16 inches (30cm)
Width is 17 7/8 inches (45.4cm)
Depth is 21 1/2 inches (54.6cm)
Weight
133 pounds (60.3kg) net
159 pounds (72.1kg) in shipping carton
Shipping Carton Dimensions
Height is 171/4 inches (43.8cm)
Width is 28 inches (71.1cm)
Depth is 31 inches (78.7cm)
Packing Instructions
In the event it is necessary to repack the equipment for shipment, the equipment must be packed exactly as shown below.
It is very important that the four feet are attached to the bottom of the unit. This will ensure the proper equipment location on the bottom pad. Failure to do this will result in
shipping damage.
Use the original shipping carton and interior parts only if they are all in good serviceable condition.
If a shipping carton or any of the interior part(s) are needed, please call or write Customer Service Department of McIntosh Laboratory. Refer to page 2. Please see the Packaging Parts List for the correct part numbers.

Packaging Parts List
| Qty | Part Number | Description |
| 1 | 34105 | Shipping carton top |
| 1 | 34104 | Shipping carton bottom |
| 2 | 34679 | Top / Bottom Pad |
| 3 | 34678 | Foam Ring |
| 1 | 33739 | Poly bag |
| 1 | 34705 | Tube Foam |

McIntosh Laboratory, Inc.
2 Chambers Street
Binghamton, NY 13903
www.mcintoshlabs.com
The continuous improvement of its products is the policy of McIntosh Laboratory Incorporated who reserve the right to improve design without notice.
Printed in the U.S.A.
McIntosh Part No. 24118600


























