McIntosh MI1250 12 Channel Power Amplifier

Thank You from all of us at McIntosh
You have invested in a precision instrument that will provide you with many years of enjoyment. Please take a few moments to familiarize yourself with the features and instructions to get the maximum performance from your equipment.
If you need further technical assistance, please contact your dealer who may be more familiar with your particular setup including other brands. You can also contact McIntosh with additional questions or in the unlikely event of needing service.
McIntosh Laboratory, Inc.
2 Chambers Street
Binghamton, New York 13903
Technical Assistance (607) 723-3512
Fax (607) 724-0549
Customer Service (607) 723-3515
Fax (607) 723-1917
Email [email protected]
Website www.mcintoshlabs.com
Please Take A Moment
For future reference, you can write down your serial number and purchase information here. We can identify your purchase from this information if the occasion should arise:
Serial Number: _______________________________
Purchase Date: _______________________________
Dealer Name: _______________________________
General Information
- For additional connection information, refer to the owner’s manual(s) for any component(s) connected to the MI1250.
- The MI1250 mutes the speaker output for approxi-mately two seconds when first turned on.
- Included with the MI1250 and located in the Owner’s Manual Packet are two Side Rack Mount Brackets and screw fasteners. Refer to page 4 for installing the Side Rack Mount Brackets.
- For the best performance and safety it is important to always attach a single Loudspeaker with an 8 Ohm or 4 Ohm impedance to the Channel 1 – Channel 12 output terminals. Refer to “How to Connect” pages 8 thru 10.
Note: The impedance of a Loudspeaker actually varies as the Loudspeaker reproduces different frequencies. As a result, the nominal impedance rating of the Loudspeaker (usually measured at a midrange frequency) might not always agree with the impedance of the Loudspeaker at low frequencies where the greatest amount of power is required. Contact the Loudspeaker Manufacturer for additional information about the actual impedance of the Loudspeaker before connecting it to the McIntosh MI1250. - In the event the MI1250 Channels overheat, due to improper ventilation or Loudspeaker Imped-ance, the protection circuits will activate. The Front Panel Channel LED will change color and the audio will be muted. Refer to page 10. When the unit has returned to a safe operating temperature, the Channel(s) normal operation will resume.
- If it becomes necessary to replace the Loudspeaker Connection Plugs used on the MI1250 Rear Panel, order part number 31065800 from the McIntosh Parts Department.
- For additional information on the MI1250 and other McIntosh Products please visit the McIntosh website at www.mcintoshlabs.com
Connector Information
Power Control Connector
The MI1250 Power Control Input receives an On/Off signal from +5 to +12 volts. The Power Control Output will in turn provide a +12 volt Output Signal with a total current up to 50mA. An additional connection is for controlling the illumination of the MI1250 Meter Power Output Indicators. The 3.5mm stereo mini phone plug connects to a McIntosh Preamplifier or A/V Control Center Power Control Output.

Introduction
Now you can take advantage of traditional McIntosh standards of excellence in the MI1250 Power Amplifier. The Twelve Channel Power Amplifier produces high power output per channel and will drive quality Loudspeakers to a high level of performance. The MI1250 reproduction is sonically transparent and absolutely accurate. The McIntosh Sound is “The Sound of the Music Itself.”
Performance Features
- Power Output
The MI1250 consists of Twelve Power Amplifier Channels, each capable of 50 watts into 8 ohm or 90 watts into 4 ohm Loudspeakers with distortion less than 0.05%. - Loudspeaker Guard
The McIntosh Loudspeaker Guard Circuit prevents the amplifier from being overdriven into clipping, with its harsh, distorted sound that can damage your valuable Loudspeakers. - Versatile Operation
The MI1250 provides power amplification for up to twelve channels in a multi-Zone Audio System. - Unbalanced Inputs
There are twelve Unbalanced Analog Audio Inputs for all twelve Power Amplifier Channels. - Digital Audio Inputs
The Digital Inputs decode PCM Signals from external sources. The Optical Inputs process Digital Signals from 32kHz to 192kHz with 24-Bit resolution. - Sentry Monitor and Thermal Protection
McIntosh Sentry Monitor power output stage protection circuits ensure the MI1250 will have a long and trouble free operating life. Built-in Thermal Protection circuits guard against overheating. - Power Control
The McIntosh Power Control Circuit allows for remote turn-on of the MI1250 Power Amplifier from a McIntosh A/V Control Center or Preamplifier for a single or dual Zone System. - Robust Power Supply
A well regulated power supply ensures stable low noise performance. - LED Solid State Front Panel Illumination
The even Illumination of the Front Panel is accomplished by extra long life Light Emitting Diodes (LEDs). The Metal and Glass Front Panel ensures the pristine beauty of the MI1250 will be retained for many years.
Installation
The MI1250 needs to be placed upright on its four feet. It also can be custom installed. Remove the four feet when it is custom installed and retain them with the fastening screws for possible future use. The required panel cutout, ventilation cutout and unit dimensions are shown in the drawing on the right side of this page.
It is necessary to provide adequate ventilation for cool operation, ensuring long life for the unit. Do not install the MI1250 above heat generating components. When installed in a cabinet with other components, use a ventilation fan to provide cool operating temperature.
A custom cabinet installation needs to provide the minimum spacing for cool operation; be sure to cut out a ventilation hole in the mounting shelf according to the dimensions in the drawing to the right.
Note: When the MI1250 is installed together with other McIntosh Components, check clearances on all components before proceeding.
Installation of Side Rack Mount Brackets
When desired, to install MI1250 Side Rack Mounting Brackets, follow the steps below for one side at a time:
- Refer to figure A to remove the two side screws and save them for possible future use.
- Position the Side Rack Mounting Bracket as illustrated in figure B. Then attach the Bracket to the Front and Side Panel of the MI1250, using the screws supplied with the Bracket.
- Perform steps 1 and 2 to mount the second Bracket to the other side of the MI1250.


Dimensions
The Following Dimensions Can Assist In Determining The Best Location For Your MI1250.

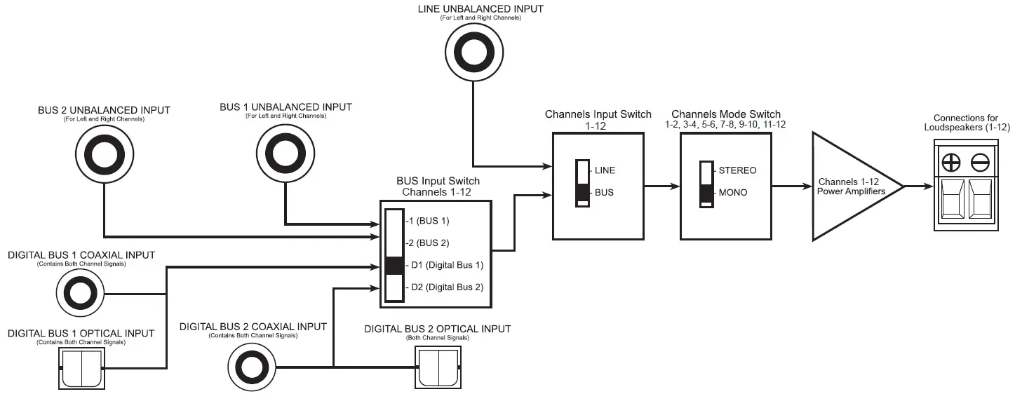
Audio Input Selection for each Power Amplifier Channel
Each Channel of the MI1250 allows selection of different Audio Signal Inputs to be Amplified after selected via the two switches.
The first switch LOCAL/BUS selects between the specific Channel Unbalanced Input Jack or BUS which allows selection of the BUS Switch (1, 2, D1 or D2).
The BUS Switch allows selection of the following:
BUS 1 – Unbalanced Input Jack (L or R) dependent by its Channel Type.
BUS 2 – Unbalanced Input Jack (L or R) dependent by its Channel Type
DIG 1 – Coaxial or Optical Digital Input Connector
DIG 2 – Coaxial or Optical Digital Input Connector

Making All the Right Connections

Output Plug Connection
When connecting the Loudspeaker Hookup Cables to the MI1250 using the supplied Loudspeaker Connection Plugs.
- To minimize power losses in the hookup cables, use cables with the largest wire thickness that will physically fit in your application: American Wire Gauge (AWG) specifies cable wire thickness. A smaller AWG number represents a larger wire thickness. Reference the following table as a guideline.
Loudspeaker Cable Distance vs Wire Gauge Guide Loudspeaker Impedance 25 feet (7.62 meters) or less
50 feet (15.24 meters) or less
100 feet (30.48 meters) or less
4 Ohms 14AWG 12AWG 10AWG 8 Ohms 16AWG 14AWG 12AWG This McIntosh Power Amplifier is designed for Loudspeakers with an impedance of 4 ohms or 8 ohms. Connect a single Loudspeaker only to each Channel Output Terminal.
- The Loudspeaker Hookup Cable for attachment to the MI1250 Power Amplifier:
Bare wire cable ends: Carefully remove sufficient insulation from the cable ends. If the cable is stranded, carefully twist the strands together as tightly as possible.
Note:
2a. If the Loudspeaker Cable used is greater in size than 12AWG, it can be used by removing some of the copper strands after the insulation is removed from the cable end. The acceptable diameter of the copper stands size is 0.100 inches (2.54 mm) so it will fit the into opening on the MI1250 Connection Plug.
2b. If desired, the twisted ends can be tinned with solder to keep the strands together. - Adjust the two top screws of the Loudspeaker Connection Plug to provide a sufficient opening size so the bare wire will fit into the connector.

- Insert the Loudspeaker Hookup Cable bare wire end into the Connection Plug opening.

- With the Hookup Cable insulation flush with the Loudspeaker Connection Plug opening, rotate the two top screws to secure the Hookup Cable with the plug.

- Now complete the remaining Loudspeaker Connection Plugs and the Loudspeaker Hookup Cables
WARNING: The MI1250 Chassis Loudspeaker Connection Socket Pins present a risk of electric shock when the Amplifier is On. For additional assistance on using Loudspeaker Connections Plugs contact your McIntosh Dealer or McIntosh Technical Support.
How to Connect from a Multichannel Zone Preamplifier
WARNING: Do not connect the AC Power Cord to the MI1250 Rear Panel until after the Loudspeaker Connections are made. Failure to observe this could result in Electric Shock.
The following connection instructions, together with the Connection Diagram on page 7, depict a typical Multichannel System. Your system may vary from this, however the actual components would be connected in a similar manner. For additional information refer to “Connector Information”.
- For Remote Power Control, connect a power control cable from the A/V Control Center Power Control Trigger/Output 2 to the Amplifier POWER CONTROL INPUT.
Note: When the Power Control Cable is connected between the MI1250 and an A/V Control Center, the AUTO OFF Signal Sensing Circuitry is automatically disabled. - Optionally, connect the MI1250 POWER CONTROL OUT using a power control cable to the first Loudspeaker and then connect the first Loudspeaker Power Control Out to the Power Control In on the next Loudspeaker. Connect the remaining Loudspeakers in the same way.
- Connect unbalanced cables from the A/V Control Center Analog Audio Out Zone 2 (Left and Right Channel) to the MI1250 BUS 1 INPUTS, making
sure to match up channel designations. - Connect unbalanced cables from the A/V Control Center Analog Audio Out Zone 3 (Left and Right Channel) to the MI1250 BUS 2 INPUTS, making sure to match up channel designations.
- Place the CHANNEL 1/2, 3/4 and 5/6 Input Selector Switches to the “1” Position.
- Place the CHANNEL 7/8, 9/10 and 11/12 Input Selector Switches to the “2” Position.
- Place the Analog Audio/Digital Audio CHANNEL all channel Input Selector Switches to the “BUS” Position.
- With the Loudspeaker Hookup Cable attached to the Loudspeaker Connection Plug, insert the Plug End into the correct MI1250 Rear Panel Chassis Loudspeaker Socket. Then connect the opposite end of the Loudspeaker Hookup Cable to the Loudspeaker Connection Terminals. Make sure to match up the MI1250 Negative and Positive Output Connection on the Plug Connector, with the Loudspeaker Negative and Positive Input Connections.
WARNING: Loudspeaker terminals are hazardous live and present a risk of electric shock. For additional instruction on making Loudspeaker Connections contact your McIntosh Dealer or McIntosh Technical Support. - After all the connections have been completed, connect the MI1250 power cord to an active AC outlet.
How to Operate
Power On
The LED STANDBY/ON Indicator illuminates to indicate the unit is connected to AC Power. To switch ON the MI1250, press the POWER Push-button on the Front Panel or switch On the Audio Source Component provided there is a Power Control Cable Connection to the MI1250.

- It will take about 6 seconds for initialization of the internal circuitry to take place on the MI1250 when switched On.
- There must be a power control connection between the MI1250 and the Audio Source Component in order for the Remote Control Operation Power ON/OFF to function.
- When the MI1250 is receiving a Power Control ON Signal, the Front Panel POWER Push-Button becomes inactive.
Auto Off Function
- The MI1250 incorporates Power Save Circuitry to automatically place the unit into the power saving Standby Mode approximately 10 minutes after there has been an absence of an audio input signal on all twelve channels.
- When there is a Power Control Connection between the MI1250 and a Preamplifier or Source Component, the AUTO OFF Function is bypassed.
Channel Operational Indication
The MI1250 Front Panel has twelve LEDs. The LEDs indicate the current functioning status for each of the twelve channels.
| MI1250 Channel Operation Functions | |
| LED COLOR | Functional Status |
| LED not Illuminated | Indicates when the Channel is OFF |
| Green | Indicates when the Channel is ON with an Audio Signal Present and Normal Operation for the Channel exists |
| Amber | Indicates when maximum Power Output for the Channel has occured with prevention of Audio Clipping |
| Red | Indicates current limit or short circuit for the Channel Loudspeaker Output Connection |
Volume Controls
Each of the Amplifier Channels have volume control knobs. The volume control knobs allow channel volume levels to be adjusted individually.
Input Selector
- Each pair of the Amplifier Channels have switches on the Rear Panel for selection of the Input Source Signal that determine the Audio Signal Mode. Refer to pages 6 and 7 for additional information.
- The LOCAL-BUS Switch determines if the Audio Signal will originate from the Unbalanced Left and Right Input Jacks or from the BUS Analog/Digital Input Connectors.
- When the LOCAL-BUS Switch is placed in the BUS Position the selection of the Audio Signal Input for the Power Amplifier Channels is determined by the 1-2-D1-D2 Selector Switch.
- The 1 and 2 Selector Switch Positions are for the Analog Signals from the BUS1/BUS2 Left and Right Input Jacks for the Amplifier Channels.
- The D1 Switch Position allows the Digital Audio Signals from the DIG1 Optical or Coaxial Input Connector to be available for the Power Amplifier Channels. The D2 Switch Position performs the same functions from the DIG2 Optical or Coaxial Input Connector.
Mode Selector
Each pair of the Twelve
Power Amplifier Channels have a Mode Switch located on the MI1250 Rear Panel for STEREO or MONO Mode of Operation.
The Mode Switch affects all three of the Analog Input Pairs. It also affects the Digital Optical or Coaxial Input Audio Signal.
Front and Rear Panel Displays


Specifications
Power Output
Minimum sine wave continuous average power output per channel, all channels operating is:
50 watts into a 8 ohm load
90 watts into a 4 ohm ohm load
Output Load Impedance 8 and 4 ohms
Rated Power Band 20Hz to 20,000Hz
Total Harmonic Distortion
0.05% maximum harmonic distortion at any power level from 250 milliwatts to rated power, 20Hz to 20,000Hz
Dynamic Headroom
2.1dB, 8 ohm load
3.3dB, 4 ohm load
Frequency Response
+0, -0.5dB from 20Hz to 20,000Hz
Input Sensitivity (for rated output)
1.6 Volt Unbalanced (8 ohm Loudspeaker)
1.3 Volt Unbalanced (4 ohm Loudspeaker)
Signal To Noise Ratio (A-Weighted)
85dB (95dB below rated output)
Intermodulation Distortion
0.2% maximum, if the instantaneous peak power output does not exceed twice the rated power output or less per channel with all channels operating for any combina-tion of frequencies from 20Hz to 20,000Hz
Wide Band Damping Factor
Greater than 65, at 8 ohms
Greater than 32, at 4 ohms
Input Impedance 26,000 ohms Unbalanced
Voltage Gain 29dB
Power Control Input 5-15VDC, less than 1mA
Power Control Output 12VDC, 50mA maximum total
Power Requirements
100 – 240Volts, 50/60Hz at 10 Amps
Standby: less than 0.5 watt
Overall Dimensions
Width is 17-1/2 inches (44.5cm)
Width with Side Mount Brackets attached is 19 inches (48.3cm)
Height is 4-5/16 inches (11.0cm) including feet
Depth is 21 inches (53.3cm) including the Front Panel and Cables
Weight
22 pounds (10 kg) net, 38.4 pounds, (17.4 kg) in shipping carton
Shipping Carton Dimensions
Width is 26-1/2 inches (67.3cm)
Height is 11-3/4 inches (29.9cm)
Depth is 24-1/4 inches (61.6cm)
Packing Instructions
In the event it is necessary to repack the equipment for shipment, the equipment must be packed exactly as shown below.
Note: It is very important that the four plastic feet are attached to the bottom of the equipment. This will ensure the proper equipment location on the bottom pad. Failure to do this will result in shipping damage.
Use the original shipping carton and interior parts only if they are all in good serviceable condition.
If a shipping carton or any of the interior part(s) are needed, please call or write Customer Service Department of McIntosh Laboratory.
| Quantity 1 | Part Number 033838 | Description Shipping carton only |
| 2 | 033837 | End cap |
| 1 | 033836 | Inside carton only |
| 1 | 033725 | Top pad |
| 1 | 034576 | Bottom pad |
| 1 | 034592 | Filler pad |
| 2 | 034446 | Foam plug |
| 4 | 017937 | Plastic foot |
| 4 | 400159 | #10-32 x 3/4” screw |
| 4 | 404080 | #10 Flat washer |

McIntosh Laboratory, Inc.
2 Chambers Street
Binghamton, NY 13903
www.mcintoshlabs.com
The continuous improvement of its products is the policy of McIntosh Laboratory Incorporated who reserve the right to improve design without notice.
Printed in the U.S.A.

Note:



















