SOUNDARD CA12 Plus Series Power Amplifier User Manual
Important Safety Notice
- Read the rules, pay attention to all warnings, and comply with these rules.
- It is forbidden to spray liquid around the product.
Please do not placed the liquid container above the product, such as vases, etc. The dry cloth and air pressure gun can be used for cleaning. - Be careful not to form a hot air circulation. Please install as the recommended way.
- Do not install the product near the heat source, and try to keep the environment temperature below 35°C.
- Ground protection, when connect to power supply, corresponding ground protection measurements should be taken.
- Please protect the power cord from treading and squeezing, especially the plug, power socket and connected devices.
Warning: Power plug/Equipment coupler, as a circuit cutting off device, should be kept available at any time. - Must be in accordance with the following sequence switch to use the product: Turn on: Pre-Amp – Amplifier; Turn off: Amplifier – Pre-Amp.
- Before power on, must ensure that the power supply voltage in accordance with the requirement of the product.
- If input signal parallel with more than three power amplifiers, it is suggested to use signal distributor to make sure no distortion of the input signal.
- Do not connect an output port of one channel into an input port of the other channel in the same amplifier. Do not connect an output port into an output port of another amplifier in series or parallel.
- When configure an amplifier into a system, the output power of amplifier should be 50%-100% higher than the nominal
power which is the same impedance with the loudspeaker. And be careful to use the bridge mode. - It is forbidden to connect an oscilloscope probe into an amplifier output interface in state of bridge when the amplifier is
being maintained, to avoid amplifier or oscilloscope got broken. - Suggest:
- Please use qualified NL4 SPEAKON connectors.
- Please make the appropriate power distribution when more than one amplifier working at the same time, to achieve qualified using environment.
Safety instructions
![]() | When stacking non-horizontally, the air outlet should be upward or be straight to the vent. | ![]() | This product is suitable for safe use below altitudes 2000m.(Only for our company Switching Mode Power Supply equipment’s) |
![]() | Input/output connection cables can not be stacked on the air outlet of the product. They should be tied up on both sides of the amplifier. | ![]() | This product is suitable for safe use of non tropical climate conditions. |
![]() | The ambient temperature should be lower than 35°C while running the amplifier | ![]() | The materials which need to be technically recycled and can not be placed in the trash can. |
![]() | Please verify the temperature in the cabinet when the pFO”ect is debugged, and should be kept below 35°C even though in the extreme conditions. | ![]() | The lightning bolt triangle is used to alert the user To the risk of electric shock. Non-professional Qualified technicians do not open top or bottom covers for maintenance |
![]() | WARNING: To reduce the risk of fire or electric Shock, do not expose this apparatus To rain or moisture. | ||
Welcome
Thank you for purchasing our products.
The CA+ series power amplifier is specially designed for sound system in large stadium, tour, theater.
Please take the time to study this manual so that you can obtain the best possible service from your amplifier.
Unpacking
Please unpack and inspect your amplifier for any damage that may have occurred during transit.
Confirm the preset voltage of the power amplifier matches your local voltage rating ( Please refer to the print on the rear panel for detailed information).
We also recommend that you save all packing materials so you will have them when need to return the power amplifier.
Important safety precautions
Our products has already taken the safe requirement in to consideration and all the finished products have been tested under the requirement of the government before sale.
Due to the inner dangerous high voltage and electricity, we strongly recommend you read all instructions, warnings and cautions contained in this manual.
It will increase the chance of getting shock by the electricity if the product falls down, recess in the appearance, soaked or there were some parts loose internal.
If there are problems above, please turn off power immediately and send the defective units to local distributor for service.
Power & Wiring distribution
Referring to the power dissipation and power supply/AC of different product for wiring We suggest the users to match not less than the following wiring size specifications, to obtain the better comprehensive properties.
The Standard Voltage : 220/230/240V –
| Model | Dissipation Power | cable size |
| CA12 + | 1500W | z1 .5mm2 |
| CA18+ | 2800W | 12.5mm‘ |
| CA20 + | 3500W | 12.5mm 2 |
Front panel functions
Front Panel

Cleaning guide of the dust filter
The first time cleaning of the strainer mesh should be right after installation.
Recommend to clean the strainer mesh quarterly.
Please do not run the product without the dust filter, or it makes the service life of the product shorten.
Such condition will be considered as no warranty.
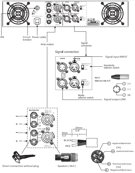
Rear Panel

The speaker connector
It can work from 2-16ohm in stereo or parallel mode. It can work good from 4ohm to 16ohm In bridge mode
We don’t suggest you use the amplifier under 4ohm bridge mode for a long time, it will short its normal use life or have some unnecessary failure.
The quality of your soldering is very important Virtual welding or soldering errors, Would be likely to affect the normal Use or even failure
System connection cases

Bridge mode
Parallel mode
Stereo mode
Specifications
| Model Output power | CA12 + | CA18+ | CA20+ |
| 8Ct stereo | 850Wx2* | 1500Wx2* | 2000Wx2* |
| 4C1 stereo | 1500Wx2** | 2500Wx2** | 3200Wx2** |
| 2€1 stereo | 2000Wx2** | 3300Wx2** | 4200Wx2** |
| 8Ct bridge | 3000W** | 5000W** | 6400W** |
| 4Ct bridge | 3500W** | 6000W** | 7200W** |
| Other Specifications | |||
| Frequency response | 20Hz-20KHz(+0/-0.5dB) | 20Hz-20KHz(+0/-0.5dB) | 20Hz-20KHz(+0/-0.5dB) |
| THD+ N | <0.02% | <0.1% | <0.1% |
| S/N rate | *85dB | z80dB | z80dB |
| Damping factor | z280 | z500 | z500 |
| Slew rate | *16V/ps | z15V/ps | z15V/ps |
| Input sensitivity | 0.775/1.0V/32dB | ||
| Input impedance(baI/unbaI) | 20kCl/10kC | ||
| Voltage gain (8 ohm ) | 40.5dB | 43dB | 44.2dB |
| Output circuitry | Class I’” | ||
| Cooling | Air flow from front to rear | ||
Connection
| Input | Balance input XLR-F, Balance output XLR-M |
| Output | Two red and black Binding posts, NI4 SPEAKON |
| Function | |
| Front panel | Front panel indicator: Working indicator, Signal/Clip/Protection/Power on/-5db/-10db/ -20db / volume control knob |
| Rear panel | Sensitivity selection switch. stereo/parallel/bridge/Cross-over selection switch |
Dimensions/Weight
| Product Dimension(mm) | 483x457x89 | 483x497x133 | 483x497x133 |
| Packaging Dimension(mm) | 595x565x170 | 620x585x210 | 620x585x210 |
| G.W. | 28.3kg | 38.7k | 42.1k |
| Power Supply | 13Apower cord | 16Apower cord |
Remark:
- The power is tested under EIA standard.
- The power is tested under the condition of 40ms burst,1kHz sine wave and 1% THD
Product dimension(mm)
Suitable model:CA12 +
The manufacturer reserves the rights to make changes in specification without prior notice.
The final specification is subject to the user’s manual.
Suitable model:CA18
Troubleshooting
After powered without any response
Measure the outlet with a multimeter to check if there is power available and when no multimeter, you can have a test pencil.
If the power supply is normal and the amplifier still no response when powered then there is something wrong with the amplifier, need professional person to check it.
No signal output
- Frist check if the signal input is right.
Check the connect of XLR, if the 2 and 3 reverted or the ground is reliable.
Different circuitry design will have different connect way of the XLR, please follow the 2+. 3- to soldering.
It can not be judged by comparing with other amplifiers (including other amplifiers in the same factory) - The signal light don’t lights up If all the signal input is fine and the signal light don’t lights up then may the amplifier has failure, you need to ask the professional person to check it.
- Signal input normal but no sound The signal light will flash with the change of input Volume, but now sound out, then you can check the connect of speakon if it is connect good and the wires are connect right(some times the problem of the wires connect, check its+1 and +2 connect), after the check above if still no sound out, please change a speaker cable and check again.
Because some times also caused by the bad quality of the Speakon connector problem of the amplifier.
Through experiences, it may caused by the bad connection of some plugs and the socket.
Output sound distortion
- After check the signal and loudspeaker they are fine and still can hear distortion when small sound, then may the amplifier has failure, need professional person to check it.
- Some frequency band has distortion
First, check if the loudspeaker already overload, normally judge it in 95-105dB for higher SPL we don’t comment here.
Here we just think about the failure recovery of the amplifier.
If in the middle have some rupture sound and more smaller volume more obvious, then it should be crossover distortion of the amplifier and this kind of distortion is easy to confuse with the failure of loudspeaker itself.
If the amplifier have problem then you should send back to the manufacture for repair. - Distortion is High SPL
If the sound is normal when small volume and then you need to check the limit SPL of the loudspeaker.
You can listen it in suitable volume and if clip light works, then you need reduce the output.
Both loudspeaker and amplifier have limit, you should use them in their limit if in very high SPL they have distortion you should take care of them and reduce the output to the right position.
The protection light blinks
When the PROT light works, the amplifier into the protection mode.
- Maybe the temperature is too high or output short or near short and they are not failure they can recovery after you can use it normally.
But over heat will take more time to recovery.
Also when over heat happened you should check the fan and the temperature of the install environment, if does you should solve the problem then can use amplifier.
If you think the speaker was short, you can with a multimeter to check if the resist is lower than 2 ohm or 1 ohm with DC(Please calibrate the multimeter to measure for accuracy because of the small resistance). - If the PROT light always light up then it should be the problem of amplifier, you should send it back to professional person for repair.
Hum in the system
- Hum exists even when there is no signal
Please keep the amplifier away from earth wire of power supply cables, just connect the fire wire and zero wire, no ground wire.
If the hum is still existing, it can be judged that there are some problems in the amplifier.
Please get in touch with professionals. - Hum exists when the system is completely connected
This is caused by the different ground voltages in difference devices in the system, mainly happens when the power supply
is under three-phase distribution condition, each device is connected to different phase. This is not caused by amplifier.
Solution experiences, just for reference
- A. Combing the electricity, the power distribution box using the same one for all if possible.
- B. Make sure the grounding wire potential is zero and force the different grounding wire to the same level, if the grounding
wire Itself charged, indicates that the wire may be connected with the zero line. Please solve this problem. - C. If unavailable above, then only to disconnect the ground wires of all devices, which helps to reduce the AC.
But this is not meet the safe use of electricity, users must know what will happen if to do in this way.
We do not recommend the floating use.
The amplifier is required maintenance in the condition below:
- If the amplifier smokes or smells burning.
- If the cabinet has severe indentation and deformation
- If the amplifier are dipped into the water
- If the internal components loosen
- If AC breaker skips out when current increases.
Warranty
Disclaimer
SAE Audio Co., Ltd. is not responsible for any damage of loudspeakers or other equipment’s caused by negligence or improper installation.
SAE Audio Co., Ltd. offers 2 years limited warranty for this product.
SAE Audio Co., Ltd. Guarantees that this product has no material defect durinp two years from the sales date; if the damage caused under the normal installation and operation, SAE Audio Co., Ltd. shall change the defective component and repair faulty product for free according to this Quality Guarantee Agreement.
However, users must send the product to our factory or any authorized maintenance points or designated distributors, affording the re-paid freight, together with buying proof (including customer copy of product warranty card and payment receipt or invoice copy).
As per this Quality Guarantee Agreement, the returned product must be judged having manufacturing defect it self after our inspection.
This agreement doesn’t apply for products with damage caused by any wrong operation negligence, accident, inappropriate installation or products with no date code and sequence no or damaged ones beyond recognition.
SAE Audio Co., Ltd. shall not afford responsibility for any damage caused by accident or indirect factors.
The agreement authorized you specific legal rights.
Address:
SAE Audio Co., Ltd. After Sale Department
No.39,East,Wenjiao Road,Heshun,Lishui,Nanhai,Foshan,Guangdong,China.
CUSTOMER SUPPORT
PC: 528241
Tel: 0757-8560-8331
Fax: 0757-8568-8191
Email: [email protected]
Brand website: www.soundard.com
Website: www.saeaudio.com

























