Power Equipment PILOT-4C 4
Cycle Mini Tiller Cultivator
Instructions
SAFETY & OPERATING INSTTRUCTIONS
DR Power Equipment
Toll-free phone: 1-800-DR-OWNER (376-9637)
Fax: 1-802-877-1213
Website: www.DRpower.com
Serial No………
Order No……….
WARNING
Read and understand this manual and all instructions before operating the DR PILOT 4 Cycle Tiller/Cultivator.
Conventions used in this manual
WARNING
This indicates a hazardous situation, which, if not avoided, could result in death or serious injury.
CAUTION
This indicates a hazardous situation, which, if not avoided, could result in minor or moderate injury.
NOTICE
This information is important in the proper use of your machine. Failure to follow this instruction could result in damage to your machine or property.
Tip: This is a helpful hint to guide you in getting the most out of your DR PILOT 4 Cycle Tiller/Cultivator.
Tools Needed: This indicates you will need a special tool to perform a maintenance function on your Tiller/Cultivator.
NOTE: This information may be helpful to you.
We have done our utmost to ensure that your DR PILOT 4 Cycle Tiller/Cultivator will be one of the most trouble-free and satisfying pieces of equipment you have ever owned. Please let us know of any questions you may have. We want to answer them as quickly as possible. When you do call, please have your order number, or serial number handy. For technical assistance, please visit our website at www.DRpower.com or call Toll-Free 1-800-DR-OWNER (376-9637) and one of our Technical Support Representatives will be happy to help you. We also hope to hear from you on how much you like your new helper.
If you are ever unsure about an action you are about to take, don’t do it, visit our website at www.DRpower.com for help or information.
DR Power Equipment reserves the right to discontinue, change, and improve its products at any time without notice or obligation to the purchaser. The descriptions and specifications contained in this manual were in effect at printing.
Equipment described within this manual may be optional. Some illustrations may not be applicable to your machine.
Chapter 1: Important Safety Considerations
We want you to enjoy years of safe and productive use from your DR PILOT 4 Cycle Tiller/Cultivator. We do not want you injured, so please take a few moments to read the following instructions for safely operating your new Tiller/Cultivator.
Your DR PILOT 4 Cycle Tiller/Cultivator carries a prominent safety label (shown below) to remind you of important information while you are operating the machine. Take a moment to study this label before you operate the machine. Please, immediately replace this label if it should become unreadable due to fading, or otherwise damaged during use of your DR PILOT 4 Cycle Tiller/Cultivator.
35918
Tine Shield Warning Decal
Protecting Yourself and Those around You
Tragic accidents can occur if the operator is not alert to the presence of children. Children are often attracted to the Tiller/Cultivator and the activity of tilling. Never assume that children will remain where you last saw them.
WARNING
This tilling machine, can cut, and sever parts of your body if they become in contact with the moving Tines. Always take the following precautions when operating the DR PILOT 4 Cycle Tiller/Cultivator:
- Only allow responsible individuals who have a thorough understanding of these instructions to operate the Tiller/Cultivator. Never allow children to operate the machine.
- Always wear protective goggles or safety glasses with side shields while tilling to protect your eyes from possible foreign objects thrown from the machine.
- Wear shoes with non-slip treads when using this machine. If you have safety shoes, we recommend wearing them. Do not use the machine while barefoot or wearing sandals with exposed toes or heels.
- Avoid wearing loose clothing or jewelry, which can catch on the machine’s moving parts.
- We recommend wearing long pants and gloves while using this machine. Be sure the gloves fit properly and do not have loose cuffs or drawstrings.
- Never place your hands, feet, or any part of your body near the Tines when starting the Engine or while the DR PILOT 4 Cycle Tiller/Cultivator’s Engine is running.
- Keep children, other bystanders, and pets away from your work area at all times. Stop the Engine when another person or pet approaches.
- Before and while pulling the machine backwards, look behind and down for small children and for secure footing.
- We recommend the use of ear protectors or earplugs rated for at least 20 dba to protect your hearing.
Operating the Tiller/Cultivator Safely
WARNING
- Clear the work area of objects that might jam or wrap around the Tines such as glass, large sticks, stones, metal objects, wire, rope, and string-like materials. Use on these objects could damage the DR PILOT 4 Cycle Tiller/Cultivator and/or cause injury.
- Do not touch the muffler and Engine when the machine is in use as they become very hot and can cause severe burns.
- The Engine should always be off before adjusting the Wheel Height or Drag Stake.
- Never, under any conditions, remove, bend, cut, fit, weld, or otherwise alter standard parts on the DR PILOT 4 Cycle Tiller/Cultivator. This includes all shields and guards. Modifications to your machine could cause personal injuries and property damage and will void your warranty.
- Do not operate the machine when under the influence of alcohol, drugs, or medication.
- Use the DR PILOT 4 Cycle Tiller/Cultivator only in daylight.
- Do not hurry or take things for granted when using the DR PILOT 4 Cycle Tiller/Cultivator. When in doubt about the machine or your surroundings, stop the machine and take time to look things over.
- Do not use this machine around large roots and surface rocks that you cannot remove prior to use.
- Do not use this machine around underground pipes and wiring.
- Prior to removing material from the Tines by hand, stop the Engine and remove the Spark Plug wire.
Safety with Gasoline-Powered Machines
WARNING
Gasoline is a highly flammable liquid. Gasoline also gives off flammable vapor that is easy to ignite and cause a fire or explosion. Never overlook the hazards of gasoline and always follow these precautions:
- Never run the DR PILOT 4 Cycle Tiller/Cultivator Engine in an enclosed area or without proper ventilation as the exhaust from the Engine contains carbon monoxide, this is an odorless, tasteless, and deadly poisonous gas.
- Store all fuel and oil in containers specifically designed and approved for this purpose and keep away from heat, open flame, and out of the reach of children.
- Fill the Fuel Tank outdoors with the Engine off; allowing the Engine to cool completely. Do not handle gasoline if you or anyone nearby is smoking, or if you are near anything that could cause it to ignite or explode. Replace the Fuel Tank and Fuel Container Caps securely.
- If you spill gasoline, do not attempt to start the Engine. Move the machine away from the area of the spill and avoid creating any source of ignition until the gas vapors have dissipated. Wipe up any spilled fuel to prevent a fire hazard and properly dispose of the waste.
- Allow the DR PILOT 4 Cycle Tiller/Cultivator Engine to cool completely before storing in any enclosure. Never store the machine with fuel in the tank or with fuel in a container near an open flame or spark such as a water heater.
- Never make adjustments or repairs with the Engine running. Before making an adjustment or repair, shut off the DR PILOT 4 Cycle Tiller/Cultivator Engine, wait five (5) minutes to cool, then disconnect the spark plug wire and keep the wire away from the spark plug to prevent accidental starting.
- Never check for an ignition spark with the Spark Plug or Spark Plug wire removed. Always use an approved spark tester.
- To reduce fire hazard and keep the Engine from overheating, keep the Engine and Muffler area free of debris or any other combustible material.
- Never operate the Engine without the Muffler. Inspect the Muffler periodically and replace if necessary.
- Never operate the Engine with the Air Filter or Cover over the Carburetor air intake removed, except for adjustment.
Removal of such parts could create a fire hazard. Do not use flammable solutions to clean Air Filter. - Always check Fuel Lines and fittings frequently for cracks or leaks, replace if necessary.
- Replace rubber Fuel Lines and Grommets when worn or damaged, but do not use over five (5) years.
CAUTION
Safe operation of the DR PILOT 4 Cycle Tiller/Cultivator is necessary to prevent or minimize the risk of minor or moderate injury. Unsafe operation can create a number of hazards for you. Always take the following precautions when operating this machine:
- The DR PILOT 4 Cycle Tiller/Cultivator is a powerful tool and not a plaything. When using this machine, exercise extreme caution at all times. The design of this machine is to till soil. Do not use it for any other purpose.
- The operator or user of the DR PILOT 4 Cycle Tiller/Cultivator is responsible for accidents or hazards occurring to other people, their property, and themselves.
- In an emergency, to quickly stop the machine, simply release the Throttle Lever and shut off the Engine.
- Do not transport the DR PILOT 4 Cycle Tiller/Cultivator from one place to another with the Engine running.
- If the machine should make an unusual noise or vibration during use, shut off the DR PILOT 4 Cycle Tiller/Cultivator Engine. Vibration is generally a warning of trouble. Wait five (5) minutes for the DR PILOT 4 Cycle Tiller/Cultivator Engine to cool, disconnect the Spark Plug wire and then inspect the machine for clogging, damaged Tines, or loose Engine mounting bolts. Clear any obstructions and repair and/or replace damaged parts.
- Always keep the machine in good safe operating condition. Always make certain nuts and bolts are tight and always use the supplied self-locking hardware. Do not use substitute hardware.
- Always shut off the DR PILOT 4 Cycle Tiller/Cultivator Engine, wait five (5) minutes to cool, and disconnect the spark plug wire before attempting to clear any obstructions.
- If the DR PILOT 4 Cycle Tiller/Cultivator Engine should stall, raise the Tines out of the soil by pushing down on the Handlebars. Never squeeze the Throttle Lever when the Tines are already in the ground.
- Never leave the DR PILOT 4 Cycle Tiller/Cultivator unattended with the Engine running.
California Proposition 65
WARNING
California Proposition 65:
- Engine exhaust and some of its constituents are known to the state of California to cause cancer, birth defects, and other reproductive harm.
- This product contains or emits chemicals known to the state of California to cause cancer, birth defects, and other reproductive harm.
A Note to All Users
No list of Warnings and Cautions can be all-inclusive. If situations occur not covered by this manual, the operator must apply common sense and operate the DR PILOT 4 Cycle Tiller/Cultivator in a safe manner. Visit our website at www.DRpower.com or call 1-800-DR-OWNER (376-9637) for assistance.
Under California law, and the laws of some other states, you are not permitted to operate an internal combustion Engine using hydrocarbon fuels without an Engine Spark Arrester. This also applies to operation on US Forest Lands. We provide all DR PILOT 4 Cycle Tiller/Cultivators shipped to California and Washington State with Spark Arresters. Failure of the owner/operator to maintain this equipment in compliance with state regulations is a misdemeanor under California law and may be in violation of other state and/or Federal regulations. Contact your local Fire Marshal, Forest Service, State Park Association, or the appropriate State organization for specific information in your area.
Chapter 2: Setting up your DR PILOT 4 Cycle Tiller/Cultivator
This chapter outlines a few simple steps you will need to follow to set up your new machine before you use it. It may be helpful to familiarize yourself with the controls and features on your new machine by reviewing Figure 1 on the following page before beginning the steps outlined in this chapter. For technical assistance, please visit our website at www.DRpower.com and one of our Technical Support Representatives will be happy to help you.
DR PILOT 4 Cycle Tiller/Cultivator Specification Sheet
| ENGINE DISPLACEMENT | 40cc |
| FUEL TANK CAPACITY | 0.75 L |
| FUEL TYPE | Minimum 87 octane gasoline with NO ethanol content NOTE: If using an ethanol blended fuel, a fuel stabilizer, mixed to manufacturer specifications, is recommended |
| OIL TANK CAPACITY | 3.72 ounces |
| OIL TYPE | OIL 4 CYCLE (p/n 194211) 10W-30 |
| SPARK PLUG | NGK CMR6A |
| SPARK PLUG GAP | 0.6 mm |
| TRANSMISSION | GEAR DRIVE |
| GEAR RATIO | 32:01:00 |
| TILLING WIDTH | 6” minimum – 10” maximum |
| TILLING DEPTH | 8” maximum |
| TINE SPEED | 288 rpm |
| WHEEL SIZE | 7.1” x 1.5” diameter |
| WEIGHT OF UNIT | 33 lb |
| UNIT SIZE L x W x H (inches) | 33.6” x 17.8” x 40.6” |
DR PILOT 4 Cycle Tiller/Cultivator Controls and Features
NOTE: The model shown in Figure 1 may look slightly different from your machine.
Figure 1
Unpacking and Assembling the Machine
Parts Supplied in Shipping Carton:
- DR PILOT 4 Cycle Tiller/Cultivator
- Upper Left Handlebar
- Upper Right Handlebar
- Middle Handlebar
- Hardware Bag:
– Four T-Handle Nuts
– Four Curved Washers
– Four Handle Clamp Bolts
CAUTION
Stabilize the shipping carton on a flat ground surface before attempting to unpack and assemble the machine. Do not place the machine on a bench or table where it can fall and cause personal injury or damage the machine.
- Carefully lift the DR PILOT 4 Cycle Tiller/Cultivator out of the carton and set the machine upright with the Tines and Wheels on a level surface.
- Remove the Hardware Bag from the Shipping Carton.
- Remove any packing material from the machine and cut the Ties holding the Handlebar pieces to the Tiller/Cultivator assembly.
NOTE: Use care with the Upper Right Handlebar so as not to kink the Throttle Cable or pinch the On/Off Switch Wire; they are reattached to the Engine and Handlebars.
Make sure the pull cord is in the center of the middle handle bar when attaching. - Using two T-Handle Nuts, two Handle Clamp Bolts and two Curved Washers, assemble the Middle Handlebar to the Lower Handlebar already attached to the machine (Figure 2).
NOTE: You can install the Middle Handlebar in either of two positions, one high, and one low. DO NOT over tighten the T-Handle Nuts. - Attach the Upper Right and Left Handlebars to the Middle Handlebar using the remaining two T-Handle Nuts, two Handle Clamp Bolts, and two Curved Washers (Figure 2 on page 8). DO NOT over tighten the T-Handle Nuts.
- The Drag Stake shipped with its pointed end facing upwards. Remove the Detent Pin, turn the Drag Stake around and direct the point in the downward position facing towards the Tines, and then reinsert the Detent Pin (Figure 3).
- Do not discard your packaging material until you are fully satisfied with your new DR PILOT 4 Cycle Tiller/Cultivator.
Adding the Gasoline and Oil

NOTICE
Engine is shipped from factory without oil. You must add engine oil before starting engine. If engine is started without oil, engine may be damaged beyond repair and will not be covered by warranty.
WARNING
Always fill the Fuel Tank outdoors or in a well-ventilated area, away from sparks, open flames, pilot lights, heat, and other ignition sources.
Filling the Fuel Tank
- Shut-off engine and allow engine to completely cool before refilling the fuel tank.
- Move to a well ventilated area, outdoors, away from flames and sparks.
- Clean debris from area around the fuel cap.
- Loosen fuel cap slowly. Prevent the cap from coming in contact with dirt or debris.
- Carefully add fuel without spilling.
- Do not fill gas tank completely full, allow space for fuel to expand.
- Immediately replace fuel cap and tighten. Wipe off spilled fuel and allow to dry before starting engine.
Note: To refill the Fuel Tank, turn the Engine OFF, and let the Engine cool at least five minutes before removing the Fuel Tank Cap.
WARNING
- Never store engine with fuel in the tank indoors. Fuel and fuel vapors are highly flammable.
- An adult only must always handle and fill the engine with fuel.
- Always handle gas in a well ventilated area, outdoors, away from flames or sparks.
- Do not start engine if fuel is spilled. Wipe off excess fuel and allow to dry. Remove engine from area to avoid sparks.
Checking and Adding Oil
To operate the engine, we recommend using 4-cycle oil (194211), or an equivalent 10W-30 engine oil to ensure that the engine operates correctly throughout the life of the engine. Use straight unleaded premium gasoline, low/no ethanol blends recommended.
NOTICE
- Engine is shipped from factory without oil. You must add engine oil before starting engine. If engine is started without oil, engine may be damaged beyond repair and will not be covered by warranty.
- Engine must be tipped forward with gas tank down when checking oil level or filling with oil (Figure 4). Failure to do so can result in overfilling the engine with oil which will impair the engine’s performance.
- Be sure the engine is located on a level surface before checking or refilling oil. Proper position for checking oil level or refilling oil is face down, with the gas tank of the Tiller/Cultivator down on a horizontal surface (Figure 4).

- Clean around oil fill area.
- Unscrew dipstick and wipe clean with cloth.
- Reinsert dipstick (must be fully threaded for accurate reading).
- Unscrew and check dipstick. If no oil shows on the dipstick, refill so that the oil level appears between the low and high marks on the dipstick (Figure 5).

- Change oil if contaminated.
Chapter 3: Operating Your DR PILOT 4 Cycle Tiller/Cultivator
Operation Tips
- The clutch will transfer maximum power after about two hours of normal operation. During this break-in period clutch slippage may occur. The clutch should be kept free of oil and other moisture for efficient operation.
- Cultivate without placing excessive body weight on the unit. The Tiller/Cultivator operates most efficiently with the weight of the unit itself.
- Never run engine indoors. Exhaust fumes are deadly.
- Do not spray water on or near the electronics of the Tiller/Cultivator as this may result in damage to the electrical components.
- For cold weather operation, store the unit in a cool environment. Transferring the unit from a cold to a warm place can cause the build up of harmful condensation.
WARNING
- Make sure the unit is in a stable position before pulling the starter handle.
- When the unit starts to fire or run, return both hands to the handlebar position to maintain control and stability of the unit.
- Starter rope can cause an unanticipated jerk towards engine. Please follow instructions to avoid injury.
- Never leave engine running while unattended. Turn off after every use.
- Never carry Tiller from one location to another while engine is running.
- Always wear a protective hearing device.
- Do not start engine if fuel is spilled. Wipe off excess fuel and allow to dry.
Starting and Stopping Engine
WARNING
DO NOT attempt to start engine in the following ways:
- DO NOT use starting fluid.
- DO NOT spray flammable liquids or vapors into air cleaner, carburetor or spark plug chamber.
- DO NOT remove spark plug and attempt to start engine. Flammable fuel can spray out & ignite from a spark from spark plug.
Note: If engine fails to start after following starting procedures, please contact us at www.DRpower.com or call 1-800-DROWNER (376-9637) for assistance.
- Move engine to a well ventilated area, outdoors, to prevent carbon monoxide poisoning.
- Move to an area away from flames or sparks, to avoid ignition of vapors if present.
- Remove all debris from air cleaner holes and gas cap to ensure proper air flow.
- If it is the first time starting the Tiller/Cultivator, make sure the 4-cycle oil has been poured into the oil fill area to the correct level.
COLD ENGINE START:
Starting engine for first time or after engine has cooled off or after running out of fuel.
- Move choke lever to CHOKE position (Figure 6).
Note: CHOKE position is defined by moving the choke lever as far to the right, towards gas tank, as possible. - Prime unit by pushing the primer bulb until primer hose is filled with gas.
Note: When using the primer bulb, allow the bulb to return completely to its original position between pushes. - Push ON/OFF switch on the right side handlebar to the ON position.
- Hold handle bar firmly. Grasp starter handle and pull out slowly until it pulls slightly harder. Without letting starter handle retract, pull rope with a rapid full arm stroke. Let it return to its original position slowly. Repeat this step every time the starter rope is pulled until unit fires or runs.
Note: If engine fails to start after 5-6 pulls, push primer 1 time and pull starter rope again. - After engine starts running, move choke lever to HALF CHOKE position until unit runs smoothly.
Note: Half choke is defined when the choke lever is between CHOKE and RUN positions (Figure 6). - Move choke lever to RUN position and squeeze throttle to desired speed (Figure 6).
Note: Run at full throttle when possible. Do not let unit idle for extended periods of time.
WARM ENGINE START:
- Move choke lever to CHOKE position (Figure 6).
- Continue with Step 3 of Cold Engine Starting.
HOT ENGINE START:
- Begin with Step 3 of Cold Engine Starting.
- If engine does not fire, refer to Step 1 of Warm Engine Starting.
STOPPING THE ENGINE
- To stop engine, push ON/OFF switch on the right side handlebar to the OFF position.
NOTICE
Never stop the Engine by moving the Choke Lever to the CHOKE position. This could cause an Engine backfire resulting in Engine damage.
Adjusting Wheels and Drag Stake
TO ADJUST WHEELS UP OR DOWN:
The wheels on the Tiller/Cultivator can be adjusted to one of three positions (Figure 7). The LOW wheel position is used for transporting the cultivator across a smooth level surface while the engine is not running. The HIGH and HIGHEST wheel positions are used when cultivating in soil and help stabilize the unit when cultivating at different depths.

- Pull the locking metal sleeve against the spring, away from the vertical guide until it releases from one of the three notched positions in the vertical guide (Figure 8).

- Slide the wheel set up or down to the desired position, and release the locking metal sleeve until it locks into desired notch in the vertical guide.
TO ADJUST THE DRAG STAKE:
The drag stake is used to help regulate cultivating depth and control the Tiller/Cultivator from leaping forward during operation. Resistance to forward motion is greatest when the drag stake is set in its lowest position allowing for deeper cultivation.
- Pull the pin out of the drag stake mount hole (Figure 9).

- Position the drag stake so the pointed tip is directed downward.
- Insert the pin into the hole that achieves desired depth.
Transporting Your Tiller/Cultivator
WARNING
Never transport engine inside an enclosed space within a vehicle. Fuel or fuel vapors may ignite causing serious injury or death.
- After using the tiller/Cultivator, and before transporting it in a truck bed, check that the gas cap is screwed on (clockwise) tightly. The gas cap will not leak during transporting if gas cap is tight.
- If fuel is present in the fuel tank, transport in an open vehicle in an upright position.
- If an enclosed vehicle must be used, remove gas into an approved red fuel container. DO NOT siphon by mouth.
- Wipe away any spilled fuel from engine and tiller/Cultivator. Allow to dry.
- Run engine to use up the fuel in the carburetor and fuel tank. Always run engine in a well ventilated area.
Chapter 4: Maintaining the DR PILOT 4 Cycle Tiller/Cultivator
WARNING
Before performing any maintenance procedure or inspection, flip the ON/OFF switch to the OFF position to stop the engine, wait five minutes to allow all parts to cool. Disconnect the spark plug wire, keeping it away from the spark plug.
Regular Maintenance Checklist
| Procedure | Every 8 Hours (Daily) | Every 50 Hours or Seasonally | Every 100 Hours or Seasonally | Each Year |
| Check the Engine Fuel Level | ▲ | |||
| Check the Engine Oil Level | ▲ | |||
| Check Air Filter (See Air Filter section) | ▲ | ▲ | ||
| Clean the Tines and Hood * | After each use | |||
| Check the general condition of the machine, e.g. nuts, | ▲ | |||
| Clean Engine Exterior & Cooling Fins | ▲ | |||
| Clean Air Filter ** (See Air Filter section) | (20 Hours) | |||
| Change the Engine Oil **** (see “Changing Oil” | (Initial 5 Hours) | ▲ | ||
| Check/Adjust Spark Plug | ▲ | |||
| Clean Fuel Filter | ▲ | |||
| Check Tines for Wear | ▲ | |||
| Replace Fuel Filter *** | ▲ | |||
| Clean Gas Tank *** | ▲ | |||
| Replace Air Filter (See Air Filter section) | ▲ | |||
| Replace Spark Plug | ▲ |
* Cover the Engine Muffler, Carburetor and Air Filter before using a hose to clean the Tines and Hood.
** Service more frequently under dusty conditions
*** These items should only be performed by a mechanically proficient person or by the servicing dealer
**** Perform initial oil change after first 5 hours of operation, then every 50 hours or every season
NOTE: All repair parts must come from the factory. Never replace parts that are not specifically designed for the Tiller/Cultivator.
Lubrication
TRANSMISSION
The transmission case has grease installed at the factory. It is recommended that once a year the gear case be split by a qualified service professional and the grease level checked. Add a moly lithium type grease only if level of grease is below top of the gears. DO NOT OVERFILL.
ENGINE
Choose engine oil that meets or surpasses the latest API service classification. For temperatures higher than 32º F, use 10W-30 motor oil. Use SAE 5W-30 if temperatures are below 32º F.
Oil Maintenance
After the first five hours of operating a new engine the oil should be replaced, and every 50 hours of operating time thereafter. The oil should be changed every 25 hours if used under severe conditions, such as in high temperatures or under heavy loads. Check oil periodically; do not overfill!
Changing Oil
Be sure the engine is not operating and is located on a level surface before checking or refilling oil. Engine should be warm for easy removal of oil.
NOTICE
Proper position for checking oil level or re-filling oil is face down, with the gas tank of the Tiller down on a horizontal surface (Figure 10). Failure to maintain this position can result in over filling the engine with oil which will impair the engine’s performance.

STEPS FOR CHANGING OIL
- Flip the ON/OFF switch to the OFF position.
- Unscrew oil drain screw and empty oil into suitable oil container (Figure 10). Dispose of oil properly.
- Reinsert drain screw and remove oil dipstick.
- Fill with appropriate oil to “FULL“ or top line of dipstick (Figure 11).

- Reinsert dipstick or oil fill cap and tighten.
Spark Plug
The recommended spark plug is a NGK CMR6A. For maintenance and care of the spark plug please contact us at www.DRpower.com or call 1-800-DR-OWNER (376-9637) for assistance.
Carburetor
Never tamper with factory setting of the carburetor.
Cooling Fins
Cooling fins, air inlets and linkages must be free from any debris before each use.
Air Filter
Never run engine without air cleaner properly installed. Added wear and engine failure may occur if air cleaner is not installed on engine.
Service air cleaner every 3 months or after 20 hours of operation. Clean filter daily in extremely dusty conditions.
STEPS FOR REPLACING AND CLEANING AIR FILTER (BLOCK STYLE FOAM FILTER)
- Before removing the air filter cover, move the choke lever to the CHOKE position.
- To remove air filter cover, unscrew the cover bolt with a screw driver and gently pop out the front latch tab (Figure 12). The cover then can be slid off the back latch tabs and away from the engine.

- Remove the foam filter and fiber filter elements.
Replace with a new fiber filter and a new oiled foam filter (Figure 13), or clean the original foam and fiber filters with warm water and mild soap.
NOTICE
Never twist air filters when cleaning. Always press. - Remember to thoroughly oil the foam filter with 30 or 40 weight motor oil and squeeze out any excess oil before reinstalling it. Make sure to press the foam filter evenly into place over the fiber filter to ensure that the foam is fully seated into its sealed position.
- Replace the air filter cover by first connecting the back latch tabs then swinging the cover, making sure the foam filter block stays fully seated and in its proper position, and connect the front latch tab so that it is secured into place.
- Screw the cover bolt back into place. Check that the cover is securely attached by pulling slightly on the cover. If the cover doesn’t move when pulled, it is secure.
Tine Removal and Installation
TO REMOVE TINES
- Remove the hairpins from each end of the tine shaft (Figure 14).

- Slide the four tines off the shaft.
TO INSTALL TINES
- First slide the inside tines onto each end of the tine shaft (Figure 14). One inside tine is stamped with a B and the other is stamped with a C.
- Slide the outside tine A and tine D onto each end of the shaft next. The tines should be installed in the correct order so that they are positioned left to right A, B, C, D, as viewed from the user’s position on the Tiller/Cultivator. Make sure that the hub collars on both the right and left pairs of tines face each other so that there is adequate spacing between the tine blades.
- Insert the hairpins into the holes at each end of the tine shaft to lock the tines into place.
Note: Tines can be reversed so the pointed tip of the tines are directed forward – for more aggressive digging. In this arrangement, tines are positioned left to right D, C, B, A as viewed from the user’s position
Chapter 5: Troubleshooting
Most problems are easy to fix. Consult the Troubleshooting Table for common problems and their solutions. If you continue to experience problems, visit our website at www.DRpower.com or call: 1-800-DR-OWNER (376-9637) for support.
WARNING
Before performing any maintenance procedure or inspection, flip the ON/OFF switch to the OFF position to stop the engine, wait five (5) minutes to allow all parts to cool. Disconnect the spark plug wire, keeping it away from the spark plug.
Troubleshooting Table
| PROBLEM | POSSIBLE CAUSE | REMEDY/ACTION | ||
| Engine will not start | ⇒ | Power switch in off position | ⇒ | Flip switch to ON position |
| ⇒ | Spark plug wire disconnected | ⇒ | Connect spark plug wire to spark plug | |
| ⇒ | Out of fuel | ⇒ | Refuel | |
| ⇒ | Spark plug wet, faulty or improperly gapped | ⇒ | Clean, replace or gap spark plug | |
| ⇒ | Fuel line hose not positioned in bottom of gas tank | ⇒ | Push fuel line down into fuel in gas tank | |
| Engine runs rough, floods during opera- tion | ⇒ | Dirty air filter | ⇒ | Clean or replace air filter |
| ⇒ | Choke partially engaged | ⇒ | Turn off choke | |
| ⇒ | Carburetor out of adjustment | ⇒ | Contact DR Power Equipment | |
| Engine is hard to start | ⇒ | Stale fuel | ⇒ | Drain old fuel and replace with fresh. Use gas stabilizer at end of season |
| ⇒ | Spark plug wire loose | ⇒ | Make sure spark wire is securely attached to spark plug | |
| ⇒ | Dirty carburetor | ⇒ | Clean carburetor, use gas stabilizer, new gas can | |
| Engine misses or lacks power | ⇒ | Clogged gas tank | ⇒ | Remove and clean gas tank |
| ⇒ | Clogged air filter | ⇒ | Clean or replace air filter | |
| ⇒ | Carburetor out of adjustment or bad | ⇒ | Contact DR Power Equipment | |
| ⇒ | Spark plug wet, faulty or improperly gapped | ⇒ | Clean, replace or gap spark plug | |
| Engine runs, then quits | ⇒ | Gas cap not venting | ⇒ | Clean or replace gas cap, check vent |
| ⇒ | Plugged fuel filter | ⇒ | Clean or replace fuel filter | |
| ⇒ | Carburetor out of adjustment or bad | ⇒ | Contact DR Power Equipment | |
| Engine revs too high | ⇒ | Carburetor out of adjustment | ⇒ | Contact DR Power Equipment |
| Tines turn at idle | ⇒ | Idle speed too high | ⇒ | Adjust idle speed lower |
| ⇒ | Broken clutch spring | ⇒ | Replace spring | |
Chapter 6: Parts Lists and Schematic Diagrams
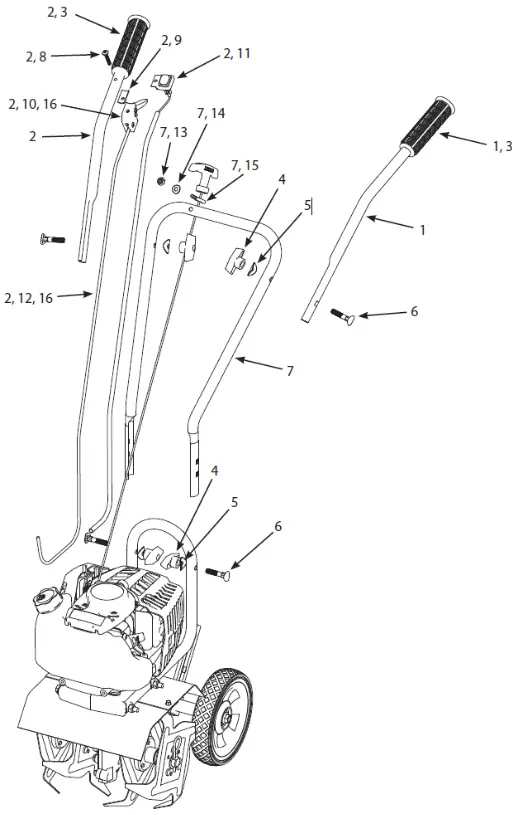
Parts List – Handlebar Assembly
NOTE: Part numbers listed are available through DR Power Equipment.
| Ref# | Part# | Description |
| 1 | 35919 | Upper Left Handlebar Assembly Grey |
| 2 | 35920 | Upper Right Handlebar Assembly Grey |
| 3 | 35921 | Knob Textured Handle Grip |
| 4 | 25729 | T-Handle Nut |
| 5 | 26146 | Washer |
| 6 | 26147 | Handle Clamp Bolt |
| 7 | 35922 | Middle Handlebar Assembly Grey |
| 8 | 26161 | Bolt 10-24 X 1 1/4 |
| 9 | 35923 | Handlebar Rubber Pad 15mm X 28.5mm |
| 10 | 26162 | Trigger Assembly Long |
| 11 | 35924 | On/Off Switch Wire Assy |
| 12 | 25196 | Throttle Cable |
| 13 | 35925 | Nut M6 X 1.0 |
| 14 | 35926 | Curved Washer M6 |
| 15 | 35927 | Eyebolt M6 X 12 X 25 |
| 16 | 35928 | Throttle Trigger Kit With Cable |
Schematic Diagram – Handlebar Assembly

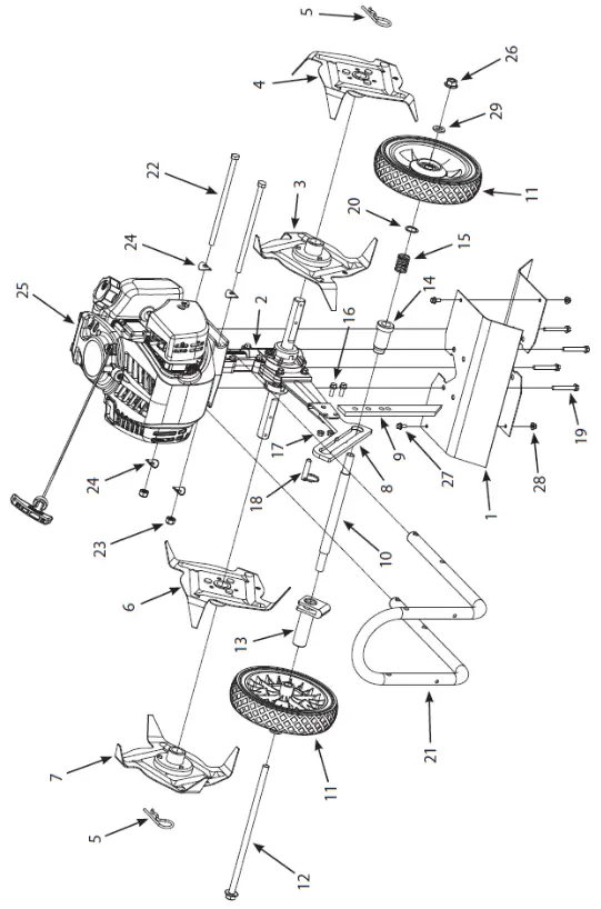
Parts List – Hood and Tines Assembly
NOTE: Part numbers listed are available through DR Power Equipment.
| Ref# | Part# | Description |
| 1 | 26123 | Tine Shield |
| 2 | 26119 | Transmission Assembly |
| 3 | 26115 | Tine -C- Assembly |
| 4 | 26117 | Tine -D- Assembly |
| 5 | 26128 | Hairpin 5/8-3/4 |
| 6 | 26116 | Tine -B- Assembly |
| 7 | 26114 | Tine -A- Assembly |
| 8 | 26129 | Wheel Holder |
| 9 | 26113 | Drag Stake |
| 10 | 26130 | Tube Wheel Axle |
| 11 | 35929 | Wheel 180 X 38mm Diamond Tread Grey Hub |
| 12 | 26134 | Bolt M10 X 1.5 X 225 Mm |
| 13 | 26131 | Tube Wheel Guide |
| 14 | 26132 | Tube Wheel Lock |
| 15 | 26133 | Spring Wheel Lock |
| 16 | 26120 | Bolt M6 X 1.0 X 20 |
| 17 | 26127 | Nut M6 X 1.0 |
| 18 | 26122 | Pin Quick-Release M8 X 25 |
| 19 | 26124 | Bolt M6 X 1.0 X 42 Flange |
| 20 | 35930 | Washer 21mm X 16mm X 1mm |
| 21 | 35931 | Lower Handlebar |
| 22 | 26143 | Bolt M8 X 1.25 X 160mm |
| 23 | 35932 | Nut M8 Nylock |
| 24 | 26146 | Curved Washer M8 |
| 25 | 39975 | Engine, DR, 40cc 4 Cycle Ohv |
| 26 | 35934 | Nut M10 X 1.5 |
| 27 | 35935 | Bolt M5 X 0.8 X 10 |
| 28 | 35978 | Nut M5 X 0.8 Toplck |
| 29 | 26112 | Flat Washer M10 X 20 X 2 |
Schematic Diagram – Hood and Tines Assembly

Parts List – Engine Assembly
NOTE: Part numbers listed are available through DR Power Equipment.
| Ref# | Part# | Description | Ref# | Part# | Description |
| 1 | 39995 | Bolt M5 X 0.8 X 16 Mm W/Washer | 22 | 40015 | Recoil Clutch |
| 2 | 39996 | Air Filter Cover | 23 | 40016 | Recoil Assembly |
| 3 | 39997 | Kit Air Filter Elements | 24 | 40017 | Oil Cap With O-Ring |
| 4 | 39974 | Lock Nut M5 X 0.8 Mm Flange | 25 | 40018 | Heat Shield Muffler |
| 5 | 39998 | Air Filter Kit | 26 | 40019 | Muffler Kit |
| 6 | 39999 | Hose Clamp Crankcase | 27 | 40020 | Bolt M5 X 0.8 X 50 Mm Socket |
| 7 | 40000 | Breather Hoses Kit | 28 | 40021 | Washer M6 X 10 X 1 Mm |
| 8 | 40001 | Carburetor Kit | 29 | 40022 | Bolt M6 X 1.0 X 10 Socket |
| 9 | 40002 | Carburetor Gasket | 30 | 40023 | Gas Cap Self Venting |
| 10 | 40003 | Carburetor Insulator Kit | 31 | 40024 | Rubber Gas Tank Holder Top |
| 11 | 40004 | Hose Clamp Valve Cover | 32 | 40025 | Rubber Gas Tank Holder Left |
| 12 | 40005 | Ignition Coil Kit | 33 | 40026 | Rubber Gas Tank Holder Right |
| 13 | 40006 | Bolt M4 X 0.7 X 20 Mm W/Washer | 34 | 40027 | Gas Tank Kit |
| 14 | 40007 | Spark Plug Ngk Cmr6a | 35 | 40028 | Fuel Filter Aluminum Core |
| 15 | 40008 | Bolt M5 X 0.8 X 12 Mm W/Washer | 36 | 40029 | Fuel Lines Kit |
| 16 | 40009 | Engine Shroud Kit | 37 | 40030 | Flywheel |
| 17 | 40010 | Shroud Cap Spark Plug Access | 38 | 39959 | Lock Nut M8 X 1.25 Flange |
| 18 | 40011 | Screw 3/16 X 1/2 In Phillips | 39 | 39961 | Washer 15.8 X 8.4 X 1.6 Mm |
| 19 | 40012 | Clip Nut 3/16 In | 40 | 39962 | Clutch Kit |
| 20 | 40013 | Valve Cover Kit | 41 | 39963 | Wave Washer 10 X 15 X 0.25 Mm |
| 21 | 40014 | Gasket Valve Cover | 42 | 39964 | Bolt M8 X 1.25 X 25mm Shoulder |
| 43 | 40031 | Mount Ring And Shroud |
Schematic Diagram – Engine Assembly

Parts List – Transmission Assembly
NOTE: Part numbers listed are available through DR Power Equipment.
| Ref# | Part# | Description |
| 1 | 39908 | Transmission Assembly |
| 2 | 26121 | Dust Cap |
| 3 | 26118 | Fiber Washer |
| 4 | 39909 | Tine Shaft Seal |
| 5* | 39910 | Transmission Casting Left |
| 6 | 26127 | Nut M6 Nylock |
| 7 | 39911 | Washer M6 X 12 X 1 Mm |
| 8 | 26104 | Wheel & Drag Stake Mount |
| 9 | 39912 | Bolt M6 X 1.0 X 25 Hex Flange |
| 10 | 39913 | Tine Shaft Bushing Steel |
| 11 | 39914 | Tine Shaft Shim |
| 12 | 39915 | Gear And Tine Shaft Assy |
| 13 | 39916 | Bushing Spacer |
| 14 | 39917 | Drive Shaft Bushing Bronze |
| 15 | 39918 | Drive Shaft |
| 16 | 39919 | Thrust Bearing Reducer |
| 17 | 39920 | Thrust Washer |
| 18 | 39921 | Thrust Bearing Cage |
| 19 | 39922 | Ball Bearing 9 X 26 X 8 Mm |
| 20 | 25737 | Clutch Drum |
| 21 | 39923 | Jam Nut M8 |
| 22* | 39924 | Transmission Casting Right |
| 23 | 39925 | Bolt M6 X 1.0 X 18 Hex Flange |
| 24 | 39926 | Bolt M6 X 1.0 X 8 Phillips |
| 25 | 39927 | Kit Thrust Bearing Set |
* Purchase Transmission Assembly 39908
Schematic Diagram – Transmission Assembly

Notes: ———
Daily Checklist for the DR PILOT 4 Cycle Tiller/Cultivator
To help maintain your DR PILOT 4 Cycle Tiller/Cultivator for optimum performance, we recommend you follow this checklist each time you use your machine.
WARNING
Before performing any maintenance procedure or inspection, flip the ON/OFF switch to the OFF position to stop the engine, wait five minutes to allow all parts to cool. Disconnect the spark plug wire, keeping it away from the spark plug.
[ ] FUEL: Fill the Fuel Tank with a fresh unleaded gasoline. See page 9.
[ ] ENGINE: It is very important to keep the Engine clean. Remove dirt and other debris from the Engine Cooling Fins.
A dirty Engine retains heat and can cause damage to internal Engine components.
[ ] HARDWARE: Check all nuts and bolts to be sure that the components are secure.
[ ] FRAME: Check all welds to be sure that the Frame is intact and secure.
[ ] TINES: Make sure that the Tine Assemblies and Hood are free of accumulated debris.
End of Season and Storage
WARNING
Before performing any maintenance procedure or inspection, flip the ON/OFF switch to the OFF position to stop the engine, wait five minutes to allow all parts to cool. Disconnect the spark plug wire, keeping it away from the spark plug.
- If your DR PILOT 4 Cycle Tiller/Cultivator will be idle for more than 30 days, we recommend using a fuel stabilizer.
This will prevent sediment from gumming up the carburetor. If there is dirt or moisture in the fuel or tank, remove it by draining the tank. Completely fill the tank with a fresh fuel and add the appropriate amount of stabilizer or fuel additive. Run the Engine for a short time to allow the additive to circulate. - Remove the Spark Plug and pour about 1 ounce of motor oil into the cylinder hole. Replace the Plug and pull the Recoil Starter Rope until you feel strong resistance. This will coat the Piston and seat the Valves to prevent moisture buildup.
- Clean or replace the Engine Air Filter Element. See page 15.
- Clean dirt and debris from the Engine Cylinder Head Cooling Fins, Debris Screen, and Muffler.
- Clean out residual debris from the under the Tines Hood and Tine Assemblies.
- Touchup all rusted or chipped paint surfaces. Sand them lightly before painting.
- Be sure all Nuts, Bolts, and Screws are securely fastened.
- Inspect moving parts for damage and wear; replace if necessary.
- If possible, store your DR PILOT 4 Cycle Tiller/Cultivator inside, but not near an open flame or spark such as found in a water heater.
- After the DR PILOT 4 Cycle Tiller/Cultivator has cooled, cover the machine with a suitable protective cover that does not retain moisture. Do not use plastic as this material cannot breathe; it also allows condensation to form, which will cause your machine to rust.
- Store 4-cycle Tiller/Cultivator engine in a vertical position.
75 MEIGS ROAD, P.O. BOX 25, VERGENNES, VERMONT 05491
©2017 Country Home Products, Inc.
All rights reserved
359361B
Downloaded from www.Manualslib.com manuals search engine


Note: CHOKE position is defined by moving the choke lever as far to the right, towards gas tank, as possible.



NOTICE


















