theben TU 4 S RF KNX 4 Way Flush Mounted Wireless

Product Information
- Product Name: TU 4 S RF KNX
- Model Number: 4961614
- Standby Power: < 0.4 W
- Pollution Degree: 2
- Software Class: A
- Connection Cross-Section: 4 mm2
- Dimensions: 44.4 x 48.6 x 24.9 mm
- Radio Frequency: 868.3 MHz (KNX RF1.R)
- Transmission Power: < 10 mW
- Range in Open Field: up to 100 m
Product Usage Instructions
- Before using the TU 4 S RF KNX, carefully read the product manual and follow all safety instructions.
- Ensure that the power is switched off before installation or disassembly to prevent the risk of electric shock or fire.
- This product should be installed and/or disassembled by a professional electrician to avoid any potential danger.
- Refer to the KNX manual for detailed functional descriptions and usage instructions.
- When connecting the TU 4 S RF KNX, make sure to use the correct connection and respect the polarity of L/N for smooth operation.
- The product supports KNX Secure. To start-up, the Factory-Default-Setup-Key (FDSK) is required, which can be found on the sticker attached to the device or the secure card. Keep the FDSK in a safe place.
- Remove any stickers from the device for maximum safety. If the FDSK is lost, recovery is not possible, and start-up can only be done in an insecure mode.
- When using external inputs, ensure that the plug connection is made correctly. Do not remove the insulation from unused auxiliary inputs.
- For any further assistance or information, refer to the product page or contact Theben hotline at J +49 7474 692-369.
WARNING
The danger of death through electric shock or fire!
- Installation should only be carried out by a professional electrician!
- Disconnect the mains power supply prior to installation and/or disassembly!
- Please refer to the KNX manual for detailed functional descriptions.
General information
- The 4-way wireless flush-mounting push button interface TU 4 S RF KNX complies with EN 60669-2-1 if correctly installed.
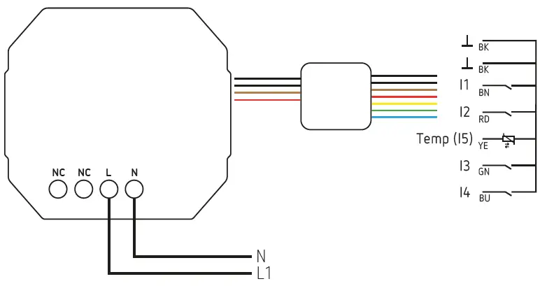
- 4 binary inputs for potential-free push buttons and signal contacts and 1 input for a temperature sensor; connectable via lateral cable connector.
- Accessories: push button module 4-way 9070806, temperature sensor UP 9070496, temperature sensor AP 9070459, floor sensor 9070321, contact sensor 9070489.
- The ETS (Engineering Tool) is used to select application programs, assign specific parameters and addresses, and to transfer them to the device.
Technical data
- Operating voltage: 230–240 V AC, 50–60 Hz
- Standby output: min.: < 0,4 W
- Protection class: II subject to correct installation
- Operating temperature: – 5 °C … + 45 °C
- Binary inputs:
- Contact voltage: 3.3 V
- Contact current: 0.5 mA
- Max. cable length: 3 m (external inputs)
- Length of connecting wires: 25 cm
- Pollution degree: 2
- Rated impulse withstand voltage: 4 kV
- Software: Class A
- Connection cross-section: 4 mm2
- Dimensions: 44.4 x 48.6 x 24.9 mm
- Radiofrequency: 868,3 MHz (KNX RF1.R)
- Transmission power: < 10 mW
- Range open field: up to 100 m
Theben AG herewith declares that this type of radio installation complies with Directive 2014/53/EU. The complete text of the EU Declaration of Conformity is available at the following Internet address: www.theben.de/red-konformitaet.
Dispose of the appliance separately from domestic waste at an official collection point.
Proper use
- With the wireless push button interface, the inputs can record binary states (via potential-free contacts) and measure the temperature via an external sensor
- If potential-free push buttons are connected to the inputs, they can carry out various functions, such as switching, dimming, raising/lowering blinds etc.
- When connecting switches to channels 1 and 3, channels 2, 4 and 5 are without function
- For use in residential and other buildings (office buildings, public buildings, hotels etc.)
- Only for use in closed, dry rooms
Installation
For installation in conventional flush-mounted boxes (according to DIN 49073).
Connection
Risk of electric shock!
- The inputs carry mains voltage! When connecting the inputs or before any intervention at one of the inputs, interrupt the 230 V supply of the device.
- Protect against accidental contact during installation.
- Do not remove the insulation from the unused auxiliary inputs.
- Do not cut off the conductors of the unused auxiliary inputs.
- Do not connect the mains voltage (230 V) or other external voltages to the extension inputs!
- During installation, ensure there is adequate insulation between mains voltage (230 V) and bus or extensions (min. 5.5 mm).

Connection switches/push buttons
with supplied cable connector (see wiring diagram):
- BK = Black; BN = Brown; RD = Red;
- GN = Green; BU = Blue; YE = Yellow
Correct connection is required for smooth operation. Respect polarity L/N!

This device supports KNX Secure. For a start-up, the Factory-Default-Setup-Key (FDSK) is required (sticker on the device and the secure card).
- Keep the Factory-Default-Setup-Key in a safe place.
- Remove the stickers from the device for maximum safety. If the FDSK is lost, recovery is not possible. In this case, the start-up is only possibly„ insecure“.

For more information





















