HARVIA XAFIR CS110 Control Unit

These instructions for installation and use are intended for owners of saunas, heaters and control units, persons in charge of managing saunas, heaters and control units, and for electricians responsible for installing heaters and control units. Once the control unit is installed, these instructions of installation and use are handed over to the owner of the sauna, heater and control unit, or to the person in charge of maintaining them.
CONTROL UNIT HARVIA XAFIR (CS110)
Control unit’s purpose of use: the control unit is meant for controlling the functions of a sauna heater. It is not to be used for any other purpose.
Congratulations on making an excellent choice!
General
The purpose of Harvia Xafir control unit is to control an electric sauna heater within an output range of 2.3–17 kW. The control unit consists of a control panel, a power unit and a temperature sensor. See figure 1.
The control unit regulates the temperature in the sauna room based on information given by the sensor. The temperature sensor and the overheat protector are located in the temperature sensor box. The temperature is sensed by an NTC thermistor and the overheat protector can be reset ( 3.4.).
The control unit can be used to preset the start of the heater (heater on with delay).
Technical Data
Control panel:
- Temperature adjustment range: 40–110 °C.
- On-time adjustment range: family saunas 1–6 h, public saunas in apartment buildings 1–12 h. For longer operating times consult the importer/manufacturer.
- Delay time adjustment range: 0–18 h.
- Control of lighting
- Dimensions: 147 mm x 30 mm x 50 mm
- Length of data cable: 5 m (10 m extension cables available, max. total length 30 m)
Power unit:
- Supply voltage: 400 V 3N~
- Max. load: 11 kW
- Lighting control, max. power: 100 W, 230 V 1N~
- Dimensions: 272 mm x 70 mm x 193 mm
Sensor:
- The temperature sensor is equipped with a resettable overheat protector and a temperature sensing NTC thermistor (22 kΩ/ T=25 °C).
- Weight: 175 g with leads (ca 4 m)
- Dimensions: 51 mm x 73 mm x 27 mm
System components
Troubleshooting
If an error occurs, the heater power will cut off and the control panel will show an error message ”E (number)”, which helps troubleshooting the cause for the error. Table 1.
Note! All service operations must be done by professional maintenance personnel. No user-serviceable parts inside.
Error messages. Note! All service operations must be done by professional maintenance personnel.
| Description | Remedy |
| Temperature sensor’s measuring circuit broken. | Check the red and yellow wires to the temperature sensor and their connections (see figure 4) for faulties. |
| Temperature sensor’s measuring circuit short-circuited. | Check the red and yellow wires to the temperature sensor and their connections (see figure 4) for faulties. |
| Overheat protector’s measuring circuit broken. | Press the overheat protector’s reset button ( 3.4.). Check the blue and white wires to the temperature sensor and their connections (see figure 4) for faulties. |
| Connection failure in the system. | Switch the power off from the main switch (figure 1). Check the data cable, sensor cable/s and their connections. Switch the power on. |
INSTRUCTIONS FOR USE
Using the Heater
When the control unit is connected to the power supply and the main switch (see figure 1) is switched on, the control unit is in standby mode and ready for use. I/O button’s background light glows on the control panel.
WARNING! Before switching the heater on always check that there isn’t anything on top of the heater or inside the given safety distance.
Heater On
Start the heater by pressing the heater I/O button on the control panel.
When the heater starts, the top row of the display will show the set temperature and the bottom row will show the set on time for five seconds.
When the desired temperature has been reached in the sauna room, the heating elements are automatically turned off. To maintain the desired temperature, the control unit will automatically turn the heating elements on and off in periods.
If the heater efficiency is suitable and the sauna has been built correctly, the sauna takes no more than an hour to warm up.
Heater Off
The heater turns off and the control unit switches to standby-mode when
- the I/O button is pressed
- the on-time runs out or
- an error occurs.
NOTE! It is essential to check that the control unit has cut off power from the heater after the on-time has elapsed, the dehumidification has ended or the heater has been switched off manually.
Changing the Settings
The settings menu structure and changing the settings is shown in below.
The programmed temperature value and all values of additional settings are stored in memory and will also apply when the device is switched on next time.
Using Accessories
Lighting and ventilation can be started and shut down separately from other functions.
Lighting
The lighting of the sauna room can be set up so that it can be controlled from the control panel. (Max 100 W.)
Switch the lights on/off by pressing the control panel button.
Control Panel
- Heater on/off
- Heater on with delay
- Optional function (e.g. lighting) on/off
- Mode change
- Value increase
- Value decrease
- Indicator light: Temperature
- Indicator light: Remaining delay time
- Indicator light: Remaining on-time
- Indicator light: Dehumidifying interval
- Indicator light: Panel locked

Heater on
Press button 1 (long press).

The set temperature is displayed first, after which the display switches to current sauna room temperature. The heater starts heating immediately.
Settings
Press button 4.
Temperature. The adjustment range is 40–110 °C.
Press button 4.
Remaining on-time. The minimum value is 10 minutes. The maximum value can be set from additional settings (1–12 h).
Press button 4 to exit.
Heater on with delay
Press button 2 (long press).
The decrease of remaining delay time is shown until zero appears, after which the heater is switched on.
Settings
Press button 4.
Delay time. The adjustment range is 0:10–18:00 h.
Press button 4.
Temperature. The adjustment range is 40–110 °C.
Press button 4 to exit.
Additional settings
Open the additional settings menu by pressing the buttons 4, 5 and 6. (Tip: press the right hand side of the panel with your palm.) Hold for 5 seconds.
Maximum on-time. Adjustment range: family saunas 1–6 h, public saunas in apartment buildings 1–12 h. For longer operating times consult the importer/ manufacturer.
Press button 4.
Sauna dehumidifying interval. Options: 10/20/30 minutes and OFF. The interval will begin when the heater is switched off or when the set on-time runs out.
During the interval the heater is on and the sauna room temperature is set at 40 °C. When the time runs out, the heater turns off automatically. The interval can also be stopped manually at any time by pressing the button 1. Dehumidifying helps to keep your sauna in a good condition.
Press button 4.
Sensor reading adjustment. The reading can be corrected by +/-10 units. The adjustment does not affect the measured temperature value directly, but changes the measuring curve.
Press button 4.
The background light of button 3 can be switched ON or OFF.
Press button 4 to exit.
Heater off
The heater will turn off when the button 1 is pressed, the on-time runs out or an error occurs.
Lock on/off
The touch panel can be locked and unlocked when in standby mode. Press the right hand side of the panel with your palm. Hold for 3 seconds.
INSTRUCTIONS FOR INSTALLATION
The electrical connections of the control unit may only be made by an authorised, professional electrician and in accordance with the current regulations. When the installation of the control unit is complete, the person in charge of the installation must pass on to the user the instructions for installation and use that come with the control unit and must give the user the necessary training for using the heater and the control unit.
Installing the Control Panel
The control panel is splash proof and has a small operating voltage. The panel can be installed in the washing or dressing room, or in the living quarters.
If the panel is installed in the sauna room, it must be at the minimum safety distance from the heater and at a maximum height of one metre from the floor. Figure 2.
Conductor tubing (ø 30 mm) inside the wall structure allows you to thread the data cable hidden within the wall – otherwise the installation will have to be on the wall surface. We recommend you to install the control panel embedded in to the wall and far away from possible splashes.
Fastening the control panel
Installing the Power Unit
Install the power unit to a wall outside the sauna room, in a dry place with an ambient temperature of >0 ºC. See figure 3 for instructions on how to open the power unit cover and how to fix the unit to the wall.
Note! Do not embed the power unit into the wall, since this may cause excessive heating of the internal components of the unit and lead to damage. See figure 3.
Opening the power unit cover and mounting the unit to a wall
Electrical Connections
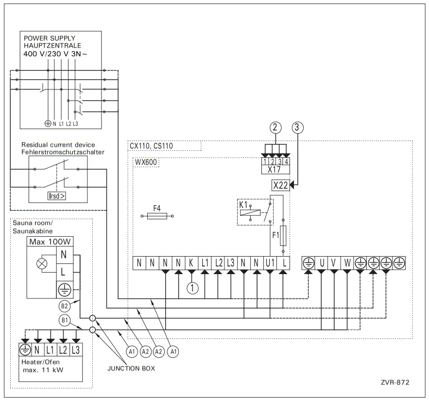
Figure 4 shows the electrical connections of the power unit. For more detailed installation instructions see the instructions for installation and use of the selected heater model.
Power Unit Fuse Faults
Replace a blown fuse by a new one with the same value. The placement of the fuses in the power unit is shown in figure 4.
- If the fuse for the electronic card has blown, there is likely a fault in the power unit. Service is required.
- If the fuse in the line U1 has blown, there is a problem with lighting. Check the wiring and functioning of lighting.
Power extension unit LTY17 (optional)
The maximum load of control unit can be increased by 17 kW by using power extension unit LTY17.
The power extension unit includes detailed instructions of installation.
Electrical connections
| 1 | Control of electric heating |
| 2 | Temperature sensor (3=red, 4=yellow) Overheat protector (1=blue, 2=white) |
| 3 | Control panel |
| A1 | 5 x 2,5 mm² |
| A2 | 3 x 1,5 mm² |
| B1 | 5 x 1,5 mm² H07RN-F |
| B2 | 3 X 1,5 mm² H07RN-F |
| F1 | T2.5AH |
| F4 | 40mA |
| K1 | Optional function (e.g. lighting) |
| XX110 | Control unit |
| WX600 | Circuit board |

Installing the Temperature Sensor
Note! Do not install the temperature sensor closer than 1000 mm to an omnidirectional air vent or closer than 500 mm to an air vent directed away from the sensor. See figure 7. The air flow near an air vent cools down the sensor, which gives inaccurate temperature readings to the control unit. As a result, the heater might overheat.
Installing the Temperature Sensor WX232
Check the correct location for the temperature sensor from the heater’s instructions for installation and use.
Wall-mounted heaters (see figure 5)
- Fasten the temperature sensor on the wall above the heater, along the vertical centre line running parallel to the sides of the heater, at a distance of 100 mm from the ceiling.
Floor-mounted heaters (see figure 6)
- Option 1: Fasten the temperature sensor on the wall above the heater, along the vertical centre line running parallel to the sides of the heater, at a distance of 100 mm from the ceiling.
- Option 2: Fasten the temperature sensor to the ceiling above the heater, at a distance of 100–200 mm from the vertical centre line of the heater’s side.
The place of the temperature sensor in connection with wall-mounted heaters
The place of the temperature sensor in connection with floor-mounted heaters
Sensor’s minimum distance from an air vent
Resetting the Overheat Protector
The sensor box (WX232) contains a temperature sensor and an overheat protector. If the temperature in the sensor’s environment rises too high, the overheat protector cuts off the heater power. Resetting the overheat protector is shown in figure 8.
Note! The reason for the going off must be determined before the button is pressed.
Reset button of the overheat protector
SPARE PARTS
| 1 | Control panel | WX601 |
| 2 | Installation flange | ZVR-653 |
| 3 | Temperature sensor | WX232 |
| 4 | Data cable 5 m | WX311 |
| 5 | Data cable extension 10 m (optional) | WX313 |
| 6 | Circuit board | WX600 |

We recommend to use only the manufacturer’s spare parts.
Customer Support
Harvia Oy
PL12
40951 Muurame
Finland
www.harvia.fi
+358 207 464 000
[email protected]





















