EM Converter PACK BASIC
Instructions
EM Converter PACK BASIC
Non-maintained emergency lighting LED Driver kit for manual testing for LED modules with a forward voltage of 10 to 54 V 3 h rated duration
EM converterPACK BASIC Installation and wiring instructions

Description
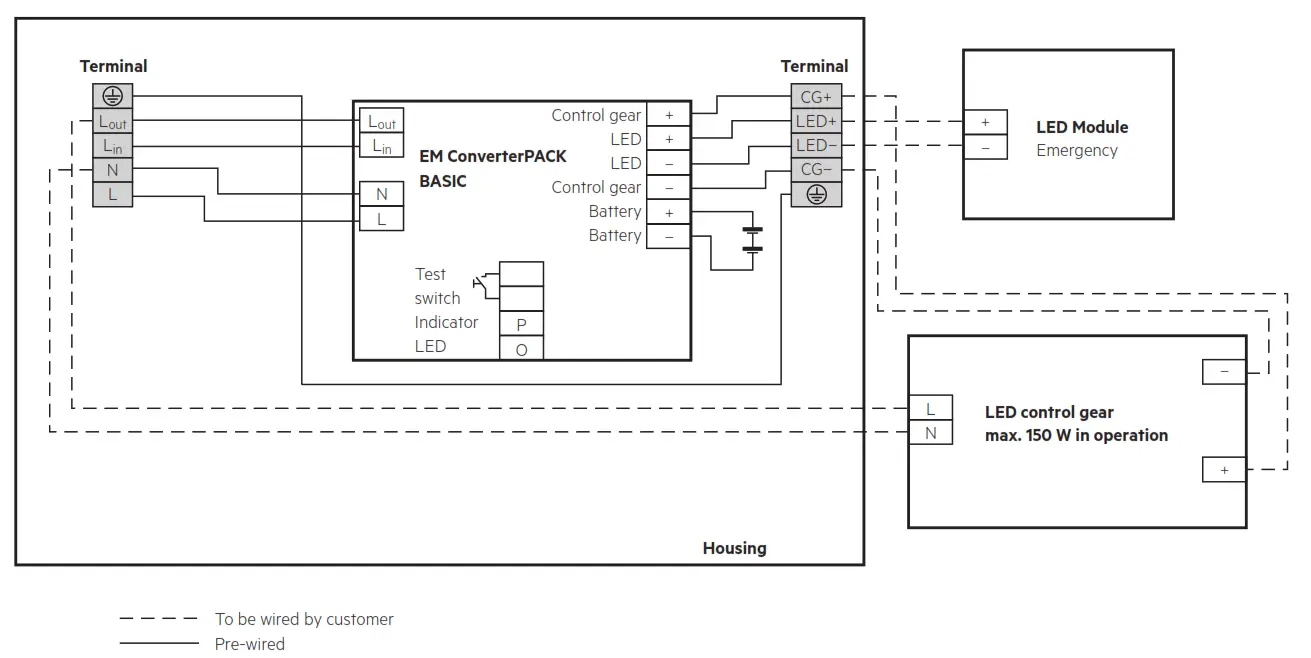
EM converterPACK BASIC is designed for use with emergency luminaries in conjunction with LED modules and LED Drivers from Tridonic and other manufacturers. It is compatible with LED light modulesfor linear/area as well as downlight applications and can be used with fixed output or dimming LED Drivers of up to 150 W power.
The incorporated EM converterLED is approved to IEC / EN 61347-2-7 and provides a battery charge current that is within the range of charge currents quoted on the Battery Manufacturers Declaration Form for the ended battery types. This compatibility allows converted luminaires to comply with the relevant parts of IEC / EN 60598-2-22.
Warranty
- 5 years excluding batteries
- Batteries: 1 year NiCd, 3 years LiFePO4
| Rated supply voltage | 220 – 240 V |
| Mains frequency | 50 / 60 Hz |
| Typ. X (at 230 V, 50 Hz) | 0.6C |
| LED module forward voltage range | 10 – 54 V |
| Output current | see EM converterLED datasheet |
| Time to light | < 0.25 s from detection of emergency event |
| Overvoltage protection | 320 V (for 48 h) |
| U-OUT (including open- / short-circuit and double load) | 60 V |
| Max. open circuit voltage | 60 V |
| Battery charging time | 24 h |
| Rated duration | 3 h |
| Number of cells | 3 |
| Ambient temperature range to | +45 °C |
| Max. casing temperature tc (of EM converterLED inside) | 75 °C |
| Mains voltage changeover threshold | according to EN 60598-2-22 |
| Mains surge capability (between L – N) | 1 kV |
| Mains surge capability (between L/N – PE) | 2 kV |
| Type of protection | IP20 |
| Life-time | up to 100,000 h |
| Dimensions LxWxH | 305.6 x 115.3 x 72.5 mm |
| Ordering data | ||||||||||||||
| Type | Article Packaging Packaging Weight number carton Pallet per pc. | |||||||||||||
| EM converterPACK BASIC 233 NiCd 50V | 898007061 pc(s). | 126 pc(s). | 0.810 kg | |||||||||||
| EM converterPACK BASIC 232A LiFePO4 50V | 898007071 pc(s). | 126 pc(s). | 0.570 kg | |||||||||||
| Status indication LED (not included) | ||||||||||||||
| Type | Article Packaging, number bag | Packaging, carton | Weight per pc. | |||||||||||
| LED EM green,1.0 m CON | 89800269 25 pc(s). | 200 pc(s). | 0.015 kg | |||||||||||
| LED EM green, HO 1.0 m CON | 89800271 25 pc(s). | 200 pc(s). | 0.015 kg | |||||||||||
| LED EM green, 0.6 m CON | 89800472 25 pc(s). | 200 pc(s). | 0.009 kg | |||||||||||
| LED EM green, HO 0.6 m CON | 89800473 25 pc(s). | 200 pc(s). | 0.009 kg | |||||||||||
| LED EM green, 0.3 m CON | 89800270 25 pc(s). | 200 pc(s). | 0.005 kg | |||||||||||
| LED EM green, HO 0.3 m CON | 89800272 25 pc(s). | 200 pc(s). | 0.005 kg | |||||||||||
| Test switch (not included) | ||||||||||||||
| Type | Article number | Packaging, bag | Packaging, carton | Weight per pc. | ||||||||||
| Test switch EM 3 | 89899956 | 25 pc(s). | 200 pc(s). | 0.013 kg | ||||||||||
| ACD EM LED INDICATOR HOLDER (not included) | ||||||||||||||
| T ype | Article number | Colour | Packaging, carton | Weight per pc. | ||||||||||
| ACD EM LED INDICATOR HOLDER | 28002189 | White | 10 pc(s). | 0.010 kg | ||||||||||
Issue 3 of 09813991. We reserve the right to make technical changes without prior notice.
Components matrix
| Type | Article number | EM converterLED | Battery | ||
| Type | Article number | Type | Article number | ||
| EM converterPACK BASIC 233 NiCd 50V | 89800706 | EM converterLED BASIC 203 NiCd/NiMH 50V | 89800559 | Accu-NiCd 3A 55 | 28002773 |
| EM converterPACK BASIC 232A LiFePO4 50V | 89800707 | EM converterLED BASIC 202A MH/LiFePO4 50V | 89800708 | ACCU-LiFePO4 4.5Ah 3A CON | 28002320 |
Further information can be found in the respective datasheets on www.tridonic.com.
Important
These instructions contain important safety information, read and follow them carefully. Tridonic will not accept any responsibility for injury, damage or loss, which may arise as a result of incorrect installation, operation, maintenance or disposal.
Isolate switched and unswitched mains and negative battery supply before installing or maintaining.
Insulation testing with 500 V DC is only allowed between the line and neutral connected together and the earth.
Note to the installer:
Please ensure this leaflet is made available to the user and/or maintenance engineer together with a test record card.
Conversion
- It is recommended to carry out the conversion of a luminaire in accordance with ICEL 1004.
- Ensure that the module and associated battery operate within their temperature ratings.
- After conversion of a luminaire existing components must continue to operate below their temperature rating.
- Wire the module and battery into the luminaire according to the wiring diagram.
- Clearly identify the new unswitched supply to the converted luminaire.
- Check operation of the LED charge indicator by connecting the unswitched line.
- Check operation of the LED in the emergency mode by disconnecting the unswitched supply after 15 minutes.
- Relabel the luminaire to identify the company responsible for the conversion.
- Fill in test record card if the luminaire is being converted on site.
- Mark the date of commissioning on the battery label.
Failure to do as mentioned above will invalidate any warranty claims.
LED Driver compatibility
The EM converterPACK emergency unit use 3 pole technology and is compatible with most LED Drivers on the market, however it is important to check that the rating of the LED Driver does not exceed the values specified below:
- The max. allowed output current rating of the associated LED Driver is 2.4 A peak (current rating of switching relays of EM converterLED)
- The max. allowed inrush current rating of the associated LED Driver is 60 A peak for 1 ms or 84 A for 255 μs (inrush current rating of switching relay of EM converterLED)
- The max. allowed output voltage of the associated LED Driver applied to the EM converterLED output is 450V (voltage withstand between adjacent contact of the single switching relay of the EM converterLED)
- The max. allowed LED load of the associated LED Driver is 150 W in operation. The load must be an LED module.
Maximum lead length
| LED | 1 m |
| Status indication LED | 1 m |
| Test switch | 1 m |
Wiring type and cross section
Strip from the cables to ensure perfect operation of terminals.
| Wire type | Cross section | Strip length at cross section ≤ 1 mm² | Strip length at cross section > 1 mm² |
| Solid | 0.5 – 1.0 mm² | 8 – 9 mm | 9 – 10 mm |
| Stranded | 0.75 – 2.5 mm² | 8 – 9 mm | 9 – 10 mm |
wire preparation:

Wiring guidelines
- EM converterLED BASIC:
The LED terminals, battery and indicator LED terminals are classified as SELV (output voltage < 60 V DC). Keep the wiring of the input terminals separated from the wiring of the SELV equivalent terminals or consider special wiring (double insulation, 6 mm creepage and clearance) when these connections should be kept SELV. - The output to the LED is DC but has high frequency content, which should be considered for good EMC compliance.
- Separate LED leads from the mains connections and wiring for good EMC performance.
- Maximum lead length on the LED terminals is 1 m. For a good EMC performance keep the LED wiring as short as possible.
- Maximum lead length for the Test switch and Indicator LED connection is 1 m. Separate the test switch and Indicator LED wiring from the LED leads to prevent noise coupling.
- To avoid the damage of the control gear, protect the wiring against short circuits to earth (sharp edged metal parts, metal cable clips, louver, etc.)
To ensure that a luminaire containing LED emergency units complies with EN 55015 for radio frequency conducted interference in both normal and emergency mode it is essential to follow good practice in the wiring layout.
Within the luminaire route the switched and unswitched 50 Hz supply wiring as short as possible and keep it as far away as possible from the LED leads.
Through wiring may affect the EMC performance of the luminaire.
For maintained operation in conjunction with a LED Driver:
Do not exceed the length of LED leads. Note the length of the EM converterPACK leads to the LED module adds to the length of the leads from the LED Driver to the EM converterPACK when considering the lead length of the LED Driver.
General notes
Safety
This module and associated luminaire has both an unswitched mains electricity supply and a switched supply as well as an internal battery.
To ensure safety disconnect all three before installation or maintenance work begins. (Isolate battery by disconnecting the negative lead.)
The batteries used together with this module contain an electrolyte which can be harmful to eyes and poisonous on open wounds. Take care when handling the batteries, to avoid puncturing the case.
If electrolyte comes into contact with skin wash immediately in water.
Do not subject batteries to excessive charge or discharge currents. When working with batteries take care not to short circuit them with tools or jewellery etc.
Installation
Installation must be carried out by a competent person, in accordance with the national or local wiring regulations and BS 5266 Part 1; Code of
Practice for Emergency Lighting. If in any doubt consult a qualified electrician.
Ensure that voltage and frequency requirements are compatible with the available supply.
Observe the correct polarity when making electrical connections.
Maintenance
The EM converterPACK contains a battery and EM converterLED which can be exchanged.
The EM converterLED does not contain serviceable parts and should not be opened. Doing so will invalidate the warranty.
Disposal of batteries
Do not incinerate batteries. Whilst disposing of small quantities is possible ith little or no risk, large numbers require expert handling. Consult the relevant Local Authority Health and Safety Officers.
User obligation
Every care is taken by Tridonic, in the design and construction of its products, to ensure that as far as is reasonably practical, the products, when properly used are safe, and without risk to health.
The health and safety at work act, however, imposes upon the users of a Company’s products, an obligation to ensure that all personnel involved with the installation, handling, use or disposal of the products are acquainted with the information provided by the Company, and are made fully aware of any precautions that need to be taken.
Modification
Do not attempt to modify this product. Any modification will invalidate the safety/approval marks, and may render the product unsafe. Tridonic will not accept responsibility for any modified product, or any injury damage, or loss, which may arise as a result of unauthorised modification.
Change of specification
Tridonic reserve the right to change specifications without prior notification or public announcement.
Housing properties
- Casing manufactured from polycarbonate
- Type of protection IP20
- Max. torque for the mounting screws: 0.8 Nm
Glow-wire test
according to EN 61347-1 with increased temperature of 850 °C passed.
Fixing conditions
Dry, acidfree, oilfree, fatfree. It is not allowed to exceed the maximum ambient temperature (ta) stated on the device. Minimum distances stated below are recommendations and depend on the actual luminaire.
Is not suitable for fixing in corner.

Additional information
Additional technical information at www.tridonic.com → Technical Data
Guarantee conditions at www.tridonic.com → Services
Life-time declarations are informative and represent no warranty claim.
No warranty if device was opened.
Testing
Test Circuit
To test luminaires converted with this module it is only necessary to provide a method for disconnecting the unswitched supply.

Keyswitch Testing
Derive the unswitched mains supply to this module from a circuit which is continuously energised. Ensure that this supply is not inadvertently interrupted at any time. Place switches associated with this supply either in a position inaccessible to unauthorised persons or in a position of a tamper proof type.

Fuseboard Testing
Testing
Emergency Lighting must be regularly tested to ensure that it is working and that the batteries achieve the specified duration.
Record results of testing on a test record card. Failure to do so will invalidate any warranty claims. BS 5266 specifies the following tests.
- Daily:
Check the charge indicator (LED) to see if it is alight. - Monthly:
To check correct function, energise the converted luminaire from its battery for a short period.
Recommendation: To ensure the full functionality expand the function test duration to min. 5 seconds. - Yearly:
Energise the converted luminaire from its battery for a period of 3 hour duration.
Local regulations can deviate from the above and need to be fulfilled.
Replace batteries after 4 years or if the luminaire does not meet its rated duration.
Because the failure of the supply could occur immediately after testing, run the operational tests above at times of least risk. It is important that prior to the tests the unswitched supply must have been connected for at least 24 hours. Test by disconnecting the supply as described in “Test Circuit” which will simulate mains failure.
Wiring – EM converterPACK BASIC with a standard LED Driver and one LED module for mains and emergency operation





















