SERVER 07555 Extreme Countertop Dispenser

PORTION CONTROL
Portion control is the amount of product which will dispense from the pump with each full push of the lever. The roller, which is attached to the bottom of the lever, can be adjusted to allow for specific portion control.
How to Set Portion Control
- OPEN UNIT LID.
- REMOVE ROLLER FROM LEVER BY PULLING HINGE PIN OUT.
- DETERMINE WHICH PIVOT HOLES IN LEVER WILL BE USED TO HOLD ROLLER FOR PORTION DESIRED PER FULL PUSH OF LEVER.

- ALIGN CENTER OF ROLLER WITH SELECTED PIVOT HOLES.
- INSTALL HINGE PIN THROUGH PIVOT HOLES AND CENTER OF ROLLER. PUSH HINGE PIN THROUGH UNTIL IT SECURELY SNAPS INTO PLACE.
- CLOSE UNIT LID.
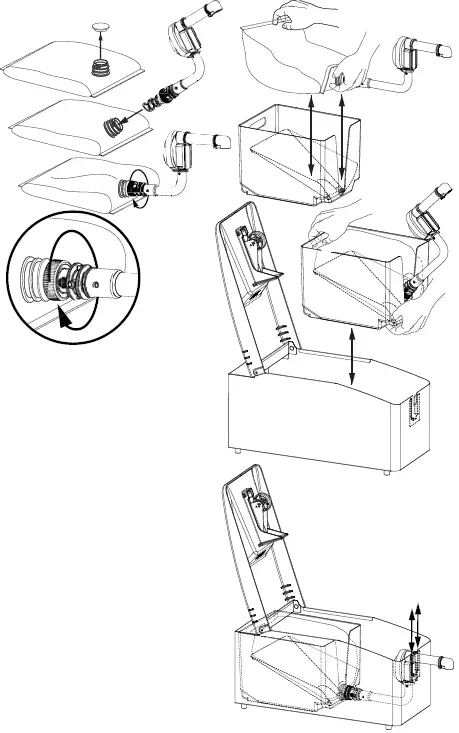
UNIT TAKE-DOWN
- OPEN LID.
- REMOVE PRODUCT POUCH WITH PUMP ATTACHED.
- DISCONNECT PUMP FROM PRODUCT POUCH.
- Rotate connector locking collar counterclockwise to release from product pouch.
- Remove connector from inside pump flexible tube.
- Do not discard connector.
- CLEAN PUMP. SEE PUMP CLEANING. DISASSEMBLE PUMP. SEE PUMP DISASSEMBLY.
UNIT SET-UP
ALWAYS CLEAN UNIT THOROUGHLY BEFORE FIRST USE. SEE SAFETY GUIDELINES, UNIT TAKE-DOWN, PUMP DISASSEMBLY, CLEANING, AND PUMP ASSEMBLY.
- SET PORTION CONTROL.
- ASSEMBLE PUMP. SEE PUMP ASSEMBLY.
- INSTALL CONNECTOR INTO PUMP FLEXIBLE TUBE.
- Secure pins on connector into holes on tube.
- INSTALL O-RING ONTO GROOVE ON CONNECTOR.
- Also ensure that connector locking collar is in position between flanges of connector and will not slide off.
- INSTALL CONNECTOR, WITH PUMP ATTACHED, INTO PRODUCT POUCH FITMENT.
- Place product pouch on a counter top with circular pouch fitment facing upward.
- Remove cap from product pouch fitment.
- For easier removal of protective cap, contact food product vendor for optional available tool.
- Install connector into product pouch fitment.
- Secure connector onto product pouch fitment by rotating connector locking collar clockwise.
- INSTALL PRODUCT POUCH, WITH PUMP ATTACHED, INTO POUCH SUPPORT.
- INSTALL POUCH SUPPORT, WITH PRODUCT POUCH INSIDE, WITH PUMP ATTACHED, INTO UNIT.
- FOLD SMALL AMOUNTS OF TWO BACK CORNERS OF PRODUCT POUCH TO WRAP AROUND POUCH CORNER HOLDERS ON SIDE WALLS OF POUCH SUPPORT.
- This will hold pouch for best product evacuation.
- SLIDE POUCH SUPPORT TOWARDS BACK OF UNIT TO INSTALL PUMP HOUSING GROOVES INTO RETAINING SLOTS ON INSIDE FRONT WALL OF UNIT TO SECURE PUMP INTO ALIGNED POSITION.
- CLOSE LID.


PUMP DISASSEMBLY
- REMOVE O-RING FROM CONNECTOR.
- Carefully pry o-ring off with fingers.
Do not use a tool or any sharp object to remove o- ring, this will damage the o-ring.
- Carefully pry o-ring off with fingers.
- REMOVE CONNECTOR FROM FLEXIBLE PLASTIC TUBE.
- Rotate and pull connector away from flexible plastic tube.
- REMOVE FLEXIBLE PLASTIC TUBE FROM BOTTOM OF PUMP HOUSING.
- Rotate and pull flexible plastic tube away from pump housing.
- REMOVE PUMP DOME FROM PUMP HOUSING.
- Unhook loop from bottom of dome to release dome from bottom tube of pump housing.
- REMOVE PINCH VALVE FROM INSIDE PUMP HOUSING.
- REMOVE DISCHARGE TUBE FITTING FROM END OF DISCHARGE TUBE.
- Unhook loop from bottom of discharge tube fitting to release from pin on discharge tube.
- Rotate and pull discharge tube fitting away from discharge tube.
PUMP ASSEMBLY
ALWAYS CLEAN PUMP THOROUGHLY BEFORE EACH USE. SEE UNIT TAKE-DOWN, PUMP DISASSEMBLY, PUMP ASSEMBLY, SAFETY GUIDELINES, AND CLEANING.
- INSERT PINCH VALVE INTO PUMP HOUSING DISCHARGE TUBE.
- INSTALL DOME ONTO PUMP BODY.
- Align valve flap inside dome to be on top of opening between pump body and pump body discharge tube.
- Place loop onto pump housing tube to secure dome.
- INSTALL FLEXIBLE TUBE ONTO PUMP BODY SHORT EXTENSION TUBE.
- Use small amount of water as lubricant when installing flexible tube.
- Rotate flexible tube onto pump body short extension tube until projections on pump body short extension tube align with holes in flexible tube.
- Rotate and position flexible tube with connector on opposite end to be pointing away from pump body discharge tube.
- INSTALL CONNECTOR ONTO FLEXIBLE TUBE.
- Use small amount of water as lubricant when installing connector.
- Rotate connector into flexible tube until projections on connector align and fall into holes in flexible tube.

PUMP CLEANING
BEFORE FIRST USE AND AFTER USE DAILY OR REGULARLY, DISASSEMBLE AND CLEAN PARTS. FOR SAFE AND PROPER CARE, AND TO PREVENT CORROSION, OF PARTS, IT IS IMPORTANT TO CLEAN, RINSE, SANITIZE, AND DRY PARTS DAILY OR REGULARLY. FAILURE TO COMPLY WITH ANY OF THESE INSTRUCTIONS MAY VOID UNIT WARRANTY.
- SEE UNIT TAKE DOWN
- FLUSH AND RINSE ALL INSIDE AND OUTSIDE SURFACES OF PUMP THOROUGHLY WITH HOT WATER.
- Place lower end of pump into container of hot water and operate pump until all (if any) remaining product is expelled and only hot water flows from discharge tube. Then remove pump from container of water to disassemble.
- DISASSEMBLE PUMP. SEE PUMP DISASSEMBLY.
- WASH CLEAN ALL PARTS WITH DISHWASHING DETERGENT AND HOT WATER.
- Clean all confined areas with any supplied brush(es).
- Do not use scrapers, steel pads, steel wool, or other cleaning tools that can scratch surfaces.
- Mildly abrasive NYLON or brass brush may be used to remove any stubborn food or mineral deposits on interior surfaces of unit.
- Do not use abrasive cleansers.
- Do not use caustic cleansers.
- Do not use cleansing agents with high concentrations of acid, alkaline or chlorine.
- Do not use ammonia based cleansers.
- FULLY RINSE ALL WASHED PARTS THOROUGHLY WITH CLEAR WATER.
- To prevent corrosion on parts, it is important to thoroughly and fully rinse washed parts.
- SANITIZE ALL PARTS FOLLOWING LOCAL SANITIZATION REQUIREMENTS. ALL PARTS IN CONTACT WITH FOOD MUST BE SANITIZED.
- Allow parts to fully air dry after sanitization.
- Dishwasher safe.
CLEANING UNIT
BEFORE FIRST USE AND AFTER USE DAILY, DISASSEMBLE AND CLEAN UNIT. STAINLESS STEEL PARTS CAN CORRODE. IT IS IMPORTANT TO CLEAN, RINSE, SANITIZE, AND DRY THESE PARTS DAILY AND PROPERLY. FAILURE TO COMPLY WITH ANY OF THESE INSTRUCTIONS MAY VOID UNIT WARRANTY. SEE PUMP DISASSEMBLY AND PUMP CLEANING FOR PUMP INSTRUCTIONS.
- SEE UNIT TAKE DOWN.
- WASH CLEAN ALL PARTS WITH DISHWASHING DETERGENT AND HOT WATER.
- Do not use scrapers, steel pads, steel wool, or other cleaning tools that can scratch surfaces.
- Mildly abrasive NYLON or brass brush may be used to remove any stubborn food or mineral deposits on interior surfaces of unit.
- Do not use abrasive cleansers.
- Do not use caustic cleansers.
- Do not use cleansing agents with high concentrations of acid, alkaline or chlorine.
- Do not use ammonia based cleansers.
- FULLY RINSE ALL WASHED PARTS THOROUGHLY WITH CLEAR WATER.
- To prevent corrosion on parts, it is important to thoroughly and fully rinse washed parts.
- WIPE CLEAN EXTERNAL SURFACES OF UNIT WITH A CLEAN DAMP CLOTH.
- Nontoxic glass cleaner may be used to clean stainless steel parts.
- DRY ALL PARTS WITH A CLEAN SOFT CLOTH.
- Various elements and minerals, such as chlorides in tap water, can accumulate on stainless steel parts and create corrosion.
- To prevent corrosion on stainless steel parts, it is important to thoroughly and fully dry with a clean soft cloth regularly.
- SANITIZE ALL PARTS FOLLOWING LOCAL SANITIZATION REQUIREMENTS. ALL PARTS IN CONTACT WITH FOOD MUST BE SANITIZED.
- Allow parts to fully air dry after sanitization.
PARTS LIST
Part # | Qty. | Description |
| 07014 | 1 | LEVER |
07056 | 1 | ROLLER |
| 07161 | 1 | PIN, HINGE |
07383 | 1 | DOME, PUMP |
| 07388 | 1 | PUMP HOUSING ASSEMBLY |
07823 | 1 | LID |
| 07813 | 1 | SPRING, TORSION |
07507 | 1 | CONNECTOR, ANTI-CHOKE OFF |
| 07814 | 1 | PLATE, EVACUATION |
07818 | 1 | HOUSING, OUTER ASSEMBLY |
| 07517 | 1 | CAP, PLASTIC 38MM |
07796 | 1 | FITTING, DISCHARGE |
| 07798 | 1 | VALVE, PINCH |
07811 | 1 | SUPPORT, POUCH |
07812 | 1 | HOSE, RIGHT ANGLE |
| 07821 | 1 | PUMP ASSEMBLY |
81058 | 4 | FOOT W/SCREW |
| 81105 | 1 | PIN, COTTERLESS HINGE |
82049 | 1 | BRUSH, 11/4” D |
| 85248 | 1 | O-RING |
86337 | 4 | CAP, PROTECTIVE |


UNIT TROUBLESHOOTING
Possible Problems:
- Pump dispenses little or no product.
- Portion control is not consistent.
Possible Solutions:
- Clean pump.
- Ensure product pouch is not empty.
- Ensure product pouch and torsion spring are installed correctly.
- Ensure roller is properly installed on lever.
- Ensure flap inside pump dome and flap on pinch valve are properly positioned when assembling pump.
- Ensure pump is installed into retaining slot on inside front wall of unit.
SAFETY GUIDELINES
According to food and safety regulations, most foods must be stored and/or served at certain temperatures or they could become hazardous. Check with local food and safety regulators for specific guidelines. Be aware of the product you are serving and the temperature the product is required to maintain. Server Products, Inc. can not be responsible for the serving of potentially hazardous product. Server Products Inc. claims no responsibility for actual serving temperature of product. It is the responsibility of the user to ensure that any product is held and served at a safe temperature.
NSF International
(National Sanitation Foundation)
lists this pump as: “Not acceptable for dispensing potentially hazardous foods.”
Stainless steel is one of the best materials for food serving and storage, but there are many products which can corrode it. If you notice corrosion beginning on any stainless steel surface, you may need to change the cleansing agent, sanitizing agent, or the cleaning procedures you are using.
- Products containing: acids, alkalines, chlorine, or salt can corrode stainless steel.
- Sauerkraut and Au Jus sauces corrode stainless steel. Server Products, Inc. regrets that we can not honor Warranty claims on stainless steel parts that have been affected by sauerkraut or Aus Jus.
Plastic Lid, Plastic Cover, Plastic Top or Plastic Organizer Pan
- Not dishwasher safe.
- Hand Wash Only.
- Do not place plastic lid, plastic cover, plastic top or plastic organizer pan under, in, or near to high heat, as this can melt the plastic.
SERVER PRODUCTS LIMITED WARRANTY
This Server product is backed by a two-year limited warranty against defects in materials and workmanship. See Server-Products.com for details.
GENERAL SERVICE, REPAIR OR RETURNS
Before sending an item to Server Products, contact Customer Care to request a Return Authorization Number. The RA Number ensures proper processing and a prompt turnaround. Repaired units are typically shipped out within 48 hours of receipt. Merchandise returned for credit will incur a 20% restocking charge, must be less than 90 days old, and in unused (new) condition. Electrical parts (thermostats, heating elements, etc.) are not returnable.
Servicing Cord: Specific tools are required for safe and proper power supply cord removal and installation. Repairs should be done by an OEM representative or qualified technician using a cord meeting code H05 RN-F requirements.
NEED HELP?
Server Products Inc.
3601 Pleasant Hill Road
Richfield, WI 53076 USA
Chat with us!
[email protected]
262.628.5600 | 800.558.8722
Please be prepared with your Model, P/N and Series located on the lid or base of the unit.
























