Marine CT 6,000 Self Contained Air Conditioner
User Manual
WARNING
Cancer and reproductive Harm www.P65warnings.ca.gov
Follow each one of the steps as explained on this manual, any deviation from the procedure explained herein constitutes improper installation of the unit and therefore waives and forever discharges CTM Marine and its subsidiaries from any liability in connection to the installation; use; and functioning of the unit and any and all systems and parts connected to it.
Unit Label information
How To Read Your Label
Warning Labels
WARNING
THIS AIR CONDITIONER UNIT, INCLUDING DUCT WORK, MUST NOT BE INSTALLED IN A FUEL VAPOR AREA OR ENGINE ROOM WHERE ANY POSSIBILITY OF FUEL VAPOR, ENGINE EXHAUST OR ANY OTHER TOXIC GASES MAY EXIST, THIS UNIT IS NOT VAPOR PROOF AND COULD INTRODUCE DEADLY GASED INTO THE LIVING SPACE IF IMPROPERLY INSTALLED. THIS COULD LEAD TO DEATH OR DISABILITY OF THE OCCUPANTS. SEE OWNNER’S MANUAL.
CAUTION!
HIGH COMPRESSOR TEMPERATURE IS NORMAL DO NOT TOUCH
DANGER
ELECTRICAL SHOCK HAZARD DISCONNECT VOLTAGE AT MAIN PANEL OR POWER SOURCE INLET BEFORE OPENING ANY COVER FAILURE TO COMPLY WILL RESULT IN INJURY OR DEATH
Type of Refrigerant
R410A
REFRIGERANT
WARNING
Cancer and reproductive Harm www.P65warnings.ca.gov
Follow each one of the steps as explained on this manual, any deviation from the procedure explained herein constitutes improper installation of the unit and therefore waives and forever discharges CTM Marine and its subsidiaries from any liability in connection to the installation; use; and functioning of the unit and any and all systems and parts connected to it.
Please carefully read and follow all safety information and instructions before installing your unit. You may always contact Customer Service at [email protected] if you have any doubts, concerns, or questions in connection to your unit or to this Instructions Manual.
NOTICE: Failure to strictly follow these warnings and instructions may result in malfunction of the product, death or serious injury.
CTM Marine does not accept any liability for damage in case of:
- Failure to assemble or connect the unit properly following the instructions in this manual.
- Damage to the unit and its accessories resulting from mechanical influences and excess voltage.
- Any alteration to the units.
- Use for purposes other than the purposes described in this manual.
In the interest of product improvement, the specifications and design are subject to change without prior notice.
How To Read This Manual
This manual provides proper installation information of CTM-Marine self-contained air conditioning units. Improper installation procedures can result in unsatisfactory performance and/or premature failure of these a/c units as well as serious injury or death. Before proceeding, please read this manual completely. Follow each one of the steps as explained on this manual, any deviation from the procedure explained herein constitutes improper installation of the unit and therefore waives and forever discharges CTM Marine from any liability in connection to the installation; use; and functioning of the unit and any and all systems and parts connected to it.
Throughout this manual you will find a few signaling symbols. Please take a time to read and understand what each signaling symbol means:
Used to indicate a dangerous situation where, if not followed carefully, could result in serious injury or death.
Used to indicate important and useful information.
Used to indicate additional information.
QR Code for access to virtual content such as tutorial videos.
Pay attention to signaling symbols throughout this manual with important information.
4. UNIT INSTALLATION
Read these instructions completely and then plan all connections which must be made to the a/c unit including ducting, condensate drain line, seawater inlet and outlet hoses, electrical power connection, location of control, and seawater pump placement, to assure easy access for routing and future servicing.
Installation and servicing of this system can be hazardous due to system pressure and electrical components. When working on this equipment, always observe precautions described in the literature, tags and labels attached to the unit. Follow all safety codes. Wear safety glasses and work gloves and place a fire extinguisher close to the work area.
Locating The Unit
Mount unit with condenser/evaporator coil directly behind return air grill or with at least 3″ (76mm) of air circulation clearance if adjacent to a bulkhead or other obstructions. See Figure 1. Compressor should be mounted away from return air grill if possible to minimize sound level in cabin (Sound Covers are optional.
Blower Rotation
If needed, adjust the blower by loosing lock screw and secure the screw tightly once the blower is adjusted at the optimal position with the most direct airflow discharge. See figure 2.
Refer to the illustrations throughout this manual for guidance.
Some sections of this instructions manual have QR codes that you can easily scan with your Smartphone. They generally contain tutorial videos following the instructions in this manual or additional information.
ACARBON MONOXIDE HAZARD
Never install your air conditioner in the bilge or engine room areas. Make sure that the selected location is sealed from direct access to bilge and/or engine room vapors. Do not to ttwmintite condensate drain line within three feet (91 cm) of any outlet of engine or generator exhaust systems, nor in ,1 compartment housing an engine or generator nor in a bilge, unless the drain is connected properly to a sealed condensate or shower
sump pump.
> The a/c unit should never be placed such that it can circulate carbon monoxide, fuel vapors or other noxious fumes into the boat’s Irving spaces. Do not install or operate a self contained unit in the engine room or near an internal combustion engine. Failure to follow this precaution could result in serious injury or death.
EXPLOSION HAZARD
> Self-contained units do not meet federal requirements for ignition protection. Do not install in spaces containing gasoline engines, tanks, LPG/CPG cylinders, regulators, valves or fuel line fittings. Failure to comply may result in injury or death.
> The a/c unit must be mounted to a low flat level surface, in bottom of locker, under a bunk or dinette seat, or in a similar location. Failure to obey these installation notices could result in damage to the unit. > To ensure proper airflow, allow a minimum clearance of 3 in. (76 mm) in front of the evaporator, and a minimum clearance of 4 in. (102 min) in front of the return air grille.
Some pages have a boxed section on the right to indicate potential physical injury hazards and potential damages to the units. It’s important to read, understand and obey safety instructions.
Product Description & Features
Thank you for purchasing our CTM Marine self-contained marine air conditioner. The CTM Marine CT series are self-contained, direct-expansion, seawater cooled, reverse cycle air conditioners designed for marine applications.
The CTM Marine self-contained marine air conditioner works by removing heat and moisture from the cabin, which lowers the temperature and the humidity levels. At the same time conditioned air is blown through the ducting system.
The blower fan draws warm humid air from the cabin across the evaporator where the heat from the air is transferred to the refrigerant in the evaporator coil. The refrigerant then evaporates and transforms from liquid to gas, absorbing the heat from the cabin air.
The compressor compresses the refrigerant gas and pumps it through the condenser coil. Seawater is circulated through the inner tube in the condenser coil by the seawater pump which cools the refrigerant and condenses into a liquid.
The heat absorbed by the evaporator in the refrigerant is then exchanged to the seawater and discharged overboard. The liquid refrigerant is then passed through the evaporator coil again to repeat the cycle.
The same process occurs for reverse-cycle heating, but backwards. The refrigerant flows in the opposite direction through the reversing valve and heat is transferred from the seawater in the condenser coil to the refrigerant and then to the air blowing through the evaporator.
Water temperature is crucial for the CTM Marine air conditioners to function properly. The system will operate most efficiently in temperatures below 90ºF (32ºC) when cooling, and above 55ºF (13ºC) when heating. The unit will operate at higher or lower seawater temperatures, but at a reduced capacity. However, when seawater temperatures drop below 40ºF (5ºC) the system operates at around 50% capacity. Anything below those temperatures will not work since the pressure in the system will be so low that the unit will shut down in consequence a low-pressure fault.
Refrain from altering the unit. Any alteration may cause malfunction, serious injury or depth. This unit contains electric and heat connectors and sources. Alteration to any part of this unit may cause exposure to toxic or harmful elements.
Technical Data
Unit Overview
- Duct Ring
- Blower/Fan
- Condenser Coil
A. Outflow
B. Inflow - Blower/Fan Plate
- Evaporator
- Air Filter
- Compressor
- Reverse Valve
- Stainless Steel Base
- Drain Pan
- Drain Holes
- Electrical Box Back Plate
- Capacitor
- U-Board
- Electrical Box Cover

| Model No. | CT-6 | CT-6H | CT-10 | CT-10H | CT-12 | CT-12H | CT-16 | CT-16H | CT-25H |
| Capacity (BTU) | 6,000 | 10,000 | 12,000 | 16,000 | 25,000 | ||||
| Voltage (V) | 100-120 | 208-240 | 100-120 | 208-240 | 100-120 | 208-240 | 100-120 | 208-240 | 208-240 |
| Cycle (Hz) / Phase (Ph) | 50-60 / 1 | ||||||||
| Input: Cool (A) | 4.5 | 2.1 | 6.7 | 3.3 | 8.7 | 4.3 | 10.5 | 5.1 | 8.5 |
| Input: Heat (A) | 5.6 | 2.7 | 8.8 | 3.9 | 10.8 | 4.9 | 13.5 | 6.6 | 9.6 |
| Fuse Max/Min (A) | 15/10 | 10/7 | 25/16 | 15/10 | 25/16 | 15/10 | 40/25 | 20/13 | 30/18 |
| Locked Rotator Amps (A) | 35 | 15 | 42 | 22 | 43 | 23 | 60 | 34 | 50 |
| Seawater Inlet Connection (in/mm) | 5/8 / 16 | ||||||||
| Seawater Outlet Connection (in/mm) | 5/8 / 16 | ||||||||
| Seawater Flow (GPH) | 150 | 250 | 250 | 500 | 550 | ||||
| Refrigerant Type | R410A | ||||||||
| Net Weight (lbs/Kg) | 41 / 18.60 | 50 / 22.7 | 57 / 25.90 | 87 / 39.4 | |||||
| Width (W) in/mm | 15.28 / 388 | 20 / 508 | 22.83 / 580 | ||||||
| Height (H) in/mm | 11.50 / 292 | 13.25 / 337 | 14 / 356 | 15.82 / 402 | |||||
| Depth (D) in/mm | 9.50 / 240 | 12 / 305 | 13.5 / 343 | 15 / 380 | |||||
| Duct Ring (E) in/mm | 4 / 100 | 5 / 127 | 6 / 152 | * | |||||
| Min. Return Air Grille (sqin / sqcm) | 64 / 413 | 100 / 646 | 130 / 839 | 160 / 1033 | 248 / 1600 | ||||
| Min. Supply Air Grille (sqin / sqcm) | 32 / 206 | 60 / 388 | 70 / 452 | 80 / 517 | 139 / 900 | ||||
*Air duct in the CT-25H is squared – Dimensions in/mm: 5 ½ x ~5 ½ / 140 x 138 mm
Installation Overview
Follow each one of the steps as explained on this manual, any deviation from the procedure explained herein constitutes improper installation of the unit and therefore waives and forever discharges CTM Marine and its subsidiaries from any liability in connection to the installation; use; and functioning of the unit and any and all systems and parts connected to it.
Unit Installation
Read these instructions completely and then plan all connections which must be made to the a/c unit including ducting, condensate drain line, seawater inlet and outlet hoses, electrical power connection, location of control, and seawater pump placement, to assure easy access for routing and future servicing.
NOTICE: Installation and servicing of this system can be hazardous due to system pressure and electrical components. When working on this equipment, always observe precautions described in the literature, tags and labels attached to the unit. Follow all safety codes. Wear safety glasses and work gloves and place a fire extinguisher close to the work area. If you have questions, contact CTM Marine: customer service representatives are available to answer questions. Installing parts on maritime equipment requires knowledge on handling tools and marine equipment. If you are not sure whether or not you possess the skills CTM Marine recommends consulting with a professional before engaging on self-help.
Locating The Unit
Mount unit with condenser/evaporator coil directly behind return air grill or with at least 3″ (76mm) of air circulation clearance if adjacent to a bulkhead or other obstructions. See Figure 1. Compressor should be mounted away from return air grill if possible to minimize sound level in cabin (Sound Covers are optional.
Blower Rotation
If needed, loosen the lock screw on the blower, and secure the screw tightly once the blower is adjusted at the optimal position with the most direct airflow discharge. See figure 2.
Follow each one of the steps as explained on this manual, any deviation from the procedure explained herein constitutes improper installation of the unit and therefore waives and forever ischarges CTM Marine and its subsidiaries from any liability in connection to the installation; use; and functioning of the unit and any and all systems and parts connected to it.
http://ctm-marine.com/tutorial-videos/
CARBON MONOXIDE HAZARD
- Never install your air conditioner in the bilge or engine room areas. If you have any questions or concerns call CTM Marine customer service.
Make sure that the selected location is sealed from direct access to bilge and/or engine room vapors. Do not terminate condensate drain line within three feet (91 cm) of any outlet of engine or generator exhaust systems, nor in a compartment housing an engine or generator, nor in a bilge, unless the drain is connected properly to a sealed condensate or shower sump pump. - The a/c unit should never be placed such that it can circulate carbon monoxide, fuel vapors or other noxiou s fumes into the boat’s living spaces. Do not install or operate a self-contained unit in the engine room or near an internal combustion engine. Failure to follow this precaution could result in serious injury or death.
EXPLOSION HAZARD
Self-contained units do not meet federal requirements for ignition protection. Do not install in spaces containing gasoline engines, tanks, LPG/CPG cylinders, regulators, laves or fuel line fittings. Failure to comply may result in injury or death. If you have an emergency or feel unsafe foe to fire hazards during the installation, call 911 immediately.
The a/c unit must be mounted to a low flat level surface, in bottom of locker, under a bunk or dinette seat, or in a similar location. Failure to obey these installation notices could result in damage to the unit.
To ensure proper airflow, allow a minimum clearance of 3 in. (76 mm) in front of the evaporator, and a minimum clearance of 4 in. (102 mm) in front of the return air grille.
Non-Slip Isolation Vibration Tape
Your a/c unit comes with a separate non-slip isolator tape design to dampen the vibration caused by the operating a/c unit. Proceed to place the tape on the base of the A/C unit securely. See figure 3.
Once this tape is installed care must be taken when moving the a/c unit across mounting surfaces as the tape can be damaged if excessive dragging occurs.
Mounting Brackets
The four mounting brackets provided should be placed around edge of drain pan as equally spaced as possible. Secure a/c unit to a flat level mounting surface. Brackets are provided. Customer is to supply the necessary hardware such as screw/bolts, and washers. See Figure 4.
Condensate Drains
Place the 2 hose barbs (supplied) in their respective drain holes on the base pan. Secure the drain hose with a stainless steel hose clamp. Route drain hose to a proper collection point. See figure 5.
CARBON MONOXIDE HAZARD
Do not terminate condensate drain lines within three feet (91 cm) of any outlet of engine or generator exhaust systems, nor in a compartment housing an engine or generator, nor in a bilge, unless the drain is connected properly to a sealed condensate or shower pump.
Follow each one of the steps as explained on this manual, any deviation from the procedure explained herein constitutes improper installation of the unit and therefore waives and forever discharges CTM Marine and its subsidiaries from any liability in connection to the installation; use; and functioning of the unit and any and all systems and parts connected to it.
Ducting
Good airflow is critical for the performance of the entire system. It is highly dependent on the quality of the ducting installation. The ducting should be run as straight, smooth and taut as possible minimizing the number of 90° bends (two 90° bends can reduce airflow by 25%).
All ducting should:
- Be appropriately sized for each application.
- Run as smoothly and taut as possible.
- Have as few bends or loops as possible.
- Be securely fastened to prevent sagging during boat operation.
- Have all excess ducting lengths trimmed off.
- Not be flattened or kinked.
- Insulated when located in high heat load areas (hull side, mechanical compartments, etc.).
- Be properly protected against potential damage when routed through open areas.
- Slide back the fiberglass insulation duct to reveal the inner molar duct hose.
- Put the Mylar duct hose around the mount ring.
- To make sure the Mylar duct hose doesn’t slide out, screw 3-4 stainless steel screws through the duct hose into the mount ring. Make sure a few wires from the Mylar duct are captured by the screws.
- Slide back the fiberglass insulation duct and cover the inner Mylar duct hose, and mount ring. Secure with high-quality aluminum foil tape or any condensation inhibiting tape. See figure 6.
CARBONMONOXIDE HAZARD
Do not route ducting through engine room or any area where it may be exposed to dangerous vapors or exhaust fumes.
If you install a transition box, make sure that the total area of supply air ducts going out of the transition box is at least equal to the area of the supply duct going into the box.
- The supply air grille should be installed as high as possible in such a manner that provides a uniform air distribution throughout the cabin.
- The return air grille should be located as low as possible and as close to the a/c unit as possible.
Refer to the Minimum Duct Air Grille Sizes per BTU Capacity table on page 6, for duct and grille size references.
Seawater System
Refer to the drawings below for an overview of how the seawater system should look like:
Consider the following instructions when setting up the seawater system of your air conditioning unit. Failure to follow this procedure will void the warranty:
- Place a clam-shell type thru-hull fitting as far away from the water line as possible. Slots should be directed towards the bow to obtain positive pressure in the suction line.
- Place a bronze seacock on the thru-hull fitting.
- Place a seawater strainer below the level of the pump.
- Connect the seacock and the strainer with a reinforced marine-grade hose.
- The pump should be install at least 30 inches below the waterline, except when a self-priming pump is used.
- Connect the strainer and the pump with a reinforced, marine- grade hose.
- Connect the pump’s outflow to the coil inflow (See page 8 to locate the coil inflow) with a 5/8 inch reinforced, marine-grade hose.
- Connect the a/c unit discharge from the coil outflow (See page 8 to locate the coil outflow) with a 5/8 inch reinforced, marine-grade hose.
The a/c seawater system should have a dedicated thru-hull fitting for the pump.
- The inlet for the thru-hull, seacock, hose, and strainer should not be smaller than the pump inlet.
- The pump strainer assembly should be installed with a gentle upwards slope from the seacock to the pump.
- Keep all the piping as short as possible without kinks or loops where air can become trapped.
- Avoid 90º elbow fittings as much as possible.
- Ensure that the pump head is rotated toward the direction of water flow.
- Use seal tape on all threaded connections.
- Double-clamp all hose connections with stainless steel clamps.
- Connect all metallic parts in contact with seawater to the vessel’s bonding system.
It is strongly recommended to install an air-bleeder system both in the suction line as well as immediately after the discharge outlet of the pump.
| 1. Thru-hull fitting | 5. Coil inflow |
| 2. Seacock | 6. A/C Unit |
| 3. Strainer | 7. Coil outflow |
| 4. Seawater Pump | 8. Seawater Outlet |
Electrical Connections
The following must be observed when making the electrical connections:
- In accordance with ABYC standard E-8, or equivalent, the Alternating Current (AC) ground (green wire) must be connected to the ground terminal (marked “GRND”) on the AC input terminal block of the unit(s) for supply.
- Connections between the vessel’s AC system grounding conductor (green wire) and the vessel’s Direct Current (DC) negative or bonding system should be made as part of the vessel’s wiring, per ABYC standard E-9, or equivalent.
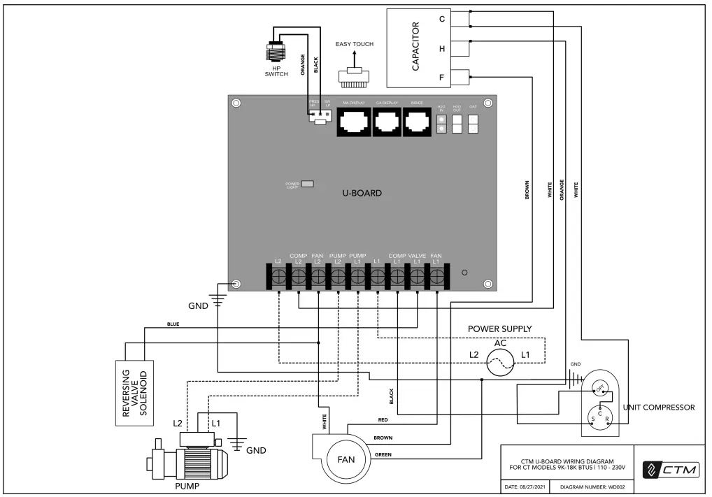
- When servicing o replacing existing equipment that contains a chasis mounted ground stud, the service person or installer must check the vessel’s wiring for the existence of the connection required in item 2 above. Figure 12 shows the Standard U-Board. Figure 13 shows the Soft-Start Board.

http://ctm-marine.com/tutorial-videos/
Make sure all metallic parts in contact with saltwater are properly grounded and bonded properly to the vessel’s bonding system. Failure to follow these instructions will void the warranty.
- Each a/c unit installed requires a dedicated circuit breaker. For installations of two or more units sharing the same pump, the pump wires will be connected to a pump relay panel (PRP), which in turn has its own dedicated circuit breaker sized for the pump (20 A max).
- Electrical connections in the bilge and/or below the waterline should be sealed with heat shrink type butt splices.
- Field wiring must comply with ABYC electrical codes. Power to the unit must be within the operating voltage range indicated on he data plate. Properly sized fuses or ACR circuit breakers must be installed for branch circuit protection. Refer to the data plate for max fuse/circuit breaker size (mfs) and minimum circuit capacity (mca).
ABYC standards are available from :
American Boat and Yacht Council 613 Third Street, Suite 10
Annapolis, MD 21403
Phone: (410) 990-4460
Fax: (410) 990-4466
Follow each one of the steps as explained on this manual, any deviation from the procedure explained herein constitutes improper installation of the unit and therefore waives and forever discharges CTM Marine and its subsidiaries from any liability in connection to the installation; use; and functioning of the unit and any and all systems and parts connected to it.
Follow each one of the steps as explained on this manual, any deviation from the procedure explained herein constitutes improper installation of the unit and therefore waives and forever discharges CTM Marine and its subsidiaries from any liability in connection to the installation; use; and functioning of the unit and any and all systems and parts connected to it.
Display Control
CTM Marine Split System units are compatible with most thermostats currently in the market. Below are the most common thermostats displays used by major marine air conditioner manufacturers.
| DISPLAY | MODEL | 6-PIN CABLE | 8-PIN CABLE |
| Smart Touch / Easy Touch (wi-fi) | |||
| SMXIR | |||
| Passport I/O | |||
| Elite II | |||
| SMXII | Needs Adapter #290340229 | Needs Adapter #763100043 |
Troubleshooting
| PROBLEM | POSSIBLE CAUSE | POSSIBLE SOLUTION |
| System won’t start | EV handler circuit breaker is OFF. | Turn circuit breaker ON at the main vessel’s panel. |
| Wrong wiring terminal strip | Check the wiring diagram and make the necessary corrections | |
| Input-line Voltage is insufficient. | Check power source, either shore or generator power for proper voltage. Check wiring terminals for proper sizes and connections. Verify with a volt-meter that power at the unit matches the power source’s voltage. | |
| Fan is not running | Refer to the troubleshooting section of your digital control manual | |
| Unit is not cooling | Temperature set point. | Lower temperature to desired temperature on display control. |
| Clean se Obstructed seawater flow | waiter strainer, check for any obstructions at scoop thru-hull inlet, and check for good steady flow from overboard discharge. | |
| Seawater pump may be air- locked | Remove hose from pump discharge to purge air from line. | |
| Loss of refrigerant gas | Check unit for leakage and call an certified technician. | |
| Seawater temperature to high for cooling. | Seawater temperature will directly affect the efficiency of your unit. Your unit will effectively cool your boat with seawater temperatures up to 90ºF (32.2ºC). | |
| Fan coil is iced | Refer tot he troubleshooting section of your digital control manual | |
| Fan is not running | Refer tot he troubleshooting section of your digital control manual | |
| Seawater Plumbing is air- locked | Make sure the seawater plumbing system is properly installed per the instructions in this manual. | |
| High-Pressure Switch is open due to improper seawater flow | Strainer or intake may be plugged, seacock may be closed. Check seawater hose for kinks or collapses. Verify pump operation. | |
| PROBLEM | POSSIBLE CAUSE | POSSIBLE SOLUTION |
| Unit is not heating | Temperature set point. | Lower temperature to desired temperature on display control. |
| Wrong wiring terminal strip | Check the wiring diagram and make the necessary corrections | |
| Clean se Obstructed seawater flow | water strainer, check for any obstructions at scoop thru-hull inlet, and check for good steady flow from overboard discharge. | |
| Seawater pump may be air- locked | Remove hose from pump discharge to purge air from line. | |
| Loss of refrigerant gas | Check unit for leakage and call an certified technician. | |
| Seawater temperature to low for heating. | Seawater temperature will directly affect the efficiency of your unit. Your unit will effectively heat your boat with seawater temperatures as low as 40ºF (4.4ºC). | |
| High-Pressure Switch is open due to improper seawater flow | Strainer or intake may be plugged, seacock may be closed. Check seawater hose for kinks or collapses. Verify pump operation. | |
| High-Pressure Switch is open due to high seawater temperature | The unit may cycle on high pressure if seawater temperature is above 55ºF (12.8ºC), increase fan speed. | |
| Unit is in “cool only” mode, or reversing valve may be stuck. | Tap reversing valve lightly with a rubber mallet while is in heat mode. Call a certified technician if this doesn’t work. | |
| Low Airflow | Airflow is blocked | Remove obstructions from the return air stream. Clean return-air filter and grille. Check crushed or obstructed ducting. |
| Fan speed set to manual low | Set fan speed to desired speed. | |
| Fan coil is iced | Thermostat set too low. | Raise temperature |
| Improper flow | Remove obstructions from the return air stream. Clean return-air filter and grille. Check crushed or obstructed ducting. |
| PROBLEM | POSSIBLE CAUSE | POSSIBLE SOLUTION |
| Fan coil is iced | Supply air is short-cycling | Redirect supply air so that is not blowing into the return air stream. Check and seal any leaks in ducting. |
| Humidity to high | Close hatches, doors, portholes, to minimize humidity inside the air conditioned cabin. | |
| When nothing else works | Switch to heat mode to defrost fan coil or use hai dryer. | |
| Water coil is iced in the heating mode | Seawater temperature is below 40ºF (4.4ºC) | Shut down system to prevent damage to the condensing unit. Allow coil to defrost. |
| System runs continuously | Temperature set point not properly set | Too low for cooling or toohigh for heating. Adjust |
| Portholes, hatches or doors open. | Close all portholes, doors and hatches. | |
| Seawater temperature too high for cooling or too low for heating | Check optimal operation seawater temperatures | |
| Improper air sensor location | Check your specific digital control troubleshooting section. |
Go to
http://ctm-marine.com/support/troubleshooting/ or scan the code below with your smart device to visit the interactive Thermostat troubleshooting page.
http://ctm-marine.com/support/troubleshooting/
CTM LIMITED WARRANTY
Air conditioning systems supplied by CTM Marine (hereafter referred to as CTM) are warranted against material and workmanship defects at the time of sale. If it’s determined by CTM, to its satisfaction, that a CTM product contains any material or workmanship defect during the warranty period, then CTM shall repair or replace the CTM product, or refund the original purchase price at CTM’s sole option.
When CTM chooses to issue a refund for defects in materials or workmanship, the refund shall cause the cancellation of the contract without reservation of rights by the owner. As a result, all claims the owner may have against CTM for alleged or actual breach of warranty shall be fully and finally satisfied.
The intent of the CTM warranty is to protect the original end-user of the Air Conditioning System from defects and provide free repair and replacement of defective parts in the manner provided herein. During the warranty period, the exclusive remedy will be for CTM, at their discretion, to repair or replace those parts which are demonstrated to be defective in material or workmanship.
While warranty is provided to the “original end-user”, it is to be administered and serviced through an authorized CTM dealer in accordance with the CTM warranty policy or contractual agreement between CTM and a second party. To locate the nearest CTM authorized dealer for warranty service, visit http://www.ctm-marine.com or call (800) 766-5256 in the USA. In order to obtain the benefits of the warranty during the warranty period the owner has the following options in order of preference to CTM:
A- Contact a CTM authorized dealer to perform the necessary repairs or work needed in the area where the product is located.
B- If there is no authorized dealer in the area, CTM may authorize and work with a local service provider.
C- If none of the above options are available, the customer may send back the product back to the factory to have the necessary repairs or work done. If it’s determined that the product presents valid warranty claims, shipping/freight charges will be reimbursed both ways.
WARRANTY PERIODS
The warranty period of registered CTM products is (2) two years, being the first year parts and labor, the second year parts only. For unregistered CTM products (1) one year, being the first 6 months parts and labor, and the last 6 months parts only. The warranty period of CTM products begins from the date of purchase (if purchased through a dealer or distributor), when installed (if installed by an authorized CTM dealer) and/or at the time of possession of the vessel by the owner (for OEM installations). However, the warranty period shall not exceed (3) three years from the original manufacture date. CTM products include a serial number which is date-coded, in order to determine the manufacturer date of the product, you may contact CTM’s customer service to obtain the original date.
In the event there is an extended period of time between the date a CTM product is manufactured and the moment that the product goes into service, CTM will require proof of purchase. For unregistered products, a proof of purchase will be required as well.
PRODUCT REGISTRATION
CTM specifically excludes and limits warranty from the following:
- Normal wear of service parts: (Filters and fuses are not covered)
- Additional labor charges associated with the removal and replacement of the air conditioning system. The original installer or OEM is responsible for the accessibility of the CTM product.
- Damage to product in transit. All claims must be filled with the carrier.
- Improper installation, which is not in accordance with valid, supplied installation instructions or approved OEM applications. (For the most up to date installation instructions, visit http://ctm-marine.com/usermanual/)
- Deterioration due to normal wear, corrosion, abuse, damage, accident, improper storage or operation, lack of reasonable maintenance.
- Modification of product by alteration, use of non-genuine parts or repair by unauthorized personnel.
- Water damage to electrical components including control boards and display/thermostats.
- Failures due to improper winterization of the CTM products.
- Replacement of refrigerant with a substitute not authorized by CTM.
- Economic loss for expenses related to travel, vehicle disability, personal injury or other incidental or consequential damages arising from any breach of this expressed warranty.
CTM RETAINS THE RIGHT TO MODIFY THESE WARRANTY TERMS WITHOUT NOTICE IN ORDER TO COMPLY WITH POLICY OR LAWS GOVERNING WARRANTY ISSUES IN STATES OR COUNTRIES HAVING SPECIFIC REMEDIES DIFFERING OR ADDITIONAL TO THOSE DESCRIBED WITHIN THIS DOCUMENT.
You can register your CTM unit or file a claim by visiting www.ctm-marine/warranty or by scanning the code below with your smart device.
http://ctm-marine.com/warranty/
References
Product Registration - CTM-Marine Air Conditioners | Powerful, Quiet, Compact
Troubleshooting - CTM-Marine Air Conditioners | Powerful, Quiet, Compact
User Manuals - CTM-Marine Air Conditioners | Powerful, Quiet, Compact
User Manuals Archive - CTM-Marine Air Conditioners | Powerful, Quiet, Compact
Site Currently Unavailable
CTM-Marine Air Conditioners | Powerful, Quiet, Compact
P65warnings.ca.gov

















