OPERATION MANUAL
26” Toro Mini Skid Steer Logging Grapple
Model: TOROLOGGP
JONOVA TOROLOGGP 36 Inch Toro Mini Skid Steer Logging Grapple
- Please read the product manual completely before assembly
- Check against the parts list to make sure all parts are received
- Wear proper safety goggles or other protective gears while in assembly
IMPORTANT SAFERY INFOMATION
Your Safety
YOU are responsible for the SAFE operation and maintenance of your JONOVA Skid Steer Mounted Skeleton Grapple Bucket. YOU must ensure that you and anyone else who is going to use, maintain or work around the Skid Steer Mounted Skeleton Grapple Bucket be familiar with the using and maintenance procedures and related SAFETY information contained in this manual. This manual will take you step-by- step through your working day and alerts you to all good safety practices that should be used while using the Skid Steer Mounted Skeleton Grapple Bucket.
Remember, YOU are the key to safety. Good safety practices not only protect you but also the people around you. Make these practices a working part of your safety program. Be certain that EVERYONE using this equipment is familiar with the recommended using and maintenance procedures and follows all the safety precautions. Most accidents can be prevented. Do not risk injury or death by ignoring good safety practices.
- Skid Steer Mounted Skeleton Grapple Bucket owners must give operating instructions to operators or employees before allowing them to operate the machine, and at least annually thereafter.
- The most important safety device on this equipment is a SAFE operator. It is the operator’s responsibility to read and understand ALL Safety and Operating instructions in the manual and to follow these. Most accidents can be avoided.
- A person who has not read and understood all using and safety instructions is not qualified to use the machine. An untrained operator exposes himself and bystanders to possible serious injury or death.
- Do not modify the equipment in any way. Unauthorized modification may impair the function and/or safety and could affect the life of the equipment.
- Think SAFETY! Work SAFELY!
General Safety
- Read and understand the Operator’s Manual and all safety signs before using, maintaining, adjusting or cleaning the Skid Steer Mounted Skeleton Grapple Bucket.
- Have a first-aid kit available for use should the need arise and know how to use it.
- Have a fire extinguisher available for use should the need arise and know how to use it.
- Do not allow riders.
- Wear appropriate protective gear. This list includes but is not limited to:
– A hard hat
– Protective shoes with slip resistant soles
– Heavy gloves
– Wet weather gear
– Hearing Protection - Install and secure all guards before starting.
- Wear suitable ear protection for prolonged exposure to excessive noise.
- Turn machine off, stop and disable engine, remove ignition key and place in your pocket, set park brake and wait for all moving parts to stop before servicing, adjusting, repairing, or unplugging.
- Clear the area of people, especially small children, before using the unit.
- Review safety related items annually with all personnel who will operating or maintaining the Skid Steer Mounted Skeleton Grapple Bucket.
Equipment Safety Guidelines
- Safety of the operator and bystanders is one of the main concerns in designing and developing equipment.
However, every year many accidents occur which could have been avoided by a few seconds of thought and a more careful approach to handling equipment. You, the operator, can avoid many accidents by observing the following precautions in this section. To avoid personal injury or death, study the following precautions and insist those working with you, or for you to follow them. - In order to provide a better view, certain photographs or illustrations in this manual may show an assembly with a safety shield removed. However, equipment should never be used in this condition. Keep all shields in place. If shield removal becomes necessary for repairs, replace the shield prior to use.
- Replace any safety sign or instruction sign that is not readable or is missing. Location of such safety signs is indicated in this manual.
- Never use alcoholic beverages or drugs which can hinder alertness or coordination while using this equipment. Consult your doctor about using this machine while taking prescription medications.
- Under no circumstances should young children be allowed to work with this equipment. Do not allow persons to use or assemble this unit until they have read this manual and have developed a thorough understanding of the safety precautions and of how it works. Review the safety instructions with all users annually.
- This equipment is dangerous to children and persons unfamiliar with its operation. The operator should be a responsible, properly trained and physically able person familiar with machinery and trained in this equipment’s operations. If the elderly are assisting with work, their physical limitations need to be recognized and accommodated.
- Never exceed the limits of a piece of machinery.
If its ability to do a job, or to do so safely, is in question – DON’T TRY IT. - Do not modify the equipment in any way. Unauthorized modification may result in serious injury or death and may impair the function and life of the equipment.
- In addition to the design and configuration of this implement, including Safety Signs and Safety Equipment, hazard control and accident prevention are dependent upon the awareness, concern, prudence, and proper training of personnel involved in the operation, transport, maintenance, and storage of the machine. Refer also to Safety Messages and operation instruction in each of the appropriate sections of the skid steer and machine manuals. Pay close attention to the Safety Signs affixed to the skid steer and the machine.
Safety Training
- Safety is a primary concern in the design and manufacture of our products. Unfortunately, our efforts to provide safe equipment can be wiped out by a single careless act of an operator or bystander.

- In addition to the design and configuration of equipment, hazard control and accident prevention are dependent upon the awareness, concern, prudence, and proper training of personnel involved in the operation, transport, maintenance, and storage of this equipment.
- It has been said, “The best safety feature is an informed, careful operator.” We ask you to be that kind of an operator. It is the operator’s responsibility to read and understand ALL Safety and Using instructions in the manual and to follow these. Accidents can be avoided.
- the machine. If this machine is used by any person other than yourself, or is loaned or rented, it is the machine owner’s responsibility to make certain that the operator, prior to using:
a. Reads and understands the operator’s manuals.
b. Is instructed in safe and proper use. - Know your controls and how to stop the skid steer tractor and machine quickly in an emergency. Read this manual and the one provided with skid steer tractor.
- Train all new personnel and review instructions frequently with existing workers. Be certain only a properly trained and physically able person will use the machinery. A person who has not read and understood all using and safety instructions is not qualified to use the machine. An untrained operator exposes himself and bystanders to possible serious injury or death. If the elderly are assisting with the work, their physical limitations need to be recognized and accommodated.
Safety Signs
- Always keep safety signs clean and legible.
- Replace safety signs that are missing or have become illegible.
- Replaced parts that displayed a safety sign should also display the current sign.
- Safety signs have a part number in the lower righthand corner. Use this part number when ordering replacement parts.
- Safety signs are available from your authorized Distributor or Dealer Parts Department or the factory.
Preparation
- Never use the machine until you have read and completely understand this manual, the skid steer tractor Operator’s Manual and each of the Safety Messages found on the safety signs on the skid steer tractor and machine.
- Personal protection equipment including hard hat, safety glasses, safety shoes, and gloves are recommended during assembly, installation, operation, adjustment, maintaining, repairing, removal, cleaning, or moving the unit. Do not allow long hair, loose fitting clothing or jewelry to be around equipment.
- PROLONGED EXPOSURE TO LOUD NOISE MAY CAUSE PERMANENT HEARING LOSS!
Power equipment with or without equipment attached can often be noisy enough to cause permanent, partial hearing loss. We recommend that you wear hearing protection on a full-time basis if the noise in the Operator’s position exceeds 80db. Noise over 85db on a long-term basis can cause severe hearing loss. Noise over 90db adjacent to the Operator over a long-term basis may cause permanent, total hearing loss. NOTE: Hearing loss from loud noise (from tractors, chain saws, radios, and other such sources close to the ear) is cumulative over a lifetime without hope of natural recovery. - Clear working area of stones, branches or hidden obstacles that might be hooked or snagged, causing injury or damage.
- Use only in daylight or good artificial light.
- Be sure machine is properly mounted, adjusted and in good operating condition.
- Ensure that all safety shielding, and safety signs are properly installed and in good condition.
Maintenance Safety
- Good maintenance is your responsibility. Poor maintenance is an invitation to trouble.
- Follow good shop practices.
– Keep service area clean and dry.
– Be sure electrical outlets and tools are properly grounded.
– Use adequate light for the job at hand.
- Make sure there is plenty of ventilation. Never operate the engine of the towing vehicle in a closed building. The exhaust fumes may cause asphyxiation.
- Before working on this machine, shut off the engine, set the brake, and turn fuel valve off.
- Never work under equipment unless itis blocked securely.
- Always use personal protection devices such as eye, hand and hearing protectors, when performing any service or maintenance work. Use heavy or leather gloves when handling blades.
- Where replacement parts are necessary for periodic maintenance and servicing, genuine factory replacement parts must be used to restore your equipment to original specifications. The manufacturer will not be responsible for injuries or damages caused by use of unapproved parts and/or accessories.
- A fire extinguisher and first aid kit should be kept readily accessible while performing maintenance on this equipment.
- Periodically tighten all bolts, nuts and screws and check that all electrical and fuel connections are properly secured to ensure unit is in a safe condition.
- When completing a maintenance or service function, make sure all safety shields and devices are installed before placing unit in service.

Operating Safety
- Please remember it is important that you read and heed the safety signs on the Skid Steer Mounted Skeleton Grapple Bucket. Clean or replace all safety signs if they cannot be clearly read and understood.
They are there for your safety, as well as the safety of others. The safe use of this machine is strictly up to you, the operator. - All things with moving parts are potentially hazardous. There is no substitute for a cautious, safe-minded operator who recognizes potential hazards and follows reasonable safety practices. The manufacturer has designed this Skid Steer Mounted Skeleton Grapple Bucket to be used with all its safety equipment properly attached, to minimize the chance of accidents. Study this manual to make sure you have all safety equipment attached.
- Close and secure rotor cover before operating.
- Close and secure all guards, deflectors and shields before starting and operating.
- Read and understand operator’s manual before starting. Review safety instructions annually.
- Personal protection equipment including hearing protection, hard hat, safety glasses, safety shoes, and gloves are recommended during assembly, installation, operation, adjustment, maintaining, repairing, removal, or moving. Do not allow long hair, loose-fitting clothing, or jewelry to be around moving parts.
- Keep hydraulic lines and fittings tight, in good condition and free of leaks.
- Never place any part of your body where it would be in danger if movement should occur during assembly, installation, operation, maintenance, repairing, unplugging, or moving.
- Turn machine off, stop engine, remove ignition key and place in your pocket, set park brake and wait for all moving parts to stop before servicing, adjusting, repairing or unplugging.
- Do not run machine inside a closed building to prevent asphyxiation from engine exhaust.
- Never use alcoholic beverages or drugs which can hinder alertness or coordination while operating this equipment. Consult your doctor about operating this machine while taking prescription medications.
- Do not allow riders on this machine at any time. There is no safe place for any riders.
- Never allow children or unauthorized people to operate or be around this machine.
Hydraulic Safety
- Make sure that all the components in the hydraulic system are kept in good condition and are clean.
- Before applying pressure to the system, make sure all components are tight, and that lines, hoses and couplings are not damaged.
- Do not attempt any makeshift repairs to the hydraulic lines, fittings, or hoses by using tapes, clamps or cements. The hydraulic system operates under extremely high pressure. Such repairs will fail suddenly and create a hazardous and unsafe condition.
- Wear proper hand and eye protection when searching for a high-pressure hydraulic leak. Use a piece of wood or cardboard as a backstop instead of hands to isolate and identify a leak.

- If injured by a concentrated high-pressure stream of hydraulic fluid, seek medical attention immediately.
Serious infection or toxic reaction can develop from hydraulic fluid piercing the skin surface. - Relieve pressure on hydraulic system before maintaining or working on system.
To the New Operator or Owner
It is the responsibility of the owner or operator to read this manual and to train all other operators before they start working with the machine. Follow all safety instructions exactly. Safety is everyone’s business. By following recommended procedures, a safe working environment is provided for the operator, bystanders, and the area around the worksite. Untrained operators are not qualified to use the machine.
Follow all safety instructions exactly. Safety is everyone’s business. By following recommended procedures, a safe working environment is provided for the operator, bystanders, and the area around the worksite.
Untrained operators are not qualified to operate the machine.
Many features incorporated into this machine are the result of suggestions made by customers like you.
Read this manual carefully to learn how to use the chipper safely and how to set it to provide maximum field efficiency. By following the using instructions in conjunction with a good maintenance program, your Skid Steer Mounted Skeleton Grapple Bucket will provide many years of trouble- free service.
OPETATION
MACHINE COMPONENTS
HYDRAULIC CONNECTIONS & MOUNTING
The machine is shipped from the factory in a basic, universal configuration that allows it to be mounted to any model skid steer. However, the skid steer must be equipped with a remote hydraulic outlet on the front of the cab frame.
The Skeleton Grapple Bucket should always be located on a level, dry area that is free of debris and other foreign objects. When attaching the Skeleton Grapple Bucket to a skid steer, follow this procedure:
- Make sure that all bystanders, especially small children are clear of the work area.
- Make sure there is enough room and clearance to safely drive up to the Skeleton Grapple Bucket.
- Drive up to the Skeleton Grapple Bucket while aligning the mounting components, and hook up into the mount.

- Secure the mounting:
a. Drive into the mounting frame.
b. Seat the top of the face plate into the frame of the Skeleton Grapple Bucket.
c. Raise the loader and tilt the face plate until it is fully mated. - Engage the lock pins to secure the Skeleton Grapple Bucket to the loader.
- Connect the hydraulics:
a. Use a clean rag or paper towel to clean the dirt from the couplers on the hose ends of the skid steer.
b. Connect the hoses to the skid steer couplers. Be sure the couplers are securely seated.
c. Route and secure the hoses along the frame with clips, tape or plastic ties to prevent binding and pinching. Be sure to provide slack for tilting. - Raise the Skeleton Grapple Bucket.

- 8. Check that all hydraulic connections and locks are secure before beginning work.
Reverse the above procedure when unhooking.
Place planks or boards under the frame for extra support if required.
Grapple Attachment Tips
CAUTION!
Never operate this attachment when bystanders are in proximity of the work area that could result in Minor or Serious Injury by contact with the machine, attachment or flying debris.
- Always inspect the work area before starting the job. Locate and mark any utilities, steel posts, rocks or any other objects that could be damaged or would damage the blade during operation. Never assume the work area is safe and never skip the inspection part before start of operation.
- Operate at a safe slow-paced speed that will allow you to watch the area ahead and behind the attachment & loader. Since about half of your duty cycle may be in reverse, look behind you and/or utilize your mirrors when backing up. Verify that your backup alarm is working properly to warn others when you are in reverse, but never think that the alarm replaces your responsibility to visually check what’s behind you.
- Attachment control is the most important element to getting a good, steady cut. Overloading the attachment will only result in spinning the tracks or tires and will make unwanted ruts. Overloading the attachment will also necessitate raising the implement to off load some of the resistance occurring by the material. When you raise the attachment, you will create an unleveled surface that will increase as the front of the prime mover drives over the rise of the ground surface.
- If you lift too heavy a load with your attachment, your may raise the rear of your skid steer, and further reduce your tractive power available to move the load.
- Before beginning your forward motion with the attachment, stop the skid steer and make any final adjustments to the attachment in terms of height & tilt.
- Center your load on the attachment. Estimate the load center and pick it accordingly. If the load feels unbalanced when you lift it, reposition your grab and retry the lift. An unbalanced load could upset your skid steer.

- After loading your attachment and clamping the arms over the load, roll the attachment back and retighten the clamp arm pressure.
WARNING!
When rolling back the attachment, the load will settle and require some additional clamping pressure to secure the load. When lifting a load of brush or trees, make sure all ends are not tangled with standing trees that could cause the center of gravity to be compromised, resulting in a rollover that could cause Death or Serious Injury. - The grapple clamp should not be used for pushing or pulling down trees or any type of structure. Its purpose is to clamp the load so it can be moved to a different spot on the job site.
- To save some service work and down time, always pay attention that tree branches or roots do not poke through past the attachment arms and damage any hydraulic parts or even enter the cab area.
- Be careful that a branch or root doesn’t “whip” back at the skid steer. Wear safety glasses to prevent dirt getting in your eyes.
WARNING!
Use extreme caution when working around low hanging electrical lines.
Do not raise the attachment in an area where there are low electrical lines to prevent an accident that could result in Death or Serious Injury. - Keep your distance from any type of utility, whether underground or in the air.
- Always clean the quick-disconnect couplers before connecting them to the skid steer. Utilize plastic or metal caps to protect the ends when not being used. Tuck the quick disconnect hoses somewhere in the attachment where they will be out of the dirt and will not be driven over.
MAINTENANCE
Before Every Use
Check that all fasteners (nuts, bolts, pins, keepers) are in their right place and are tight. Inspect and replace any worn, torn or missing safety decals. Investigate the location of any oil leaks and repair.
Lubricate all joints with lithium grease.
Every Week
Check the condition of the cutting edge and/or tooth points. Order parts if the cutting edge or points are becoming worn and replace as soon as possible.
After Every Season
Inspect the implement for any loose or worn parts that may need to be replaced prior to the next season.
Visually inspect the cutting edge. Replace, if necessary.
Clean, sand & repaint any area that looks worn or scratched to prevent further rusting. Use an equipment paint found at your local hardware store or building center.
Replace any warning decals that have been lost or damaged.
Store your implement in a shed or cover with a water-proof tarp to protect it from the weather. Store in an area not frequented by children.
Cutting Edge Removal & Replacement
WARNING!
To avoid an accident that could result in Death or Serious Injury, never find yourself in a position where any body part is located under an unsupported blade or frame when servicing this attachment.
WARNING!
Hazardous dust can be generated if painted surfaces are heated or welded and could result in death or Serious Injury. Remove paint before welding and always make repairs in a well-ventilated area and wear an approved respirator.
CAUTION!
Cutting edges can be very heavy and could cause Minor or Serious Injury if mishandled. Always wear protective gloves and footwear.
- Weld-on cutting edge replacement is not a task for most machinery operators and should be referred to a welding shop that possesses the proper equipment, knowledge, and experience.
- Replacement cutting edges are available from your dealer.
Hydraulic System
WARNING!
A small stream of oil from a pinhole leak could penetrate your skin if contacted. To avoid an accident that could result in Death or Serious Injury, never use your hand or other body parts in an attempt to locate a hydraulic leak.
NOTICE!
Always release the hydraulic system pressure from the hydraulic circuits prior to removing the attachment or any hydraulic system service work.
Bolt Torque
CHECKING BOLT TORQUE
The tables shown below give correct torque values for various bolts and cap screws. Tighten all bolts to the torques specified in chart unless otherwise noted. Check tightness of bolts periodically, using bolt torque chart as a guide. Replace hardware with the same strength bolt.
Torque figures indicated above are valid for non-greased or non-oiled threads and heads unless otherwise specified. Therefore, do not grease or oil bolts or cap screws unless otherwise specified in this manual.
When using locking elements, increase torque values by 5%.
* Torque value for bolts and cap screws are identified by their head markings
ENGLISH TORQUE SPECIFICATIONS
| Bolt Diameter “A” | Bolt Torque* | |||||
| SAE (NM) | 2 (lb-ft) | SAE (NM) | 5 (IBM-ft) | SAE 8 (NM) (lb-ft) | ||
| 1/4″ | 8 | 6 | 12 | 9 | 17 | 12 |
| 5/16″ | 13 | 10 | 25 | 19 | 36 | 27 |
| 3/8″ | 27 | 20 | 45 | 33 | 63 | 45 |
| 7/16″ | 41 | 30 | 72 | 53 | 100 | 75 |
| 1/2″ | 61 | 45 | 110 | 80 | 155 | 115 |
| 9/16″ | 95 | 60 | 155 | 115 | 220 | 165 |
| 5/8″ | 128 | 95 | 215 | 160 | 305 | 220 |
| 3/4″ | 225 | 165 | 390 | 290 | 540 | 400 |
| 7/8″ | 230 | 170 | 570 | 420 | 880 | 650 |
| 1″ | 345 | 225 | 850 | 630 | 1320 | 970 |

METRIC TORQUE SPECIFICATIONS
| Bolt Diameter “A” | Bolt Torque* | |||
| (N.m) | 8.8 (lb-ft) | 10.9 (NM) (lb-ft) | ||
| M3 | 1. | A | 2. | 1. |
| M4 | 3 | 2. | 5. | 3. |
| M5 | 6 | 4 | 9 | 7 |
| M6 | 10 | 7 | 15 | 11 |
| M8 | 25 | 18 | 35 | 26 |
| M10 | 50 | 37 | 70 | 52 |
| M12 | 90 | 66 | 125 | 92 |
| M14 | 140 | 103 | 200 | 148 |
| M16 | 225 | 166 | 310 | 229 |
| M20 | 435 | 321 | 610 | 450 |
| M24 | 750 | 553 | 1050 | 774 |
| M30 | 1495 | 1103 | 2100 | 1550 |
| M36 | 2600 | 1917 | 3675 | 2710 |

PARTS LIST
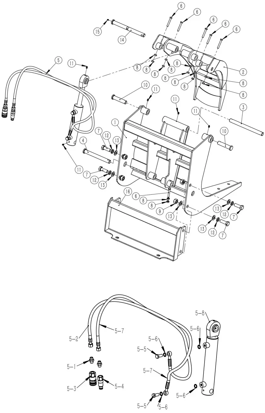
Log Grapple Assembly

| KEY | BOX | DESCRIPTION | QTY |
| I | TLG24. 3 | UNDERFRAME WELDMENI | I |
| 2 | TLG24.4 | CLAW WELDMENT | I |
| 3 | TLG24.6 | PIN 01 | 1 |
| 4 | SLG29.7 | PIN 02 | I |
| 5 | TLG24.5 | HYDRAULIC COMPONENTS | 1 |
| 5-1 | GEO8LR1/2ED | CONNECTOR M14*1.5 -G1/2″ | 2 |
| 5-2 | TLG24.5-1 | TUBING 01 | I |
| 5-3 | KIS-PT-G04SP | QUICK-CHANGE CONNECTOR G1/2 (FEMALE) | I |
| 5-4 | KIS-PT-GO4SP | QUICK-CHANGE CONNECTOR G1/2 (MALE) | I |
| 5-5 | JB/T 978 | BANJO BOLT M14><1.5 | 9 |
| 5-6 | JBT 982 | COMBINED SEALING WASHER 14 | |
| 5-7 | TLG24.5-2 | TUBING 02 | I |
| 5-8 | TLG24.5-3 | HYDRAULIC CYLINDER | I |
| 6 | GB/T 5783 | BOLT M10><65 | 6 |
| 7 | GB/T 5783 | BOLT M20><55 | 4 |
| 8 | GB/T 6170 | NUT M8 | 12 |
| 9 | GB/T 6170 | NUT M20 | 4 |
| 10 | SLG29.8 | PIN 03 | 2 |
| 11 | JB/T 7940.1 | OIL CUP M8><1 | 5 |
| 12 | GB/T 93 | SPRING WASHER 20 | 4 |
| 13 | GB/T 97.1 | PLAIN WASHER 20 | 8 |
| 14 | TLG24.9 | PIN 04 | 1 |
| 15 | JB/T 7940.1 | OIL CUP M6><1 | 1 |
| 16 | TLG24.10 | CONNECTING PLATE WELDMENT | 1 |

– A hard hat



















