AN245986497033en DSH Danfoss Scroll

OVERVIEW

Introduction
These instructions pertain to the Danfoss scroll compressors DSH, SM, SY, SZ, SH & WSH scroll compressors used for air-conditioning systems. They provide necessary information regarding safety and proper usage of this product.
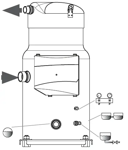
Nameplate

- A: Model number
- B: Serial number
- C: Refrigerant
- D: Supply voltage, Starting current & Maximum operating current
- E: Housing service pressure
- F: Factory charged lubricant
Installation and servicing of the compressor by qualified personnel only. Follow these instructions and sound refrigeration engineering practice relating to installation, commissioning, maintenance and service.
Operating map

- The compressor must only be used for its designed purpose(s) and within its scope of application (refer to «operating limits»). Consult Application guidelines and datasheet available from cc.danfoss.com
- Under all circumstances, the EN378 (or other applicable local safety regulation) requirements must be fulfilled
- The compressor is delivered under nitrogen gas pressure (between 0.3 and 0.7 bar) and hence cannot be connected as is; refer to the «assembly» section for further details.
- The compressor must be handled with caution in the vertical position (maximum offset from the vertical : 15°)


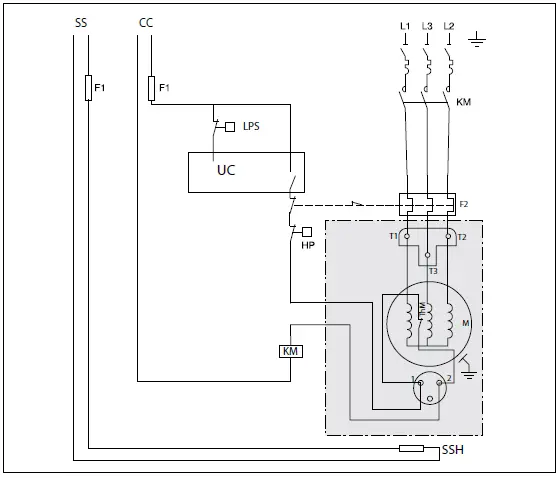
Electrical connections details
DSH / SH / WSH 090 – 105 – 120 – 140 *- 161* – 184* SM 084 – 090 – 100 – 110 – 112 – 120 – 124 – 147 – 148 – 161 SZ 084 – 090 – 100 – 110 – 120 – 147 – 148 – 161
These Danfoss scroll compressors are protected against overheating and overloading by an internal safety motor protector. However, an external manual reset overload protector is recommended for protecting the circuit against over-current

All models except DSH / SH/ WSH140-3 & 161-3 & 184

DSH / SH / WSH140-3 & 161-3 & 184

SM / SZ 115 – 125 – 160 – 175 – 185 versions with thermostat
These Danfoss scroll compressors are provided with a bimetallic single pole single throw thermostat which is located in the motor windings. Because the thermostat is an automatic reset device, it must be wired in a lockout safety circuit with a manual reset to restart the unit. For over-current protection, an external manual reset overload protector must be used


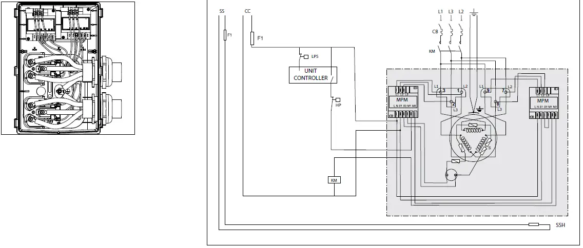
SH 180 – 240 – 295 – 300 – 380 DSH 240 – 295 – 381 SY/ SZ 240 – 300 – 380 SM / SZ 185 versions with electronic module
SM / SZ 115 – 125 – 160 – 175 – 185 versions with thermostat These Danfoss scroll compressor motors are protected by an external module protecting against phase loss/reversal, overheating and high current draw.
All models except SH380-3
SH380-3


SH/DSH485, DSH600
These Danfoss scroll compressor motors are protected by an external module protecting against phase loss/reversal, overheating and high current draw.


DSH485-3
These Danfoss scroll compressor motors are protected by two external modules protecting against phase loss/reversal, overheating and high current draw

Legend:
- Fuses………………………………………………………………………………F1
- Compressor contactor………………………………………………… KM
- High pressure safety switch…………………………………………HP
- Discharge gas thermistor (embedded in compressors
- DSH240-600 and SH485)…………………………………………..DGT
- Surface Sump Heater………………………………………………….SSH
- Compressor motor…………………………………………………………M
- Motor Protection Module…………………………………………MPM
- Thermistor chain……………………………………………………………. S
- Safety pressure switch…………………………………………………LPS
- Thermal magnetic motor circuit breaker …………………… CB
Handling and storage
- Handle the compressor with care. Use the dedicated handles in the packaging. Use the compressor lifting lug and use appropriate and safe lifting equipment.
- Store and transport the compressor in an upright position.
- Store the compressor between Ts min and Ts max values for LP side indicated on compressor nameplate.
- Don’t expose the compressor and the packaging to rain or corrosive atmosphere
Safety measures before assembly
Never use the compressor in a flammable atmosphere.
- Check before assembly that the compressor does not show any obvious signs of deterioration that could have occurred during inappropriate transportation, handling or storage.
- The compressor ambient temperature may not exceed Ts max value for LP side indicated on compressor nameplate during off-cycle.
- Mount the compressor on a horizontal flat surface with less than 3° slope.
- Verify that the power supply corresponds to the compressor motor characteristics (see nameplate).
- When installing DSH, SH, WSH or SZ, use equipment specifically reserved for HFC refrigerants which was never used for CFC or HCFC refrigerants.
- Use clean and dehydrated refrigeration-grade copper tubes and silver alloy brazing material.
- Use clean and dehydrated system components.
- The piping connected to the compressor must be flexible in 3 dimensions to dampen vibrations.
Assembly
- The compressor must be mounted on rails or chassis according to Danfoss recommendations described in related product guidelines (type of spacer, tightening torques).
- Slowly release the nitrogen holding charge through the schrader port.
- Remove the gaskets when brazing rotolock connectors.
- Always use new gaskets for assembly.
- Connect the compressor to the system as soon as possible to avoid oil contamination from ambient moisture.
- Avoid material entering into the system while cutting tubes. Never drill holes where burrs cannot be removed.
- Braze with great care using state-of-the-art technique and vent piping with nitrogen gas flow.
- Connect the required safety and control devices. When the schrader port is used for this, remove the internal valve.
- Do not exceed the maximum tightening torque for rotolock connections:
| Rotolock connections | Tightening torque |
| 1″ rotolock | 80 Nm |
| 1 1/4 ” rotolock | 90 Nm |
| 1 3/4″ rotolock | 110 Nm |
| 2 1/4″ rotolock | 145 Nm. |
Leak detection
Never pressurize the circuit with oxygen or dry air. This could cause fire or explosion.
- SM 084 to 185, SY 380, SZ 084 to 185, SZ 380, DSH / SH / WSH 090 to 184: Pressurize the system on HP side first and then on LP side. Never let the pressure on LP side exceed the pressure on HP side with more than 5 bar. Such pressure difference could cause internal compressor damage.
- Do not use dye for leak detection.
- Perform a leak detection test on the complete system.
- The test pressure must not exceed 1.1 x PS value for LP side and PS value for HP side indicated on compressor nameplate.
- When a leak is discovered, repair the leak and repeat the leak detection.
Vacuum dehydration
- Never use the compressor to evacuate the system.
- Connect a vacuum pump to both the LP & HP sides.
- Pull down the system under a vacuum of 500 μm Hg (0.67 mbar) absolute.
- Do not use a megohmmeter nor apply power to the compressor while it is under vacuum as this may cause internal damage.
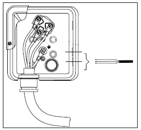
Electrical connections
- Switch off and isolate the main power supply. See overleaf for wiring details.
- All electrical components must be selected as per local standards and compressor requirements.
- Refer to section 4 for electrical connections details.
- The Danfoss scroll compressors only works correctly in one rotation direction. Line phases L1, L2, L3 must absolutely be connected to compressor terminals T1, T2, T3 to avoid reverse rotation.
- According to compressor model, electrical power is connected to the compressor terminals either by 4.8mm (10-32) screws or by M5 studs and nuts . In both cases use appropriate ring terminals, fasten with 3Nm torque.
- The thermostat connection (if present) is a ¼” AMP-AWE spade connector.
- The compressor must be connected to earth. For M5 nut, the maximum torque is 4Nm. For M4 nut, the maximum torque is 2Nm.
Filling the system
- Keep the compressor switched off.
- Fill the refrigerant in liquid phase into the condenser or liquid receiver. The charge must be as close as possible to the nominal system charge to avoid low pressure operation and excessive superheat. Never let the pressure on LP side exceed the pressure on HP side with more than 5 bar. Such pressure difference could cause internal compressor damage.
- Keep the refrigerant charge below the indicated charge limits if possible. Above this limit; protect the compressor against liquid flood-back with a pump-down cycle or suction line accumulator.
- Never leave the filling cylinder connected to the circuit.
| Compressor models | Refrigerant charge limit (kg) |
| SM/SZ 084, 090, 100 | 8.5 |
| SM/SZ 110, 120 | 10 |
| SM 112, 124, 147 , SZ147 | 7.9 |
| SM/SZ 115, 125 | 11 |
| SM/SZ 148, 160, 161 | 12.5 |
| SM/SZ 175, 185 | 13.5 |
| SY/SZ 240 | 16 |
| SY/SZ 380 | 20 |
| DSH / SH / WSH 090 | 5.9 |
| DSH / SH / WSH 105, 120, 140, 161, 184 | 7.9 |
| SH 180, 240, 295, 300 | 13.5 |
| DSH 240,295 | 15 |
| SH 380 | 14.5 |
| SH 485, DSH600, DSH 381,485 | 17 |
Verification before commissioning
Use safety devices such as safety pressure switch and mechanical relief valve in compliance with both generally and locally applicable regulations and safety standards. Ensure that they are operational and properly set. Check that the settings of high-pressure switches and relief valves don’t exceed the maximum service pressure of any system component.
- A low-pressure switch is recommended to avoid vacuum operation. Minimum setting for SM/SY/SZ: 0.5 bar g. Minimum setting for DSH / SH / WSH: 1.7 bar g.
- Verify that all electrical connections are properly fastened and in compliance with local regulations.
- When a crankcase heater is required, it must be energized at least 12 hours before initial start-up and start-up after prolonged shutdown for belt type crankcase heaters (6 hours for surface sump heaters).
Start-up
Never operate the compressor without the electrical box cover fitted.
- Never start the compressor when no refrigerant is charged.
- All service valves must be in the open position.
- Balance the HP/LP pressure.
- Energize the compressor. It must start promptly. If the compressor does not start, check wiring conformity and voltage on terminals.
- Eventual reverse rotation can be detected by following phenomena; the compressor doesn’t build up pressure, it has abnormally high sound level and abnormally low power consumption. In such case, shut down the compressor immediately and connect the phases to their proper terminals. Most Danfoss scroll compressors are protected against reverse rotation either by an internal reverse rotation protection or by the external electronic protection module. They willshut off automatically. Only SM 112, 124, 147, SZ147 have no reverse rotation protection. Prolonged reverse rotation will damage these compressors.
- If the internal overload protector trips out (SM/SZ 084, 090, 100, 110, 112, 120, 124, 147, 148, 161 and DSH / SH / WSH 090, 105, 120, 140, 161, 184), it must cool down to 60°C to reset. Depending on ambient temperature, this may take up to several hours.
- If the internal pressure relief valve is opened (SY/SZ 240, 300, 380 / SH 380, 485 / DSH 381, 485, DSH600), the compressor sump will be warm and the compressor will trip out on the motor protector.
Check with running compressor
- Check current draw and voltage.
- Check suction superheat to reduce risk of slugging.
- Observe the oil level in the sight glass for about 60 minutes to ensure proper oil return to the compressor.
- Respect the operating limits.
- Check all tubes for abnormal vibration. Movements in excess of 1.5 mm require corrective measures such as tube brackets.
- When needed, additional refrigerant in liquid phase may be added in the low-pressure side as far as possible from the compressor. The compressor must be operating during this process.
- Do not overcharge the system.
- Never release refrigerant to atmosphere.
- For reversible systems, ensure that the 4-way valve does not reverse when the compressor is stopped due to heating or cooling demand (stop on thermostat)
- Before leaving the installation site, carry out a general installation inspection regarding cleanliness, noise and leak detection.
- Record type and amount of refrigerant charge as well as operating conditions as a reference for future inspections.
Maintenance
Internal pressure and surface temperature are dangerous and may cause permanent injury. Maintenance operators and installers require appropriate skills and tools. Tubing temperature may exceed 100°C and can cause severe burns. Ensure that periodic service inspections to ensure system reliability and as required by local regulations are performed. To prevent system related compressor problems, following periodic maintenance is recommended:
- Verify that safety devices are operational and properly set.
- Ensure that the system is leak tight.
- Check the compressor current draw.
- Confirm that the system is operating in a way consistent with previous maintenance records and ambient conditions.
- Check that all electrical connections are still adequately fastened.
- Keep the compressor clean and verify the absence of rust and oxidation on the compressor shell, tubes and electrical connections.
Warranty
Always transmit the model number and serial number with any claim filed regarding this product. The product warranty may be void in following cases:
- Absence of nameplate.
- External modifications; in particular, drilling, welding, broken feet and shock marks.
- Compressor opened or returned unsealed.
- Rust, water or leak detection dye inside the compressor.
- Use of a refrigerant or lubricant not approved by Danfoss.
- Any deviation from recommended instructions pertaining to installation, application or maintenance.
- Use in mobile applications.
- Use in explosive atmospheric environment.
- No model number or serial number transmitted with the warranty claim.
The compressor is not designed to withstand natural disasters such as earthquakes, cyclones, floods…. or extreme events such as fires, terrorist attacks, military bombardments, or explosions of any kind. Danfoss Commercial Compressor is not liable for any malfunction of its product resulting from such events
Disposal
Danfoss recommends that compressors and compressor oil should be recycled by a suitable company at its site.
Danfoss A/S
Climate Solutions danfoss.com +45 7488 2222
Any information, including, but not limited to information on selection of product, its application or use, product design, weight, dimensions, capacity or any other technical data in product manuals, catalogues descriptions, advertisements, etc. and whether made available in writing, orally, electronically, online or via download, shall be considered intormative, and is only binding if and to the extent, explicit reference is made in a quotation or order confirmation. Danfoss cannot accept any responsibility for possible errors in catalogues, brochures, videos and other materia. Danfoss reserves the right to alter its products without notice. This als0 applies to products ordered but not delivered prvided that such alterations can be made without changes to form, fit or function of the product. All trademarks in this material are property of Danfoss A/S or Danfoss group companies. Danfoss and the Danfoss logo are trademarks of Danfoss A/S. All rights reserved.
Danfoss |Climate Solutions | 2022.11



















