EX-RC1
REMOTE I/O ADAPTER
The EX-RC1 interfaces between Unitronics Vision OPLCs and remote I/O Expansion Modules distributed throughout your system.
The adapter is connected to a PLC via CANbus. Each adapter may be connected to up to 8 I/O Expansion Modules. The network may comprise up to 60 nodes, including both PLCs and adapters; note that the PLC must comprise a CANbus port. Communication is via Uni CAN, Unitronics’ proprietary CANbus protocol.
The EX-RC1 is run by a factory-installed application. The adapter can auto-detect digital I/O Expansion Modules. If the system includes analog modules, the application must be edited. For more information refer to the Remote I/O topics in the VisiLogic Help system.
The EX-RC1 may either be snap-mounted on a DIN rail, or screw-mounted onto a mounting plate.
Component identification | |
1 | Status indicators |
2 | PC to EX-RC1 connection port |
3 | Power supply connection points |
4 | EX-RC1 to expansion module connection port |
5 | CANbus port |
6 | DIP Switches |

- Before using this product, it is the responsibility of the user to read and understand this document and any accompanying documentation.
- All examples and diagrams shown herein are intended to aid understanding, and do not guarantee operation. Unitronics accepts no responsibility for actual use of this product based on these examples.◼
- Please dispose of this product in accordance with local and national standards and regulations.◼
- Only qualified service personnel should open this device or carry out repairs.
USER SAFETY AND EQUIPMENT PROTECTION GUIDELING
This document is intended to aid trained and competent personnel in the installation of this equipment as defined by the European directives for machinery, low voltage, and EMC. Only a technician or engineer trained in the local and national electrical standards should perform tasks associated with the device’s electrical wiring.
Symbols are used to highlight information relating to the user’s
personal safety and equipment protection throughout this document.
When these symbols appear, the associated information must be read
carefully and understood fully.
| Symbol | Meaning | Description |
![]() | Danger | The identified danger causes physical and property damage. |
![]() | Warning | The identified danger can cause physical and property damage. |
| Caution | Caution | Use caution. |

- Failure to comply with appropriate safety guidelines can result in severe personal injury or property damage. Always exercise proper caution when working with electrical equipment.

- Check the user program before running it.
- Do not attempt to use this device with parameters that exceed permissible levels.
- Install an external circuit breaker and take appropriate safety measures against short-circuiting in external wiring.
- To avoid damaging the system, do not connect / disconnect the device when the power is on.
ENVIRONMENTAL CONSIDERATIONS

- Do not install in areas with: excessive or conductive dust, corrosive or flammable gas, moisture or rain, excessive heat, regular impact shocks or excessive vibration.

- Leave a minimum of 10mm space for ventilation between the top and bottom edges of the device and the enclosure walls.
- Do not place in water or let water leak onto the unit.
- Do not allow debris to fall inside the unit during installation.
UL COMPLIANCE
The following section is relevant to Unitronics’ products that are listed with the UL.
The following models: IO-AI4-AO2, IO-AO6X, IO-ATC8, IO-DI16, IO-DI16-L, IO-DI8-RO4, IO-DI8-RO4-L, IO-DI8-TO8,
IO-DI8-TO8-L, IO-RO16, IO-RO16-L, IO-RO8, IO-RO8L, IO-TO16, EX-A2X are UL listed for Hazardous Locations.
The following models: EX-D16A3-RO8, EX-D16A3-RO8L, EX-D16A3-TO16, EX-D16A3-TO16L, IO-AI1X-AO3X, IOAI4-AO2, IO-AI4-AO2-B, IO-AI8, IO-AI8Y, IO-AO6X, IO-ATC8, IO-D16A3-RO16, IO-D16A3-RO16L, IO-D16A3-TO16,
IO-D16A3-TO16L, IO-DI16, IO-DI16-L, IO-DI8-RO4,
IO-DI8-RO4-L, IO-DI8-RO8, IO-DI8-RO8-L, IO-DI8-TO8, IO-DI8-TO8-L, IO-DI8ACH, IO-LC1, IO-LC3, IO-PT4, IOPT400, IO-PT4K, IO-RO16, IO-RO16-L, IO-RO8, IO-RO8L, IO-TO16, EX-A2X, EX-RC1 are UL listed for Ordinary
Location.
UL Ratings, Programmable Controllers for Use in Hazardous Locations,
Class I, Division 2, Groups A, B, C and D
These Release Notes relate to all Unitronics products that bear the UL symbols used to mark products that have been approved for use in hazardous locations, Class I, Division 2, Groups A, B, C and D.
Caution ◼
- This equipment is suitable for use in Class I, Division 2, Groups A, B, C and D, or Nonhazardous locations only.
- Input and output wiring must be in accordance with Class I, Division 2 wiring methods and in
accordance with the authority having jurisdiction. - WARNING—Explosion Hazard—substitution of components may impair suitability for Class I, Division 2.
- WARNING – EXPLOSION HAZARD – Do not connect or disconnect equipment unless power has been switched off or the area is known to be non-hazardous.
- WARNING – Exposure to some chemicals may degrade the sealing properties of material used in Relays.
- This equipment must be installed using wiring methods as required for Class I, Division 2 as per the NEC and/or CEC.
Relay Output Resistance Ratings
P The products listed below contain relay outputs:
Input / Output expansion modules, Models: IO-DI8-RO4, IO-DI8-RO4-L, IO-RO8, IO-RO8L
◼
- When these specific products are used in hazardous locations, they are rated at 3A res, when these specific products are used in non-hazardous environmental conditions, they are rated at 5A res, as given in the product’s specifications.
Certification UL des automates programmables, pour une utilisation en environnement à risques,
Class I, Division 2, Groups A, B, C et D.
Cette note fait référence à tous les produits Unitronics portant le symbole UL – produits qui ont été certifiés pour une utilisation dans des endroits dangereux, Classe I, Division 2, Groupes A, B, C et D.
Attention ◼
- Cet équipement est adapté pour une utilisation en Classe I, Division 2, Groupes A, B, C et D, ou dans Non-dangereux endroits seulement.
- Le câblage des entrées/sorties doit être en accord avec les méthodes de câblage selon la Classe I, Division 2 et en accord avec l’autorité compétente.
- AVERTISSEMENT: Risque d’Explosion – Le remplacement de certains composants rend
caduque la certification du produit selon la Classe I, Division 2. - AVERTISSEMENT – DANGER D’EXPLOSION – Ne connecter pas ou ne débranche pas l’équipement sans avoir préalablement coupé l’alimentation électrique ou la zone est reconnue pour être non dangereuse.
- AVERTISSEMENT – L’exposition à certains produits chimiques peut dégrader les propriétés des matériaux utilisés pour l’étanchéité dans les relais.
- Cet équipement doit être installé utilisant des méthodes de câblage suivant la norme Class I, Division 2 NEC et /ou CEC.
Certification de la résistance des sorties relais
Les produits énumérés ci-dessous contiennent des sorties relais:
- ◼Modules d’Extensions d’E/S, modèles: IO-DI8-RO4, IO-DI8-RO4-L, IO-RO8, IO-RO8L.
- Lorsque ces produits spécifiques sont utilisés dans des endroits dangereux, ils supportent un courant de 3A charge résistive, lorsque ces produits spécifiques sont utilisés dans un environnement non dangereux, ils sont évalués à 5A res, comme indiqué dans les specifications du produit Plages de températures.
MOUNTING THE MODULE
DIN-rail mounting
Snap the device onto the DIN rail as shown below; the module will be squarely situated on the DIN rail.

Screw-Mounting
The figure below is not drawn to scale. It may be used as a guide for screw-mounting the module. Mounting screw type: either M3 or NC6-32

SETTING THE UNIT ID NUMBER
The ID number range is from 1 to 60.
The DIP switch settings represent the ID number as a binary value as shown in the following figures.
Unit ID | 1 (Default) |
Settings | ![]() |
2 | |
![]() | |
59 | |
![]() | |
60 | |
![]() |
CONNECTING EXPANSION MODULES
An adapter provides the interface between the OPLC and an expansion module. To connect the I/O module to the adapter or to another module:
1. Push the module-to-module connector into the port located on the right side of the device.
Note that there is a protective cap provided with the adapter. This cap covers the port of the final I/O module in the system.

- To avoid damaging the system, do not connect or disconnect the device when the power is on.
Component identification | |
1 | Module-to-module connector |
2 | Protective cap |

WIRING

- Do not touch live wires.

- Unused pins should not be connected. Ignoring this directive may damage the device.
- Double-check all wiring before turning on the power supply.
- Do not connect the ‘Neutral or ‘Line’ signal of the 110/220VAC to the device’s 0V pin.
- In the event of voltage fluctuations or non-conformity to voltage power supply specifications, connect the device to a regulated power supply.
- Double-check all the wiring before turning on the power supply.
Wiring Procedures
Use crimp terminals for wiring; use 26-14 AWG wire (0.13 mm 2–3.31 mm2 ) for all wiring purposes.
- Strip the wire to a length of 7±0.5mm (0.250–0.2.08 inches).
- Unscrew the terminal to its widest position before inserting a wire.
- Insert the wire completely into the terminal to ensure that a proper connection can be made.
- Tighten enough to keep the wire from pulling free.
◼
- To avoid damaging the wire, do not exceed a maximum torque of 0.5 N·m (5 kgf·cm).
- Do not use tin, solder, or any other substance on stripped wire that might cause the wire strand to break.
- Install at maximum distance from high-voltage cables and power equipment.
Wiring Power Supply
Connect the “positive” cable to the “+V” terminal, and the “negative” to the “0V” terminal.
Earthing the Power Supply
To maximize system performance, avoid electromagnetic interference by:
- Mounting the module on a metal panel.
- Earthing the module’s power supply: connect one end of a 14 AWG wire to the chassis signal; connect the other end to the panel.
Note: If possible, the wire used to earth the power supply should not exceed 10 cm in length. However, it is
recommended to earth the module in all cases.

COMMUNICATION
Connecting the EX-RC1 to a PC
Connect the PC to the adapter via the programming cable. The pinout below shows the RS232 port signals.
Pin # | Description |
| 1 | — |
| 2 | 0V reference |
| 3 | TXD signal |
| 4 | RXD signal |
| 5 | 0V reference |
| 6 | — |

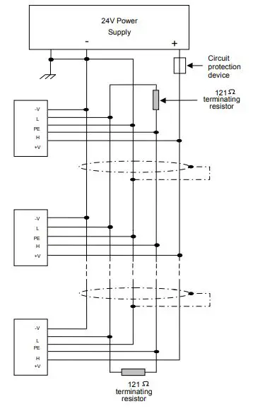
Connecting the EX-RC1 to the CANbus network
Connect the EX-RC1 adapter to an OPLC as shown below. The module communicates via Unitronics’ proprietary UniCAN protocol. UniCAN can comprise up to 60 nodes, including PLCs and EX-RC1
remote I/O adapters.
The CANbus port is galvanically isolated.
CANbus Wiring
Network terminators: Place terminators at each end of the CANbus network. Resistance must be set to 1%, 121Ω, 1/4W
Connect ground signal to the earth at only one point, near the power supply. The network power supply need not be at the end of the network.
CANbus Connector


Network Layout
The EX-RC1 enables you to remotely locate I/Os up to 1 kilometer from a PLC. You can include both PLCs and adapters on the UniCAN network, up to a total of 60 nodes.

EX-RC1 TECHNICAL SPECIFICATIONS
I/O module capacity Up to 8 I/O modules can be connected to a single adapter. The number of I/Os may vary according to module.
Power supply 12VDC or 24VDC
Permissible range 10.2 to 28.8VDC
Quiescent current 90mA@12VDC; 50mA@24VDC
Max. current consumption 650mA @ 12VDC; 350mA @ 24VDC
Current supply for
I/O modules 800mA maximum from 5V. See Note 1
Status indicators
(PWR) Green LED— Lit when power is supplied.
(I/O COMM.) Green LED— Lit when communication is established between the adapter to the other units.
Blinks 0.5sec ON 0.5sec OFF when adapter is in Stop mode.
(Bus COMM.) Green LED— Lit when communication is established between the adapter and the OPLC.
Notes
- Example: 2 IO-DI8-TO8 units consume a maximum of 140mA of the 5VDC supplied by the adapter
Communication
RS232 port 1
Galvanic isolation No
Voltage limits 20V
Cable length Up to 15m (50‘)
CANbus port 1
Nodes 60
Power requirements 24VDC (±4%), 40mA max. per unit
Galvanic isolation Yes, between CANbus and adapter
Cable type Twisted-pair; DeviceNet® thick shielded twisted pair cable is recommended.
Cable length/baud rate 25 m 1 Mbit/s
100 m 500 Kbit/s
250 m 250 Kbit/s
500 m 125 Kbit/s
500 m 100 Kbit/s
1000 m* 50 Kbit/s
* If you require cable lengths over 500 meters, contact technical support.
1000 m* 20 Kbit/s Environmental IP20/NEMA1
Operating temperature 0 to 50 C (32 to 122 F)
Storage temperature -20 to 60 C (-4 to 140 F)
Relative Humidity (RH) 5% to 95% (non-condensing)
Dimensions (WxHxD) 80mm x 93mm x 60mm (3.15” x 3.66” x 2.36”)
Weight 135g (4.76 oz.)
Mounting Either onto a 35mm DIN-rail or screw-mounted.
| The information in this document reflects products at the date of printing. Unitronics reserves the right, subject to all applicable laws, at any time, at its sole discretion, and without notice, to discontinue or change the features, designs, materials and other specifications of its products, and to either permanently or temporarily withdraw any of the forgoing from the market. All information in this document is provided “as is” without warranty of any kind, either expressed or implied, including but not limited to any implied warranties of merchantability, fitness for a particular purpose, or non-infringement. Unitronics assumes no responsibility for errors or omissions in the information presented in this document. In no event shall Unitronics be liable for any special, incidental, indirect or consequential damages of any kind, or any damages whatsoever arising out of or in connection with the use or performance of this information. The tradenames, trademarks, logos and service marks presented in this document, including their design, are the property of Unitronics (1989) (R”G) Ltd. or other third parties and you are not permitted to use them without the prior written consent of Unitronics or such third party as may own them. |




















