interlogix 1500 Series Fire Alarm Control Panel Instruction Manual

Precautions and Warnings
The equipment described in this manual is Listed by Underwriters Laboratories, Inc. for use in fire alarm signaling systems, only when installed in accordance with this manual and National Fire Protection Association’s National Fire Alarm Code (NFPA 72); the National Electrical Code (NFPA 70); the Life Safety Code (NFPA 101); and the local authority having jurisdiction (AHJ). The installer must be familiar with and understand all applicable codes before beginning installation.
To ensure proper operation of this equipment:
- Do not deviate from any installation instructions contained in this manual.
- Do not assume any installation details not shown in this manual.
- Do not alter any mechanical or electrical features of the equipment supplied.
- Be familiar with the building code, fire prevention code, and/or other authority having jurisdiction (AHJ) in the locale of the installation.
It is the responsibility of the installer to ensure that the wiring and devices installed in the system meet current national electrical code, NFPA standards, and state and local building code requirements.
Warning
Under abnormal conditions, AC line voltages may be present on any terminal. Touching any component could be hazardous and result in loss of life. A short circuit can result in arcing that could cause molten metal injuries to testing personnel.
To minimize this possibility, only qualified technicians familiar with electrical hazards should perform these procedures. Safety glasses should be worn by such personnel, and instruments used for voltage measurement should be designed for the purpose and should be in good mechanical and working order.
If any application or installation information is not understood, or is not covered in this manual, please contact:
Technical Services: 800.648.7424
Sales: 800.547.2556
System Overview
The ESL 1500 Series Control Panels are designed to provide reliable and economical fire alarm control solutions for commercial, industrial, residential, and institutional applications. The 1500 Series consists of three base models, equipped with one (Model 1501), three (1503), or five (1505) zones. The unique modular design makes it easy and practical to add features such as extra relays, remote annunciators or added fire zones (up to 5).
All models come equipped with a Basic Master Board (BMB), which provides all common system functions for alarm, fault, and supervisory monitoring, together with one initiating and two indicating circuits. Models 1503 and 1505 also include Zone Expander Modules (ZEM), expanding the systems capability from three zones up to a maximum of five zones.
One housing is common to all three system configurations. The cabinet holds all standard and optional modules as well as necessary standby batteries for either 24 or 60 hour protection.
Combine the versatile 1500 Series with the complete line of compatible ESL smoke detectors, pull stations, and indicating devices for a reliable fire control system. See Appendix A for a list of UL Listed compatible devices.
Panel Listings
All 1500 Series systems function in accordance with the National Fire Alarm Code (NFPA 72) for the following types of systems:
Control Station Signaling Systems
Local
Auxiliary
Types of Signaling Service
Automatic Fire Alarm
Manual Fire Alarm
Waterflow Alarm
Supervisory Fire Alarm (NFPA 72 local only)
Elevator Recall
The 1500 Series is currently listed by these organizations:
UL 864
California State Fire Marshall #7165-0447-121
MEA (New York City) #472-86-SA
Panel Description
Standard Features:
- Modular design; 1, 3, or 5 zones
- Power limited
- 1.5 Amp. 24 VDC FWR output
- All functions DIP switch activated
- Built-in walktest and alarm verification
- Sprinkler supervisory and waterflow alarm activation
- Class A (Style D) or Class B (Style B) initiating wiring
- Reliability of surface mount design
- Superior lightning protection
Optional Features:
- Local Energy Module (LEM)
- Zone Relay Module (ZRM) 5 relays
- Remote Annunciators (RA)
Table 1. Ordering Information

Installing the Panel
To install the unit, follow these 12 steps, and refer to the proper sections for more information.
- Create System Diagram: Prepare a carefully laid out drawing of the complete wiring system hookup. Maintain this drawing as a permanent record of the system application and include any future modifications.
Note
“As-built” drawings and this manual should be available at all times to verify agreement between the connected equipment and the drawings. - Inspect Equipment: Carefully unpack the system components and inspect for shipping damage. Report any shipping damage to place of purchase.
- Mount Cabinet: Mount the cabinet in a clean, dry, vibration free area, where the temperature range does not exceed 0° to 49° C (32° to 120° F). Mount only in interior locations. Allow adequate space for 180 degree door swing and free access to sides for conduit entry. Locate the top of the cabinet approximately six feet (1.8m) above the floor, with the hinge mounting on the left. Mounting holes in the back of the cabinet are designed so the cabinet can be mounted without removing any control equipment. Mount the cabinet to the wall by first installing the top center mounting screw, leaving enough space so the cabinet can be hooked over the screw head. Use screws or bolts no smaller than #10 or 3/16 inches in diameter. For easier access, remove the door by gently lifting it from the hinges.
- Connect Conduit: Complete all connections to the cabinet with conduit fittings or bushings. Use the knockouts provided in the sides of the cabinet.
- Pull Wire: Pull all system wiring through installed conduit following the guidelines of Article 760 of the National Electrical Code (NFPA 70) and/or local codes for fire alarm systems. Observe power limiting codes when running wire. See Installation Recommendations/Precautions for more information.
- Program Components: Before wiring, examine installation of all modules, chassis and sub-assemblies to ensure proper mechanical and electrical connections and programming switches have been selected. See Programming for options.
- Connect AC: Connect line voltage to transformer leads located under the BMB. Transformer wires are long enough so you do not need to remove the circuit board.
- Connect Batteries: Determine the total system power requirements by using the Standby Battery Power Worksheet in Appendix B.
- System Check: Make certain the 1500 panel is operating properly before connecting field wiring by performing a system check. ESL makes this easy by factory installing endof-line resistors to the proper Class B zone terminals. To test the panel, make sure all switches are in their normal position and power the system by connecting AC and then the batteries. (Note: if new batteries with low terminal voltage are used, the Low/No Battery LED may activate. The Low Battery indicator will deactivate after the batteries are fully charged – no longer than 48 hours.) No fault indications should be present. If faults are present, see Table 6. Troubleshooting Guide. System check is now complete.
- Check Field Wiring: Check the integrity of all field wiring following directions defined in the Field Wiring Checkout Procedures. This check must be performed before connecting wiring to the system. Be certain all external wiring is correct (no opens, shorts, or grounds) and is terminated with the correct end-of-line devices.
- Connect Field Wiring: Connect each circuit in turn, following wiring diagrams provided. Do not make all connections at once. This procedure will let you bring your system on-line in stages and quickly identify which portion of your system is not working.
Note
NFPA 72, Chapter 7 – Inspection, Testing, and Maintenance should serve as the guideline for all system tests. - Test System: Apply power and perform operational tests as outlined under Testing and System Checkout.
Caution
Read and understand all instructions before beginning installation. System reliability depends upon proper installation, testing, and maintenance. Review all national and local codes before attempting installation. Refer to National Fire Alarm Code (NFPA 72) for proper location, mounting, etc. of smoke detectors, heat detectors, and other alarm initiating devices. Call Technical Support at 800.648.7424 if you have installation questions.

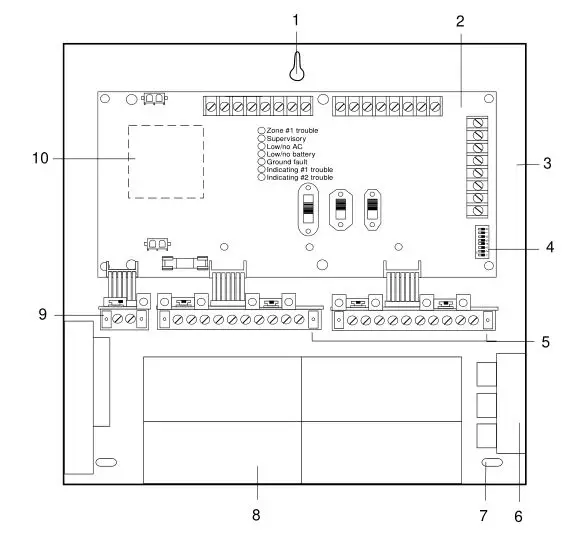
- Mounting hole
- Basic Master Board (BMB)
- Housing backbox
- Programming switches
- Zone Expander Modules (ZEM)
- Mounting location for Zone Relay Module 1500-ZRM-5
- Mounting hole (TYP)
- Battery area
- Local Energy Master Box Trip Module 1500-LEM
- 1500-TR Transformer
Figure 1. Internal Panel Confirguration ON 12 345 67 8
Optional Zone Expansion and Communicator Module Installation

Figure 2. ZEM or LEM Installation

Figure 3. Window Label Installation
Panel Controls
Control Switches
System Reset
Resets control unit, provided the alarm condition has been cleared. Also interrupts power to the alarm initiating circuits of all zones and to the auxiliary power output. The integral sounder will activate when the System Reset switch is activated.
Sounder Silence
Activating the switch during a trouble condition will silence the integral sounder. When all system faults are cleared, a “ringback” feature will resound the integral sounder to indicate that the switch is in the silence position. Fault LEDs will remain active until all faults have been corrected.
Zone Disconnect/Walktest
A three position switch provides for normal, test, and disabl functions for each zone. Under standard conditions, no LEDs will light when the switch is in the “normal” position.
Note
For maintenance use only! Notify your local fire department and receiving station before operating switch.
Zone Disconnect disables the alarm indicating devices so that service may be performed without sounding an alarm. When a zone is disabled, zone and system trouble LEDs will light and the integral trouble sounder will activate. An alarm received from any zone that has not been disabled will activate the indicating devices as normal. The zone disconnect switch is defeated when a zone has been programmed for waterflow service. See BMB Programming.
Walktest makes it possible for one service person to functionally test initiating devices without having to constantly return to reset the control panel. When activiated, the walktest feature sounds the indicating devices for approximately two seconds and then resets the system. Only an alarm from the zone with the walktest activated will reset the system; all other zones will function normally. To silence the indicating devices during the walktest mode, see BMB Programming
Optional Remote Notification Disconnect
Applies to LEM optional module. Disconnects system from remote sites. When activated, the trip circuit fault LED and system fault condition will exist and remain until the switch is returned to the normal position.
Note
Notify the local fire department and the receiving station before disconnecting the LEM from the system.
Table 2. Status Indicators

Normal Condition
Under normal operating conditions only the green “AC POWER” LED should be on (no alarm or faults). All control switches must be in their normal, standby position.
Alarm Condition
An alarm can be initiated by means of a smoke detector, heat detector, manual alarm station, waterflow alarm device, or other UL Listed initiating device. The red zone alarm LED will light and the integral sounder will provide a continuous, steady audible signal. Both alarm indicating circuits will activate and sound a general alarm. A set of dry, Form C supplementary common alarm contacts will transfer and remain latched until the system RESET switch is operated. When used, the supervised zone alarm output will energize. If provided, the remote communicator circuit will activate to summon organized assistance.
Alarm Verification
When activated, alarm verification is very effective in reducing nuisance alarms. Nuisance alarms are reduced by requiring 2 separate alarm signals to activate the system alarm, thereby verifying the initial alarm.
When the first alarm is received from an initiating device, the verification feature inhibits an alarm output for approximately 12 seconds. After this period, power is reapplied to the initiating circuits. If a second alarm signal is received within 2 minutes, a system alarm is generated; if not, the system resets and no alarm is generated. An alarm from a manual station or heat detector, however, is never delayed more than 15 seconds. To activate alarm verification, see BMB Programming.
Note
When using alarm verification, total alarm delay (alarm verification + smoke detector power-up time) cannot exceed 60 seconds according to the National Fire Alarm Code (NFPA 72) or 30 seconds for installations governed by the California State Fire Marshall. Alarm delay includes verification time (12 seconds) and smoke detector power-up time. Smoke detector power-up time varies by manufacturer, however, ESL’s 429, 449, 521, 541, and 700 Series detectors meet both CSFM and NFPA requirements (ESL detector power-up time is 15 seconds).
During alarm verification, the Zone LED, Remote Annunciator and the Zone Relay Module (ZRM) may activate briefly (approximately 12 seconds) during the initial alarm signal.
Zone Disconnect
Note
For maintenance use only! Notify local fire department and receiving station before operating the switch if the control panel is monitored, as a “trouble” signal will be transmitted.
When activated prior to an alarm condition, this switch disconnects the local zone alarm from the auxiliary alarm relay and alarm indicating circuits. When activated, the red local alarm zone LED turns on and, if used, the supervised remote annuncitator LED lights. Only the disconnected zone is affected; alarm signals from other zones remain active.
When activated after an alarm condition, the auxiliary alarm relay remains latched and alarm indicating circuits are turned off. The red local alarm zone LED remains on and, if used, the supervised remote annunciator remains on. Only the disconnected zone is affected; alarm signals from other zones remain active. Additionally, if an initiating device is still in alarm when a zone disconnect switch is returned to normal, the alarm will again be transmitted to both the alarm indicating circuits and the integral sounder.

Figure 4. Template Diagram
System Reset
System reset can only be accomplished when all actuated alarm devices have been restored to their normal, standby condition.
Note
Operating the system reset switch will return all alarm initiating circuits and system-powered inititating devices to their normal standby condition. Mechanical initiating devices such as most fixed termperature heat detectors and manual stations must be replaced or manually reset or the system will alarm again when the reset switch is released.
Trouble Condition
Activation of the fault signal under normal operation indicates a condition that requires immediate correction. A fault signal involves illumination of the system trouble LED (yellow) and individual diagnostic LED’s (yellow) generally associated with the specific circuit affected. The integral sounder will sound a slow intermittent signal and a set of dry, Form C contacts will transfer. Moving the SOUNDER SILENCE switch to the silence position will silence the audible trouble signal, but will not restore the Form C contacts. Restoration to normal can only be achieved when all faults have been corrected and all switches have been returned to normal position. Trouble reset occurs automatically when this is accomplished. If the SOUNDER SILENCE switch is off-normal at the time all faults are clear, the “ringback” feature will alert the operator.
Supervisory Functions
Zone 2 of the control panel can be programmed for supervisory service. A common supervisory application would include sprinkler water valve tamper switch monitoring. During a supervisory alarm, the integral sounder activates a rapidly pulsing tone and the zone 2 red local alarm LED lights. In addition, the supervisory LED on the BMB will activate. During supervisory trouble, the integral sounder activates a rapidly pulsing tone, zone 2 yellow local trouble LED lights and the system trouble relay contacts transfer.
Remote Test (Drill)
A remote test (drill) function is provided for testing the 1500 System. Closing a listed normally-open switch connected to terminals “SYS GND” and FIRE DRILL” (see Figure 5) will result in actuating both the alarm indicating circuits and the integral sounder. The common alarm relay will not operate, nor will an optional remote notification circuit. Any alarm signaling devices connected to the indicating circuits will be activated. During the test/drill, the indicating supervisory circuit will be tested as well, resulting in the illumination of the indicating circuit fault LED’sand the system trouble LED. The integral sounder will sound a slow intermittent signal.
Field Wiring
Class A System Wiring Diagram

Figure 5. Class A System Wiring Diagram
Class B System Wiring Diagram

Figure 6. Class B System Wiring Diagram
Installation Recommendations/ Precautions
Note
The 1500 System is capable of power limited operation per NEC Article 760, Section C. All circuits are power limited except: CASE GND, TRB COM, TRB NO, ALM COM, ALM NC, and LEM terminals. Non-power limited circuits must be separated from power limited circuits by a minimum of 1/4 inches (0.6cm). See Figure 7 for one method of routing power limited wiring.

- Case ground
- Power limited Zone 1 and Remote Annunciator
- Non-power limited trouble and alarm contacts
- Power limited bell circuits
- Power limited Zone 2 through 5 and Remote Annunciator
- Housing backbox
- Battery area
- Non-power limited LEM
- Non-power limited 28 VAC
Figure 7. Power Limited Routing
Caution
Do not route LEM field wires in close proximity of high voltage wiring. LEM filed wiring must not exceed 3280 feet (1000m).
Verify wire sizes are adequate for all indicating and initiating circuits. The maximum allowable initiating zone resistance is 100 Ohms. (Exception: When ESL 2-wire smoke detectors with integral sounders are used, maximum initating zone resistance is 50 Ohms. See Table 3.)
Table 3. Wire Resistance

Many audible/visual signaling appliances cannot tolerate more than a 20 percent voltage drop from the specified device voltages. See Table 4 to determine maximum distance for wire gauge used.
Table 4. Alarm Indicating Circuit Wire Size

(Maximum voltage drop allowable: 2 VDC)
Incoming AC voltage should be stable at a nominal 120 volts. This is especially important in new construction where incoming power may be high or unstable with temporary connections often causing large, inductive voltage spikes.
Ground the system properly. The AC imput, power supply/battery charger should use an isolated ground, not a conduit ground. Do not connect this system to a conduit or green wire circuit that also is used to power resistance heating, motors, fans, air conditioning equipment, or florescent lighting circuits since leakage currents into the ground return could damage system components. A separate earth ground or cold water pipe with properly bypassed water meter should be used. Provide a separate earth ground, if water mains are non-conductive.
Run signal wires separately. Most supervised circuits use voltage or current sensing circuits which are very sensitive to induced voltages on the sensor wiring. Therefore, under no circumstances run AC power, speaker, public address, intercom, or switch control wiring with inductive loads in the same conduit or in the immediate vicinity of the control wiring.
Do not overlook adequate lightning protection. Lightning damage commonly occurs from three sources:
- Through alarm loop wiring
- Through AC power inputs
- Through earth ground or power ground connections
The 1500 System has substantial lightning protection incorporated in all three areas. However, proper lightning protection for AC power must be accomplished where the wire enters the building. Arrestor circuitry and earth grounding should be in accordance with Article 250 of the National Electrical Code.
There is no known protective device available which is capable of protecting equipment from damage caused by “direct hit” strikes of lightning due to the extremely high energy released (10 million to 100 million volts @ 10,000 to 30,000 amps). However, line surges from indirect strikes can be minimized.
Additional protection is suggested in areas subject to aboveaverage lightning activity or induced voltage spikes and fluctuations due to power line load switching.
Field Wiring Checkout Procedures
Note
Make sure that AC and battery power are disconnected before proceeding.
- Test all field wiring before connecting any equipment.
A. Insure no unwanted voltages are present on circuit conductors and ground. They are a hazard and may prevent proper system operation.
B. All wiring except those intentionally and permanently grounded must be tested for isolation from ground using an insulation testing device such as a “Megger”.
Note
Caution must be exercised when using voltage generating test instruments such as a “Megger”. Damage to equipment could result if the equipment is connected (wired) during wiring tests.
C. All wiring, other than those intentionally connected together, must be tested for conductor-to-conductor isolation using an insulation testing device. - With each circuit pair short-circuited at the end of the circuit, measure circuit resistance with an ohmeter. Record the circuit resistance of each circuit and store this data with the control panel. Loop resistance must be less than 100 ohms on initiating zones.
- Perform testing as described previously after any addition, deletion, or mechanical or electrical damage to the system has occurred.
- A periodic test should be performed in accordance with the schedules recommended in NFPA 72, Chapter 7, or more frequently, if required by the authority having jurisdiction. Whenever possible a 100 percent test should be performed. When less than a 100 percent test is performed, a record must be maintained of the devices tested each time, so different devices are tested in subsequent tests.
Alarm Initiating Devices
This section describes how to field wire initiating devices such as smoke detectors, pull stations, and heat detectors. Refer to Figure 5 for Class A (Style D) and Figure 6 for Class B (Style B) wiring.
Two-Wire Smoke Detectors, Heat Detectors, and Manual Pull Stations
- Connect only two-wire smoke detectors UL Listed as compatible to the 1500 Series Fire Control Panel. Refer to the list of compatible detectors in Appendix A.
- Two-wire detectors receive their power direct from the zone terminals and transmit the alarm signal via the same wires. Be certain to observe polarity when installing detectors.
- All initiating devices must be wired sequentially for proper supervision with the end-of-line resistor (2.7K Ohm 1/2 W) installed after the last device. ESL has detectors available with EOL built in.
Four-Wire Smoke Detectors
- Four-wire detector power is shared with indicating circuits; do not exceed total power requirements of 1.5 Amps.
- Always supervise four-wire detector power with an end-ofline power supervisory device (ESL model 204-12/24V) after the last unit.
See Figure 5 for Class A (Style D) wiring and Figure 6 for Class B (Style B) connection to the panel.
Sprinkler System Waterflow and Supervisory Devices
Normally open contact type waterflow alarm devices may be connected, along with conventional manual alarm stations or heat detectors. All zones to which waterflow alarm devices are connected may be programmed such that the system alarm indicating devices cannot be silenced. See Programming.
Supervisory signals for status reporting of waterflow control valves, supplies, etc. must be connected to a separate zone, and programmed for supervisory status. Only Zone 2 can be programmed for this feature. See Programming
Alarm Indicating Devices
Use only polarized UL Listed signaling devices rated for 24 VDC, see list of devices in Appendix A. See Figure 5 for Class A (Style Z) wiring and Figure 6 for Class B (Style Y) connection to the panel.
Note
Maximum indicating current per circuit is 1 Amp; however, total operating current cannot exceed 1.5 Amps. Choose the correct wire size for maximum voltage drop of 2 VDC at the furthest device on the circuit (see Table 3). Supplementary Alarm and Trouble Contacts are for power limited applications only
Connecting Supplementary Contacts
Note
Supplementary Alarm and Trouble Contacts are for power limited applications only (see Installation Recommendations/ Precautions). When supplementary contacts are connected to a power limited circuit, these outputs meet power limited code and do not require separation.
Supplementary Alarm Contacts
Dry, Form C contacts are provided for controlling supplementary alarm functions from the BMB. Contacts are rated 2A @ 30 VDC resistive. Terminals are ALM COM, ALM NC, and ALM NO. Contacts transfer in alarm.
Supplementary Trouble Contacts
Dry, Form C contacts are provided for controlling supplementary fault functions from the BMB. Contacts are rated 2A @ 30 VDC resistive. Terminals are TRB COM, TRB NC, and TRB NO. The trouble relay is normally energized and will activate even if both AC and battery power are removed.
Optional Zone Relay Module (ZRM)
Additional relays may be added using the optional ZRM-5. Make electrical connections using Figure 8. After connections are made, use directions in Installing Optional ZRM and Snap Track to finish the installation.

Figure 8. Zone Relay Module (ZRM) Wiring Diagram
Installing Optional ZRM and Snap Track
- Remove the protective tape from the adhesive mounting strip on the snap track supplied with the unit.
- Mount the snap track on the lower, right side of the cabinet. See Figure 9.
- Using the slots in the snap track as a template, drill two holes through the cabinet side wall, one near each end of the snap track, using a #13, #14, #15, or 3/16” diameter drill and deburr.
- Install the supplied push rivets from the outside of the cabinet through both the cabinet side wall and the snap track, driving the push pins flush with the rivet head. In semi-flush mounting installations, install the push rivets from the inside of the cabinet.
- Complete electrical connections between the ZRM and the BMB before mounting it to the snap track. Then snap the connected DAC and/or ZRM into the snap track with the terminals toward the front of the cabinet.
- Dress wire leads to comply with the requirements of the National Electrical Code, Article 760, Section C.

- Mounting Hole
- Basic Master Board (BMB)
- Housing backbox
- Programming switches
- Zone Expander Modules (ZEM)
- Mounting location for Zone Relay Module 1500-ZRM-5
- Mounting Hole (TYP)
- Battery area
- Local Energy Master Box Trip Module 1500-LEM
- 1500-TR Transformer
Figure 9. Zone Relay Module (ZRM) Placement

Figure 10. Terminal Connections
Connecting Optional Remote Notification Devices
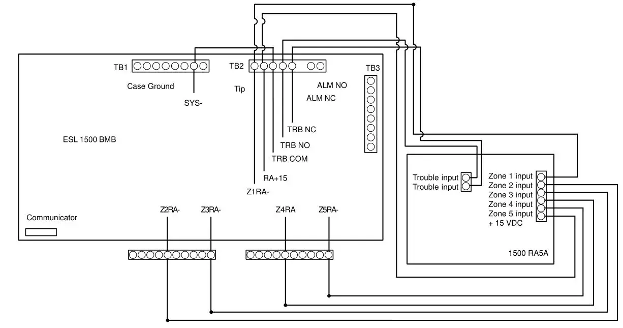
1500-RA-5A
Note
When using remote annunciators other than the ESL 1500-RA-5A, be sure all circuits have a series resistance of at least 1K ohm. Maximum current should be 15mA per zone.
The control unit can properly power one remote annunciator. When a remote annunciator is used, both the BMB and ZEM must be programmed to provide supervision. See Programming. The remote annunciator circuit is supervised as long as no other devices are connected to the same terminals; otherwise, the devices will not be supervised. See Figure 10 for the wiring diagram.
1500-LEM
The Local Energy Module (LEM) trip circuit is designed to interface to a Listed Master Box with a local energy trip mechanism. This optional module provides a supervised trip circuit from the 1500 system that activates the Master Box upon a system alarm. Make connections as detailed in Figure 11.
For systems which include remote annunciation 1500-RA-5A, use Figure 10. Remove all power from the system before beginning procedure.

Figure 11. Local Energy Module (LEM) Wiring Diagram
Programming
BMB Programming
All programming selections are controlled by switches located in the lower right corner of the BMB. Table 5 shows default (factory) prgramming along with a description of each feature.
Table 5. BMB Programming Features

* Do not program zone for waterflow in conjunction with walktest because the communicator or optional LEM module may transmit an alarm condition. In addition, the system alarm relay will be activated.

Figure 12. BMB Default Settings
ZEM Programming
Table 6. ZEM Programming Features

* Do not program zones for waterflow in conjunction with walktest because the communicator or optional LEM module may transmit an alarm condition. In addition, the system alarm relay will be activated.

Figure 13. ZEM Default Settings

Figure 14. ZEM Programming Switches Location
Testing and System Checkout
Following installation and programming of the unit, a complete test of the entire system must be conducted to assure proper operation. NFPA 72, National Fire Alarm Code should serve as the guide. Follow the recommended procedures, restoring all switches and wiring to normal before proceeding to the next step.
Notify all building personnel and the fire department and monitoring facilities before and after system testing.
After testing all systems and restoring the panel to its normal operating condition, remove, and mount the 1500 Series Operating Instructions, Appendix C, in a visible position near the control unit. In a household fire warning system, test weekly. Disconnect the AC power source during testing. If after testing low battery conditions exists, replace the batteries.
Maintenance
Batteries
The 1500 Series control unit uses two sealed lead-acid batteries as the secondary power source. The batteries must be replaced if the Low Battery LED remains on for more than 48 hours (meaning one or more of the battery cells are dead or the batteries will not hold a charge). If the batteries are dead, replace with batteries of the same size and electrical rating, with a maximum size of 12V, 12 Amp hours and dimensions of 4” x 4” x 6” (10cm x 10cm x 15cm).
Note
When replacing batteries, always replace both batteries, even if only one appears dead. The typical battery life is 3 to 5 years, depending on usage. See the manufacturer’s specifications for the particular battery used.
The battery charging ciruit drops out if the charge falls below 15 VDC at batteries.
Fuses
The fuse located in the lower left corner of the BMB is provided for overcurrent protection. The fuse can be tested with an ohmeter or visually inspected. If the fuse is blown, replace with a type 3AG, 1 1/4” (3cm) x 1/4” (0.6cm), 6 Amp Fast Blow fuse.
Troubleshooting
Table 6 provides a quick reference troubleshooting guide for the system. This guide will aide in diagnosing and locating most system faults quickly and efficiently. If you cannot resolve the fault with the assistance of this guide, call Technical Services at 800.648.7424.
Table 6. Troubleshooting Guide

Specifications
General
Operating temperature………………………. 0° to 49°C (32° to 120°F)
Housing
Type………………………….Steel with hinged/removable, locking door
Size…………………………………………………14.0 in. x 14.0 in. x 4.5 in.
……………………………………………………(35.6cm x 35.6cm x 11.4cm)
Finish……………………………………………..Red, sand textured, enamel
Weight………………………………………………. 15 lbs. max. w/o battery
1500-BMB- Basic Master Board
Power
Input power…………………………………………120 VAC, 60Hz, 56 V A
Standby power………………………………………………………….. 24 VDC
Auxiliary power output……………………… 24 VDC FWR, 1.0 A max
………………………………………………………(32.1 VDC max. – no load)
Note
Auxiliary power output supply is shared with power for indicating circuit. Consider total requirements.
(I aux + I IND#1 + I IND#2 = 1.5 A)
Optional standby battery……………………………………………… 24 Volt
Battery charger rate……………………………………………. 700 mA max.
Battery charge voltage…………………………………………….. 29 V max.
Alarm initiating circuits
Number of circuits………………………………………. One – model 1501
………………………………………………………………. Three – model 1503
………………………………………………………………… Five – model 1505
Type………………………………… Class A or B, Latched (Style B or D)
End-of-line……………………………………………. 2.7 K Ohms, 1/2 Watt
Loop powered device current……………………………………….. 2.0 mA
Alarm current……………………………………………………………… 15 mA
Maximum current……………………………………………………….. 60 mA
Maximum voltage……………………………………………………… 17 Volts
Normal circuit voltage…………………………………………….. 14.7 Volts
Minimum voltage…………………………………………………… 13.5 Volts
Maximum ripple voltage………………………………. 500 Millivolts AC
Maximum line resistance ….. 100 Ohms (Compatibility Ident. C01)
………………………………………50 Ohms (Compatibility, Ident. C01A)
Alarm indicating circuits
Number of circuits …………………… Two Class A or B (Style Y or Z)
Maximum current per circuit…………………………………….. 1.0 Amps
Maximum total current ……………………………………………. 1.5 Amps
Output voltage ……………………………………………….. 24 VDC, FWR
End-of-line …………………………………………… 2.7 K Ohms, 1/2 Watt
Supplementary alarm/trouble contacts
System trouble ……………………………….. 2.0 A @ 30 VDC resistive
System alarm …………………………………. 2.0 A @ 30 VDC resistive
Sounder output
Alarm…………………………………………………………….Constant output
Fault ………………………………………………. -0.25 sec. on; 2.5 sec. off
Supervisory ……………………………………. -0.25 sec. on; 0.25 sec. off
Remote indicator
Voltage …………………………………………………………………… 12 VDC
Current ……………………………………………………………… 15 mA max.
1500-ZEM – Zone Expander Module
Initiating circuits
Number of circuits …………………………………………………………. Two
Type ………………………………… Class A or B, latched (Style B or D)
End-of-line……………………………………………. 2.7 K Ohms, 1/2 Watt
Loop powered device current……………………………………….. 2.0 mA
Alarm current …………………………………………………………….. 15 mA
Maximum current ………………………………………………………. 60 mA
Maximum voltage …………………………………………………….. 17 Volts
Normal circuit voltage ……………………………………………. 14.7 Volts
Minimum voltage ………………………………………………….. 13.5 Volts
Maximum ripple voltage ……………………………… 500 Millivolts AC
Maximum line resistance ….. 100 Ohms (Compatibility Ident. C01)
………………………………………50 Ohms (Compatibility Ident. C01A)
Remote Indicator
Voltage …………………………………………………………………… 12 VDC
Current ……………………………………………………………… 15 mA max.
1500-LEM – Local Energy Module
Output characteristics
Standby ………………………………………………………. 2 VDC (no load)
Alarm …………………………………………………………….. 24 VDC FWR
Trouble …………………………………………………………………….. 0 VDC
Alarm current …………………………………………………… 320 mA max.
Standby current ……………………………………………………………. 1 mA
1500-ZRM-5 – Zone Relay Module
Output characteristics
Voltage …………………………………………………………………… 12 VDC
Standby current …………………………………………….. 0 mA per circuit
Alarm current ……………………………………………… 15 mA per circuit
Contact ratings …………………………………………. 3 A @ 30 VAC/DC
1500-RA-5A – Remote Annunciator
Output Characteristics
Number of zones ………………………………………… 5 alarm, 1 trouble
Voltage …………………………………………………………………… 12 VDC
Standby current …………………………………………….. 0 mA per circuit
Trouble current ………………………………………………………….. 50 mA
Alarm current ……………………………………………… 15 mA per circuit
Appendix A Compatible Equipment
The equipment listed here is compatible with the ESL 1500 Series Fire Control Panel. Use ONLY UL Listed compatible equipment with the 1500 Series to assure proper operation. Should you have any questions about compatibility, call technical services at 800.648.7422.
Initiating Devices
Compatible Equipment:
- All UL Listed non-coded manual alarm stations and heat detectors, including ESL Series 103 and 104.
- Compatible indicating devices shown in Table 8.
- UL Listed two-wire smoke detectors shown in Table 9.
- UL Listed four-wire smoke detectors shown in Table 10.
Table 8. Compatible Indicating Devices

Table 9. Two-Wire Smoke Detector Compatibility

(Any of these two-wire detectors may be used mixed and matched on the system.)
Table 10. Four-Wire Smoke Detector Compatibility

(Any of these four-wire detectors may be used mixed and matched on the system.)
Appendix B
ESL 1500 Series Standby Battery Power Worksheet

Appendix C
1500 Series Operating Instructions
Refer to the 1500 Series Installation Manual for more information
Normal Standby Condition
- Green “AX POWER” LED “ON”
- All other LEDs “OFF”
- All switches in “NORMAL” position
Alarm Condition
- Red local zone alarm LED “ON”
- Integral sounder sounds a steady signal
- Auxiliary alarm relay contacts transfer and latch
- Supervised remote annunciator indication is “ON”
- Indicating circuits turn “ON”
Alarm Disconnect Switch Operated (Prior to Alarm Condition) For Maintenance Use Only
- Disconnects local zone alarm from the auxiliary alarm relay
- Disconnects local zone alarm from the alarm indicating cirucits
- Red local zone alarm LED turns “ON”
- Supervised remote annunciator indication is “ON”
- Alarm signal from any other zone is not affected
Alarm Disconnect Switch Operated (After Alarm Condition) For Maintenance Use Only
- Auxiliary alarm relay contacts remain latched
- Alarm indicating circuits are turned “OFF”
- Red local zone alarm LED remains “ON”
- Supervised remote annunciator indication remains “ON”
- Alarm signal from any other zone is not affected
Reset Switch Operated
- Initiating circuit power removed (smoke detectors reset)
- Indicating circuits turn “OFF”
- Integral sounder sounds steady signal
- Auxiliary alarm relay is reset
Reset Switch Released
- System restored to normal unless initiating devices are not reset
Trouble Condition
- Yellow system trouble LED is “ON”
- Yellow diagnostic LED is “ON”
- Integral sounder sounds a slow intermittent signal
- System trouble relay contacts transfer
Sounder Silence Switch Operated
- Integral sounder is “OFF” when system trouble is present
- Integral sounder is “ON” when system is in normal standy by condition
- System trouble relay contacts are not affected
- Will not silence supervisory alarm, supervisory trouble, or system alarm signals
Supervisory Alarm Signal
- Integral sounder sounds a fast intermittent signal
- Zone #2 red local zone alarm LED is “ON”
- Zone #2 supervised remote annunciator indication is “ON”
- Auxiliary alarm relay contact do not transfer
- Indicating circuits are not activated
- Yellow supervisory LED is “ON”
Supervisory Trouble Signal
- Indicating sounder sounds a fast intermittent signal
- Zone #2 yellow local zone trouble LED is “ON”
- System trouble relay contacts transfer
- Yellow supervisory LED is “ON”
Remote Test (Fire Drill)
- Indicating circuits turn “ON”
- Integral sounder sounds a slow intermittent signal
- Auxiliary alarm relay contacts do not transfer
- LEM module does not transmit
- Keying the test switch will pulse the indicating circuits
Testing – Disconnect the AC power source during testing. If, after testing, a low battery condition exists, replace the batteries. “This equipment should be installed in accordance with the National Fire Protection Association’s Standard 72 (NFPA, Battery march park, Quincy, MA 02269). Printed information describing proper installation, operation, testing, maintenance, evacuation planning, and repair service is to be provided with this equipment.”
Warning:
Owner’s instruction notices: “Not to be removed by anyone except occupant.’
For Service Contact:

ESL 12345 SW Leveton Dr., Tualatin, OR 97062
Sales: 800.547.2556
Technical Services: 800.648.7424
Remove this page, frame, and mount adjacent to control unit.

PH 503.692.4052
USA & Canada: 800.547.2556
Technical Service: 800.648.7424
FaxBack: 800.483.2495
www.sentrol.com
www.interlogixsecurity.com
©2001 Interlogix, Inc.
Interlogix, Caddx, ESL, ITI and Sentrol are trademarks of Interlogix,Inc.
All other trademarks are properties of their respective owners.
12603 Rev. G 08/01
64812687 Rev. G

















