
CAUTION
- The installation of the XZENT system should be carried out by an authorized installer. Specific knowledge and tools are required to do the installation. Incorrect installation can cause damage to the vehicle and the XZENT system.
- Correct functioning can only be guaranteed when you use the XZENT original accessories included in the kit or optionally available. The XZENT system and the original accessories must under no circumstance be modified or altered in any way. Inappropriate actions can cause damage to the vehicle and the XZENT system.
NOTE
- The target vehicle must factory configured with preinstallation for a radio system. The XZENT system is not compatible with vehicles that are equipped with an OE radio or OE navigation system from the factory.
- This device installation manual applies to vehicle platforms appearing in the above compatibility list, and in a condition as offered by the respective vehicle manufacturer. Deviating equipment and specific adjustments to battery-, charging systems and power harness layout implemented by the given motorhome manufacturer brand are not taken into account in these installation instructions. Please contact the relevant motorhome manufacturer.
- The XZENT system is equipped with an integrated DAB+ receiver. To make use of this you will need a suitable DAB antenna (not included in kit) that must be connected to the XZENT system. If vehicle is equipped with ex-work OE DAB antenna, a FAKRA> SMB adapter is required for connection.
- In order to obtain better radio reception, it is recommended to equip the vehicle with an active antenna system (FM / DAB).
- If the target vehicle is equipped with a resistor based multifunction steering wheel, no additional accessories are needed to support the steering wheel remote control functions. (See step 8. for Bluetooth telephony function details)
- Software updates to the XZENT system are installed with a USB memory device. Therefore when fitting the system make sure that the USB connection of the XZENT system will still be accessible later (installation of USB extension cable for USB-1).
- If you have questions or problems relating to the XZENT system, please contact the dealer from whom you purchased it.
THE KIT INCLUDES
| No. | Item | Qty | ||
| 1 | XZENT X-F270 device | 1 | ||
| 2 | IR remote control | 1 | ||
| 3 | Two-part metal mounting frame (not required for series 8) | 1 | ||
| 4 | Self-tapping Philips screws (not required for series 8) | 4 | ||
| 5 | 10PIN adaptor cable for 4.2 channel line-out | 1 | ||
| 6 | 6PIN adaptor cable for A/V monitor-in | 1 | ||
| 7 | 12PIN adaptor cable cam power + video-in | 1 | ||
| 8 | 4PIN adaptor cable A/V monitor-out | 1 | ||
| 9 | Microphone with 3m cable extension and 3.5 mm jack | 1 | ||
| 10 | Parking brake connection cable | 1 | ||
| 11 | Main wire harness ISO/DIN | 1 | ||
| 12 | SWC interface adaptor | 1 | ||
| 13 | FM antenna adaptor ISO/DIN | 1 | ||
| 14 | GPS-antenna with 90° angled connector and 3 m cable extension | 1 | ||
| 15 | Doublesided 3M self-adhesive pad for GPS antenna | 1 | ||
| 16 | Main device manual for X-F270 | 1 | ||
| 17 | USB extension cable with 80 cm length (gray / black) | 2 |
TOOLS REQUIRED
- Torx screwdriver T25
- Phillips screwdriver
- Dismanteling tool (See step 2.)
REMOVAL WORK AND PREPARATION
- Mounting frame N-XFDUC8 with enclosed 4 pcs. M5 x 6mm screws.

- The mounting frame N-XFDUC8 is pushed onto the X-F270 device via its back end.


- The frame is affixed to the device applying two M5 x 6 mm screws an left and right side

REMOVAL WORK AND PREPARATION
- Remove both storage compartments in accordance with the manufacturer‘s information.

- Remove ventilation outlets L+R with appropriate tools.

- Remove the 4 Torx screws and take out the original plastic holder frame.

INSTALLATION
- Connect all cables previously routed into the radio slot and the original antenna cable to the XZENT system. Additional antenna adapters, radioswitch etc. may be required. Depending on the features of your motorhome manufacturer these connections may vary.

- Fit the GPS antenna (No. 14) at a suitable place, and make sure that the GPS reception is not adversely affected due to shadowing by me-tallic vehicle parts (thermal glazing etc.). Next run the connecting cable to the radio slot.

- If you wish to use it, now fi t the external Bluetooth microphone (No. 9) supplied, and run the connecting cable to the radio slot. Depending on preference and your choice of an external or device-internal microphone, the microphone source for the Bluetooth mode must be correspondingly changed in the device menu.

- Run the USB extension cable (No. 17) from the radio slot to the position you want.

- – OPTIONAL –
If your Car is equipped with a resistor based multifunction steering wheel you have to connect the enclosed SWC-adapter (No. 12) with the Main connection cable (No. 11) and the 20-pin connector on the vehicle side. The rear steering wheel buttons (3 buttons each on the left and right side) are connected via this adaptor cable. Change the SWC ASSIGNMENT of the X-F270 under SETTINGS > OTHER > SWC ASSIGNMENT from MODE 1 to MODE 2. Volume , Camera, Skip, BT, … are visually displayed at X-F270 on MODE 2 for you. Telephony (BT) is provided here by a “double function assignment“. The front side Teleplay buttons are only supported with an additional CAN Interface.
- Connect the main cable (No. 11) of the XZENT system (No. 1) to the ISO plug connectors of the vehicle.
When using a reversing camera system, the reversing signal from the vehicle must be connected to the reverse connection of the XZENT system for automatic switching.
Relay the handbrake signal from the handbrake and connect it to
„Parking“ to enable videos playback function with stationary vehicle.
ATTENTION!!! Playback of videos while driving is not permitted by law. For this reason the video playback function is blocked while the vehicle is moving / driving.
Next slide the XZENT with mounted N-XFDUC8 carefully into the radio slot until it heard to engage. - Attention! Do not use the 2-part metal mounting frame No.3 for Series 8 here.

- Fasten the mounting frame with the original 4 pcs Torx screws.
- Insert back the ventilation outlets.

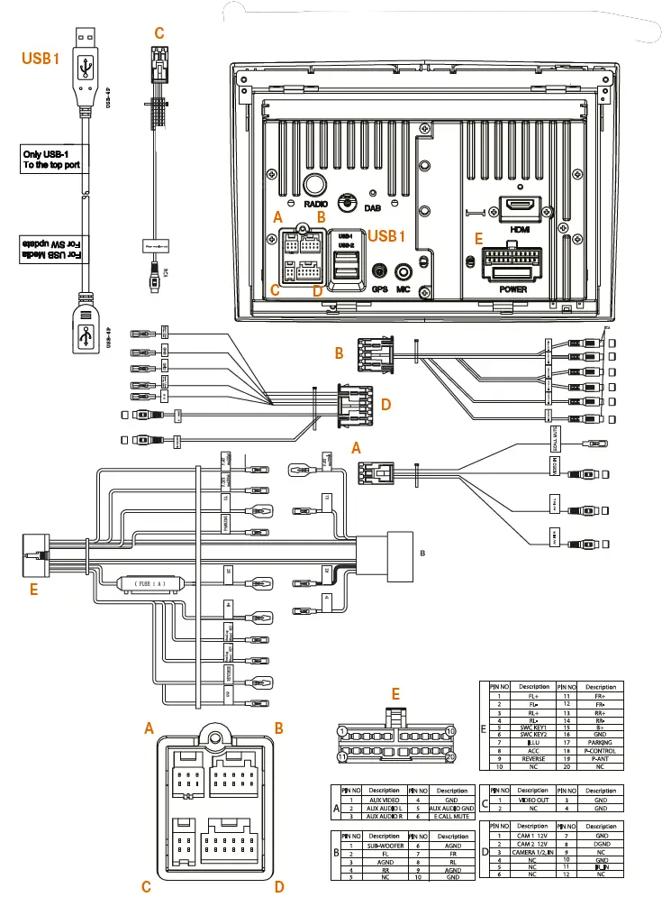
Connection Diagram














Next slide the XZENT with mounted N-XFDUC8 carefully into the radio slot until it heard to engage.


















