Rinnai REU-VCM2837FFC-ZK Continuous Flow Water Heaters Installation Guide
Important
Rinnai INFINITY gas hot water heater flueing shall be installed in accordance with:
- Manufacturer’s installation instructions
- Current AS/NZS 3000, AS/NZS 3500, AS/NZS 5601.1 and G12/AS1
For use with Natural Gas or Universal LPG as indicated on the appliance.
Appliance must be installed, commissioned and serviced by an authorised person, being in New Zealand a licensed gasfitter.
Warning
Improper installation, adjustment, alteration, service and maintenance can cause property damage, personal injury or loss of life.
For more information about buying, using, and servicing of Rinnai appliances call: 0800 RINNAI (0800 746 624).
Rinnai New Zealand Limited
105 Pavilion Drive, Mangere, Auckland
PO Box 53177, Auckland Airport, Auckland 2150
Phone: (09) 257-3800
Email: [email protected]
Web: rinnai.co.nz
youtube.com/rinnainz
facebook.com/rinnainz
Please note
The installation and flue component images throughout this guide refer to our current range of internal models, the HD49kWi and A28i. Please adapt this information as necessary if you are referencing this document for discontinued internal models.
Flueing options
The flueing for internal water heaters is a coaxial design. It has a stainless steel inner pipe to discharge products of combustion and a thermoplastic outer pipe for air supply to the appliance.
Each Rinnai INFINITY water heater is flued individually, refer flueing options below
- Direct flueing
For direct flue installations through an external wall using the direct flue kit FFSSKIT— maximum wall thickness approximately 460 mm. - Horizontal extension flueing
For flue installations through an external wall using the direct flue kit FFSSKIT and additional lengths of pipe.
Slope horizontal flues back towards the water heater at a 20 mm fall per metre to drain condensate.
- Vertical straight flueing
Installations where the internal unit is flued vertically through the roof. - Combination flueing
Installations using a combination of horizontal and vertical flueing
Flueing guidelines
Flue gases can reach temperatures up to 200 °C. The flue terminal is to terminate in a location so as not to cause a nuisance, in accordance with AS/NZS 5601.
- Multiple flues
Ensure minimum distances, as shown below are maintained.
Each terminal is to be terminated at the same height, refer images below—please note these images show our older style terminals, which have since been updated


Older style roof cowls and horizontal terminals all terminating at the same height - Flue support
Ensure the flue is supported independently of the appliance by use of suitable clips or brackets in accordance with AS/NZS 5601. Appropriate standoff brackets are supplied with each FFSSROOFCOWL and FFSSPIPE1000. - Flue length
The chart below highlights the maximum flue length and number of bends.
Flueing table showing maximum flue length and maximum number of bends - Vertical terminations
To ensure products of combustion are cleared, adequate clearance from the building is required. The vertical flue cowl should have a 500 mm clearance from any part of the building. This also applies to steeped and pitched roofs, where the flue cowl should be 500 mm clear of the ridge line. An adequate flow of fresh air must exist around the flue cowl following installation.
Minimum clearances are shown in AS/NZS 5601.1.
Flue spigots on top of the unit
Rinnai INFINITY internal units manufactured from approximately 2008 onwards have a female flue spigot on top of the unit. This differs to older internal models which have a male flue spigot.
This is relevant if you are trying to fit a new internal unit into old flueing. In these instances we recommend, due to the age of the flueing, that the flueing is changed as well.

We no longer have male flue spigots that can be retrofitted to our current models.
Appliance spigot centres
The wall mounting brackets are adjustable by 43 mm, the minimum setting is 10 mm.
Adjusting the mounting bracket also adjusts the spigot centre. The adjustment range is:
- HD49kWi / A28i 105.3~148.3 mm

Condensate
A condensate trap kit (FFSSCOND) is required for flue lengths over 1.5 m. If flueing less than 1.5 m, the flue spigot on top of the unit is capped using the drain cap tube supplied with the unit.
The drain cap is only removed if the condensate kit is connected.
The condensate trap collects any condensate from the flue and prevents condensate from entering the water heater and causing damage.
Condensate is a by-product of gas combustion and is mildly acidic. For this reason copper tube and fittings must not be used as it will corrode. Instead Rinnai recommends plastic pipe and fittings such as UPVC or PE.
UV roof protectors
The roof cowl comes with three black UV pipe sections for covering and protecting the white pipe from UV damage. To install, click together and if required cut to length, refer image below. If any remaining white pipe is exposed to UV, this should be painted with a suitable UV resistant coating.
Important
When installing the UV protectors it is critical that the protector sits outside the decktite, not inside. Weathertightness will be an issue if the protector is installed inside the decktite.
Cutting to size
Pipes overlap by approximately 37 mm. Once joined the effective length is reduced by 37 mm. This needs to be factored when cutting to size. Add two x 37 mm to extension pipe X.
The inner pipe must always extend 10 mm beyond the outer pipe in the male end of the flue. Always cut the male end of the flue and not the female end. Deburr sharp edges as this could damage the gasket resulting in a system that is no longer air-tight.
Direct flueing using the FFSSKIT
For installations where the Rinnai INFINITY is mounted directly on the inside of an external wall with a maximum wall thickness of approximately 460 mm. Horizontal flues must slope 20 mm per metre back towards the water heater.
The FFSSKIT contains:
- 90 °bend
- Horizontal flue terminal
- Internal white rubber wall trim
- External black rubber wall trim
Installation
- Mount the water heater in an appropriate location.

- Using the dimensions provided, mark a point along the appliance centreline 150 mm from the top of the water heater. This mark forms the centre for the 140 mm diameter wall penetration.
- When installing the FFSSKIT directly backwards from the appliance, set the water heater mounting brackets to the minimum (10 mm).
- Make a 140 mm wall penetration for the flue. Ensure that the flue spigot of the water heater is covered while working to avoid debris entering the flue connection of the appliance.

- Measure the required length for the horizontal terminal to penetrate the wall and allow an extra 67 mm protrusion from the inside wall surface.

- Fit the external wall seal to the terminal pipe. Pass the male end of the terminal pipe through the penetration point and weatherproof the penetration. Fit the internal wall seal.

- Connect the terminal pipe to the bend, ensuring the components are pushed ‘fully-home’. Secure the PVC joints of the bend to the terminal pipe with three self-tapping screws (not supplied).
Extended horizontal flue
The extended horizontal flue option can be used when the water heater is mounted against an internal wall and the flueing needs to be extended horizontally for a longer distance to exit an external wall. Use the FFSSKIT as a starting point and customise with flue pipe. Total length can be up to 13 m.
Remember to allow for a condensate connection, you will need a condensate trap kit (FFSSCOND).
Vertical and combination flueing
If starting horizontally and finishing horizontally, use the FFSSKIT as a starting point and customise. If starting horizontally and ending vertically or vice versa, individual flue components will need to be ordered. Flueing must start with a FFSSBEND90 or FFSSPIPE1000.
The distance of the centreline of the appliance flue spigot from the wall is variable, refer p.6. Take this into account when creating access holes through floors and ceiling for flue pipe components.

- Mount the water heater in an appropriate location.
- Set a plumb bob from the centre of the heater flue outlet to the ceiling marking position. Cut a 140 mm hole in the plasterboard (or a suitable oval for pitched applications). Repeat this step for the underside of the roof.
- Install the UV protectors to the vertical terminal.
- Calculate the required number and combination of FFSSPIPE1000 lengths and cut to size as required.
- Install decktite roof seal (not supplied).
- Ensure the flue is fully supported independently of the appliance, by the use of suitable clips or brackets, in accordance with AS/NZS 5601. Appropriate standoff brackets are supplied with each FFSSROOFCOWL and FFSSPIPE1000 component.
- All PVC joints must be secured with suitable self tapping screws.
- Install suitable condensate drainage.
INFINITY stainless steel flue components
All the major flue components are constructed of a PVC outer and a stainless steel inner. These have zero clearance to combustibles. All dimensions are in mm.
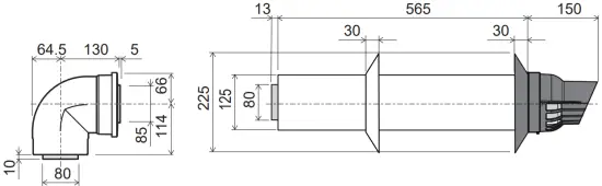
- FFSSBEND90 : 90° bend

- FFSSBEND45: 45° bends, sold as a pair

- FFSSPIPE1000: Flue pipe, can be cut to size, includes a Munzing ring to support the flue

- FFSSCOND: Condensate trap kit

- FFSSROOFCOWL: Roof cowl for vertical installations, can be cut to size
Includes three black injection UV roof components (1 collar adapter, 2 roof protectors), for covering and protecting the white flue pipe from UV damage. The roof protector can also be ordered as a spare (12693, one protector). Kit also includes a flue pipe clamp to support the flue.
- FFSSKIT: Direct flue kit for horizontal installations, can be cut to size


Wall trims:
White internal wall trim
Black external wall trim
Customer Support
Tel: 0800 746 624
http://www.youtube.com/rinnainz
http://facebook.com.rinnainz
Slope horizontal flues back towards the water heater at a 20 mm fall per metre to drain condensate.



































