KARCHER K 5 Electric Pressure Washer Compact User Manual



Safety instructions
Read these original operating instructions before using the device for the first time. Act in accordance with them. Keep the original operating instructions for future reference or for future owners.
- You also need to take into consideration the general safety regulations and accident prevention guidelines of the legislator in addition to the notes in the operating instructions.
- Warnings and information notices attached to the device provide important information for hazard-free operation.
Hazard levels
DANGER Indication of an imminent threat of danger that will lead to severe injuries or even death.
WARNING
Indication of a potentially dangerous situation that may lead to severe injuries or even death.
CAUTION Indication of a potentially dangerous situation that may lead to minor injuries.
ATTENTION Indication of a potentially dangerous situation that may lead to damage to property.
Personal protective equipment
CAUTION Wear suitable protective clothing and safety goggles to protect yourself from water or dirt backsplash. Aerosols can be formed when using high-pressure cleaners. Inhaling aerosols can be harmful for your health. Depending on the application, the use of fully shielded nozzles (e.g. surface cleaners) can significantly lower the emission of aqueous aerosols. Depending on the environment to be cleaned, wear a suitable respiratory protective mask of class FFP 2 or comparable to protect yourself from inhaling aerosols if the use of a fully shielded nozzle is not possible.
General safety warnings
DANGER Risk of asphyxiation. Keep packaging film out of the reach of children.
WARNING Only use the device for its proper use. Take into account the local conditions and beware of third parties, in particular children, when working with the device. Persons with reduced physical, sensory or mental capabilities, or those with a lack of experience and knowledge, are only allowed to use the appliance if they are supervised or have been instructed with respect to using the appliance safely, and understand the resultant dangers involved. Children must not operate the device. Children must be supervised to prevent them from playing with the appliance.
CAUTION Safety devices are provided for your own protection. Never modify or bypass safety devices.
Risk of electric shock
DANGER Only connect protection class I devices to properly earthed power sources. Only connect the device to alternating current. The voltage indicated on the type plate must match the voltage of the power source. Only operate the device via a fault current protection switch (maximum 30 mA). Never touch the mains plug and socket with wet hands. The mains plug and coupling of the extension cable must be water tight and may not be placed in water. The coupling may not be on the floor. Use cable drums to ensure that the sockets are at least 60 mm above the floor. All live parts in the work area must be protected against water jets.
WARNING Only connect the device to an electrical connection which has been set up by a qualified electrician as per IEC 60364-1. Check the power supply cable with mains plug for damage before operation each time. Do not put the device into operation with a damaged power supply cable. Have a damaged power supply cable replaced immediately by the authorised customer service / qualified electrician. Do not damage the power supply and extension cable by running over it, crushing or yanking it or similar. Protect the power supply cable from heat, oil and sharp edges. Unsuitable electrical extension cables are dangerous. Only use approved and appropriately marked electrical extension cables with a sufficient line cross section when outdoors: 1-10 m : 1.5 mm2, 10-30 m : 2.5 mm2
CAUTION
Always fully unwind the extension cable from the cable drum. In case of longer breaks in operation and after use, switch off the device at the main switch / device switch and pull the mains plug.
Operation
DANGER Operation in explosive atmospheres is prohibited. Never suction solvents, liquids containing solvents or undiluted acids. This includes e.g. petrol, paint thinner or heating oil. The spray mist is highly flammable, explosive and poisonous. Damaged wheels / tyre valves are extremely dangerous. Damaged wheels / tyre valves can be damaged by the high-pressure jet and explode. The first sign of this is discolouration of the tyres. Keep a spray distance of at least 30 cm when cleaning the wheels / tyre valves.
WARNING
Do not use the device if people without the proper protective clothing are in its reach. Do not aim the high-pressure jet at yourself, e.g. to clean clothes or shoes. Do not direct the high-pressure jet at persons, animals, live electrical equipment or at the device itself. l Do not spray any objects which contain harmful substances (e.g. asbestos). Check the device and the accessories, such as the high-pressure hose, high-pressure gun and safety devices, to make sure they are in proper safe and reliable condition before each operation. Do not use the device if it is damaged. Replace damaged components immediately. Only use high-pressure hoses, control panels and couplings specified by the manufacturer. Risk of scalding. When disconnecting the supply or high-pressure hose, hot water can leak out of the connections after operation.
CAUTION
According to the applicable regulations, the appliance may never be used with the drinking water network without a system separator. Ensure that the connection to your house water system, with which the high-pressure cleaner is operated, is equipped with a system separator according to EN 12729 type BA. Water that has flowed through a system separator is no longer classified as drinkable. Never leave the device unsupervised while it is in operation. Recoil force from the water stream emerging at the high-pressure nozzle acts on the high-pressure gun. Keep proper footing and hold the high-pressure gun and spray lance firmly. Accidents or damage due to the device falling over. Before all actions with or on the device, you must make sure that it is stable.
ATTENTION Do not operate the device at temperatures below 0 °C.
Operation with detergent
WARNING Incorrect use of detergents can cause serious injuries or poisoning.
CAUTION Keep the detergent out of the reach of children. l Only use the detergents supplied or specified by the manufacturer. The use of other detergents or chemicals can impair the safety of the device.
Care and service
WARNING Always pull out the mains plug before all care and maintenance work.
CAUTION Have repair work and work on electrical components carried out by the authorised customer service only. ATTENTION
Do not use acetone, undiluted acids or solvents, as they corrode the materials used on the device.
Transportation
CAUTION Risk of accidents and injuries. Take into account the weight of the device for transportation and storage. See chapter Technical data in the operating instructions.
Environmental protection
The packing materials can be recycled. Please dispose of packaging in accordance with the environmental regulations.
Electrical and electronic appliances contain valuable, recyclable materials and often components such as batteries, rechargeable batteries or oil, which – if handled or disposed of incorrectly – can pose a potential danger to human health and the environment. However, these components are required for the correct operation of the appliance. Appliances marked by this symbol are not allowed to be disposed of together with the household rubbish.
Cleaning work producing in oily waste water, e.g. washing engines, washing undercarriages etc., may only be performed at washing stations with an oil separator.
Working with detergents may only be performed on watertight surfaces with connection to the waste water sewage system. Do not allow detergent to enter waterways or the soil.
Extraction of water from public waterways is not permitted in some countries.
Notes on the content materials (REACH) Current information on content materials can be found at: www.kaercher.de/REACH
Intended use
Use the high-pressure cleaner in private households only. The high-pressure cleaner is intended for cleaning machines, vehicles, buildings, tools, façades, terraces, garden machines etc. using a high-pressure water jet.
Accessories and spare parts
Only use original accessories and original spare parts. They ensure that the appliance will run fault-free and safely. Information on accessories and spare parts can be found at www.kaercher.com.
Scope of delivery
The scope of delivery for the appliance is shown on the packaging. Check the contents for completeness when unpacking. If any accessories are missing or in the event of any shipping damage, please notify your dealer.
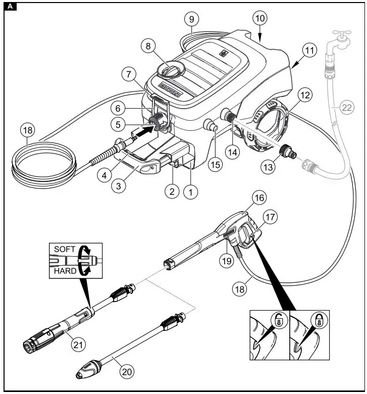
Device description
For the illustrations, refer to the graphics page Illustration A
- Storage for spray lance
- Storage for high-pressure gun
- Transport handle, telescoping
- Carrying handle
- Quick coupling for high-pressure hose
- Rubber band
- Storage for high-pressure hose and mains connection cable
- Power switch “0/OFF” / “I/ON”
- Mains connection cable with mains plug
- Carrying handle
- Type plate
- Transport wheel
- Water connection coupling
- Water connection with integrated sieve
- Suction hose for detergent (with filter)
- High-pressure gun
- High-pressure gun lock
- High-pressure hose
- Button for separating the high-pressure hose from the high-pressure gun
- Spray lance with dirt grinder for stubborn soiling
- Varo Power spray lance for common cleaning tasks. The working pressure can be continuously increased from “SOFT” to “HARD”. To adjust the working pressure, release the trigger gun lever and turn the spray lance to the desired position. Detergent can be added to the water jet when the spray lance is turned all the way in the SOFT direction.
- **Garden hose with commonly available coupling
- Fabric reinforced
- Diameter of at least 1/2 inch (13 mm)
- Length at least 7.5 m
** additionally required
Safety devices
CAUTION Missing or modified safety devices Safety devices are provided for your own protection. Never modify or bypass safety devices.
Power switch
The power switch prevents unintentional operation of the device.
High-pressure gun lock
The lock locks the lever of the high-pressure gun and prevents the device from starting unintentionally.
Auto-stop function
If the lever of the high-pressure gun is released, the pressure switch turns off the pump and the high-pressure jet stops. The pump switches on again when the lever is pressed.
Motor circuit breaker
The motor circuit breaker shuts off the device if power consumption it too high.
Symbols on the device

Installation
For the figures, refer to the graphics page. Fit the supplied loose parts onto the device before starting up the device.
Install the transport handle
- Attach the transport handle. Illustration B
Installing the water connection coupling
- Screw the water connection coupling onto the water connection on the device. Illustration C
Initial start-up
- Place the device on a flat and level surface.
- Insert the high-pressure hose into the quick coupling
until it audibly latches into place. Illustration D - Insert the high-pressure hose into the high-pressure gun until it audibly latches into place.
Note Take care to ensure the correct alignment of the nipple. Illustration E - Check for a secure connection by pulling on the high-pressure hose.
- Plug the mains plug into a mains socket.
Water supply
For the connection values, see the type plate or chapter Technical data. Observe the water distribution company regulations. ATTENTION Damage through contaminated water Contamination in the water can damage the pump and the accessories. KÄRCHER recommends using the KÄRCHER water filter for protection(special accessory, order number 4.730-059).
Connection to the water line
ATTENTION
Damage to the pump A metal hose coupling with Aqua stop on the garden hose can cause damage to the pump. Use a plastic hose coupling or a KÄRCHER brass hose coupling.
- Plug the garden hose onto the water connection coupling. Illustration F
- Connect the garden hose to the water line.
- Open the water tap fully.
Sucking water from open containers
When used with the KÄRCHER suction hose with check valve (special accessory, order number 2.643-100) this high-pressure cleaner is suitable for sucking up surface water, e.g. from rain barrels or ponds (for the maximum suction height see chapter Technical data). The water connection coupling is not required for suction operation.
- Fill the suction hose with water.
- Screw the suction hose onto the device water connection and hang it in a water source (e.g. water butt).
Vent the device
- Switch the device on “I/ON”.
- Unlock the lever of the high-pressure gun.
- Press the lever of the high-pressure gun. The device switches on.
- Allow the device for run a maximum of 2 minutes until the water escaping from the high-pressure gun is free of air bubbles.
- Release the lever of the high-pressure gun.
- Lock the lever of the high-pressure gun.
Operation
ATTENTION
Pump running dry Damage to the device If pressure does not build up in the device after 2 minutes then switch the device off and proceed according to the instructions in chapter Troubleshooting guide.
High-pressure operation
ATTENTION Damage to painted or sensitive surfaces Surfaces can be damaged when the jet is too close to the surface or an unsuitable spray lance is used. Maintain a minimum spray distance of 30 cm when cleaning painted surfaces. Do not clean car tyres, paint or sensitive surfaces such as wood with the dirt grinder.
- Insert a spray lance into the high-pressure gun and lock it by turning it 90°. Illustration G
- Switch the device on (“I/ON”).
- Unlock the lever of the high-pressure gun.
- Press the lever of the high-pressure gun.
The device switches on.
Operation with detergent
DANGER Failure to adhere to the safety data sheet Incorrect handling of the detergent can seriously damage your health Observe the safety data sheet of the detergent manufacturer, in particular the instructions on personal protective equipment.
Note Detergent can only be mixed into the jet at low pressure.
- Pull the desired length of the detergent suction hose out of the casing. Illustration H
- Hang the detergent suction hose in a container with detergent solution.
- Use the Varo Power spray lance. 4. Turn the spray lance all the way in the “SOFT” direction.
The detergent solution is mixed with the water jet during operation.
Recommended cleaning method
- Spray the detergent sparingly on the dry surface and let it work for a while (do not let it dry).
- Rinse off the loosened dirt with the high-pressure jet.
After operation with detergent
- Flush the device with clear water for approx. 30 seconds.
Interrupting operation
- Release the lever of the high-pressure gun. The device switches off when the lever is released. The high pressure in the system is retained.
- Lock the lever of the high-pressure gun.
- Insert the high-pressure gun into the high-pressure gun storage compartment.
- Place the high-pressure gun with the spray lance in the parking position.
- Switch the device off “0/OFF” during work breaks longer than 5 minutes.
Finishing operation
CAUTION Pressure in the system Injuries from high-pressure water escaping uncontrollably Only disconnect the high-pressure hose from the high-pressure gun or the device when the system is fully depressurised.
- Release the lever of the high-pressure gun.
- Close the water tap.
- Press the lever of the high-pressure gun for 30 seconds. The pressure remaining in the system is discharged.
- Release the lever of the high-pressure gun.
- Lock the lever of the high-pressure gun.
- Disconnect the device from the water supply.
- Switch off the device “0/OFF”.
- Pull the mains plug out of the socket.
Transport
CAUTION
Failure to observe the weight Risk of injury and damage Be aware of the weight of the device during transportation.
Carrying the device
1. Lift and carry the device by the carrying handles.
Pulling the device
- Pull the transport handle out until it audibly latches into place.
- Pull the device via the transport handle.
Transporting the device in a vehicle
- Secure the device against slipping and tipping over.
Care and service
DANGER
Danger of electric shock Injuries due to touching live parts Switch off the device. Remove the mains plug.
The device is maintenance-free, i.e. you do not need to perform any maintenance work.
Clean the sieve in the water connection
ATTENTION
Damaged sieve in the water connection Damage to the device through contaminated water Check the sieve for damage before inserting it in the water connection.
If necessary, clean the sieve in the water connection.
- Remove the water connection coupling.
- Pull the sieve out using flat pliers. Illustration I
- Clean the sieve under running water.
- Insert the sieve into the water connection.
Clean the detergent filter
Clean the detergent filter before longer periods of storage.
- Pull the filter off the detergent suction hose. Illustration J
- Clean the filter under running water.
Storage
CAUTION
Failure to observe the weight Risk of injury and damage Be aware of the weight of the device during storage.
Storing the device
- Place the device on a level surface.
- Disconnect the spray lance from the high-pressure gun.
- Press the separation button on the high-pressure gun and disconnect the high-pressure hose from the high-pressure gun.
- Press the casing of the high-pressure hose quick coupling in the direction of the arrow and pull out the high-pressure hose.
- Store the mains connection cable and accessories on the device.
- Store the high-pressure hose on the device.
- Secure the mains connection cable and the high-pressure hose with the rubber band. Illustration K
Observe the additional instructions before storing the device for a longer period of time, see chapter Care and service.
Frost protection
ATTENTION Danger of frost Incompletely emptied devices can be destroyed by frost. Completely empty the device and accessories. Protect the device from frost. The following requirements must be satisfied:
- The device is disconnected from the water supply.
- The high-pressure hose is removed.
- Switch the device on “I/ON”.
- Wait for a maximum of 1 minute until no more water escapes from the high-pressure connection.
- Switch off the device.
- Store the device in a frost-protected room, together with all accessories.
Troubleshooting guide
Malfunctions often have simple causes that you can remedy yourself using the following overview. When in doubt, or in the case of malfunctions not mentioned here, please contact your authorised Customer Service.
![]()
DANGER
Danger of electric shock Injuries due to touching live parts Switch off the device. Remove the mains plug.
Device not running
- Press the lever of the high-pressure gun. The device switches on.
- Check that the voltage specified on the type plate corresponds to the voltage of the power source.
- Check the mains connection cable for damage.
- If the motor is overloaded and the motor circuit breaker has triggered:
a Switch off the device “0/OFF”.
b Allow the device to cool down for 1 hour.
c Switch the device on “I/ON” and resume operation. Have the device checked by Customer Service if this fault occurs repeatedly.
The device does not start up, the motor buzzes
Voltage drop due to a weak mains grid or when using an extension cable
1. When switching on, first press the lever on the high-pressure gun and then switch on the device “I/ON”.
Device does not reach required pressure
The water supply is too low
- Open the water tap fully.
- Check the water supply for an adequate flow rate.
The sieve in the water connection is dirty.
- Pull the sieve in the water connection out using flat pliers.
- Clean the sieve under running water.
Air is in the device.
- Vent the device:
a Switch on the device without a connected high-pressure hose for a maximum of 2 minutes until the water escaping from the high-pressure connection is free of air bubbles.
b Switch off the device.
c Connect the high-pressure hose.
d Observe the maximum suction height during suction operation (see chapter Technical data).
Strong pressure fluctuations
- Clean the high-pressure nozzle:
a Use a needle to remove dirt from the nozzle drill.
b Rinse the high-pressure nozzle from the front with water. - Check the water supply volume.
Device leaking
1. The device leaks a small amount for technical rea- sons. If the leak is severe, request authorised Customer Service.
Detergent is not sucked in
- Use the Varo Power spray lance and turn it all the way in the “SOFT” direction.
- Clean the filter on the detergent suction hose.
- Check the detergent suction hose for kinks.
Warranty
The warranty conditions issued by our relevant sales company apply in all countries. We shall remedy possible malfunctions on your appliance within the warranty period free of cost, provided that a material or manufacturing defect is the cause. In a warranty case, please contact your dealer (with the purchase receipt) or the next authorised customer service site. (See overleaf for the address)
Technical data


EU Declaration of Conformity
We hereby declare that the machine described below complies with the relevant basic safety and health requirements in the EU Directives, both in its basic design and construction as well as in the version placed in circulation by us. This declaration is invalidated by any changes made to the machine that are not approved by us.
Product: High-pressure cleaner Type: 1.630-xxx
Currently applicable EU Directives
2000/14/EC
2014/30/EU
2006/42/EC (+2009/127/EC)
2011/65/EU
Harmonised standards used
EN 50581
EN 55014-1: 2017
EN 55014-2: 2015
EN 60335-1
EN 60335-2-79
EN 61000-3-2: 2014
EN 61000-3-3: 2013
EN 62233: 2008
Conformity evaluation procedure used 2000/14/EC: Appendix V
Sound power level dB(A)
Measured: 88
Guaranteed: 91
The signatories act on behalf of and with the authority of the company management.

Documentation supervisor: S. Reiser
Alfred Kärcher SE & Co. KG
Alfred-Kärcher-Str. 28 – 40
71364 Winnenden (Germany)
Ph.: +49 7195 14-0
Fax: +49 7195 14-2212
Winnenden, 2018/10/01
Alfred Kärcher SE & Co. KG
Alfred-Kärcher-Straße 28 – 40 71364 Winnenden (Germany)
Tel.: +49 7195 14-0
Fax: +49 7195 14-2212

http://www.kaercher.com/service
















