Ferroli ECOGEO H 2SP B Bollitori Tanks Storage Balloons

Product Information – ECOGEO H 2SP B
- Model: ECOGEO H 2SP B
- Product Code: 3542A510 – Rev 00 – 11/2021
- Maximum Working Pressure for Sanitary: 10 bar (SMALGLASS)
- Maximum Working Pressure for Heating: 10 bar
Installation Instructions
- The installation must comply with the instructions provided in the user manual.
- For equipment’s with sanitary re-circulation rings, the volume of water in the pipes must be taken into account when sizing the expansion tank.
- The anode must be replaced if the section is less than 22 mm due to scaling.
Product Usage Instructions
- Connect the cold water inlet to the lower pipe coil return and the hot water outlet to the upper pipe coil inlet.
- For blind connection, use the blind connection for fasting.
- The thermometer-sensor and thermostats should be connected to their respective terminals.
- The electric heater should be connected to the 1/2 inch connection.
- For re-circulation, connect the re-circulation outlet to the bottom of the tank and the return from the re-circulation ring to the top of the tank.
- The product is designed for domestic hot water usage and should not be used for any other purpose.
Note: Failure to comply with the installation and usage instructions may result in damage to the product and void the warranty.
Parts List
| N° | CONNECTOR TYPE | |
| 300 – 500 | ||
| 1 2 3 4 5 6 7 8 9 10 11 12 13 14 | Domestic hot water outlet | 1″ |
| Anode | 1”1/4 | |
| Thermometer – Feeler | 1/2” | |
| Thermostat | 1/2″ | |
| Thermostat | 1/2″ | |
| Blind connection for fasting | 1/2” | |
| Cold water inlet | 1” | |
| Lower water exchanger outlet | 1” | |
| Water exchanger inlet | 1” | |
| upper pipe coil outlet | 1″ | |
| Re-circulation | 1/2” | |
| upper pipe coil inlet | 1″ | |
| Domestic hot water inlet | 1″ | |
| Electric heater | 1” 1/2 <-> Ø180 |

INSTALLATION
What follows is determinant for the warranty validity.
- The installation must:
- Be executed by a qualified installer.
- Be provided, where necessary, with a pressure water reducing in entrance.
- Be provided with a safety valve according to the technical data’s of the boiler.
- Be provided with an expansion vessel (see the measuring board of the expansion vessel) proportioned to the boiler’s dimensions (it’s advised to size the expansion vessel by a thermal technician).
- Before starting, you are invited to check the tightening of the hydraulic plug, apply torque 20 Nm.
- The temperature of the boiler inside must always be under 95°C (70°C for the SMALVER models).
- Each year an internal cleaning must be done.
- In order to avoid corrosion, the anodes must be inspected after each 12 months. However, where the water is particularly aggressive, the inspections must be done each 6 months; if the anode section is less than 22 mm, it must be replaced, if covered with limestone is to be cleaned.
- The water Langelier Index, measured at the operating temperature, must range from “0” to “+0,4”, hardness within 10°F and 25°F.
DIMENSIONING OF THE EXPANSION TANK:
In equipment’s with sanitary re-circulation rings the volume of the water in the pipes is to be taken into account.
Type Min. size exp. vessel Max. size exp. vessel
The tanks are produced according to the basic EEC Directives 2014/68/UE (P.E.D.) for the pressure equipment’s, as in the art. 4.3.
Connection
- a) Aqueduct
- b) Check valve
- c) Pressure reduction
- d) Expansion tank
- e) Safety valve
- f) Drain cock
- g) Heat pump

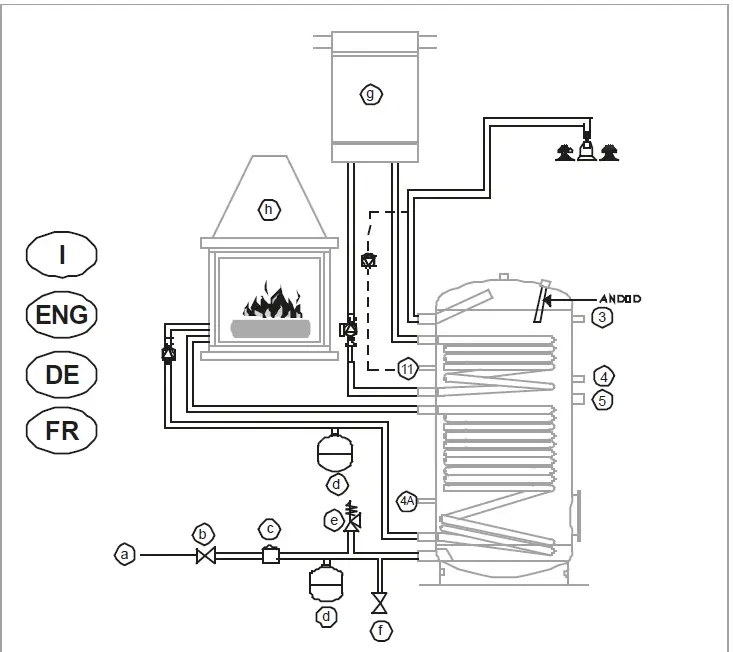
Example of connection mod. EPM: equipment scheme with condensing boiler or traditional and solar panels.
- a) Aqueduct
- b) Check valve
- c) Pressure reduction
- d) Expansion tank
- e) Safety valve
- f) Drain cock
- g) Heat pump
- h) Thermo fireplace

Example of connection mod. EPM: equipment scheme with condensing boiler or traditional and thermo fireplace
Guarantee
The construction’s company guarantees his own products which are supplied with identification code. Claims for faults must happen in 8 days in writing or trough the guarantee-card, with the approval by our point of sale. In case of contestations, after our examination of the defect and their causes, the guarantee consists in the repairing by loco or in the substitution of the product, free of freight-charge, upon restitution of the item with manufacturing defect. The installation costs are excluded, except specific agreements.
The guarantee is subjected to the following conditions:
- Claims must happen before the manufacture to complement or assignment to a third party.
- Installation of water-heating must be made from qualified firm/installer, furthermore the plant has to be equipped with safety valve and suitable expansion-vessel.
- Water-heaters by Smalglass or Smalver are subjected to use and maintenance as normally required, temperature and pressure working must be strictly observed, examination and replacement of magnesium anode (best every 6 months), Langelier water index between 0 and +0,4 , hardness within 10°F and 25°F.
From the guarantee are excluded damages due through:
- Faulty montage, making ready for use out of specification or improper use of water-heater.
- Defects caused from no force majeure (impact in case of montage or in building site or by conveyance).
- Intake of parcels, that are rest of material of montage, or damages caused from no controlled and no closed gaskets.
- The contestations don’t entitle deduction of purchase price or a part of it or for compensation with other requires.
We exercise the right to reject requires of guarantees if buyer doesn’t respect the obligation of
current payments.
Further requires of compensation, in special way for directs and indirect damages to people or things, can’t be acknowledged.
DIRECTIVE PARAMETERS
2009/125/CE , Reg . UE 2017 – 1369 – EN 1289
| SIZE (INSUL.) | CAPACITY | NON SOLAR VOLUME | STANDING LOSS (W) | DISP. SPEC. SPECIFIC LOSS (W/K) | ENERGY CLASS |
| ECOGEO 300 H 2SP B (50 mm) | 260 | 175 | 85 | 1,88 | C |
| ECOGEO 500 H 2SP B (50 mm) | 455 | 300 | 112 | 2,49 | C |
FERROLI S.p.A.
Via Ritonda 78/a
37047 San Bonifacio (Verona) Italy
tel. +39.045.6139411
fax. +39.045.6100933
www.ferroli.com



















