Whyte WPSU-SAP1 Smart Apartment Power Supply Unit

SAFETY
The Whyte Smart Apartment Power Supplies are intended for indoor use only. Do not install the Power Supply in damp, humid, hot, or dusty areas. Switch off the source of AC power when making connections to the Power Supply to avoid damaging the unit.
PRECAUTIONS
To ensure trouble free operation of your Whyte Smart Apartment PSU: Do not remove the cover of the Power Supply or dissemble it, as this will invalidate your guarantee. The female F-Type connectors on this unit were designed for use with ‘100’ type coaxial cable with a centre core diameter of 1mm2. When using larger diameter ‘125’ or ‘165’ coaxial cables, you must ensure that suitable F connectors with reducing pins are used, otherwise damage to the unit will occur which will invalidate the guarantee. Do not over tighten the F connectors (finger tight only).
GUARANTEE
All Whyte products are guaranteed for a period of 4 years from the date of purchase against defects. Within this period, Whyte Technologies will repair or replace the faulty product. In the unlikely event, please return any faulty products to your dealer. The guarantee will be deemed void if the serial number on the product is removed, damaged or illegible. The guarantee excludes defects caused by incorrect use, accidental damage, disassembly, water/fire/lightening damage or lack of ventilation.
GENERAL DESCRIPTION
The WPSU-SAP1 and WPSU-SAP2 are the world’s first Smart Apt PSU’s. Customer support is reduced, and customer satisfaction is increased as the IRS system will function correctly irrespective of building occupancy or type of Set-top box (if any) is used by the resident. A Smart Apartment PSU should be fitted in to every apartment irrespective of whether satellite services are required or not, to support terrestrial receptional in all scerarios. They are available in Single or Dual feed versions and are compatible with both legacy and dSCR Set-top boxes. When connected to a legacy STB, voltage switching commands (13/18V) are relayed by the dynamic PSU. In the absence of STB LNB voltage, the Smart Apartment PSU will provide 14V to maintain the IRS System functionality in circumstances when the occupants require TERR services only. The Smart Apartment PSU’s can be set back locally near the TV or fitted discretely in an electrical cupboard.
PRODUCT DESCRIPTION

- Transformer Housing
- LED Power Indicator
- STB TV Connector
- Multiswitch Connector
- AC In Power Cord
- UK Mains Plug
- Corner Brackets
TECHNICAL DESCRIPTION
The Whyte Smart Apartment PSU is an intelligent power supply that operates in “follow me” mode when connected to any satellite Set-top box (Legacy 13/18V +22kHz, DiSEqC switching or dSCR modes are supported). The perfect partner for the Whyte Smart Apartment PSU is the Whyte WSCR504RP Remote Powered dSCR Multiswitch which is designed specifically for installations where no landlords power is available. Where the Set-top Box voltage is below 15.5V DC the Multiswitch supply voltage will be 14V DC, if the Set-top Box voltage is more than 15.5V DC the Multiswitch supply voltage will be 18V DC. Where no Set-top voltage is present (0 Volts) the default Multiswitch supply voltage is at 14V DC enabling its use as a 14V Masthead Power Supply that can deliver up to 1.57A (22W).
INSTALLATION INSTRUCTIONS
Select a suitable location to install the Whyte Smart Apartment PSU. Do not install the power supply in damp, humid, hot, or dusty areas. Using the screw slots on the Corner Brackets, secure the power supply using the appropriate fixing screws and wall plugs to suit the relevant wall surface or cabinet. All connections should be made first before applying AC power. F-Type connectors should be firmly finger tightened. The markers on the power supply indicate how to connect the coax feeds. The feed from the Set-top Box (STB) connects to the “STB TV” F-Type connector. The feed to the Legacy/dSCR Multiswitch connects to the “Multiswitch” F-Type connector. (# See diagram 1)
POWER INDICATOR
When AC is applied the LED(s) will be lit green indicating that the power supply is active.

EXAMPLE CONFIGURATION
Typical Application

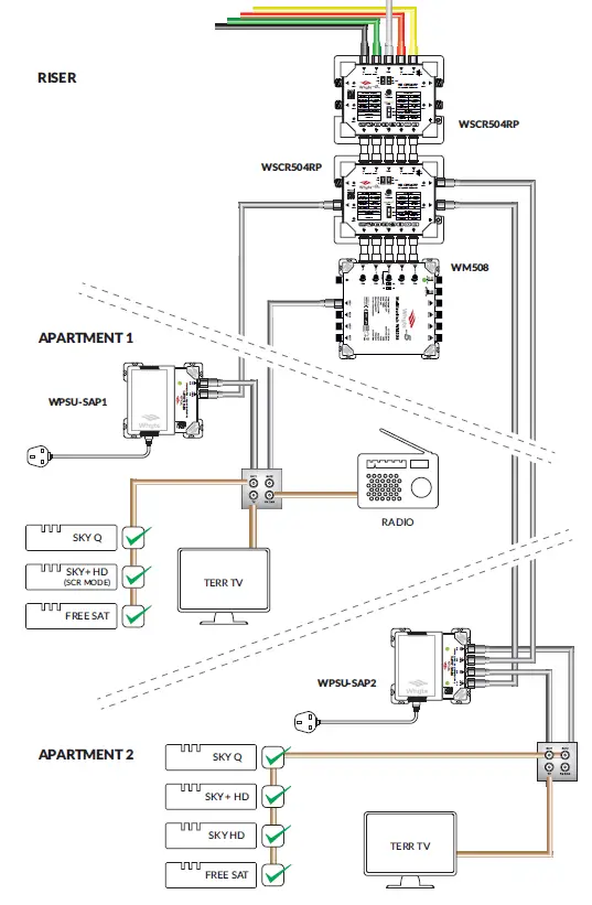
Hybrid IRS – Powered from the Apartment

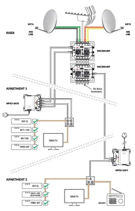
Dual SAT IRS System – Powered from the Apartment

SPECIFICATIONS
WPSU-SAP1 | WPSU-SAP2
- 4 Years Warranty
- Comes in 1 Feed or 2 Feed versions
- The World’s First Smart Apartment PSU
- Compatible with all Legacy and dSCR STB’s
- Provides 22W Power @ 14/18V Per Channel
- Can be installed as a set back Apartment PSU or in the Electrical Cupboard
| MODEL | WPSU-SAP1 | WPSU-SAP2 |
| Channels | Single Channel (Single feed) | Dual Channel (Dual feed) |
| AC Input Voltage | 100 – 240V AC 50/60Hz | 100 – 240V AC 50/60Hz |
| DC Input Voltage (STB Generated) | 13/18V DC | 14V DC |
| Output Voltage | 14/18V DC (Determined by STB Input) | 18V DC Output |
| Output Wattage | 22W | 2 x 22W |
| Current Overload Protection | Yes (30W ±10%) | Yes (30W ±10%) |
| Use as Masthead PSU | Compatible | Compatible |
| RF Frequency Pass | 87 – 2340MHz | 87 – 2340MHz |
| 22kHz Control Tone Pass | Legacy, DiSEqC, SKY UK, EN50607 & EN50494 | Legacy, DiSEqC, SKY UK, EN50607 & EN50494 |
| RF Through Loss | <1dB | <1dB |
| RF Interfaces | F-Type (Female 75Ω) | F-Type (Female 75Ω) |
| Mains Lead (UK Mains Plug with 3A Fuse) | Figure of 8 C13 Cord 1m | Figure of 8 C13 Cord 1m |
| Dimensions L x W x H (mm) | 116 x 120 x 43 | 116 x 120 x 43 |
| Weight | 234g | 276g |
The EU Declaration of Conformity can be viewed at www.whytetechnologies.com. In the interest of continuous improvement, all specifications of products are subject to change without notice.
CONTACTS
- Unit 1, Watermill Business Centre. Edison Road, Enfield. EN3 7XF
- Tel: 0330 999 1980
- [email protected]
- www.whytetechnologies.com
Copyright © Whyte Technologies. November 2022 – v1


















