
Metal Standalone Keypad Access Control
User Manual

Description
The unit is a single-door multifunction standalone access controller or a Wiegand output keypad or card reader. It is suitable for mounting either indoor or outdoor in harsh environments. It is housed in a strong, sturdy, and vandal-proof Zinc Alloy electroplated case which is available in either a bright silver or matt silver finish. The electronics are fully potted so the unit is waterproof and conforms to IP68. This unit supports up to 2000 users in either a Card, 4 digit PIN, or a Card + PIN option. The inbuilt card reader supports 125KHZ EM cards,13.56MHz Mifare cards. The unit has many extra features including lock output current short circuit protection, Wiegand output, and a backlit keypad. These features make the unit an ideal choice for door access not only for small shops and domestic households but also for commercial and industrial applications such as factories, warehouses, laboratories, banks, and prisons.
Features
- Waterproof conforms to IP68
- Strong Zinc Alloy Electroplated anti-vandal case
- Full programming from the keypad
- 2000 uses, supports Card, PIN, Card + PIN
- Can be used as a stand-alone keypad
- Backlight keys
- Wiegand 26 input for connection to an external reader
- Wiegand 26 output for connection to a controller
- Adjustable Door Output time, Alarm time, Door Open time
- Very low power consumption (30mA)
- Fast operating speed, <20ms with 2000 users
- Lock output current short circuit protection
- Easy to install and program
- Red, Yellow, and Green LEDs display the working status
Specifications
| Operating Voltage | DC 12V±10% |
| User Capacity | 2000 |
| Card Reading Distance | 3-6 cm |
| Active Current | <60mA |
| Idle Current | 25±5 mA |
| Lock Output Load | Max 3A |
| Operating Temperature | -45 ℃ ~60℃ |
| Operating Humidity | 10%- 90% RH |
| Waterproof | Conforms to IP68 |
| Adjustable Door Relay time | 0 -99 seconds |
| Wiegand Interface | Wiegand 26 bit |
| Wiring Connections | Electric Lock, Exit Button, External Alarm, External reader |
Packing List
| Name | Quantity | Remarks |
| Keypad | 1 | |
| User manual | 1 | |
| Screwdriver | 1 | Φ20mm×60mm, Special for keypad |
| Rubber plug | 2 | Φ6mm×30 mm, used for fixing |
| Self-tapping screws | 2 | Φ4mm×28 mm, used for fixing |
| Star screws | 1 | Φ3mm×6mm, used for fixing |
Please ensure that all the above contents are correct. If any are missing please notify the supplier of the unit.
Installation
- Remove the back cover from the keypad using the supplied special screwdriver
- Drill 2 holes on the wall for the Self-tapping screws and I hole for the cable
- Put the supplied rubber bungs into the two holes
- Fix the back cover firmly on the wall with 2 Self-tapping screws
- Thread the cable through the cable hole
- Attach the keypad to the back cover

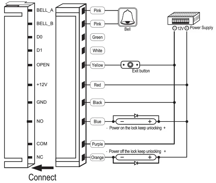
Wiring
| Colour | Function | Description |
| Pink | BELL_A | Doorbell button one end |
| Pale blue | BELL_B | Doorbell button to the other end |
| Green | D0 | WG output D0 |
| White | D1 | WG output D1 |
| Yellow | OPEN | Exit button one end(the other end connected GND) |
| Red | 12V+ | 12V + DC Regulated Power Input |
| Black | GND | 12V – DC Regulated Power Input |
| Blue | NO | Relay normally-on end(Connect positive electric lock “-“) |
| Purple | COM | Relay Public end, connect GND |
| Orange | NC | Relay Closed-end(connect negative electric lock “-“) |
Common power supply diagram:

Special power supply diagram:

To Reset to Factory Default
a. Disconnect power from the unit
b. Press and hold the # key whilst powering the unit back up
c. On hearing two “Di” release # keys, the system is now back factory settings
NOTE: note only installer data is restored, user data will not be affected
Sound and Light indication
| Operation Status | Red Light | Green Light | Yellow Light | Buzzer |
| Power on | – | Bright | – | Di |
| Stand by | Bright | – | – | – |
| Press keypad | – | – | – | Di |
| Operation successful | – | Bright | – | Di |
| Operation failed | – | – | – | DiDiDi |
| Enter into programming mode | Bright | – | – | |
| In the programming mode | – | – | Bright | Di |
| Exit from the programming mode | Bright | – | – | Di |
| Open the door | – | Bright | – | Di |
Detailed Programming Guide
1. User Settings
| To enter the programming mode | * Master code # 999999 is the default factory master code |
| To exit from the programming mode | * |
| Note that to undertake the following programming the master user must be logged in | |
| To change the master code | 0 New code # New code # The master code can be 6 to 8 digits long |
| Setting the working mode: | 3 0 # Entry is by card only 3 1 # Entry is by card and PIN together 3 2 # Entry is by either card or PIN (default) |
| To add a user in either card or PIN mode, i.e. in the 3 2 # mode. (Default setting) | |
| To add a card and PIN user | 1 User ID number # PIN # The ID number is any number between 1 & 2000. The PIN is any four digits between 0000 & 9999 with the exception of 1234 which is reserved. Users can be added continuously without exiting programming mode as follows: 1 User ID no 1 PIN # # User ID no 2 # PIN # |
| To delete a PIN user | 2 User ID number # Users can be deleted continuously without exiting programming mode |
| To change the PIN of a PIN user (This step must be done out of programming mode) | * ID number # Old PIN # New PIN # New PIN # |
| To add a card user (Method 1) This is the fastest way to enter cards, user ID number auto-generation. | 1 Read card # Cards can be added to continuous exiting programming mode |
| To add a card user (Method 2) This is the alternative way to enter cards using User ID Allocation. In this method a User ID is allocated to a card. Only one user ID can be allocated to a single card. | 1 ID number # Read card # User can be added continuously without exiting the programming mode |
| To add a card user (Method 3) Card number is the last 8 digits printed on the back of the card, the user ID number auto-generation | 1 Card number # User can be added continuously without exiting the programming mode |
| To add a card user (Method 4) In this method a User ID is allocated to a card number. Only one user ID can be allocated to the card number | 1 ID number. # Card number. # User can be added continuously without exiting the programming mode |
| To delete a card user by card. Note users can be deleted continuously without exiting the programming mode | 2 Read Card # |
| To delete a card user by user ID. This option can be used when a user has lost their card | 2 User ID # |
| To delete a card user by card number. This option can be used when the user wants to make the change but the card has lost | 2 Card number # Note users can be deleted continuously without exiting the programming mode |
| To add a card and PIN user in card and PIN mode (3 0 #) | |
| To add a card and PIN user (The PIN is any four digits between 0000 & 9999 with the exception of 1234 which is reserved.) | Add the card as for a card user Press * to exit from the programming mode Then allocate the card a PIN as follows:* Read card 1234 # PIN # PIN # |
| To change a PIN in card and PIN mode (Method 1) Note that this is done outside programming mode so the user can undertake this themselves | * Read Card Old PIN # New PIN # New PIN # |
| To change a PIN in card and PIN mode (Method 2) Note that this is done outside programming mode so the user can undertake this themselves | * ID number # Old PIN # New PIN # New PIN # |
| To delete a Card and PIN user just delete the card | 2 User ID # |
| To add a card user in card mode (3 0 #) | |
| To Add and Delete a card user | The operating is the same as adding and deleting a card user in 3 2 # |
| To delete All users | |
| To delete ALL users. Note that this is a | 2 0000 # |
| To unlock the door | |
| For a PIN user | Enter the PIN then press # |
| For a card User | Read card |
| For a card and PIN user | Read card then enter PIN # |
Door Settings
| Relay Output Delay Time | |
| To set door relay strike time | *Master code # 4 0~99 # * 0-99 is to set the door relay time 0-99 seconds |
| Normal status: No keypad lockout or alarm (factory default) | 7 0 # (Factory default setting) |
| Keypad Lockout | 7 1 # |
The unit operating as a Wiegand Output Reader
In this mode, the unit supports a Wiegand 26 bit output so the Wiegand data lines can be connected to any controller which supports a Wiegand 26 bit input.

RF ENERGY EXPOSURE AND PRODUCT SAFETY GUIDE
| Before using this radio, read this guide which contains important operating instructions for safe usage and RF energy awareness and control for compliance with applicable standards and regulations. |
This radio uses electromagnetic energy in the radio frequency (RF) spectrum to provide communications between two or more users over a distance. RF energy, which when used improperly, can cause biological damage.
All Retekess radios are designed, manufactured, and tested to ensure they meet government-established RF exposure levels. In addition, manufacturers also recommend specific operating instructions to users of the radios. These instructions are important because they inform users about RF energy exposure and provide simple procedures on how to control it.
Please refer to the following websites for more information on what RF energy exposure is and how to control your exposure to assure compliance with established RF exposure limits: http://www.who.int/en/
Local Government Regulations
When radios are used as a consequence of employment, the Local Government Regulations requires users to be fully aware of and able to control their exposure to meet occupational requirements. Exposure awareness can be facilitated by the use of a product label directing users to specific user awareness information. Your Retekess radio has an RF Exposure Product Label. Also, your Retekess user manual or separate safety booklet includes information and operating instructions required to control your RF exposure and to satisfy compliance requirements.
Radio License (if appropriate)
Governments keep the radios in classification, business radios operate on radio frequencies that are regulated by the local radio management departments (FCC, ISED, OFCOM, ANFR, BFTK, Bundesnetzagentur…).To transmit on these frequencies, you are required to have a license issued by them. For the detailed classification and the use of your radios, please contact the local government radio management departments. Use of this radio outside the country where it was intended to be distributed is subject to government regulations and may be prohibited.
Unauthorized modification and adjustment
Changes or modifications not expressly approved by the party respon-sible for compliance may void the user’s authority granted by the local government radio management departments to operate this radio and should not be made. To comply with the corresponding requirements, transmitter adjustments should be made only by or under the supervision of a person certified as technically qualified to perform transmitter maintenance and repairs in the private land mobile and fixed services as certified by an organization representative of the user of those services. Replacement of any transmitter component (crystal, semiconductor, etc.) not authorized by the local government radio management departments’ equipment authorization for this radio could violate the rules.
FCC Requirements:
- This device complies with part 15 of the FCC Rules. Operation is subject to the following two conditions:
- This device may not cause harmful interference, and
- this device must accept any interference received, including interference that may cause undesired operation
- This equipment has been tested and found to comply with the limits for a Class B digital device, pursuant to Part 15 of the FCC Rules. These limits are designed to provide reasonable protection against harmful interference in a residential installation. This equipment generates uses and can radiate radio frequency energy and, if not installed and used in accordance with the instructions, may cause harmful interference to radio communications. However, there is no guarantee that interference will not occur in a particular installation. If this equipment does cause harmful interference to radio or television reception, which can be determined by turning the equipment off and on, the user is encouraged to try to correct the interference by one or more of the following measures:
– Reorient or relocate the receiving antenna.
– Increase the separation between the equipment and receiver.
– Connect the equipment into an outlet on a circuit different from that to which the receiver is connected.
– Consult the dealer or an experienced radio/TV technician for help.
CE Requirements:

(Simple EU declaration of conformity) Henan Eshow Electronic Commerce Co., Ltd declares that the radio equipment type is in compliance with the essential requirements and other relevant provisions of RED Directive 2014/53/EU and the ROHS Directive 2011/65/EU and the WEEE Directive 2012/19/EU; the full text of the EU declaration of conformity is available at the following internet address: www.retekess.com.
Disposal
The crossed-out wheeled bin symbol on your product, literature, or packaging reminds you that in the European Union, all electrical and electronic products, batteries, and accumulators (rechargeable batteries) must be taken to designated collection locations at the end of their working life. Do not dispose of these products as unsorted municipal waste. Dispose of them according to the laws in your area.
IC Requirements:
License-exempt radio apparatus This device contains license-exempt transmitter(s)/receiver(s) that comply with Innovation, Science, and Economic Development Canada’s license-exempt RSS(s).
Operation is subject to the following two conditions:
(1) This device may not cause interference.
(2) This device must accept any interference, including interference that may cause undesired operation of the device.
RF Exposure Information
- DO NOT operate the radio without a proper antenna attached, as this may damage the radio and may also cause you to exceed RF exposure limits. A proper antenna is an antenna supplied with this radio by the manufacturer or an antenna specifically authorized by the manufacturer for use with this radio, and the antenna gain shall not exceed the specified gain by the manufacturer declared.
- DO NOT transmit for more than 50% of total radio use time, more than 50% of the time can cause RF exposure compliance requirements to be exceeded.
- During transmissions, your radio generates RF energy that can possibly cause interference with other devices or systems. To avoid such interference, turn off the radio in areas where signs are posted to do so.
- The device complies with RF specifications when the device used at 5mm from your body.
Third-party belt clips, holsters, and similar acc-essories used by this device should not contain any metallic components. Body-worn accessories that do not meet these requirements may not comply with RF exposure requirements and should be avoided. - DO NOT operate the transmitter in areas that are sensitive to electromagnetic radiation such as hospitals, aircraft, and blasting sites.
Avoid Choking Hazard
Small Parts. Not for children under 3 years.
Protect your hearing

- Use the lowest volume necessary to do your job.
- Turn up the volume only if you are in noisy surroundings.
- Turn down the volume before adding a headset or earpiece.
- Limit the amount of time you use headsets or earpieces at high volume.
- When using the radio without a headset or earpiece, do not place the radio’s speaker directly against your ear
- Use care with the earphone may be possible excessive sound pressure from earphones and headphones can cause hearing loss Note: Exposure to loud noises from any source for extended periods of time may temporarily or permanently affect your hearing. The louder the radio’s volume, the less time is required before your hearing could be affected. Hearing damage from loud noise is sometimes undetectable at first and can have a cumulative effect.

Avoid Burns

Forbid
- Do not use charger outdoors or in moist environments, use only in dry locations/conditions.
- Do not disassemble the charger, that may result in a risk of electrical shock or fire.
- Do not operate the charger if it has been broken o damaged in any way.
- Do not place a portable radio in the area over an airbag or in the airbag deployment area. The radio may be propelled with great force and cause serious injury to occupants of the vehicle when the airbag inflates.
To reduce risk - Pull by the plug rather than the cord when disconnecting the charger.
- Unplug the charger from the AC outlet before attempting any maintenance or cleaning.
- Contact Retekess for assistance regarding repairs and service.
- The adapter shall be installed near the equipment and shall be easily accessible
- Risk of explosion if the battery is replaced by an incorrect type. Dispose of used batteries according to the instructions.
- The adapter shall be installed near the equipment and shall be easily accessible.
- The plug is considered as a disconnect device of the adapter.
- The operating temperature of the EUT can’t exceed the specified range.
Approved Accessories

- This radio meets the RF exposure guidelines when used with the Retekess accessories supplied or designated for the product. The use of other accessories may not ensure compliance with the RF exposure guidelines and may violate regulations.
- For a list of Retekess-approved accessories for your radio model, visit the following website: http://www.Retekess.com
Guarantee
Model Number:……………………..
Serial Number:……………………………
Purchasing Date:…………………………
Dealer: …………………………………….Telephone:…………………..
User’s Name: ………………………….Telephone:…………………………
Country: Address:……………………
Post Code: ………………………….Email:………………….
Remarks:
- This guarantee card should be kept by the user, no replacement if lost.
- Most new products carry a two-year manufacturer’s warranty from the date of purchase.
- The user can get a warranty and after-sales service as below:
●Contact the seller where you buy.
●Products Repaired by Our Local Repair Center - For warranty service, you will need to provide a receipt proof of purchase from the actual seller for verification
Exclusions from Warranty Coverage:
- To any product damaged by accident.
- In the event of misuse or abuse of the product or as a result of unauthorized alterations or repairs.
- If the serial number has been altered, defaced, or removed.


Henan Eshow Electronic Commerce Co., Ltd
Add: 7/F, Sanjiang Building, No.170 Nanyang Road, Huiji District, Zhengzhou, Henan, China
Facebook:facebook.com/Retekess.ru
E-mail: : [email protected]
Web: retekess.com.ru

MADE IN CHINA


















