
Metal Standalone Keypad Access Control
User Manual
T-AC03

Description
The unit is a single-door multifunction standalone access controller or a Wiegand output keypad or card reader. It is suitable for mounting either indoor or outdoor in harsh environments. It is housed in a strong, sturdy, and vandal-proof Zinc Alloy electroplated case which is available in either a bright silver or matt silver finish. The electronics are fully potted so the unit is waterproof and conforms to IP68. This unit supports up to 2000 users in either a Card, 4 digit PIN, or a Card + PIN option. The inbuilt card reader supports 125KHZ EM cards,13.56MHz Mifare cards. The unit has many extra features including lock output current short circuit protection, Wiegand output, and a backlit keypad. These features make the unit an ideal choice for door access not only for small shops and domestic households but also for commercial and industrial applications such as factories, warehouses, laboratories, banks, and prisons.
Features
- Waterproof conforms to IP68
- Strong Zinc Alloy Electroplated anti-vandal case
- Full programming from the keypad
- 2000 uses, supports Card, PIN, Card + PIN
- Can be used as a stand-alone keypad
- Backlight keys
- Wiegand 26 input for connection to an external reader
- Wiegand 26 output for connection to a controller
- Adjustable Door Output time, Alarm time, Door Open time
- Very low power consumption (30mA)
- Fast operating speed, <20ms with 2000 users
- Lock output current short circuit protection
- Easy to install and program
- Built-in a light-dependent resistor (LDR) for anti-tamper
- Built-in buzzer
- Red, Yellow, and Green LEDs display the working status
Specifications
| Operating Voltage | DC 12V±10% |
| User Capacity | 2000 |
| Card Reading Distance | 3-6 cm |
| Active Current | <60mA |
| Idle Current | 25±5 mA |
| Lock Output Load | Max 3A |
| Alarm Output Load | Max 20A |
| Operating Temperature | -45 ℃ ~60℃ |
| Operating Humidity | 10%- 90% RH |
| Waterproof | Conforms to IP68 |
| Adjustable Door Relay time | 0 -99 seconds |
| Adjustable Alarm Time | 0- 3 minutes |
| Wiegand Interface | Wiegand 26 bit |
| Wiring Connections | Electric Lock, Exit Button, External Alarm, External reader |
Packing List
| Name | Quantity | Remarks |
| Keypad | 1 | |
| User manual | 1 | |
| Screwdriver | 1 | Φ20mm×60mm, Special for keypad |
| Rubber plug | 2 | Φ6mm×30 mm, used for fixing |
| Self-tapping screws | 2 | Φ4mm×28 mm, used for fixing |
| Star screws | 1 | Φ3mm×6mm, used for fixing |
Please ensure that all the above contents are correct. If any are missing please notify the supplier of the unit.
Installation
- Remove the back cover from the keypad using the supplied special screwdriver
- Drill 2 holes on the wall for the Self-tapping screws and I hole for the cable
- Put the supplied rubber bungs into the two holes
- Fix the back cover firmly on the wall with 2 Self-tapping screws
- Thread the cable through the cable hole
- Attach the keypad to the back cover

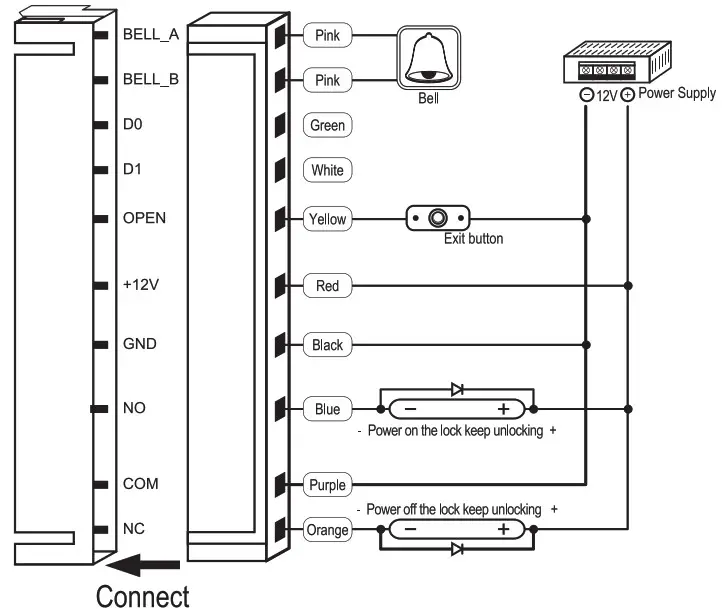
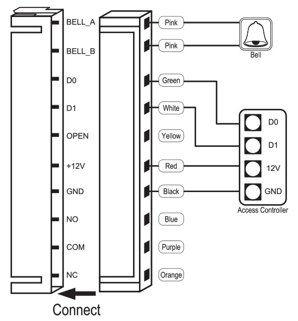
Wiring
| Colour | Function | Description |
| Pink | BELL_A | Doorbell button one end |
| Pale blue | BELL_B | Doorbell button to the other end |
| Green | D0 | WG output D0 |
| White | D1 | WG output D1 |
| Grey | ALARM | Alarm negative(alarm positive connected 12 V+) |
| Yellow | OPEN | Exit button one end(the other end connected GND) |
| Brown | D_IN | Magnetic switch one end(the other end connected GND) |
| Red | 12V+ | 12V + DC Regulated Power Input |
| Black | GND | 12V – DC Regulated Power Input |
| Blue | NO | Relay normally-on end(Connect positive electric lock “-“) |
| Purple | COM | Relay Public end, connect GND |
| Orange | NC | Relay Closed-end(connect negative electric lock “-“) |
Common power supply diagram:

Special power supply diagram:

To Reset to Factory Default
a. Disconnect power from the unit
b. Press and hold the # key whilst powering the unit back up
c. On hearing two “Di” release # keys, the system is now back factory settings
NOTE: note only installer data is restored, user data will not be affected
Anti Tamper Alarm
The unit uses an LDR (light-dependent resistor) as an anti-tamper alarm. If the keypad is removed from the cover then the tamper alarm will operate.
Sound and Light indication
| Operation Status | Red Light | Green Light | Yellow Light | Buzzer |
| Power on | – | Bright | – | Di |
| Stand by | Bright | – | – | 0 |
| Press keypad | – | – | – | Di |
| Operation successful | – | Bright | – | Di |
| Operation failed | – | – | – | DiDiDi |
| Enter into programming mode | Bright | – | – | |
| In the programming mode | – | – | Bright | Di |
| Exit from the programming mode | Bright | – | – | Di |
| Open the door | – | Bright | – | Di |
| Alarm | Bright | – | – | Alarm |
Detailed Programming Guide
1. User Settings
| To enter the programming mode | * Master code # 999999 is the default factory master code |
| To exit from the programming mode | * |
| Note that to undertake the following programming the master user must be logged in | |
| To change the master code | 0 New code # New code # The master code can be 6 to 8 digits long |
| Setting the working mode: | 3 0 # Entry is by card only 3 1 # Entry is by card and PIN together 3 2 # Entry is by either card or PIN (default) |
| To add a user in either card or PIN mode, i.e. in the 3 2 # mode. (Default setting) | |
| To add a card and PIN user | 1 User ID number # PIN # The ID number is any number between 1 & 2000. The PIN is any four digits between 0000 & 9999 with the exception of 1234 which is reserved. Users can be added continuously without exiting programming mode as follows: 1 User ID no 1 PIN # # User ID no 2 # PIN # |
| To delete a PIN user | 2 User ID number # Users can be deleted continuously without exiting programming mode |
| To change the PIN of a PIN user (This step must be done out of programming mode) | * ID number # Old PIN # New PIN # New PIN # |
| To add a card user (Method 1) This is the fastest way to enter cards, user ID number auto-generation. | 1 Read card # Cards can be added to continuous exiting programming mode |
| To add a card user (Method 2) This is the alternative way to enter cards using User ID Allocation. In this method a User ID is allocated to a card. Only one user ID can be allocated to a single card. | 1 ID number # Read card # User can be added continuously without exiting the programming mode |
| To add a card user (Method 3) Card number is the last 8 digits printed on the back of the card, the user ID number auto-generation | 1 Card number # User can be added continuously without exiting the programming mode |
| To add a card user (Method 4) In this method a User ID is allocated to a card number. Only one user ID can be allocated to the card number | 1 ID number. # Card number. # User can be added continuously without exiting the programming mode |
| To delete a card user by card. Note users can be deleted continuously without exiting the programming mode | 2 Read Card # |
| To delete a card user by user ID. This option can be used when a user has lost their card | 2 User ID # |
| To delete a card user by card number. This option can be used when the user wants to make the change but the card has lost | 2 Card number # Note users can be deleted continuously without exiting the programming mode |
| To add a card and PIN user in card and PIN mode (3 0 #) | |
| To add a card and PIN user (The PIN is any four digits between 0000 & 9999 with the exception of 1234 which is reserved.) | Add the card as for a card user Press * to exit from the programming mode Then allocate the card a PIN as follows:* Read card 1234 # PIN # PIN # |
| To change a PIN in card and PIN mode (Method 1) Note that this is done outside programming mode so the user can undertake this themselves | * Read Card Old PIN # New PIN # New PIN # |
| To change a PIN in card and PIN mode (Method 2) Note that this is done outside programming mode so the user can undertake this themselves | * ID number # Old PIN # New PIN # New PIN # |
| To delete a Card and PIN user just delete the card | 2 User ID # |
| To add a card user in card mode (3 0 #) | |
| To Add and Delete a card user | The operating is the same as adding and deleting a card user in 3 2 # |
| To delete All users | |
| To delete ALL users. Note that this is a | 2 0000 # |
| To unlock the door | |
| For a PIN user | Enter the PIN then press # |
| For a card User | Read card |
| For a card and PIN user | Read card then enter PIN # |
2. Door Settings
| Relay Output Delay Time | |
| To set door relay strike time | *Master code # 4 0~99 # * 0-99 is to set the door relay time 0-99 seconds |
| Door Open Detection Door Open Too Long (DOTL) warning. When used with an optional magnetic contact or built-in magnetic contact of the lock, if the door is opened normally, but not closed after 1 minute, the inside buzzer will beep automatically to remind people to close the door and continue for 1 minute before switching off automatically. Door Forced Open warning. When used with an optional magnetic contact or built-in magnetic contact of the lock, if the door is forced open, or if the door is opened after 20 seconds, the inside buzzer and alarm output will both operate. The Alarm Output time is adjustable between 0-3 minutes with the default being 1 minute. | |
| To disable door open detection. (Factory default) | 6 0 # |
| To enable door open detection | 6 1 # |
| Alarm output time | |
| To set the alarm output time (0-3 minutes) Factory default is 1 minute | 5 0~3 # |
| Keypad Lockout & Alarm Output options. If there are 10 invalid cards or 10 incorrect PIN numbers in a 10 minute period either the keypad will lock out for 10 minutes or both the alarm and the inside buzzer will operate for 10 minutes, depending on the option selected below. | |
| Normal status: No keypad lockout or alarm (factory default) | 7 0 # (Factory default setting) |
| Keypad Lockout | 7 1 # |
| The alarm and inside buzzer operates | 7 2 # |
| To remove the alarm | |
| To reset the Door Forced Open warning | Read valid card or Master Code # |
| To reset the Door Open Too Long warning | Close the door or Read valid card or Master Code # |
The unit operating as a Wiegand Output Reader
In this mode, the unit supports a Wiegand 26 bit output so the Wiegand data lines can be connected to any controller which supports a Wiegand 26 bit input.

Warning
| Before using this radio, read this guide which contains important operating instructions for safe usage and RF energy awareness and control for compliance with applicable standards and regulations. |
Local Government Regulations
When radios are used as a consequence of employment, the Local Government Regulations requires users to be fully aware of and able to control their exposure to meet occupational requirements. Exposure awareness can be facilitated by the use of a product label directing users to specific user awareness information. Your Retekess radio has an RF Exposure Product Label. Also, your Retekess user manual or separate safety booklet includes information and operating instructions required to control your RF exposure and to satisfy compliance requirements.
Compliance with RF Exposure Standards (If appropriate, reference to the actual product’s Safety Marking)
Your Retekess radio is designed and tested to comply with a number of national and international standards and guidelines (listed below) for human exposure to radiofrequency electromagnetic energy.
FCC ID
The FCC ID means: This radio complies with the IEEE (FCC) and ICNIRP exposure limits for occupational/controlled RF exposure environments at operating duty factors of up to 50% talk-50% listen and is approved for occupational use only.
This device complies with Part 15 of the FCC Rules. Operation is subject to the following two conditions:
(1) This device may not cause harmful interference, and
(2) This device must accept any interference received, including interference that may cause undesired operation.
Warning: Changes or modifications not expressly approved by the party responsible for compliance could void the user’s authority to operate the equipment.
NOTE
This equipment has been tested and found to comply with the limits for a Class B digital device, pursuant to Part 15 of the FCC Rules. These limits are designed to provide reasonable protection against harmful interference in a residential installation. This equipment generates uses and can radiate radio frequency energy and, if not installed and used in accordance with the instructions, may cause harmful interference to radio communications. However, there is no guarantee that interference will not occur in a particular installation. If this equipment does cause harmful interference to radio or television reception, which can be determined by turning the equipment off and on, the user is encouraged to try to correct the interference by one or more of the following measures:
- Reorient or relocate the receiving antenna.
- Increase the separation between the equipment and receiver.
- Connect the equipment into an outlet on a circuit different from that to which the receiver is connected.
- Consult the dealer or an experienced radio/TV technician for help.
The CE marking means: Hereby, Henan Eshow Electronic Commerce Co., Ltd. declares that the radio equipment type is in compliance with the RED Directive 2014/53/EU and the ROHS Directive 2011/65/EU and the WEEE Directive 2012/19/EU The full text of the EU declaration of conformity is available at the following internet address: www.tivdio.com
IC ID
This device complies with Industry Canada license-exempt RSS standard(s). Operation is subject to the following two conditions:
- This device may not cause interference, and
- This device must accept any interference, including interference that may cause undesired operation of the device.
In terms of measuring RF energy for compliance with these exposure guidelines, your radio generates measurable RF energy only while it is transmitting (during talking), not when it is receiving (listening) or in standby mode.
Avoid Choking Hazard
Small Parts. Not for children under 3 years.
Protect your hearing

- Use the lowest volume necessary to do your job.
- Turn up the volume only if you are in noisy surroundings.
- Turn down the volume before adding a headset or earpiece.
Turn off your radio power in the following conditions:

- Turn off your radio before removing (installing) a battery or accessory or when charging the battery.
- Turn off your radio when you are in a potentially hazardous environment: Near electrical blasting caps, in a blasting area, in explosive atmospheres (inflammable gas, dust particles, metallic powders, grain powders, etc.).
- Turn off your radio while taking on fuel or while parked at gasoline service stations.
- To avoid electromagnetic interference and/or compatibility conflicts turn off your radio in any facility where posted notices instruct you to do so, hospitals or health care facilities (Pacemakers, Hearing Aids and Other Medical
- Turn off your radio when onboard an aircraft. Any use of a radio must be in accordance with applicable regulations per airline crew instructions.
Avoid Burns
Antennas
- Do not use any portable radio that has a damaged antenna. If a damaged antenna comes into contact with the skin when the radio is in use, a minor burn can result.
Batteries (If appropriate)
- When the conductive material such as jewelry, keys or chains touch exposed terminals of the batteries, may complete an electrical circuit (short circuit the battery) and become hot to cause bodily injury such as burns. Exercise care in handling any battery, particularly when placing it inside a pocket, purse, or another container with metal objects.
Long transmission (If appropriate)
- When the transceiver is used for long transmissions, the radiator and chassis will become hot.
Safety Operation
Forbid
- Do not use charger outdoors or in moist environments, use only in dry locations/ conditions.
- Do not disassemble the charger, which may result in a risk of electrical shock or fire.
- Do not operate the charger if it has been broken or damaged in any way.
- Do not place a portable radio in the area over an airbag or in the airbag deployment area. The radio may be propelled with great force and cause serious injury to occupants of the vehicle when the airbag inflates.
To reduce risk
- Pull by the plug rather than the cord when disconnecting the charger.
- Unplug the charger from the AC outlet before attempting any maintenance or cleaning.
- Contact Retekess for assistance regarding repairs and service.
EU Importer:
Name: Germany Retevis Technology GmbH
Address:Uetzenacker 29,38176 wendeburg

Henan Eshow Electronic Commerce Co., Ltd
Add: Room 722, Sanjiang Building, No.170 Nanyang Road, Huiji District, Zhengzhou, Henan, China
Facebook: facebook.com/Retekess.ru
E-mail: [email protected]



















