
Operating Manual
AIO2-BTLV Series

Version: DM-AIO2-BTLV-EN 1. 0
About This Manual
Products Covered by This Manual
AIO2-BTLV Series Li-ion batteries.
AIO2-BTLV-5KWH
AIO2-BTLV-10KWH
Target Group
This document is intended for qualified electricians. Any electrical installation and maintenance on this inverter must be performed by qualified electricians in compliance with standards, wiring rules, or requirements of local grid authorities or bodies.
Symbols Used
The following types of safety precautions and general information symbols are used in this manual. These important instructions must be followed during the installation, operation, and maintenance of the battery.
| Indicates a hazard with a high level of risk that will result in death or serious injury. | |
| Indicates a hazard with a medium level of risk that can result in death or serious injury. | |
| Indicates a hazard with a low level of risk that can result in minor or moderate injury. | |
| Indicates a situation that, if not avoided, can result in property damage. |
Storage of the Manual
The manual should be stored with other documents belonging to the inverter and must be available to people authorized to work on the installation.
Safety
Intended Use
The AIO2-BTLV Series is a lithium battery for an energy storage system. It must only be connected with a SOLTARO hybrid inverter/battery inverter. To prevent personal injury and property damage and to ensure long- term operation of the product, please read and follow all the instructions and cautions on the battery and this user manual during installation, operation, or maintenance at all times.
Important Safety Instructions
![]()
Danger to life from electric shock.
- Before performing any work on the battery, make sure the battery is powered off and the DC isolator is disconnected.
- Do not short circuit the DC connectors of the battery, this may cause an electric shock to personnel and damage to the product.
- Do not touch the DC connectors of the battery.
- If an error occurs, contact your local distributor or a qualified electrician.
![]()
- Do not allow the battery to get in contact with liquids.
- Do not subject the battery to high pressures.
- Do not place any objects on top of the battery.
![]()
- Do not open the battery cover or change any components without authorization, otherwise, the warranty commitment for the battery will be invalid.
- Appropriate methods must be adopted to protect the battery from electrostatic discharge; any damage caused by ESD is not warranted by the manufacturer.
Scope of Delivery

| Item | QTY | Designation |
| A | 1 | 5kWh/10kWh Battery |
| B | 1 | 5kWh/10kWh Wall Mounting Bracket |
| C | 4 | 5kWh/10kWh Screws for Fixing Mounting Bracket |
| D | 1 | Manual |
![]()
Accessories for different applications may be different.
Product Description
Thank you for choosing a SOLTARO battery. Features of the SOLTARO battery are ahead of the field and should be understood prior to installation.

Figure 1. View of the AIO2-BTLV Series Lithium Battery
Position | Designation |
| A | Connection Area Cover For an All-in-one application with a hybrid inverter, the cover is not included. |
| B | LED indicator |
Symbols on the Type Label
Symbol | Explanation |
| Caution, Risk of Danger | |
| Caution, Risk of Electric Shock | |
| Refer to the Operating Manual | |
| WEEE Mark. This inverter should not be disposed of as ordinary waste. |
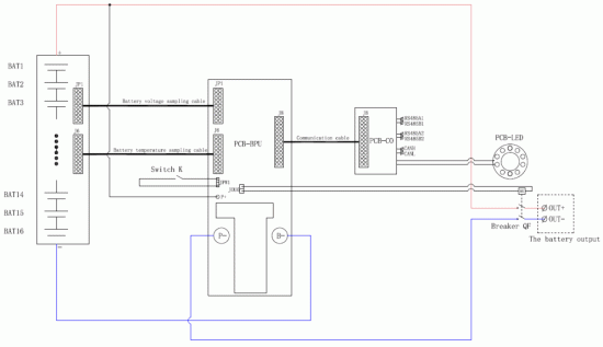
Electrical schematic for AIO2-BTLV

Mounting
Requirements for Mounting
Check to make sure the installation site does not fall into any of the following conditions: If it does, then a risk assessment will be required.
Please apply safe lifting procedures when installing the battery. 2 people or mechanical aids are recommended.
- Unsafe due to assessment of occupational health safety risks.
- The ambient temperature is outside the range of tolerable ambient temperature (-20°C to +50°C, -4°F to +122°F).
- Close to flammable materials or areas where flammable materials are stored. The distance from flammable materials must be >1200mm.
- Prone to be damaged by seawater.
- Prone to be flooded or high levels of snowfalls.
- Close to corrosive gas or liquid (for example, locations where chemicals are processed or stored).
- Can be installed indoors or outdoors
- Exposed to direct sunlight or in an enclosure exposed to direct sunlight.
- Little or no airflow
- Mounted on a surface without suitable fire/heat rating.
- Mounted on a wall without suitable load holding capacity.
- High humidity.
- Sites are considered unsafe because of local regulations.
- Confined space without adequate airflow.
- The area is subject to sand or dust storms.
- Exposed to steam, vapor, or water.
Mounting the Battery (5kWh)
Procedure:
![]()
The battery must be mounted in an upright position with a maximal tilt angle of 15 degrees.

![]()

Space Requirement
| Position | Min.size |
| Left | 600 |
| Right | 600 |
| Top | 1200(inverter not included) |
| Bottom | 50 |
| Front | 300 |
STEP 1:
Prepare the battery box and remove the upper cover (fixed by buckle)

STEP 2:
Install the remaining bottom frame accessories on the 5 kW battery (when installing, take out the 3 rubber plugs on the bottom frame accessories, and then use 3 M5-10 stainless steel cross round head triple combination screws to fix the bottom frame on the battery, and then put back the rubber plug)

STEP 3 :
Drill holes on the wall (diameter 12mm, drilling depth≥ 65mm, unscrew 5 M8-60 expansion screws, and put the expansion head into the drilled hole
note: the height of the drill hole must be ≥200mm

STEP 4:
Install the rack with 5 M8-60 hexagon socket screws unscrewed from the expansion screws in step 3

STEP 5:
Hang the battery (note: make sure that the four hanging buckles on the side is locked, otherwise, the strength is not enough)

STEP 6:
Install the front cover

Mounting the Battery (10kWh)
Procedure:
![]()
The battery must be mounted in an upright position with a maximal tilt angle of 15 degrees.

![]()

Space Requirement
| Position | Min.size |
| Left | 600 |
| Right | 600 |
| Top | 1200(inverter not included) |
| Bottom | 50 |
| Front | 300 |
STEP 1:
Prepare the battery box and remove the upper cover (fixed by buckle)

STEP 2:
Install the remaining bottom frame accessories on the 10 kW battery (when installing, take out the 3 rubber plugs on the bottom frame accessories, and then use 3 M5-10 stainless steel cross round head triple combination screws to fix the bottom frame on the battery, and then put back the rubber plug)

STEP 3:
Drill holes on the wall (diameter 12mm, drilling depth≥ 65mm, unscrew 6 M8-60 expansion screws and put the expansion head into the drilled hole.
note: the height of the drill hole must be ≥200mm

STEP 4:
Install the rack with 6 M8-60 hexagon socket screws unscrewed from the expansion screws in step 3.

STEP 5:
Hang the battery (note: make sure that the six hanging buckles on the side is locked, otherwise, the strength is not enough)

STEP 6:
Install the front cover

Electrical Connection
Overview of the Connection Area

Battery Power Connection
Battery connection diagram

Procedure:
![]()
Before connecting the power cable, make sure the battery is turned off, and the DC isolator is disconnected. Power Cables are supplied with included accessories kit, please confirm they are correct before installation.
STEP 1:
- Install the connectors to battery power ports; make sure the polarities are correct.
STEP 2:
- Plug the other ends of power cables into the inverter. Please contact your inverter vendor for detailed information.
BMS Communication Connection
Please check whether the BMS communication cable in the accessory box is appropriate for the battery. If you are not sure of that, please confirm with your vendor.
Procedure:
STEP 1:
- Please insert the BMS connector into the BMS port of the battery.
STEP 2:
- Please insert the other end of the cable in the corresponding port of the inverter.
BMS Connector Pin Definition:

- BMS_CAN_H
- BMS_CAN_L
- BMS_485_A
- NULL
- BMS_485_B
- NULL
Parallel Connection of Multi-batteries
Up to 3 units of AIO2-BTLV Series batteries with the same capacity can be parallel connected in one system.
Parallel Connection Diagram

・・・up to 5 units
Procedure:
STEP 1:
- Connect all the positive terminals of the power ports of each battery.
- Connect all the negative terminals of power ports of each battery.
- Connect the power ports to the inverter.
STEP 2:
- Connect the BMS ports of each battery. The COM DOWN of the first battery should be connected to the COM UP of the second battery and so forth.
- Then connect the BMS port to the inverter.
Operating of the Battery
LED Indicator
The LED indicates the operating state of the battery and also battery SOC.
Battery status can be monitored remotely via an inverter monitoring portal when installed with Soltaro Hybrid Inverters.
| LED | Explanation |
| Blue | The battery’s status is normal;
|
| Red | • If the battery SOC is below 5%, all the lights will be red. • When there is a service alert, all the lights will be red. |
Turn On/Off the Battery
- When turning on the battery, turn on the isolator firstly, then switch on the battery;
- When turning off the battery, switch off the battery firstly, then disconnect the isolator.
Maintenance
When carrying out battery maintenance, please pay attention to the following matters:
- Only authorized service personnel are allowed to install the battery or perform servicing and maintenance.
- The battery case can be cleaned with a dry cloth or soft brush if necessary.
- No electrical maintenance is required.
- The power should be disconnected before attempting any maintenance or cleaning of the battery.
Technical Data
| Electrical Data | AIO2-BTLV-5KWH | AIO2-BTLV-10KWH |
| Cell Type | LFP | LFP |
| Total Energy | 5 kWh | 10kWh |
| Depth of Discharge | 90% | 90% |
| Usable Energy | 5 kWh | 10kWh |
| Nominal Voltage | 51.2 V | 51.2 V |
| Operating Voltage Range | 40-58.4 V | 40-58.4 V |
| Nominal Capacity | 100 Ah | 200 Ah |
| Max. Charge Current | 50 A | 100 A |
| Max. Discharge Current | 100 A | 100 A |
| Max. Parallel Number | 5 units | 5 units |
| General Data | AIO2-BTLV-5KWH | AIO2-BTLV-10KWH |
| Mounting information | Wall-mounted / Ground-mounted | |
| Communication | CAN / RS485 | |
| Operating Temperature | 0~45℃ charge / -10~50℃ discharge | |
| Dimension | 540*430*210 mm | 540*680*210 mm |
| Weight | 45 kg | 85 kg |
| IP Protection Type | IP65 | |
Contacts:
Head Office & Showroom
8 Mohr Street, Tullamarine, VIC, Australia 3043
Tel: +61 1300 276 582
Email:
[email protected] Support Head Office
[email protected] Australian Support
UK/Europe Office
Unit 8, High Grounds Industrial Est., Worksop, Notts, S80 3AF, United Kingdom
Tel: +44 (0)1909 807 577
Email: [email protected]
South Africa Office
Office 642 Amelia Road, Lanseria Corporate Park, Lanseria South Africa 1739
Tel: +27 (0)11 318 6583
Email: [email protected]
Website
WWW.SOLTARO.COM
Registration URL
https://soltaro.com/product-registration

















