HONDA WSP50AA Submersible Water Pump

Thank you for purchasing this Honda Stainless Steel Sump Pump. We hope you are pleased with your purchase and that our pumps will provide you with long service life and exceptional performance.
To ensure satisfactory service life, there are several considerations regarding proper installation, operation, and power source. Please review the recommendations outlined within this operator’s manual.
Please contact your supplier (supplying dealer or contractor) if service is necessary or if you have any questions or need further assistance.
Please retain the following information for your records and to help expedite service:
Purchase Date: __________________________________
Purchased From: __________________________________ __________________________________
Serial No: __________________________________ (Located on the pump nameplate)
USE AND MAINTENANCE INSTRUCTIONS
MANUFACTURER AND PUMP IDENTIFICATION DATA
MANUFACTURER DATA
EBARA INTERNATIONAL CORPORATION
1651 CEDAR LINE DRIVE
ROCK HILL, SC 29730
PUMP DATA
Description: SUBMERSIBLE SOLIDS PUMP
Model: WSP50AM, WSP50M, WSP100AM, WSP100AA
Year of manufacture: See plate on the pump.
INFORMATION ON TECHNICAL ASSISTANCE
If the malfunction of the pump is not among those included in the troubleshooting table (see “14.2 TROUBLESHOOTING ” on page 10), contact the nearest authorized Honda pump dealer.
INTRODUCTION
This publication contains all the necessary information and instructions for use and maintenance of your submersible sewage pump. Follow the advice given to obtain optimum performance and correct operation of the pump. For any other information you may require, please contact the nearest appointed distributor.
IT IS STRICTLY FORBIDDEN TO REPRODUCE THE ILLUSTRATIONS AND THE TEXT, EVEN IN PART.
GENERAL SAFETY WARNINGS
FAILURE TO OBSERVE THESE WARNINGS AND/OR TAMPERING WITH THE PUMP RELIEVES THE MANUFACTURER OF ANY RESPONSIBILITY IN THE EVENT OF DAMAGE TO PERSONS OR OBJECTS AND/OR TO THE PUMP.
Before starting the pump it is important for the user to know how to perform all the operations described in this manual and to apply them at all times during use or maintenance of the pump.
PREVENTIVE MEASURES TO BE TAKEN BY THE USER
The user must comply with all the accident-prevention regulations in force in the country in which the pump is being used; the indications given in chapters 7.1 and 7.2 must be scrupulously followed.
During pump repairs or maintenance, remove the plug from the socket and/or turn off the switch (if provided), thus interrupting the supply of electric power to the pump. This will prevent accidental starting which could cause damage to persons and/or objects. All maintenance operations, installations, or shifting of the pump with the electric system live may cause severe or fatal injury. During operation, avoid moving or shifting the pump. Before using the pump, always check that the cable and all the electric devices are in working condition. Never start the pump by inserting the plug in the socket and/or switching on the switch with bare feet, with your feet in the water, or with wet hands.
The user must not carry out under his own initiative any operations or jobs not recommended in this manual.
GENERAL SAFETY WARNINGS
WSP50 AND WSP100 pumps are designed in such a way that all the moving parts are protected by the use of casings. The manufacturer declines all responsibility in the event of damage caused as a result of tampering with these devices.
Each lead or live part is electrically insulated to ground; there is also a further safety device in that the accessible conductive parts are connected to a ground lead so that the parts within reach do not become electrically charged in the event of failure of the principal insulation.
WARNING: Cancer and Reproductive Harm www.P65Warnings.ca.gov
GENERAL DESCRIPTION
WSP50 and WSP100 series pumps are all similar from the functional and constructive point of view; the only differences are the following:
- Power
- Flow rate
- Head
- Weight
- Dimensions
WSP50 and WSP100 series pumps are used for handling water, even at high temperatures (see “7.1. PUMP TECHNICAL DATA” on page 4). Thanks to their small bulk and ease of transport, they may be used for fixed or temporary installations, with or without automatic start. These pumps guarantee long life and constant performance if used according to the conditions given in section 8 on page 5 and section 14 on page 9.
TECHNICAL DATA
PUMP TECHNICAL DATA
Max. fluid temperature 104°F/40°C
Max. dimension suspended solids 2 inches
Max. immersion depth 33 feet
Length of power cable 25 feet
Type of impeller single channel
Type of seal on the shaft double mechanical seal in an oil chamber
Type of bearing shielded ball bearing
Delivery diameter 2-inch NPTF
Impeller material stainless steel
Pump structure material stainless steel
Motor structure material stainless steel
Seal cover material stainless steel
Intake side cover material stainless steel
Pump body variable features threaded with feet
MOTOR TECHNICAL DATA
Power (Versions) 1/2 hp and 1 hp
Poles 2
Insulation class F
Degree of protection IP58
Type of duty continuous
Phase-frequency-voltage 60Hz 115 volts single-phase
Overload protection thermal protection single-phase
Motor structure material molded steel
Shaft material stainless steel
Cable material SOW-NSO
THE MANUFACTURER RESERVES THE RIGHT TO ALTER THE TECHNICAL DATA IN ORDER TO MAKE IMPROVEMENTS AND BRING THEM UP TO DATE.
RECOMMENDED AND NON-RECOMMENDED USE
NOTICE
Failure to respect the prescribed limits constitutes a situation of use that is technically improper and endangers the safety of persons, RELIEVING THE MANUFACTURER OF ANY RESPONSIBILITY IN THE EVENT OF ACCIDENTS TO PERSONS OR DAMAGE TO OBJECTS OR TO THE PUMP, AND ALSO RENDERING THE WARRANTY INVALID.
RECOMMENDED CONDITIONS OF USE
WSP50 and WSPI00 series pumps may be used for handling dirty or semidry water or water with suspended bodies with a diameter no greater than 50 mm; for draining garages, cellars, basements, swimming pools, basins, tanks, fountains, drains, cesspools, sewage collection drains from cesspools; for draining excavations, flowing irrigation from ditches, rainwater tanks or streams. The pump may be used for continuous duty only if totally submerged. Use the pump in keeping with its technical characteristics listed in section 7 on page 4.
NON-RECOMMENDED CONDITIONS OF USE
WSP50 and WSP100 series pumps cannot be used for handling water containing acids and corrosive liquids in general, water with temperatures higher than 40°C, sea-water, or flammable and generally dangerous liquids. WSP50 and WSP100 pumps must never be allowed to run without water.
HANDLING AND TRANSPORT
UNPACKING
Check that there are no breaks or severe dents in the packing; if there are, point this out immediately to the person who delivers the material. After removing the pump from the package, check that it has not suffered any damage during transport; if damage is found, inform the dealer within 8 days of delivery. Then check that the characteristics stated on the plate of the pump are the same as you requested in your order.
HANDLING AND DISCONNECTING
NOTICE Failure to follow these instructions may cause the pump to fail, suffering severe damage. Do not use the power cable to lift or drag the pump. To handle or disconnect the pump you must:
- Remove the plug from the power socket and/or turn off the switch if provided
- Roll up and hold the electric power cable in your hand
- Lift the pump and the delivery pipe with the handle provided or with a cable fixed to the handle. If the pump is set for fixed applications, perform the following operations before handling it:
- Remove the plug from the power socket and/or turn off the switch, If provided
- Unscrew any clamps and remove the delivery pipe
- Roll up and hold the electric power cable in your hand
- Lift the pump with the handle provided or with a cable fixed to the handle.
TRANSPORT
The pump is packed in a cardboard box for transport; as its total weight and bulk are not excessive (fig.1) transport presents no problems.
INSTALLATION
NOTICE
TO LIFT OR LOWER THE PUMP, USE A ROPE FIXED TO THE HANDLE; NEVER USE THE ELECTRIC POWER CABLE.
FIXED INSTALLATION
- The pump must be placed on a level surface.
- Lower the pump with a cable fixed to the handle.
- When positioning the pump, observe the minimum required distances (see page 11) from walls, from the sides of the drain or other location, so as to allow functioning, use, and maintenance operations in safe conditions.
- It is recommended to use G2 rigid pipes (metal or plastic), to be screwed onto the threaded delivery union of the pump.
- It is recommended to fit a no-return valve on the delivery pipe.
TEMPORARY INSTALLATION (FOR TEMPORARY USE)
- The pump must be placed on a level surface.
- When positioning the pump, observe the minimum required distances (fig.1) from walls, from the sides of the drain or other location, so as to allow functioning.
- It is recommended to use G2 flexible pipes, with couplings of the same size if required.
- It is recommended to fit a no-return valve on the delivery pipe.
ASSEMBLY AND DISASSEMBLY
The pump has no separate accessories, so no assembly is required for installation. If the pump has to be disassembled (due to breakage or any other reason), the user must notify their dealer or the manufacturer.
FAILURE TO COMPLY WITH THIS RULE RENDERS THE DISTRIBUTOR’S LIMITED WARRANTY INVALID.
PREPARATION FOR USE
ELECTRIC CONNECTION
- For connection to the power mains, the pump is provided with a 25 foot cable. When connecting, consider the installed power and the outlet voltage (see section 1.2 on page 1).
- The outlet must have an efficient ground system complying with the electrical standards in force in the user’s country; the installer is responsible for checking this.
- The WSP50 and WSP100 pumps have a plug with ground contact; grounding is provided by the plug itself when it is inserted in the socket.
- We advise fitting a high-sensitivity differential switch in the electric system (0.03 A).
The electric connection must be by a licensed technician.
ADJUSTING AND REGISTERING
The only thing that needs checking once installation is complete is the length of the cable with float with respect to the minimum and maximum water level (fig.1).
USE AND START-UP
Insert the plug and/or turn on the switch; the pump starts operating; once the pump has taken in water up to the minimum level (see page 11) regulated by the float, it will cut out automatically.
MAINTENANCE AND REPAIRS
MAINTENANCE
NOTICE
Before performing any maintenance operations, disconnect the plug and/or switch off.
THE PUMP MUST BE DISMANTLED ONLY BY THE DEALERSHIP TECHNICIANS. FAILURE TO OBSERVE THIS RULE RENDERS THE DISTRIBUTOR’S LIMITED WARRANTY INVALID. THE SAME APPLIES TO REPAIR JOBS AND/OR REPLACEMENTS.
NOTICE
To ensure correct functioning and long life of the pump, the intake mouth must not be blocked and the impeller must be kept clean. If the intake mouth is blocked it must be cleaned; always wear gloves to protect your hands. If the impeller is dirty, refer to “15.2 PUMP IMPELLER COVER DISASSEMBLY” on page 12 and proceed as follows:
- Wear protective gloves to avoid cutting your hands
- Unscrew the six socket head screws (not the nut, because it is welded to the pump body).
- Slip off the pump body.
- Remove the O-ring.
- The impeller is now uncovered. Check that it is clean. Check also that the space between the impeller and the protective casing is clean.
To reassemble, perform the operations listed above in reverse order.
TROUBLESHOOTING
TYPE OF FAULT
The pump does not work (the motor does not turn over)
| CAUSE | REMEDY |
| No electric power | Check the contactor on the electric line |
| Plug not inserted | Check power connection to the line |
| Float blocked | Check that the float reaches ON level |
| Impeller blocked | Check cause of blockage |
| Thermal protection has tripped | This resets automatically |
| Faulty motor or capacitor | Contact the nearest distributor |
| Hole in the intake cover is blocked | Clean the hole; be certain to disconnect power |
| No-return valve blocked | Clean the valve and check its operation |
TYPE OF FAULT
The pump works at a low flow rate
| CAUSE | REMEDY |
| Dirty impeller or delivery pipes | Clean them; be certain to disconnect power |
| No-return valve blocked | Clean the valve and check its operation |
| Water level too low | Switch off the pump |
| Wrong voltage | Supply the pump with the correct voltage indicated on the data plate |
TYPE OF FAULT
The pump stops after brief periods of operation (tripping the thermal protection)
| CAUSE | REMEDY |
| Impeller blocked by foreign bodies | Remove the foreign bodies; be certain to disconnect power |
| Liquid temperature too high | The temperature exceeds the technical limits of the pump |
| Internal defect | Contact the nearest Honda pump dealer |
ILLUSTRATIONS
INSTALLATION WITH MINIMUM FUNCTIONAL SPACES

PUMP IMPELLER COVER DISASSEMBLY

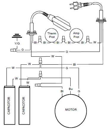
WIRING DIAGRAM

| Black | Bl | Green | G |
| Brown | Br | White | W |
| Gray | Gr | Yellow/Green | Y/G |
WARRANTY SERVICE INFORMATION
Honda Power Equipment dealership personnel are trained professionals. They should be able to answer any question you may have. If you encounter a problem that your dealer does not solve to your satisfaction, please discuss it with the dealership’s management. The Service Manager or General Manager can help. Almost all problems are solved in this way. If you are dissatisfied with the decision made by the dealership’s management, contact the Honda Power Equipment Customer Relations Office. You can write:
American Honda Motor Co., Inc.
Power Equipment Division
Customer Relations Office
4900 Marconi Drive
Alpharetta, GA 30005-8847
Telephone: (770) 497-6400 M-F, 8:30 a.m. – 7:00 p.m. ET When you write or call, please give us this information:
- Model and serial number
- Name of the dealer who sold the pump to you
- Name and address of the dealer who services your pump
- Date of purchase
- Your name, address, and telephone number
- A detailed description of the problem
DISTRIBUTOR’S LIMITED WARRANTY
Honda Power Equipment
This warranty is limited to the following Honda Power Equipment products when distributed by American Honda Motor Co., Inc., Power Equipment Division, 4900 Marconi Drive, Alpharetta, Georgia 30005-8847, purchased at retail or placed in rental service on or after January 1, 2010.
| PRODUCTS COVERED BY THIS WARRANTY | LENGTH OF WARRANTY (from date of original retail purchase) | |
| PRIVATE RESIDENTIAL(1) | COMMERCIAL/ RENTAL/ INSTITUTIONAL | |
| Electric submersible pumps | 12 months | 12 months |
Private residential: Used in maintaining owner’s primary and/or secondary residence. Any other use, including but not limited to informal “for hire” use, is considered commercial/rental/institutional use.
To Qualify for This Warranty:
The product must be purchased in the United States, Puerto Rico, or the U.S. Virgin Islands from American Honda or a dealer authorized by American Honda to sell those products. This warranty applies to first retail purchaser and each subsequent owner during the applicable warranty time period, unless noted otherwise.
What American Honda Will Repair or Replace Under Warranty:
American Honda will repair or replace, at its option, any part that is proven to be defective in material or workmanship under normal use during the applicable warranty time period. Warranty repairs and replacements will be made without charge for parts or labor. Anything replaced under warranty becomes the property of American Honda Motor Co., Inc. All parts replaced under warranty will be considered as part of the original product, and any warranty on those parts will expire coincident with the original product warranty.
To Obtain Warranty Service:
You must, at your expense, take the Honda Power Equipment product, accessory, replacement part, apparel, or the power equipment on which the accessory or replacement part is installed, and proof of purchase to any Honda Power Equipment dealer in the United States, Puerto Rico, or the U.S. Virgin Islands who is authorized to sell and/or service that product, during the dealer’s normal business hours. To locate a dealer near you, visit our web site at PowerEquipment.Honda.com and click on Find a Dealer.
If you are unable to obtain warranty service or are dissatisfied with the warranty service you receive, contact the owner of the dealership involved; normally this will resolve the problem. However, if you should require further assistance, write or call the Power Equipment Customer Relations Department of American Honda Motor Co., Inc. See “16. WARRANTY SERVICE INFORMATION” on page 14.
Exclusions:
- Any damage or deterioration resulting from the following:
- Neglect of the periodic maintenance as specified in the product owner’s manual
- Improper repair or maintenance
- Operating methods other than those indicated in the product owner’s manual
- Increasing engine speed beyond factory specification
- The use of non-genuine Honda parts, accessories, lubricants, and fluids other than those approved by Honda
- Exposure of the product to soot and smoke, chemical agents, bird droppings, sea water, salt or other corrosive environments
- Collision, fuel contamination or deterioration, neglect, unauthorized alteration, misuse, incorporation or use of unsuitable attachments or parts
- Normal wear and tear (including, but not limited to, normal fading of painted or plated surfaces, sheet peeling, and other natural deterioration)
- Consumable parts: Honda does not warrant parts deterioration due to normal wear and tear.
The following parts are not covered by warranty (unless they are needed as a part of another warranted repair): spark plug, fuel filter, air cleaner element, clutch disc, tire, wheel bearing, recoil starter rope, cable, belt, cutter blade, oil, and grease. - Cleaning, adjustment, and normal periodic maintenance work (carburetor cleaning, engine oil draining, blade sharpening, belt and cable adjustments).
- Any product that has ever been declared a total loss or sold for salvage by a financial institution or insurer.
- Auger and paddle assemblies of snow throwers, tiller tines of roto-tillers, mower blades and mower deck housings, are specifically not warranted against impact damage, including but not limited to, abrasive damage.
Disclaimer of Consequential Damage and Limitation of Implied Warranties:
American Honda disclaims any responsibility for loss of time or use of the product, transportation, commercial loss, or any other incidental or consequential damage. Any implied warranties are limited to the duration of this written limited warranty. Some states do not allow limitations on how long an implied warranty lasts and/or do not allow the exclusion or limitation of incidental or consequential damages, so the above exclusions and limitations may not apply to you. This warranty gives you specific legal rights, and you may also have other rights which vary from state to state.
Honda Parts, Accessories, and Apparel
This warranty is limited to Honda Power Equipment parts, accessories, and apparel when distributed by American Honda Motor Co., Inc., 4900 Marconi Drive, Alpharetta, Georgia 30005-8847.
| PRODUCTS COVERED BY THIS WARRANTY | LENGTH OF WARRANTY (from date of original retail purchase) | |
| PRIVATE RESIDENTIAL | COMMERCIAL/ RENTAL/ INSTITUTIONAL | |
| Parts | 6 months | 3 months |
| Batteries | 6 months | 3 months |
| Accessories | 12 months | 3 months |
| Apparel | 6 months | 3 months |
To Qualify for This Warranty:
- The parts, accessories, or apparel must be purchased from American Honda or a dealer authorized by American Honda to sell those products in the United States, Puerto Rico, and the U.S. Virgin Islands. Parts and Accessories must be purchased for installation on original Honda equipment or engines to be eligible for warranty coverage. Installing parts and accessories on non-Honda products or engines voids this warranty.
- You must be the first retail purchaser. This warranty is not transferable to subsequent owners.
What American Honda Will Repair or Replace Under Warranty:
American Honda will repair or replace, at its option, any Honda Power Equipment parts, accessories, replacement parts, or apparel that are proven to be defective in material or workmanship under normal use during the applicable warranty time period. Anything replaced under warranty becomes the property of American Honda Motor Co., Inc. The warranty on all parts, accessories, and apparel replaced under warranty will expire coincident with the original warranty on the replaced parts, accessories, or apparel. Parts and accessories installed by a dealer who is authorized by American Honda to sell them will be repaired or replaced under warranty without charge for parts or labor. If installed by anyone else, parts and accessories will be repaired or replaced under warranty without charge for parts, but any labor charges will be the responsibility of the purchaser. Apparel will be repaired or replaced under warranty without any charge.
To Obtain Warranty Service:
You must, at your expense, take the Honda Power Equipment part, accessory, apparel or the Honda Power Equipment on which the part or accessory is installed, and proof of purchase to any Honda Power Equipment dealer in the United States, Puerto Rico, or the U.S. Virgin Islands who is authorized to sell that product, during the dealer’s normal business hours. To locate a dealer near you, visit our web site at PowerEquipment.Honda.com and click on Find a Dealer. If you are unable to obtain warranty service or are dissatisfied with the warranty service you receive, contact the owner of the dealership involved; normally this will resolve the problem. However, if you should require further assistance, write or call the Power Equipment Customer Relations Department of American Honda Motor Co., Inc. See “16. WARRANTY SERVICE INFORMATION” on page 14.
Exclusions:
This warranty does not extend to parts, accessories, or apparel affected or damaged by collision, normal wear, use in an application for which the product was not designed or any other misuse, neglect, incorporation or use of unsuitable attachments or parts, unauthorized alteration, improper installation, or any causes other than defects in material or workmanship of the product. Installing parts and accessories on non-Honda products or engines voids this warranty.
Disclaimer of Consequential Damage and Limitation of Implied Warranties:
American Honda disclaims any responsibility for loss of time or use of the product, or the power equipment on which the product is installed, transportation, commercial loss, or any other incidental or consequential damage. Any implied warranties are limited to the duration of this written warranty. Some states do not allow limitations on how long an implied warranty lasts and/or do not allow the exclusion or limitation of incidental or consequential damages, so the above exclusions and limitations may not apply to you. This warranty gives you specific legal rights, and you may also have other rights which vary from state to state.

















