Honeywell Speed Sensors SNDH-H Series

GENERAL SPECIFICATIONS
The SNDH-H Series Hall-Effect Speed Sensors uses a magnetically biased Hall-effect integrated circuit to accurately sense movement of ferrous metal targets. The specially designed IC (integrated circuit) and a permanent magnet are sealed in rugged, probe-type packages. The flux density of the permanent magnet alters when approached by ferrous metal.
This is detected by the Hall ICs. If the sensor is positioned at the circumference of a revolving gear wheel, for example, it detects the teeth and tooth spaces, supplying a digital pulse output with frequency proportional to gear wheel speed. Optimum performance is dependent upon variables which must be considered in combination: target material, geometry and speed, sensor/target gap, and environmental temperature.
| TABLE 1. SPECIFICATIONS | |||
| CHARACTERISTIC | SNDH-H3L-G01 | SNDH-H3C-G04 | SNDH-H3P-G01 |
| Supply voltage range | 4 Vdc to 24 Vdc | 6.5 Vdc to 24 Vdc | |
| Output | digital current sinking (open collector) | ||
| Supply current | 6 mA max. | 14 mA max. | |
| Output current | 30 mA1 | 20 mA sinking | |
| Output leakage current | 10 mA | ||
| Reverse output voltage | − | -0.5 V | |
| Rise time (10% to 90%) | 400 ns | 1 ms | 1 ms |
| Fall time (90% to 10%) | 400 ns | 0.6 ms | 0.6 ms |
| Target orientation | omnidirectional | alignment required | |
| Zero speed | yes | ||
| Operating frequency range | 0 kHz to 15 kHz | 0 kHz to 12 kHz | |
| Operating temp. range | -40°C to 100°C | -40°C to 125°C | |
| Dielectric | 200 Vdc | — | |
| Housing material | stainless steel | plastic | |
| Sensing air gap | up to 2,5 mm [0.098 in] | ||
| Target tooth width | 2 mm | 3 mm | |
| Target slot width | 2 mm | >2 mm | |
| Tooth height | 5 mm | >2 mm | |
| Target width | >3 mm | >2 mm | |
| Sensor misposition to target | dependent on target geometry | ||
| Probe length | 40 mm | 27,5 mm | 20,3 mm |
| Probe diameter | 9,53 mm | 18,6 mm | 15,37 mm |
| Connector | leaded3 | Delphi-Packard Metripak 150.2 Type 101 | Deutsch DT06-3S |
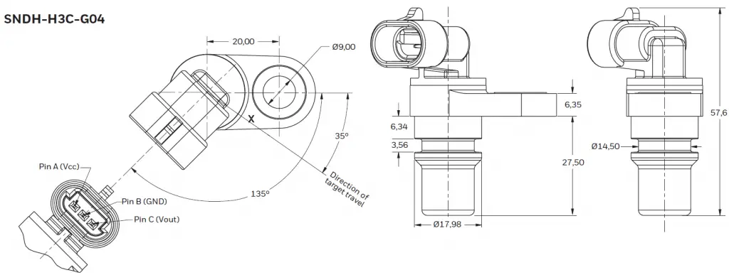
SPEED SENSORS, SNDH-H SERIES
FIGURE 1. MOUNTING DIMENSIONS (FOR REFERENCE ONLY: MM.)
SNDH-H3L-G01

SNDH-H3C-G04

SNDH-H3P-G01

WARRANTY/REMEDY
Honeywell warrants goods of its manufacture as being free of defective materials and faulty workmanship during the applicable warranty period. Honeywell’s standard product warranty applies unless agreed to otherwise by Honeywell in writing; please refer to your order acknowledgement or consult your local sales office for specific warranty details. If warranted goods are returned to Honeywell during the period of coverage, Honeywell will repair or replace, at its option, without charge those items that Honeywell, in its sole discretion, finds defective. The foregoing is buyer’s sole remedy and is in lieu of all other warranties, expressed or implied, including those of merchantability and fitness for a particular purpose. In no event shall Honeywell be liable for consequential, special, or indirect damages.
While Honeywell may provide application assistance personally, through our literature and the Honeywell web site, it is buyer’s sole responsibility to determine the suitability of the product in the application.
Specifications may change without notice. The information we supply is believed to be accurate and reliable as of this writing. However, Honeywell assumes no responsibility for its use.
FOR MORE INFORMATION
Honeywell Advanced Sensing Technologies services its customers through a worldwide network of sales offices and distributors. For application assistance, current specifications, pricing, or the nearest Authorized Distributor,
visit our website or call:
USA/Canada +302 613 4491
Latin America +1 305 805 8188
Europe +44 1344 238258
Japan +81 (0) 3-6730-7152
Singapore +65 6355 2828
Greater China +86 4006396841
WARNING:
PERSONAL INJURY
DO NOT USE these products as safety or emergency stop devices or in any other application where failure of the product could result in personal injury.
Failure to comply with these instructions could result in death or serious injury.
Honeywell
Advanced Sensing Technologies 830 East Arapaho Road Richardson, TX 75081
sps.honeywell.com/ast



















