Maxxima MEW-DM620 Single Pole Dimmer Light Switch

Caution: Read all notes prior to installation
INSTALLATION INSTRUCTION
STEP 1
WARNING: TO AVOID FIRE, SHOCK, OR DEATH; TURN OFF POWER at the circuit breaker or fuse and test that the power is off before wiring!

STEP 2
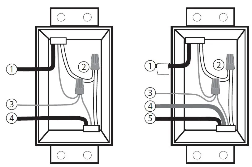
Indentifying your wiring application (most common):
NOTE: If the wiring in the wall box does not resemble any of these configurations, consult an electrician.

Single-Pole
- Line (Hot)
- Neutral
- Ground
- Load
3-Way
- Line or Load Common
(See importaint instructions below) - Neutral
- Ground
- First Traveler
- Second Traveler
IMPORTANT: For 3-way applications, note that one of the screw terminals from the old switch being removed will usually be a different color (Black) or labeled Common.Tag that wire with electrical tape and identify it as the common (Line or Load) in both the dimmer wall box and the standard 3-way switch wall box. The remaining two wires on the brass or lighter screw terminals of the old switch are the travelers.
STEP 3 Preparing wires:
- Pull off the pre-cut insulation from the Dimmer leads.
- Make sure that the ends of the wires from the wall box are straight (cut if necessary).
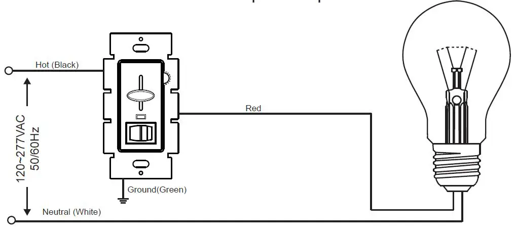
STEP 4A
Single-Pole wiring application:

Connect wires per WIRING DIAGRAM A as follows:
Screw wire nuts on clockwise making sure no bare conductors show below the wire connectors. Secure each connector with electrical tape.
- Green dimmer Ground lead to Green or bare copper wire in wall box.
- Black dimmer lead to Line Hot wall box wire.
- Red dimmer lead without insulating label to Load wall box wire
- Remaining Red dimmer lead should have Red insulation label affixed.
NOTE: If the insulating label is not affixed to Red lead, use a small wire nut or electrical tape to cap off.

STEP 4B
3-way wiring application:

Connect wires per WIRING DIAGRAM B as follows:
Screw wire nuts on clockwise making sure no bare conductors show below the wire connectors. Secure each connector with electrical tape.
NOTE: Dimmer can be installed on either the Load or Line side
- Green dimmer Ground lead to Green or bare copper wire in wall box.
- Black dimmer lead to tagged (common) wall box wire identified in Step 2.
- Remove Red insulating lable from the Red lead.
- First Traveler wall box wire identified in Step 2 to any red dimmer lead.
- Second Traveler wall box wire identified in step 2 to the remaining red dimmer lead.

STEP 5
Dimmer Mounting:

STEP 6
Restore Power:
Restore power at the circuit breaker or fuse. Installation is complete.
OPERATION
NOTE: If using the dimmer in a 3-way application, the lights will turn ON at the brightness set on the dimmer’s slide control lever. The lights can be controlled from either the dimmer or the switch location.

ON/OFF:
Depress button switch to ON position
Lights will turn ON
Depress button switch to OFF postion
Lights will turn OFF
BRIGHTEN & DIM:
Move the slider control lever Lights will BRIGHTEN or DIM
Warranty: Maxxima extends a 1 year limited warranty to the original purchaser that the products purchased are free from defects in material and/or workmanship only. The limited warranty is not transferable. This offer does not constitute in any way a product guarantee and Maxxima does not hereby assume any obligation whatsoever beyond sending a replacement product at no charge durring the warranty period.
Maxxima, 125 Cabot Ct., Hauppauge, NY 11788
TEL: 631.434.1200 FAX: 631.434.1457
www.maxximastyle.com
Important Notes
Please read before installing (COMPLETE INSTALLATION INSTRUCTIONS CONTINUED ON THE OTHER SIDE)
- CAUTION: Use only permanently installed 120V AC fixtures using incandescent or halogen or dimmable LED or dimmable CFL lamps. To avoid overheating and possible damage to other equipment, do not use the control receptacles, flourescent lighting fixtures or transformer-supplied appliances.
- Always use appropriate electrical power verification instruments to verify that the power is OFF before installing the dimmer
- Install in accordance with all national and local electric codes.
- Only use one dimmer in a 3-way circuit.
- When no “grounding means” exists within the wall box then NEC 2008, Article 404-9 allows a dimmer without a grounding connection to be installed as a replacement, as long as a plastic, non-combustible wallplate is used. For this type of installation, cap the green ground wire on the dimmer.
- For new installations, install a test switch before installing the dimmer.
- Protect the dimmer from dust and dirt when painting or spackling.
- It is normal for the dimmer to feel warm to the touch durring operation.
- Clean the dimmer with a soft, damp cloth only. Do not use any chemical cleaners.
- For indoor use only.
- Mount the dimmer to the wall box using the provided screws. The dimmer must be mounted vertically. See the stamp on the dimmer for correct positioning.
- 40 Watt incandescent or equivelent LED/CFL is the minimum recommended load for this dimmer.
Multigang Installations:
When installing more than one control in the same wall box, it may be necessary to remove all the inner side sections prior to wiring. Using pliers, bend each needed side section up and down until it breaks off.
Dimmer Capacity:
600W unmodified
500W if one side is removed
400W if both sides are removed

Dimmer Range Adjustment:
After installation (see other side), adjust circuit dimming as follows:
- Turn on the switch and move the slide dimmer to the lowest setting.
- Adjust the Sensitivity Dial all the way up (Counter-Clockwise). NOTE: If the dial stops in either direction, do not continue to turn it.
- Begin to adjust the Sensitivity Dial down (Clockwise) until the preferred lowest light level is acheived and the light output is stable for all lamps on the circuit. If all the lamps on the circuit go out, adjust the sensitivity back up slightly (Counter-Clockwise).
- Once the lowest light level is set, test the slide dimmer in the lowest position by switching the dimmer off and then on by the ON/OFF switch to verify all the lamps turn on at the lowest level.
- If all the lamps do not turn back on, repeat steps 1-4, but set the lowest light level slightly higher than the previous attempt.
- Once all the lamps are dimming properly, install the faceplate.

















