HECHT 784 Petrol Tiller Instructions
Product Part


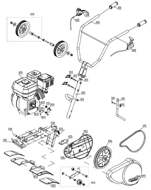
| Position | Part number | Name |
| 1 | 784000001 | Handle grip |
| 2 | 784000002 | Upper handle |
| 3 | 784000003 | Handle bottom tube |
| 4 | 784000004 | Clutch lever |
| 5 | 784000005 | Clutch cable |
| 8 | 784000008 | Throttle lever with cable |
| 10 | 784000010 | Stand |
| 11 | 785000205 | Cotter pin |
| 12 | 784000012 | Pin 8×45 |
| 13 | 784000013 | Knob nut |
| 16 | S-08*60 | Bolt M8x60 |
| 18 | 784000018 | Front frame handle |
| 20 | 784000020 | Engine LC152F-1 |
| 23 | 784000023 | Engine sheave |
| 24 | 784000024 | Sheave bolt M6x10 |
| 25 | 784000025 | Flat key 4,7×4,7×27 |
| 26 | 784000026 | Belt guide plate |
| 30 | 784000030 | Bushing |
| 31 | 784000031 | Bushing |
| 32 | 784000032 | Deck |
| 33 | 784000033 | Spring |
| 35 | 784000035 | Belt cover bracket |
| 38 | 784000038 | Belt transmission board |
| 43 | 784000043 | Tensioner sheave |
| 46 | 784000046 | Sheave |
| 49 | 784000049 | Belt cover |
| 51 | 784000051 | Belt |
| 53 | 784000053 | Blade plastic fender |
| 54 | 784000054 | Blade steel fender |
| 59 | 784000059 | Wheel |
| 64 | M-08 | Nut M8 |
| 65 | S-08*16 | Bolt M8x16 |
| 66 | 785000205 | Cotter pin |
| 67 | 784000067 | Pin 8×35 |
| 68 | 784000012 | Pin 8×45 |
| 69 | 784000069 | Blade |
| 70 | 784000070 | Blade outer retainer |
| 71 | 784000071 | Blade inner retainer |
| 74 | 6003 | Bearing 6003 |
| 75 | 6004 | Bearing 6004 |
| 76 | 784000076 | Pin 7×60 |
| 78 | 784000078 | Chain |
| 83 | 784000083 | Chain drive assembly |
| 84 | 784000084 | Plug |

| Position | Part number | Name |
| 3 | 120220008-0001 | Cylinder head cover |
| 4 | 120250013-0001 | Cylinder head cover gasket |
| 6 | 565401080 | Spark plug |
| 7 | 784000107 | Muffler gasket |
| 8 | 380180098-0001 | Stud bolt M8x34 |
| 9 | 784000109 | Cylinder head |
| 10 | 784000110 | Cylinder head gasket |
| 12 | 784000112 | Stud bolt M6x90 |

| Position | Part number | Name |
| 1 | Pouze celý motor | Crankcase |
| 2 | 380450514-0001 | Flat washer |
| 3 | 785001014 | Oil drain plug M10x1,25-15 |
| 4 | HM-40056 | Oil seal 17x30x6 |
| 5 | 102300-129 | Oil sensor |
| 7 | 784000119 | Governor gear |
| 8 | 784000120 | Oil level switch |
| 10 | 6203 | Bearing 6203 |
| 11 | 784000123 | Engine base |

| Position | Part number | Name |
| 2 | 784000126 | Oil dipstick |
| 3 | 784000127 | Crankcase cover |
| 4 | HM-40056 | Oil seal 17x30x6 |
| 5 | 6203 | Bearing 6203 |
| 7 | 784000131 | Crankcase cover gasket |

| Position | Part number | Name |
| 1 | 784000134 | Piston assembly |
| 5 | 784000136 | Connecting rod |
| 6 | 784000137 | Crankshaft |
| 7 | 587002020 | Woodruff key 5×6,5×16 |
| 8 | 380620032-0001 | Flat key 5x5x33 |

| Position | Part number | Name |
| 1 | 784000140 | Valve rocker set |
| 2 | 784000143 | Valve tappet set |
| 5 | 784000144 | Camshaft |
| 6 | 784000148 | Valve set |

| Position | Part number | Name |
| 1 | 784000150 | Starter assembly |
| 2 | 784000151 | Fan cover |
| 5 | 271660030-0001 | Engine stop switch |

| Position | Part number | Name |
| 1 | 784000158 | Carburetor gasket |
| 2 | 784000159 | Carburetor insulator |
| 3 | 784000160 | Carburetor |

| Position | Part number | Name |
| 1 | 784000161 | Flywheel |
| 2 | 784000162 | Ignition coil |
| 4 | 784000164 | Fan |
| 5 | 784000165 | Starter idle pulley |
| 6 | 03030020005 | Nut M10x1,25 |

| Position | Part number | Name |
| 1 | 784000167 | Governor board |
| 3 | 784000169 | Return spring |
| 4 | 784000170 | Governor control rod |
| 6 | 784000172 | Governor lever |
| 7 | 784000173 | Governor rod |
| 8 | 784000174 | Governor rod spring |
| 10 | 381350004-0001 | Cotter pin |

| Position | Part number | Name |
| 1 | 784000179 | Air filter assembly |
| 4 | 784000182 | Air filter element |
| 5 | 784000183 | Air filter sponge |
| 7 | 784000185 | Air filter bolt |

| Position | Part number | Name |
| 1 | 784000186 | Muffler |

| Position | Part number | Name |
| 1 | 784000188 | Fuel tank cap |
| 2 | 170720001-0001 | Fuel tank sieve |
| 3 | 784000190 | Fuel tank |
| 4 | 170660077-0001 | Fuel tank filter |
| 5 | 785001073 | Fuel tube |
| 7 | 380950188-0001 | Fuel tube clip |
| 10 | 784000197 | Fuel tube |















