FIRES Glazer Electric Fire Fan Heater
Instructions
Glazer Electric Fire Fan Heater
Important
Carefully remove the fire from the packing checking neither the heater nor the power cable has been damaged during transport. Do not operate the fire if damaged.
Please bear in mind the weight of the fire before removal from the packaging and installation. Consider if help is required.
The accessories are found in a box that is packed at the side of the fire.
Always read this manual first before attempting to install or use and keep in a safe place.
Your fire is guaranteed for two years from the date of purchase.
Recycling
Registration No WEE/DH1656ZW
In accordance with European Directive 2012/19/ EU, waste electrical and electronic equipment (WEEE) must not be disposed of with household waste.
Please recycle responsibly.
Important Safety Information and Warnings
- WARNING: In order to avoid overheating, do not cover the heater.
- For indoor use only.
- Do not use the fire in the vicinity of a bath, shower, or swimming pool.
- Never use the fire to dry laundry.
- The heater must not be located immediately below a socket outlet.
- The use of an extension lead is not recommended.
- This appliance can be used by children aged 8 years and above and persons with reduced physical, sensory or mental capabilities or lack of experience and knowledge if they have been given supervision or instruction concerning the use of the appliance in a safe way and understand the hazards involved. Children shall not play with the appliance. Cleaning and user maintenance shall not be made by children without supervision.
- Children of less than 3 years should be kept away unless continuously supervised
- Children aged from 3 years and less than 8 years shall only switch on/off the appliance provided that it has been placed or installed in its intended normal operating position and they have been given supervision or instruction concerning the use of the appliance in a safe way and understand the hazards involved.
- Children aged from 3 years and less than 8 years shall not plug in, regulate and clean the appliance or perform user maintenance.
- Some parts of this product can become very hot and cause burns. Particular attention must be given where children and vulnerable people are present
- Caution should be applied to ensure that children do not play with the fuel effects.
- As with any electrical appliance whilst the instructions aim to cover as many eventualities as possible, caution and common sense should be applied when operating your appliance, particularly in the vicinity of small children.
- CAUTION: The heater is fitted with an automatic cut-out to prevent any damage due to overheating. The element will continually and automatically cut out if the airflow is obstructed. Never cover the air outlets. To reset, switch the fire off, disconnect from the mains supply, and remove the cause of the overheating. Allow cooling for a suitable period then switch the fire back on.
- CAUTION: In order to avoid a hazard due to inadvertent resetting of the thermal cut-out, the appliance must not be supplied through an external switching device, such as a timer, or connected to a circuit regularly switched on and off by a utility.
Where a chimney is not blocked off completely, any draw will cause the heater to cut out during use. Care should also be taken when fitting into a cavity wall in case of damp or draft with external air vents fully sealed
UKCA Declaration
Trade name: Glazer
Ratings: 220-240 Vac, 50Hz Class 1
Product Type: Electric Fire (fan heater)
Requirements:
BS-EN 60335-2-30:2009 + A11:2012
BS-EN 60335-1:2012 + A11:2014 + A13:2017 + A1:2019 + A14:2019 + A2:2019
BS-EN 55014-1:2017
BS-EN 55014-2:2015
BS-EN61000-3-2:2014
BS-EN 61000-3-3:2013
Manufactured by: Flamerite Fires Ltd. Greenhough Road, Lichfield. Staffs. WS13 7AU. UK
Technical Specification
A 230V 13A 50Hz supply is required.
Maximum power consumption: 1500 Watts
A 1.8 meter lead with a BS1363 plug containing a BS1362 13A fuse is supplied. Only use a BS1362 13A fuse with this appliance.
Minimum opening to fit and inset the fire
| Model | H | W1side | W2side | W3side | D |
| 600 | 725mm | 645mm | 625mm | 610mm | 265mm |
| 750 | 630mm | 795mm | 775mm | 760mm | 265mm |
| 900 | 505mm | 945mm | 925mm | 910mm | 265mm |
| 1000 | 575mm | 1045mm | 1025mm | 1010mm | 265mm |
| 1300 | 575mm | 1345mm | 1325mm | 1310mm | 265mm |
| 1500 | 575mm | 1545mm | 1525mm | 1510mm | 265mm |
| 1800 | 575mm | 1845mm | 1825mm | 1810mm | 265mm |
Visible burn area after fitting
| Model | H | W1side | W2side | W3side | D2/3 side |
| 600 | 500mm | 645mm | 625mm | 600mm | 180mm |
| 750 | 410mm | 795mm | 775mm | 750mm | 180mm |
| 900 | 280mm | 945mm | 925mm | 900mm | 180mm |
| 1000 | 350mm | 1045mm | 1025mm | 1000mm | 180mm |
| 1300 | 350mm | 1345mm | 1325mm | 1300mm | 180mm |
| 1500 | 350mm | 1545mm | 1525mm | 1500mm | 180mm |
| 1800 | 350mm | 1845mm | 1825mm | 1800mm | 180mm |
Installation Instructions
DO NOT TWIST, FORCE, OR SQUEEZE THE FIRE DURING THE INSTALLATION PROCESS.
There must be enough clearance for the fire to comfortably fit inside or against a wall. DO NOT SQUEEZE INTO AN OPENING as this may deform the case and stop the glass from moving correctly.
The height at which you may wish to fix the fire in or on the wall is up to you, we recommend anywhere from 350-450mm from the floor to the bottom of the fire opening (not the bottom of the fire).
The fire must be well supported in or on any structure. Wall support or lintel should be fitted at the required height to ensure the appliance does not support the weight of the finished wall or chimney breast. Never secure to just plasterboard alone.
Connect and insert the power cable tightly into the connector underneath the fire
1. Glazer Side panels for 1 or 2-sided fitting.
The blanking panels consist of two parts each and are fitted directly over the side glass. If you need to fit the blanking panel(s) follow the instructions and images below.
- Place together as though you have formed a tray with an edge/return on each of the four sides
- Slide onto the fire so the forward edge/return of the inner panel touches the glass panel edge.
- Fix using the four screws, two on the top and bottom but make sure the inner panel and the glass have free movement to slide forwards and backward.
2. Glazer & Luca fitting onto a wall or into a structure.
Before fitting the Luca to the wall, the top and base will have to be removed, see section 5.
Take the following steps to secure your fire firmly into position and onto a wall. Both top and bottom fixing brackets come already attached to the fire. The bottom bracket will have to be removed to begin the process.
a. Bottom Bracket
| Fixings | 450 | 600 | 750 | 900 | 1000 | 1300 | 1500 | 1800 |
| 60mm screws | 2 | 3 | 3 | 4 | 4 | 4 | 4 | 4 |
| M10 rawl plugs | 2 | 3 | 3 | 4 | 4 | 4 | 4 | 4 |
| M6 bolts | 2 | 2 | 2 | 2 | 2 | 2 | 2 | 2 |
| M6 washers | 2 | 2 | 2 | 2 | 2 | 2 | 2 | 2 |
Remove the M6 bolts and washers (remove the bottom bracket only). Mark up and drill the holes with an M10 bit and fit the rawl plugs. Using the 60mm screws, secure the bracket to the wall.
b. Top Bracket
| Fixings | 450 | 600 | 750 | 900 | 1000 | 1300 | 1500 | 1800 |
| 60mm screws | 2 | 3 | 3 | 3 | 3 | 3 | 3 | 4 |
| M10 rawl plugs | 2 | 3 | 3 | 3 | 3 | 3 | 3 | 4 |
| 13mm screws | 2 | 3 | 3 | 4 | 4 | 4 | 4 | 4 |
A second person may be required. For now, leave the top bracket attached. Place and hold the fire on the bottom bracket and refit the M6 bolts and washers through the slots back into the fire. Keeping the fire firmly pushed against the wall, mark across the length of the top bracket and into the slots above each hole. Once again remove the M6 bolt and washers and place the fire onto the floor.
Remove the 13mm screws and top bracket from the fire. Using it as a template mark the fixing holes on the wall, drill the holes with an M10 bit and fit the rawl plugs. Using the 60mm screws fix the bracket to the wall.
c. Secure the fire onto the brackets
Place and hold the fire on the bottom bracket and screw the top bracket back onto the fire with the 13mm self-tappers. At this point you will be able to level the fire accordingly when refitting the M6 bolts and washers through the slots of the bottom bracket and back into the fire.
Your fire is now secure, make sure the mains cable is tightly fitted.
3. Glazer fitting a Flamerite fireplace suite
| Modular wall & freestanding | 8x 13mm screws. 4 top and 4 bottom |
| Modular chimney breast | 3x M10 x 50mm Rawl plugs. 3x 60mm screws 2x 50mm screws & cover caps. 4x 13m screws. |
a. When the fire is mounted to the wall, the base will slide on from the front between the flange running around the opening and the pull-out tabs A. Make sure the power cable is firmly pushed into the fire and does not foul the suit when up against the wall.
b. Using four of the 13mm screws secure the base to the fire along the side flange and fit the décor trim B. The décor trim is the long black channel that provides a neat edge along the bottom of the fire opening, it is held in place with magnets.
c. Fix the gloss black decorative panels on either side of the opening to the fire C, also held in place with magnets.
d. If fitting a full chimney breast go to the next step e.
Slide the top from the front D between the flange running around the opening and the pull-out tabs. Make sure the top of each gloss black decorative panel C fits into the recess around the cut-out as the top pushes back towards the wall. On the underside using four of the 13mm self-tappers provided, secure the sides of the top only.
e. The chimney breast requires a baton to be fitted to the wall above the fire using three M10 x 50mm rawl plugs and 60mm screws. Use an M10 bit to drill the holes. The baton must be fitted from the top of the fire to the bottom of the baton, dead center so the chimney breast can comfortably slide over the fire and line up to the pilot holes either side of the baton.
Height from the top of the fire: 600 = 885mm/900 = 1110mm/1000 = 1040mm
Carefully slide the chimney breast on from the front D between the flange running around the opening and the pull-out tabs. Make sure the top of each gloss black decorative panel C fit into the recess around the cut-out as the chimney breast pushes back towards the wall. Use the two 50mm screws to secure the chimney breast to the baton F and push the white plastic covers over the top. On the underside use four 13mm screws provided, secure the sides only.
DO NOT HANG HEAVY OBJECTS ONTO THE CHIMNEY BREAST
4. Luca 450 freestanding (with or without log box) or in the Luca 450 Suite.
Move and position to your required location. If fitting the optional flue pipe, this is simply placed on top and against the wall.
5. Luca top and base, remove and replace when wall mounted or used in the 450 suite.
(Illustrations in this instance show the 450)
- Remove the four screws and slide the top forward.

- Remove the two side and front dresser rails, they are held on with magnets.
- Remove the four screws and slide the base forward.
Fuel Effects
The fuel effects must be positioned according to the images in the booklet Care must be taken to ensure the channel at the front of the fire is not obstructed. Anything dropped into it, must be removed before installing the front glass panel.
Glass Fitting & Removal
We recommend two persons to fit the Glazer 1500 & 1800 glass
Push the side glass back towards the rear of case A You will notice there is a long gap on the underside of the opening 10mm in width that runs along and in front of the heater grills. At an angle of approximately 45 degrees push the glass up into this void making sure the bottom of the glass clears the lower edge of the opening. Tilt the glass back into the fire and carefully lower it into the large channel that runs across the opening avoiding the dampers B & C
Slide the handle D along the top right-hand side of the glass.
The upper glass rail is magnetic and will fix easily into place along the top of the opening E. Adjust the position of the handle accordingly into the gap on the rail.
With the front glass tilted rearwards pull the side glass side forwards F. To open and close the front glass panel, place your index finger on the handle as shown in picture G. You may finely position the front and side glass panels to give the best possible fit and finish. Make sure the front glass glides back with ease and depresses the micro switch arm on the underside of the heater housing.
Trouble Shooting
- No power to the fire: Check the wall socket, plug, fuse, and dimmer.
- Heat turns off quickly after turning on: Set thermostat to a higher temperature.
- No illumination: Make sure the fire is turned on. Check heater is working, if so check the dimmer.
- Heater blowing cold air: The safety cut-out may have operated. Check for obstruction around the heater. If continually a problem and fitted into a cavity wall or chimney breast check with the installer the inset opening has been 100% fully sealed from drawn air and draft.
- Noise when illuminated: Due to moving parts, the electric fire will make a noise.
- Noise from the heater when in use: The sound of rushing air is normal.
Maintenance
WARNING: Before any maintenance/cleaning is undertaken, always disconnect the fire from the main power supply.
Replacing Radia Flame LED Lamps
Dimmable 240V 6W 3000k E14 LED lamps We recommend lamp replacement by a Flamerite service engineer or similarly qualified persons in order to
avoid a hazard. Allow a suitable time for the lamps to cool then remove the glass & fuel effect (see Installation). Remove the two screws from either side of the fuel bed and lift them out of place. Remove and replace the lamps, fuel bed, fuel effect, and glass. Please note that replacement lamps are covered by a 2-year warranty. Replacements are available from www.flameritefires.com
Replacing Nitra Flame LED Strips
LED Strips and driver replacement must be undertaken by a Flamerite service engineer or similarly qualified persons in order to avoid a hazard. Please note that replacement lighting is covered by a 2-year warranty.
Replacements are available from www.flameritefires.com
Cleaning
The fire can be cleaned with a soft cloth and non-abrasive glass cleaner.
Information Requirements
Information requirement for electric local space heaters
Radia Flame
| Model identifier (s) | 450 | 600 | 750 | 900/1000 | 1300 | 1500 | 1800 | |||||||||||||||
| item@ 240v SOHz | Symbol | Value | Value | Value | Value | Value | Value | Value | Unit | |||||||||||||
| Heat output | ||||||||||||||||||||||
| Nominal heat output Minimum heat output (indicative) Maximum continuous heat output | Phnom | 2. | 2. | 2. | 2. | 2. | 2. | 2. | kW | |||||||||||||
| Pmin | 0.75 | 0.75 | 0.75 | 0.75 | 0.75 | 0.75 | 0.75 | kW | ||||||||||||||
| Pmax,c | 2. | 2. | 2. | 2. | 2. | 2. | 2. | kW | ||||||||||||||
| Auxiliary electricity consumption | ||||||||||||||||||||||
| At nominal heat At minimum heat In stand by | elmax | 0.038 | 0.032 | 0.039 | 0.051 | 0.063 | 0.063 | 0.082 | kW | |||||||||||||
| Elgin | 0.038 | 0.032 | 0.039 | 0.051 | 0.063 | 0.063 | 0.082 | kW | ||||||||||||||
| USB | 0.0005 | 0.0005 | 0.0005 | 0.0005 | 0.0005 | 0.0005 | 0.005 | kW | ||||||||||||||
| Type of heat output/room temperature control | ||||||||||||||||||||||
| With the distance control option Room temperature control, with open window detection Yes Adaptive Start Yes With electronic room temperature control plus a week timer Yes | ||||||||||||||||||||||
| Contact details: | I Flamerite Fires Ltd. WS13 7AU. The UK. www.flameritefires.com | |||||||||||||||||||||
Nitra Flame
| Model Identifier (s) | 450 | 600 | 750 | 900/1000 | 1300 | 1500 | 1800 | ||||||||||||||||||||
| Item 240v SOHC | Symbol | Value | Value | Value | Value | Value | Value | Value | Unit | ||||||||||||||||||
| Heat output | |||||||||||||||||||||||||||
| Nominal heat output Minimum heat output (indicative) Maximum continuous heat output | Phnom | 2. | 2. | 2. | 2. | 2. | 2. | 2. | kW | ||||||||||||||||||
| Pmin | 0.75 | 0.75 | 0.75 | 0.75 | 0.75 | 0.75 | 0.75 | kW | |||||||||||||||||||
| Pmax,c | 2. | 2. | 2. | 2. | 2. | 2. | 2. | kW | |||||||||||||||||||
| Auxiliary electricity consumption | |||||||||||||||||||||||||||
| At nominal heat At minimum heat In stand by | elmax | 0.03 | 0.027 | 0.042 | 0.041 | 0.049 | 0.051 | 0.058 | kW | ||||||||||||||||||
| Elgin | 0.03 | 0.027 | 0.042 | 0.041 | 0.049 | 0.051 | 0.058 | kW | |||||||||||||||||||
| USB | 0.0005 | 0.0005 | 0.0005 | 0.0005 | 0.0005 | 0.0005 | 0.0005 | kW | |||||||||||||||||||
| Type of heat output/room temperature control | |||||||||||||||||||||||||||
| With the distance control option Room temperature control, with open window detection Yes Adaptive Start Yes With electronic room temperature control plus a week timer Yes | |||||||||||||||||||||||||||
| Contact details: | I Flamerite Fires Ltd. WS13 7AU. The UK. www.flameritefires.com | ||||||||||||||||||||||||||
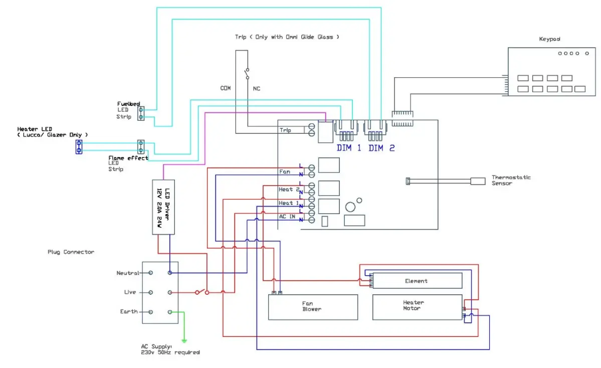
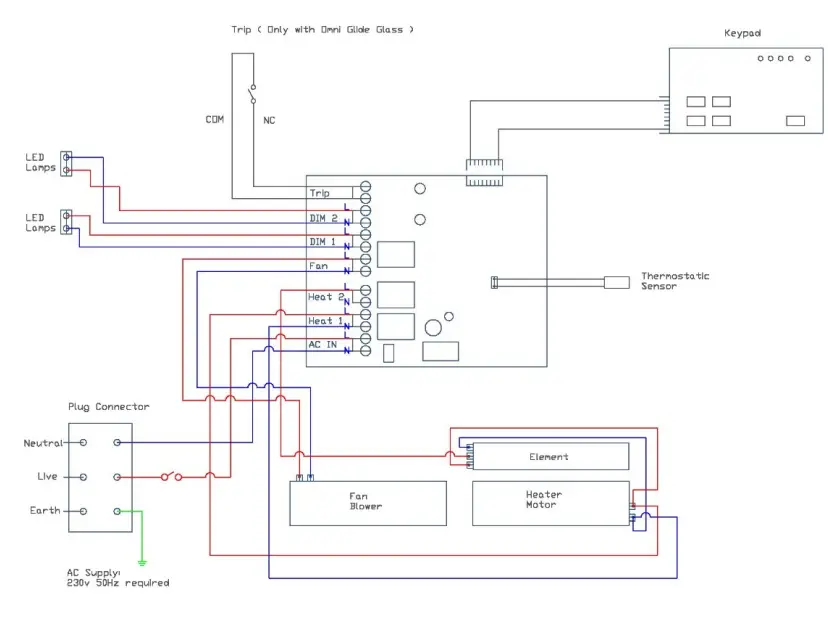
Wiring Diagrams
Radia Flame
Nitra Flame





















